Тут засада в том, что когда я пускаю шпиндель кнопкой М3 (а это тоже скрипт) ошибка не вылазит.xenon-alien писал(а):Как раз хотел сказать, как только запустится ПЧ без фильтров полезут и помехи.
Проходил это с обычной электроникой на ТВ-16 и сборке электронной гитары.
WLMill (Windows/Linux (Qt) + WLMotion) - управление фрезерным ЧПУ
- daemon78
- Мастер
- Сообщения: 1693
- Зарегистрирован: 02 окт 2018, 15:02
- Репутация: 103
- Настоящее имя: Владимир
- Откуда: Москва
- Контактная информация:
Re: WLMill (Windows,Linux) - управление фрезерным ЧПУ
Мой первый станок Первый станок Кусака 1 и куча вопросов #1
Мой второй станок Кусака 2.0 и вопросы к форумчанам #1
Мой второй станок Кусака 2.0 и вопросы к форумчанам #1
- xenon-alien
- Почётный участник

- Сообщения: 4520
- Зарегистрирован: 01 янв 2013, 13:13
- Репутация: 925
- Настоящее имя: Daniel
- Откуда: Закарпатская обл. Украина
- Контактная информация:
Re: WLMill (Windows,Linux) - управление фрезерным ЧПУ
Я говорю о наводке в проводах. (некорректная работа датчиков, низковольтной логической цепи входов и выходов)daemon78 писал(а):Тут засада в том, что когда я пускаю шпиндель кнопкой М3 (а это тоже скрипт) ошибка не вылазит.xenon-alien писал(а):Как раз хотел сказать, как только запустится ПЧ без фильтров полезут и помехи.
Проходил это с обычной электроникой на ТВ-16 и сборке электронной гитары.
А влияет ли это как-то на программные скрипты - мне неизвестно. Если они считывают входи и выходы тогда всё может быть...
Это так, же как искрение коллекторных моторов на ардуновских ЧПУ и они по ЮСБ отваливаются в процессе работы.
Понятно, что наводки другие в данном случае. Тут только осциллограф поможет выявить проблему, если она из-за наводок.
Если нет, то программная ошибка...
- wldev
- Мастер
- Сообщения: 1650
- Зарегистрирован: 24 янв 2012, 16:04
- Репутация: 510
- Настоящее имя: Сергей Бочаров
- Откуда: Новосибирск
- Контактная информация:
Re: WLMill (Windows,Linux) - управление фрезерным ЧПУ
Обновил WLMill для armbian
незначительные изменения
+ "close" (Alt+F4) в меню
+ "*.tap"
- исправлена ошибка в парсере G кода
незначительные изменения
+ "close" (Alt+F4) в меню
+ "*.tap"
- исправлена ошибка в парсере G кода
- daemon78
- Мастер
- Сообщения: 1693
- Зарегистрирован: 02 окт 2018, 15:02
- Репутация: 103
- Настоящее имя: Владимир
- Откуда: Москва
- Контактная информация:
Re: WLMill (Windows,Linux) - управление фрезерным ЧПУ
Сергей, вопрос по плате WLAxis.
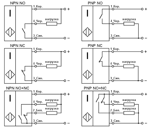
У меня два NPN NC датчика.
Я их подключил к плате, но вот откуда снимать сигнал на народную плату, с OUT+ или OUT-?
Смотрю таблицу В столбцах указаны NPN.
Наверное в одном все же должно быть PNP, но в каком?
Вообщем рассказывай, откуда снимать сигнал на народную плату.
У меня два NPN NC датчика.
Я их подключил к плате, но вот откуда снимать сигнал на народную плату, с OUT+ или OUT-?
Смотрю таблицу В столбцах указаны NPN.
Наверное в одном все же должно быть PNP, но в каком?
Вообщем рассказывай, откуда снимать сигнал на народную плату.
Мой первый станок Первый станок Кусака 1 и куча вопросов #1
Мой второй станок Кусака 2.0 и вопросы к форумчанам #1
Мой второй станок Кусака 2.0 и вопросы к форумчанам #1
- daemon78
- Мастер
- Сообщения: 1693
- Зарегистрирован: 02 окт 2018, 15:02
- Репутация: 103
- Настоящее имя: Владимир
- Откуда: Москва
- Контактная информация:
Re: WLMill (Windows,Linux) - управление фрезерным ЧПУ
Полазил мультиметром по выходу OUT (+-) с которого надо снимать сигнал на народную плату.
Чего то я видимо не понимаю.
Измеряю OUT + и - относительно нуля поданного питания. Везде 0.
Теперь к обоим датчикам подношу металл, они срабатывают, загорается OUT (EO1 и EO2) гаснут, но на выходах OUT + и - все равно 0.
Инвертирую джампером RO, и замыкаю датчики, все равно на выходах OUT 0.
Подскажи, что я не так делаю
Чего то я видимо не понимаю.
Измеряю OUT + и - относительно нуля поданного питания. Везде 0.
Теперь к обоим датчикам подношу металл, они срабатывают, загорается OUT (EO1 и EO2) гаснут, но на выходах OUT + и - все равно 0.
Инвертирую джампером RO, и замыкаю датчики, все равно на выходах OUT 0.
Подскажи, что я не так делаю
Мой первый станок Первый станок Кусака 1 и куча вопросов #1
Мой второй станок Кусака 2.0 и вопросы к форумчанам #1
Мой второй станок Кусака 2.0 и вопросы к форумчанам #1
- wldev
- Мастер
- Сообщения: 1650
- Зарегистрирован: 24 янв 2012, 16:04
- Репутация: 510
- Настоящее имя: Сергей Бочаров
- Откуда: Новосибирск
- Контактная информация:
Re: WLMill (Windows,Linux) - управление фрезерным ЧПУ
Поправил, справа PNP.daemon78 писал(а):В столбцах указаны NPN.
Наверное в одном все же должно быть PNP, но в каком?
OUT+ и OUT- работают в паре, как электронный выключатель. Т.е. если светодиод индикации OUT горит, то условно закорочен OUT+ на OUT- , и наоборот. Если не горит, то разрыв.
Проверить мультиметром можно измеряя сопротивление между OUT+ и OUT-.
Т.е. для народной, нужно соединить OUT- >> gnd датчиков , а OUT+ >> к входу народной.
- daemon78
- Мастер
- Сообщения: 1693
- Зарегистрирован: 02 окт 2018, 15:02
- Репутация: 103
- Настоящее имя: Владимир
- Откуда: Москва
- Контактная информация:
Re: WLMill (Windows,Linux) - управление фрезерным ЧПУ
Сергей, вот тут у меня небольшие сомнения, сейчас попробую объяснить.Bender писал(а):Т.е. для народной, нужно соединить OUT- >> gnd датчиков , а OUT+ >> к входу народной.
Итак датчик NPN NC. Подключаю питание датчика и замеряют выход на сигнальной линии относительно GND поданного на него питания. Мультиметр показывает 0.
Теперь подношу железяку и он срабатывает. На сигнальной линии у него устанавливается напряжение питания (+) за вычетом небольшого падения напряжения (ну я и не ожидал rail to rail) где то около 11В.
Получается, что на народную плату надо пробрасывать с сигнальной линии напряжение близкое к напряжению питания.
То есть, по моей логике получается на OUT + надо цеплять сигнальный выход с датчика а уже с OUT - подавать сигнал на народную плату.
Если я не прав, напиши плз где я ошибся. Хочется разобраться в этом вопросе.
Мой первый станок Первый станок Кусака 1 и куча вопросов #1
Мой второй станок Кусака 2.0 и вопросы к форумчанам #1
Мой второй станок Кусака 2.0 и вопросы к форумчанам #1
- wldev
- Мастер
- Сообщения: 1650
- Зарегистрирован: 24 янв 2012, 16:04
- Репутация: 510
- Настоящее имя: Сергей Бочаров
- Откуда: Новосибирск
- Контактная информация:
Re: WLMill (Windows,Linux) - управление фрезерным ЧПУ
NC - нормально закрытый (normal close) . То есть в нормальном состоянии выход прижат к земле. А когда он сработал он "отпускает" выход от земли.daemon78 писал(а):Итак датчик NPN NC. Подключаю питание датчика и замеряют выход на сигнальной линии относительно GND поданного на него питания. Мультиметр показывает 0.
После чего появляется потенциал который может придти либо от входа народной, либо от датчика.
Когда у нас замыкается вход на землю то начинает бежать ток через оптрон и резистор.
То есть OUT+/- замыкает вход на землю. и также начинает бежать ток...
если грубо:
NPN - соединяет вход и землю
PNP - соединяет вход и питание
Последний раз редактировалось wldev 04 авг 2020, 12:03, всего редактировалось 1 раз.
- daemon78
- Мастер
- Сообщения: 1693
- Зарегистрирован: 02 окт 2018, 15:02
- Репутация: 103
- Настоящее имя: Владимир
- Откуда: Москва
- Контактная информация:
Re: WLMill (Windows,Linux) - управление фрезерным ЧПУ
Понял, спасбо
Мой первый станок Первый станок Кусака 1 и куча вопросов #1
Мой второй станок Кусака 2.0 и вопросы к форумчанам #1
Мой второй станок Кусака 2.0 и вопросы к форумчанам #1
- wldev
- Мастер
- Сообщения: 1650
- Зарегистрирован: 24 янв 2012, 16:04
- Репутация: 510
- Настоящее имя: Сергей Бочаров
- Откуда: Новосибирск
- Контактная информация:
Re: WLMill (Windows,Linux) - управление фрезерным ЧПУ
+ корректные имена файловBender писал(а):Обновил WLMill для armbian
незначительные изменения
+ "close" (Alt+F4) в меню
+ "*.tap"
- исправлена ошибка в парсере G кода
выложил beta WIndows
- sima8520
- Почётный участник

- Сообщения: 4510
- Зарегистрирован: 24 ноя 2016, 23:35
- Репутация: 1617
- Настоящее имя: Илья
- Откуда: Беларусь, Гомель
- Контактная информация:
Re: WLMill (Windows,Linux) - управление фрезерным ЧПУ
тут точно всё верно написано?)Bender писал(а):NC - нормально открытый (normal close)
- daemon78
- Мастер
- Сообщения: 1693
- Зарегистрирован: 02 окт 2018, 15:02
- Репутация: 103
- Настоящее имя: Владимир
- Откуда: Москва
- Контактная информация:
Re: WLMill (Windows,Linux) - управление фрезерным ЧПУ
sima8520 писал(а):тут точно всё верно написано?)
Сорри, очепятка, нормально закрытый
Мой первый станок Первый станок Кусака 1 и куча вопросов #1
Мой второй станок Кусака 2.0 и вопросы к форумчанам #1
Мой второй станок Кусака 2.0 и вопросы к форумчанам #1
- daemon78
- Мастер
- Сообщения: 1693
- Зарегистрирован: 02 окт 2018, 15:02
- Репутация: 103
- Настоящее имя: Владимир
- Откуда: Москва
- Контактная информация:
Re: WLMill (Windows,Linux) - управление фрезерным ЧПУ
Сергей, хотел вот что еще спросить.
У тебя в WLMill есть пробинг по осям X и Y. Этот пробинг работает с тем же входом народной платы, что и по Z? Он там же сигнал ожидает?
У тебя в WLMill есть пробинг по осям X и Y. Этот пробинг работает с тем же входом народной платы, что и по Z? Он там же сигнал ожидает?
Мой первый станок Первый станок Кусака 1 и куча вопросов #1
Мой второй станок Кусака 2.0 и вопросы к форумчанам #1
Мой второй станок Кусака 2.0 и вопросы к форумчанам #1
- wldev
- Мастер
- Сообщения: 1650
- Зарегистрирован: 24 янв 2012, 16:04
- Репутация: 510
- Настоящее имя: Сергей Бочаров
- Откуда: Новосибирск
- Контактная информация:
Re: WLMill (Windows,Linux) - управление фрезерным ЧПУ
Да есть. Один общий вход пробинга. В закладке есть индикация для проверки работы датчика.daemon78 писал(а):Сергей, хотел вот что еще спросить.
У тебя в WLMill есть пробинг по осям X и Y. Этот пробинг работает с тем же входом народной платы, что и по Z? Он там же сигнал ожидает?
- daemon78
- Мастер
- Сообщения: 1693
- Зарегистрирован: 02 окт 2018, 15:02
- Репутация: 103
- Настоящее имя: Владимир
- Откуда: Москва
- Контактная информация:
Re: WLMill (Windows,Linux) - управление фрезерным ЧПУ
Сергей, под Армбианом работает отлично, три детальки уже запилил.
А вот под Windows не определяется.
Что может быть?
А вот под Windows не определяется.
Что может быть?
Мой первый станок Первый станок Кусака 1 и куча вопросов #1
Мой второй станок Кусака 2.0 и вопросы к форумчанам #1
Мой второй станок Кусака 2.0 и вопросы к форумчанам #1
- wldev
- Мастер
- Сообщения: 1650
- Зарегистрирован: 24 янв 2012, 16:04
- Репутация: 510
- Настоящее имя: Сергей Бочаров
- Откуда: Новосибирск
- Контактная информация:
Re: WLMill (Windows,Linux) - управление фрезерным ЧПУ
Когда подключаешь контроллер проявляется com порт в диспетчере?daemon78 писал(а):Сергей, под Армбианом работает отлично, три детальки уже запилил.
А вот под Windows не определяется.
Что может быть?
- wldev
- Мастер
- Сообщения: 1650
- Зарегистрирован: 24 янв 2012, 16:04
- Репутация: 510
- Настоящее имя: Сергей Бочаров
- Откуда: Новосибирск
- Контактная информация:
Re: WLMill (Windows,Linux) - управление фрезерным ЧПУ
+ в beta перенесены параметры движения оси в окно правки оси
+ в beta добавлена возможность реверса входа/ выхода в меню его правки
обновлена WLMill-beta (win)
+ в beta добавлена возможность реверса входа/ выхода в меню его правки
обновлена WLMill-beta (win)
- Prav
- Мастер
- Сообщения: 834
- Зарегистрирован: 14 июл 2015, 05:10
- Репутация: 138
- Настоящее имя: Петр Раввинский
- Откуда: Москва
- Контактная информация:
Re: WLMill (Windows,Linux) - управление фрезерным ЧПУ
О, англоязычная версия! Продукт выходит на международный рынок?
- wldev
- Мастер
- Сообщения: 1650
- Зарегистрирован: 24 янв 2012, 16:04
- Репутация: 510
- Настоящее имя: Сергей Бочаров
- Откуда: Новосибирск
- Контактная информация:
Re: WLMill (Windows,Linux) - управление фрезерным ЧПУ
продукт открыт для всех.)Prav писал(а):О, англоязычная версия! Продукт выходит на международный рынок?
У программы изначально пишется интерфейс на английском языке. Потом делаются файлы перевода на другие языки. При загрузке, определяется язык системы и подставляется файл перевода. (если он есть)
- wldev
- Мастер
- Сообщения: 1650
- Зарегистрирован: 24 янв 2012, 16:04
- Репутация: 510
- Настоящее имя: Сергей Бочаров
- Откуда: Новосибирск
- Контактная информация:
Re: WLMill (Open source + WLMotion) - управление фрезерным Ч
WLMill стал открытым, исходные коды выложены на github, они будут периодически обновляться.
https://github.com/wldevru/WLDEV
https://github.com/wldevru/WLDEV