Только если драйверы смогут переварить достаточно высокую входную частоту.verser писал(а):Ознакомился с документацией StepMaster. Прекрасная работа. Я так понимаю, что смогу со StepMaster получить сполна заложенный в моих драйверах микрошаг 1/128 ?
Мои AM882 работают на частотах до 400 кГц (приблизительно).
У драйверов серии DM - граница тоже выше 300 кГц. http://www.cnc-club.ru/forum/viewtopic. ... 20#p171385
Но!
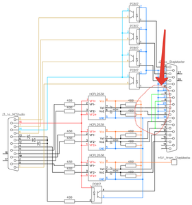
Есть подводный камень, применительно к быстрому центроискателю - Плата вносит некоторую задержку в сигнал управления.
Сейчас точно цифры не назову, но речь идет о единицах миллисекунд (для среднего режима фильтрации).
Естественно, эта задержка постоянна (незначительно изменяется с ростом скорости/частоты), но существенно зависит от выбранного режима фильтрации.
