StepMaster ver.1 - Отзывы, Вопросы, Советы.

Контроллеры, драйверы, датчики, управляющие устройства.
Аватара пользователя
michael-yurov
Почётный участник
Почётный участник
Сообщения: 11731
Зарегистрирован: 26 июл 2012, 00:10
Репутация: 4703
Настоящее имя: Михаил Львович
Откуда: Новоуральск
Контактная информация:

Re: StepMaster - Отзывы, Вопросы, Советы.

Сообщение michael-yurov »

grek писал(а): я думаю подключить после микрухи L297
После - нельзя. L297 - это ШИМ регулятор тока и коммутатор обмоток. Никак не получится после.

Опять же у драйверов нет опторазвязки - это чревато возможными проблемами. Стоит ли рисковать?

P.S. После того, как получите и подключите DM442 - не забудьте сделать автоподстойку под обмотки (после смены напряжения питания снова нужно будет сделать автоподстройку).
Для этого достаточно два раза подряд щелкнуть 4 переключателем, когда драйвер подключен к мотору и питанию.
grek
Новичок
Сообщения: 10
Зарегистрирован: 24 дек 2014, 13:49
Репутация: 0
Настоящее имя: геннадий
Контактная информация:

Re: StepMaster - Отзывы, Вопросы, Советы.

Сообщение grek »

michael-yurov когда получу , обращусь за помощью. вопрос про подключение схемы на L 297 закрыт.
Аватара пользователя
michael-yurov
Почётный участник
Почётный участник
Сообщения: 11731
Зарегистрирован: 26 июл 2012, 00:10
Репутация: 4703
Настоящее имя: Михаил Львович
Откуда: Новоуральск
Контактная информация:

Re: StepMaster - Отзывы, Вопросы, Советы.

Сообщение michael-yurov »

В общем мысль следующая:
Раз уж часто встречаются ситуации, где в оборудовании станка присутствуют сильные источники высокочастотных помех, и от них не удается избавиться,
и в то же время, в большинстве своем плата StepMaster используется с LPT, или контроллерами с частотой полезного сигнала не более 100 кГц (исключение SmothStepper и KFlop), и входная частота не превышает 200 кГц для многих драйверов ШД или 500 кГц для серводрайверов,
Полагаю, есть смысл программно ограничить частоту входного сигнала до нескольких сотен килогерц.
В данный момент частота ограничена значением в 4,5 МГц.

Либо, использовать последний dip-переключатель для выбора частотного диапазона, например, до 250 или 125 кГц, и до 2,5 МГц.

Это изменение в прошивку внести не сложно, и для тех у кого возникают проблемы с помехами могу выслать плату на замену (предыдущую придется отправить обратно за ваш счет).
Выбор скважности выходного сигнала предполагаю, совсем убрать, и сделать на низких частотах фиксированную длительность импульсов, а на высоких - скважность 50/50.

Так же думаю, стоит сделать изменение параметров dip-переключателями без перезагрузки.

Кто что думает на эту тему?
Аватара пользователя
solanto
Почётный участник
Почётный участник
Сообщения: 963
Зарегистрирован: 02 апр 2014, 09:10
Репутация: 94
Настоящее имя: Александр
Откуда: Карачаево-Черкесская республика, г.Черкесск
Контактная информация:

Re: StepMaster - Отзывы, Вопросы, Советы.

Сообщение solanto »

michael-yurov писал(а):Либо, использовать последний dip-переключатель для выбора частотного диапазона, например, до 250 или 125 кГц, и до 2,5 МГц.
Интересная плюшка. И даже нужная. т.к. я в скором будущем буду монтировать ПЧ и не знаю как его работа скажется на общее функционирование станка.
michael-yurov писал(а):и сделать на низких частотах фиксированную длительность импульсов, а на высоких - скважность 50/50.
Можно. Что бы не парится с настройкой, и не ловить глюки из-за неправильно выставленной скважности.
michael-yurov писал(а):Так же думаю, стоит сделать изменение параметров dip-переключателями без перезагрузки.
А эта функция очень даже нужна, а то когда экспериментировал с множителем, запарился перезагружать шкаф управления.
Мне пофигу, что думают обо мне люди, пока они не начинают меня бить.

Вектроник А4-12: от заказа до готовности - http://cnc-club.ru/forum/viewtopic.php?f=3&t=5248
Токарник по дереву - http://cnc-club.ru/forum/viewtopic.php?f=3&t=5623

Изображение
Аватара пользователя
michael-yurov
Почётный участник
Почётный участник
Сообщения: 11731
Зарегистрирован: 26 июл 2012, 00:10
Репутация: 4703
Настоящее имя: Михаил Львович
Откуда: Новоуральск
Контактная информация:

Re: StepMaster - Отзывы, Вопросы, Советы.

Сообщение michael-yurov »

solanto писал(а):Интересная плюшка. И даже нужная. т.к. я в скором будущем буду монтировать ПЧ и не знаю как его работа скажется на общее функционирование станка.
Правильнее было бы устранить влияние помех, чем отделять полезный сигнал от шума.
solanto писал(а):Можно. Что бы не парится с настройкой, и не ловить глюки из-за неправильно выставленной скважности.
Ну, глюков из за неправильно выставленной скважности быть никаких не должно.
(я помню сообщение про это, но разумного объяснения найти не могу, кроме совпадения)

Функцию реализовать не сложно. Сложно убедиться, что не доупущено ошибок. Простое тестирование не даст 100% уверенности, поэтом я не тороплюсь изменять код.
solanto писал(а):А эта функция очень даже нужна, а то когда экспериментировал с множителем, запарился перезагружать шкаф управления.
Ну это проблема разовая, и из за этого явно не стоит менять плату.

Т.е. все эти доработки не повлияют на качество работы, а лишь сделают настройку и подключение немного проще.
Аватара пользователя
solanto
Почётный участник
Почётный участник
Сообщения: 963
Зарегистрирован: 02 апр 2014, 09:10
Репутация: 94
Настоящее имя: Александр
Откуда: Карачаево-Черкесская республика, г.Черкесск
Контактная информация:

Re: StepMaster - Отзывы, Вопросы, Советы.

Сообщение solanto »

michael-yurov писал(а):Правильнее было бы устранить влияние помех, чем отделять полезный сигнал от шума.
Есть вариант что не получится всё заэкранировать и в итоге могут появится шумы в полезном сигнале. А это в свою очередь может привести к очень негативным последствиям. Но я буду пытаться по максимуму оградить сигнальные цепи и силовые.
michael-yurov писал(а):Ну, глюков из за неправильно выставленной скважности быть никаких не должно.
(я помню сообщение про это, но разумного объяснения найти не могу, кроме совпадения)
Я тоже про это сообщение вспомнил, по этому у себя не эксперементирую пока со скважностью
michael-yurov писал(а): а лишь сделают настройку и подключение немного проще.
Это как раз и есть главным плюсом любой платы подобного рода.
Мне пофигу, что думают обо мне люди, пока они не начинают меня бить.

Вектроник А4-12: от заказа до готовности - http://cnc-club.ru/forum/viewtopic.php?f=3&t=5248
Токарник по дереву - http://cnc-club.ru/forum/viewtopic.php?f=3&t=5623

Изображение
Аватара пользователя
michael-yurov
Почётный участник
Почётный участник
Сообщения: 11731
Зарегистрирован: 26 июл 2012, 00:10
Репутация: 4703
Настоящее имя: Михаил Львович
Откуда: Новоуральск
Контактная информация:

Re: StepMaster - Отзывы, Вопросы, Советы.

Сообщение michael-yurov »

solanto писал(а):Есть вариант что не получится всё заэкранировать и в итоге могут появится шумы в полезном сигнале. А это в свою очередь может привести к очень негативным последствиям. Но я буду пытаться по максимуму оградить сигнальные цепи и силовые.
Все экранировать и не нужно.
Я в своем станке подключил плату по простому, без всяких экранов, без заземлений, без каких-либо хитростей. Работает и есть не просит.
Коллекторные шпиндели и ШИМ регулятор - это, конечно, отдельная тема. Тут очень вероятны сложности. У китайцев готовые станки с такими шпинделями откровенно сбоят. И я не уверен, что спасет цифровая фильтрация сигнала от помех.
Скорее всего влияние помех многократно снизится, но все же останется небольшая вероятность (менее 1%) поймать ложный импульс, или пропустить настоящий импульс шага, зашумленный помехами.
solanto писал(а):Есть вариант что не получится всё заэкранировать и в итоге могут появится шумы в полезном сигнале.
Вот если не получится, и не получится это исправить - тогда нужно будет думать, как что делать с проблемой. А заранее не стоит переживать.
solanto писал(а):по этому у себя не эксперементирую пока со скважностью
Сейчас какие-то проблемы в работе есть?
Аватара пользователя
michael-yurov
Почётный участник
Почётный участник
Сообщения: 11731
Зарегистрирован: 26 июл 2012, 00:10
Репутация: 4703
Настоящее имя: Михаил Львович
Откуда: Новоуральск
Контактная информация:

Re: StepMaster - Отзывы, Вопросы, Советы.

Сообщение michael-yurov »

Сейчас исправил прошивку. Внес описанные изменения. Работает.
Но как убедиться, что все корректно - не знаю.
Может быть запущу на станке тест со счетчиком позиции выходного сигнала, какой-нибудь большой, сложный и разнообразный. На несколько часов или на сутки, и проверю, что ни одного шага не потерялось.
Ну или буду глядеть на программный код, пока не буду уверен на 100%, что ошибок нет. :problem: :wtf:
Аватара пользователя
shalek
Почётный участник
Почётный участник
Сообщения: 3023
Зарегистрирован: 25 авг 2014, 10:40
Репутация: 2583
Настоящее имя: Александр
Откуда: РБ Бобруйск
Контактная информация:

Re: StepMaster - Отзывы, Вопросы, Советы.

Сообщение shalek »

michael-yurov писал(а):Все экранировать и не нужно.
Я в своем станке подключил плату по простому, без всяких экранов, без заземлений, без каких-либо хитростей. Работает и есть не просит.
Аналогично! Ни одного экрана. Все провода идут как попало. Mach3+Stepmaster без нареканий. Менять ничего не хочу. Жду тройник для Ncstudio (временно от него отказался из-за известных проблем).
Если ты не можешь решить проблему, значит это не твоя проблема!
Мой канал на YouTube: YouTube
ЧПУ "Бобр" 600x500 мм
shalek64@gmail.com
Аватара пользователя
michael-yurov
Почётный участник
Почётный участник
Сообщения: 11731
Зарегистрирован: 26 июл 2012, 00:10
Репутация: 4703
Настоящее имя: Михаил Львович
Откуда: Новоуральск
Контактная информация:

Re: StepMaster - Отзывы, Вопросы, Советы.

Сообщение michael-yurov »

shalek писал(а):Жду тройник для Ncstudio (временно от него отказался из-за известных проблем).
Тройник пока нет возможности сделать.
Сильно занять работой.
Сделаю при первой возможности, но это будет примерно через месяц, или позже.

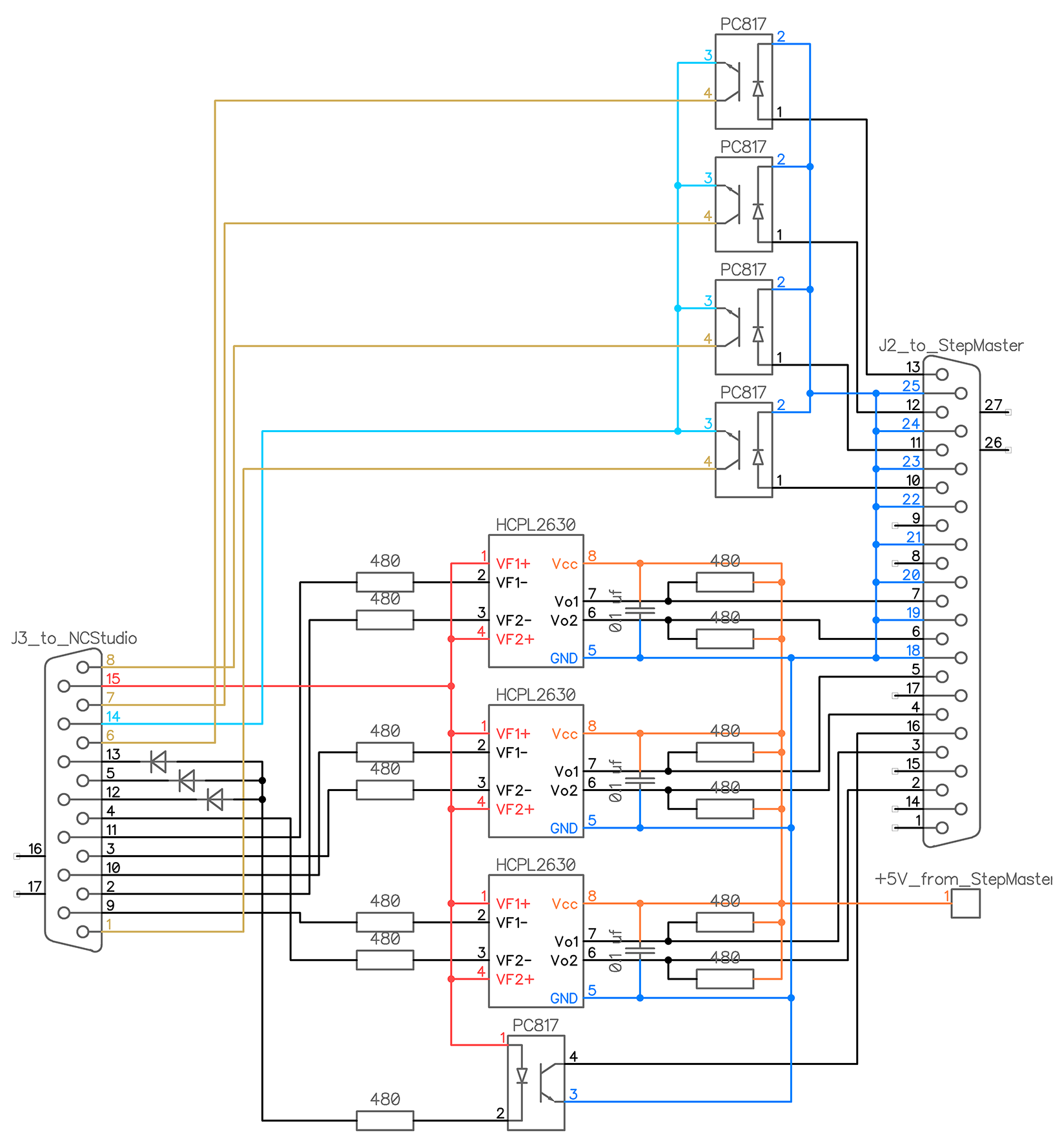
Если есть желание повозиться с паяльником - могу нарисовать схему согласования с NCStudio (в т.ч. красной) на оптопарах.
Аватара пользователя
shalek
Почётный участник
Почётный участник
Сообщения: 3023
Зарегистрирован: 25 авг 2014, 10:40
Репутация: 2583
Настоящее имя: Александр
Откуда: РБ Бобруйск
Контактная информация:

Re: StepMaster - Отзывы, Вопросы, Советы.

Сообщение shalek »

michael-yurov писал(а):Если есть желание повозиться с паяльником - могу нарисовать схему согласования с NCStudio (в т.ч. красной) на оптопарах.
Вряд ли сам буду собирать, но нарисуй, посмотрим. А по времени не спешу. Я вообще стараюсь никогда и никуда не спешить.
Если ты не можешь решить проблему, значит это не твоя проблема!
Мой канал на YouTube: YouTube
ЧПУ "Бобр" 600x500 мм
shalek64@gmail.com
Andy52280
Мастер
Сообщения: 827
Зарегистрирован: 29 авг 2014, 19:29
Репутация: 188
Откуда: Тульская область
Контактная информация:

Re: StepMaster - Отзывы, Вопросы, Советы.

Сообщение Andy52280 »

michael-yurov писал(а):могу нарисовать схему согласования с NCStudio (в т.ч. красной) на оптопарах.
А давайте попробуем...
Аватара пользователя
michael-yurov
Почётный участник
Почётный участник
Сообщения: 11731
Зарегистрирован: 26 июл 2012, 00:10
Репутация: 4703
Настоящее имя: Михаил Львович
Откуда: Новоуральск
Контактная информация:

Re: StepMaster - Отзывы, Вопросы, Советы.

Сообщение michael-yurov »

Andy52280 писал(а):
michael-yurov писал(а):могу нарисовать схему согласования с NCStudio (в т.ч. красной) на оптопарах.
А давайте попробуем...
Мне показалось, что вы продали NCStudio. Нет?

Нарисую, наверное, завтра.

А я уже забыл, проблема то в чем была? В согласовании с NCStudio, или с LPT тоже не работала?
Может стоит отправить другую плату с ограничением входной частоты - может поможет (у вас же коллекторный шпиндель с ШИМ регулятором)?
Andy52280
Мастер
Сообщения: 827
Зарегистрирован: 29 авг 2014, 19:29
Репутация: 188
Откуда: Тульская область
Контактная информация:

Re: StepMaster - Отзывы, Вопросы, Советы.

Сообщение Andy52280 »

Продавал не я, однозначно.
Моя проблема в помехах и со Студией и с Мачем.
Сейчас системник собран только под Студию, ничего лишнего. Но возможности погонять серьезно не было. И когда будет - неизвестно. Высылать плату пока рановато. Попробую с оптронами, если по-быстрому найду детали. А дальше посмотрим.
Аватара пользователя
solanto
Почётный участник
Почётный участник
Сообщения: 963
Зарегистрирован: 02 апр 2014, 09:10
Репутация: 94
Настоящее имя: Александр
Откуда: Карачаево-Черкесская республика, г.Черкесск
Контактная информация:

Re: StepMaster - Отзывы, Вопросы, Советы.

Сообщение solanto »

michael-yurov писал(а):Сейчас какие-то проблемы в работе есть?
Абсолютно никаких. Работает как автомат Калашникова.
Мне пофигу, что думают обо мне люди, пока они не начинают меня бить.

Вектроник А4-12: от заказа до готовности - http://cnc-club.ru/forum/viewtopic.php?f=3&t=5248
Токарник по дереву - http://cnc-club.ru/forum/viewtopic.php?f=3&t=5623

Изображение
Аватара пользователя
Predator
Мастер
Сообщения: 9583
Зарегистрирован: 18 июл 2013, 18:26
Репутация: 2531
Контактная информация:

Re: StepMaster - Отзывы, Вопросы, Советы.

Сообщение Predator »

solanto писал(а):Работает как автомат Калашникова
Миша тоже работает, как автомат - над новой партией плат :)
Аватара пользователя
shalek
Почётный участник
Почётный участник
Сообщения: 3023
Зарегистрирован: 25 авг 2014, 10:40
Репутация: 2583
Настоящее имя: Александр
Откуда: РБ Бобруйск
Контактная информация:

Re: StepMaster - Отзывы, Вопросы, Советы.

Сообщение shalek »

solanto писал(а):Абсолютно никаких. Работает как автомат Калашникова.
А настройки какие если не секрет?
Если ты не можешь решить проблему, значит это не твоя проблема!
Мой канал на YouTube: YouTube
ЧПУ "Бобр" 600x500 мм
shalek64@gmail.com
Аватара пользователя
solanto
Почётный участник
Почётный участник
Сообщения: 963
Зарегистрирован: 02 апр 2014, 09:10
Репутация: 94
Настоящее имя: Александр
Откуда: Карачаево-Черкесская республика, г.Черкесск
Контактная информация:

Re: StepMaster - Отзывы, Вопросы, Советы.

Сообщение solanto »

shalek писал(а):А настройки какие если не секрет?
На драйверах микрошаг 32, на плате множитель 4, фильтрация максимальная (хочу ещё поподбирать), скважность 50%
Мне пофигу, что думают обо мне люди, пока они не начинают меня бить.

Вектроник А4-12: от заказа до готовности - http://cnc-club.ru/forum/viewtopic.php?f=3&t=5248
Токарник по дереву - http://cnc-club.ru/forum/viewtopic.php?f=3&t=5623

Изображение
Аватара пользователя
michael-yurov
Почётный участник
Почётный участник
Сообщения: 11731
Зарегистрирован: 26 июл 2012, 00:10
Репутация: 4703
Настоящее имя: Михаил Львович
Откуда: Новоуральск
Контактная информация:

Re: StepMaster - Отзывы, Вопросы, Советы.

Сообщение michael-yurov »

Andy52280 писал(а):Моя проблема в помехах и со Студией и с Мачем.
Так может прислать другую плату с ограниченным диапазоном частот?
В любом случае будет меньше проблем с помехами.
Правда у меня есть сомнения на счет длительности импульсов Step на порту LPT - нужно мне узнать их минимальную длительность, чтобы случайно их не отфильтровать. Как узнать - не знаю, т.к, полагаю, на разных компьютерах могут быть разные значения.
shalek писал(а):Вряд ли сам буду собирать, но нарисуй, посмотрим. А по времени не спешу. Я вообще стараюсь никогда и никуда не спешить.
Andy52280 писал(а):А давайте попробуем...
опторазвязка.png (2368 просмотров) <a class='original' href='./download/file.php?id=42914&sid=14c2bd5102fda5023feffb04a2e64da5&mode=view' target=_blank>Загрузить оригинал (236.66 КБ)</a>
Аватара пользователя
verser
Мастер
Сообщения: 1905
Зарегистрирован: 21 июл 2013, 22:28
Репутация: 1282
Настоящее имя: Сергей
Откуда: Тбилиси
Контактная информация:

Re: StepMaster - Отзывы, Вопросы, Советы.

Сообщение verser »

Ознакомился с документацией StepMaster. Прекрасная работа. Я так понимаю, что смогу со StepMaster получить сполна заложенный в моих драйверах микрошаг 1/128 ?
Ответить

Вернуться в «Электроника»