Это устройство создано для постоянного поддержания лампы в проводящем состоянии. Т.е. в лампе постоянно горит разряд с низким током (0.01-1А) и довольно большим напряжением(200-2000в). В этом случае для запуска лампы необходимо просто подключить к ее выводам заряженный конденсатор. Использование дежурной дуги позволяет существенно продлить срок службы лампы во всех режимах, особенно при частотах разрядов более 10гц. Импульсная лампа довольно сильно изнашивается, когда запускается непосредственно из холодного состояния. В этом режиме поджигающий разряд создает тонкий жгут плазмы который создает небольшую область проводимости на электродах лампы, через которые в начальный момент времени течет большой разрядный ток конденсаторной батареи. Это вызывает локальный перегрев поверхности электродов и образование микрократеров. При дальнейшем разряде область проводимости охватывает практически всю поверхность электродов, плазма занимает всесь свободный объем колбы, это снижает плотность тока и делает режим работы электродов более мягким. Разряд "дежурной дуги", горящий в лампе, занимает практически весь ее объем и охватывает значительную часть электродов, что значительно влияет на ресурс лампы.
Вот фото разряда поджигающего устройства в лампе: А вот фото непрерывного разряда в лампе: Разница видна невооруженным глазом
Блок ДД довольно "интеллектуальное" устройство, по сравнению с другими модулями блока питания. В его задачу входит слежение за наличием дуги в лампе, зажигание дуги или перезажигание если она погасла, контроль тока. Типичная конструкция такого блока аналогична источнику питания дуговой лампы, только в миниатюре. Еще по принципу он(блок ДД) похож на блок автоксенона, только режимы другие.
Реакцию блока дежурной дуги на изменение ситуации(наличие дуги) можно увидеть на этом видео.
https://www.youtube.com/watch?v=BFECNsQGxB0
Здесь демонстрируется работа импульсной лампы с блоком дежурной дуги. На лампу с помощью кнопки коммутируется небольшой конденсатор, заряженный до 800в. Видно что после импульса разряда конденсатора дуга в лампе гаснет, и очень быстро перезажигается.
https://www.youtube.com/watch?v=UwgJCW8YtBo
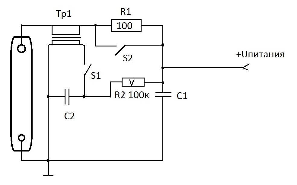
Простейший блок ДД можно интегрировать непосредственно в разрядный контур лампы, выглядит это так:


