Нежелательно. Непротивление злу насилием и все такое )
С ворами следует бороться другими способами.
если чо, я это про упомянутые органы.
Нежелательно. Непротивление злу насилием и все такое )
по принципу работы - нет, по деталям - незначительно, а по топологии расположения элементов и обозначениям - в корне. Делая самому по схеме (а не с образца, лежащего перед носом) никогда не будет одинаковых плат, у каждого свой подчерк.steals_y2k писал(а): ↑02 сен 2021, 20:49а если сделать свою, она по принципу работы и деталям будет отличаться?![]()
речь абсолютно не об этом, гляньте на хорошие разъемы WLDAxis платы и на дешевку клемм копии darxton. Так сказать слизали в максимально дешевом/неудобном исполнении.
Ну знаете ли. Геометрия она такая геометричная. Кратчайший путь (с учетом ширины-толщины проводника и стандартов их проводки) от точки к точке, разумное размещение (компоновка) элементов в целях снижения путей не может блокироваться авторским правом. Собака на сене (в смысле сделать плату и не обеспечивать ею потребителя) - это не положительный образ (но наш фильм с песней Тристана про нравственную проституцию очень даже хорош).
Вообще не понимаю о чем вы так вокруг да около...кратчайшие пути...проводники...сено...a321 писал(а): ↑ Ну знаете ли. Геометрия она такая геометричная. Кратчайший путь (с учетом ширины-толщины проводника и стандартов их проводки) от точки к точке, разумное размещение (компоновка) элементов в целях снижения путей не может блокироваться авторским правом. Собака на сене (в смысле сделать плату и не обеспечивать ею потребителя) - это не положительный образ (но наш фильм с песней Тристана про нравственную проституцию очень даже хорош).
Речь в общем совсем не о том, вы ж это понимаете.
Оттыж. По миру пустил. Патент нарушил, да?Kupfershcmidt писал(а): ↑ я украл
Клиентам. Клиентам прежде всего. Когда стоит вопрос снабжения - крайний всегда поставщик. Мне лично сложно объяснить не только клиентам, но и себе, почему на вопрос "а есть вот эта фигня у вас в наличии?" мне приходится мяться и мычать, что ну как бы нет, уже полгода, потому что китайцы платы производителю Васе не шлют, а у нас вот остаток кончился, ну вот нету, спросите у самого Васи. А сам Вася огород копает или на юг уехал. Крайние в такой ситуации всегда будем мы. Клиенту пофигу на Васю, с Васи какой спрос. На то он и Вася. А у клиента станок стоит. Он рассчитывал на эту хрень.От этого хорошо всем!"
О том, о том. О доминирующих эмоциях и реальных результатах.Речь в общем совсем не о том
Не слежу. Но у меня например с 2015 года идут эксперименты с полимергранитными станинами. которые очччень похожи на плотовские, хотя отливались еще до того, как это стало мейнстримом. Чё теперь, все бросить, потому что он первый на форум с ними вышел? Ды щаз прям.xvovanx писал(а): А ты думал! Вон у Плота два года назад в демо версии станины жестянку нашли - так эхо шумихи до сих пор раздается
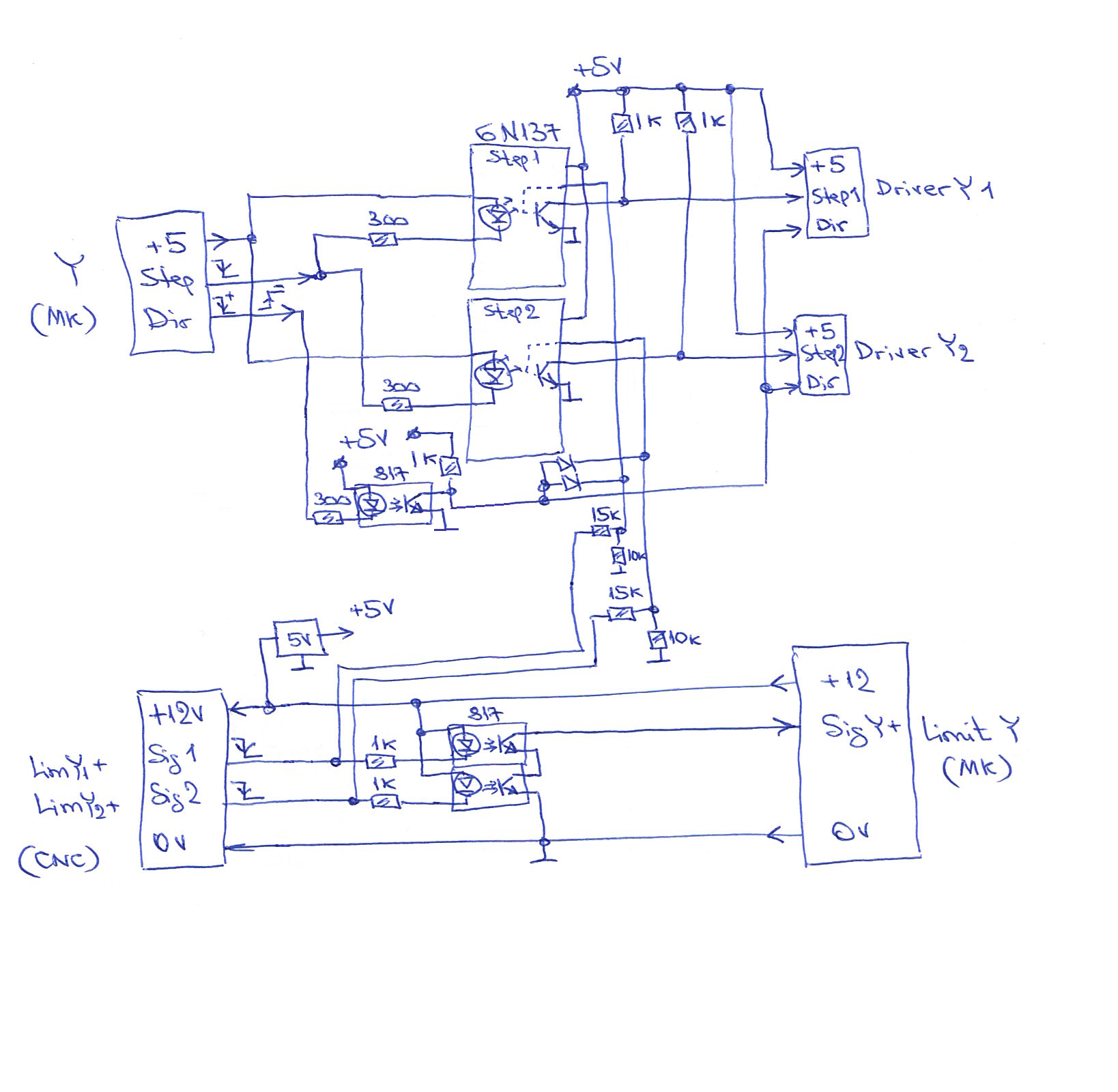
На 5 оптронах нельзя! Я был первый!

А, что есть какой-то аналог? Я без претензий. Интересно!
Подтверждаю. Пора сворачивать проект. Недели две уже заказов не было.
Вопрос меж тем актуальный. ЛПТ ноутбук приличной производительности поди найди, а плата завязана на него. А приличные скорости, метров 10-15/мин, требуют приличной производительности, частоты. Так что вот, разумный контроллер да на lan (видимо) разъеме - вопрос очень актуальный. Хоть денег и жалко (уже потраченных). Как пользователь СМ - его очень хвалю (возможно потому, что первый опыт был на китайском с интегрированными драйверами).michael-yurov писал(а): ↑ Darxton писал(а): ↑
да и степмастер уже всё.
Подтверждаю. Пора сворачивать проект. Недели две уже заказов не было. Вот думаю, выставить со скидкой: viewtopic.php?f=163&t=32721
неа. а люди приходят раз в месяц-два и слезно просят.michael-yurov писал(а): ↑ А, что есть какой-то аналог? Я без претензий. Интересно!
eth дешевле, потому и не так интересно..michael-yurov писал(а): ↑ Вот думаю, выставить со скидкой:
она для таких же дохлых ветвей, как ncstudio v5 и A11e. А еще для контроллеров, у которых каждая доп. ось стоит немалых денег. но вообще самодельный этап в хобби-станкостроительстве подходит к своему концу.steals_y2k писал(а): ↑ а нафига она вообще нужна, если линукс в базе умеет это?
