Вопрос к Гуру по сервомоторам Leadshine

Шаговые и серво двигатели, шпиндели, инверторы.
aftaev
Зачётный участник
Зачётный участник
Сообщения: 34042
Зарегистрирован: 04 апр 2010, 19:22
Репутация: 6194
Откуда: Казахстан.
Контактная информация:

Re: Вопрос к Гуру по сервомоторам Leadshine

Сообщение aftaev »

NikolayUa24 писал(а):Цена порадовала для хобби варианта
В запрос выше не указывалось что нужен пример для хобби варианта, :)
Это смотря где брать, можно вразы дешевше взять ;)
Дилетанту сложные вещи кажутся очень простыми, и только профессионал понимает насколько сложна самая простая вещь
Кто хочет - ищет возможности, кто не хочет - ищет оправдание.
Найди работу по душе и тебе не придется работать.
Аватара пользователя
niksooon
Мастер
Сообщения: 2144
Зарегистрирован: 23 июн 2014, 23:18
Репутация: 1207
Откуда: Кашира
Контактная информация:

Re: Вопрос к Гуру по сервомоторам Leadshine

Сообщение niksooon »

Жути-то понагнали ..... а как-же портальники на шаговиках ездютъ да без обратных связей ?
Сделанное правильно — красиво. Если сделанное тебе не нравится — то и работать оно будет хреново. Перевари, пересверли, выпили заново — ну, или хотя бы покрась.
Аватара пользователя
sima8520
Почётный участник
Почётный участник
Сообщения: 4509
Зарегистрирован: 24 ноя 2016, 23:35
Репутация: 1617
Настоящее имя: Илья
Откуда: Беларусь, Гомель
Контактная информация:

Re: Вопрос к Гуру по сервомоторам Leadshine

Сообщение sima8520 »

niksooon писал(а):а как-же портальники на шаговиках ездютъ да без обратных связей ?
дык до первого клина и ездят))) как только кто то пропустит шаг - добрый вечер клин
Аватара пользователя
Umnik
Мастер
Сообщения: 2563
Зарегистрирован: 20 июл 2014, 19:32
Репутация: 2153
Настоящее имя: Георгий
Откуда: Калуга
Контактная информация:

Re: Вопрос к Гуру по сервомоторам Leadshine

Сообщение Umnik »

niksooon писал(а):Жути-то понагнали ..... а как-же портальники на шаговиках ездютъ да без обратных связей ?
Ну шаговик то машина простая, ему проблемы сервы неведомы...
Импульсы идут, покуда момента хватает ему двигать свою сторону портала, он ее шевелит.
Что там на другой стороне происходит - ему глубоко по тулумбасу.
Слава, расскажи, как ты свой портальник настраивал?
У тебя как раз дельты были ж ведь, asd-b2 вроде бы....
NikolayUa24
Мастер
Сообщения: 1407
Зарегистрирован: 31 июл 2013, 20:05
Репутация: 256
Настоящее имя: Николай
Контактная информация:

Re: Вопрос к Гуру по сервомоторам Leadshine

Сообщение NikolayUa24 »

niksooon писал(а):Жути-то понагнали .....
Не то слово :o , убили мечту полетать на дешевой китайской серве.
Была мечта купить aasd-15A + 80st-m02430 за 110 евро комплект. Но видать не судьба, шаговик оказалось наше все.
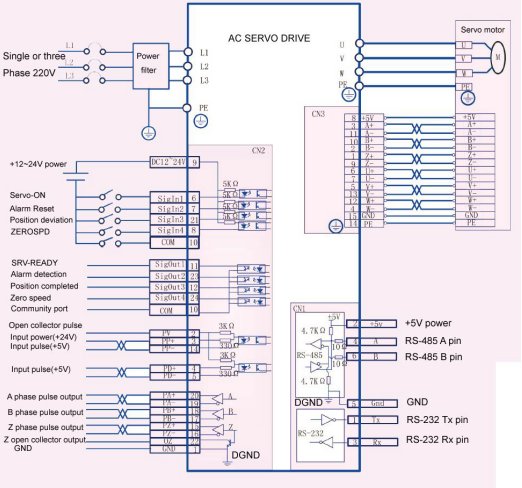
Попробую спросить китайца :D возможно ли как то связать между собой aasd-15A там есть разъемы RS485 и RS232, но для каких они целей :thinking:
А нельзя завести с одного мотора энкодер на два сервопака ?
Вложения
aasd-15A (2126 просмотров) <a class='original' href='./download/file.php?id=182967&mode=view' target=_blank>Загрузить оригинал (59.72 КБ)</a>
aasd-15A
Страдания ведут человека к совершенству.
Hugo
Мастер
Сообщения: 1369
Зарегистрирован: 15 окт 2018, 19:39
Репутация: 303
Настоящее имя: Юрий
Контактная информация:

Re: Вопрос к Гуру по сервомоторам Leadshine

Сообщение Hugo »

UAVpilot писал(а):
Hugo писал(а):Софт кривой и не тестированный, они какой то говнософт написали, и нате покупайте, бизнес пошел. На простых схемах с 1 винтом ведь работает, а ситуации посложнее... проблемы сами решайте...
Проблема известная и она не в софте драйвера, а в принципе управления - сейчас каждый привод сам по себе и они постоянно будут бороться друг с другом. То, что у вас не сразу "выскакивает" Alarm скорее всего означает загрублённую чувствительность "мягкий привод"
Правильное решение проблемы тоже известно - согласование движений приводов. Проще всего это сделать средствами ЧПУ (LinuxCNC умеет), но для этого надо заводить ОС в ЧПУ. Либо использовать сервоприводы, умеющие работать в паре - они соединяются друг с другом особым образом и часто для ЧПУ видны как один привод.
Неправильное тоже есть, но оно вам не понравится.
Скорее всего так и есть, так как ось Y длинная, там стоят вращающийся гайки со шкивами с редукцией, и момент затяжки подшипников там немного разные у них и они всё-таки крутятся по-разному, то есть усилия на винте с разных сторон и может быть, в разных местах разное, и поэтому отсюда и проблеммы вытекают, а сервы дешёвка и на такое неспособны или не догадывается об этом, как обработать. Плюс, я не с такой специалист, который сможет их правильно настроить с их кривым софтом... через блокнот, каждый параметр, через ctrl+F менять и пробовать до бесконечности
Hugo
Мастер
Сообщения: 1369
Зарегистрирован: 15 окт 2018, 19:39
Репутация: 303
Настоящее имя: Юрий
Контактная информация:

Re: Вопрос к Гуру по сервомоторам Leadshine

Сообщение Hugo »

На маленьких портальниках, могут довольно таки неплохо работать... Или допустим, на больших, тоже как-то настроить - работать будет. Но, если например, обрабатываешь деталь на крупном станке на краю, с одной стороны портала, то усилия на каждый край портала будут разными, то есть одному мотору будет тяжело тащить, а второму будет очень легко тащить, то есть тут тоже может произойти сбой, потому как, сервы не знают что они тащат вдвоём один портал, им нельзя его перекашивать, даже если нагрузки на моторах разная...
MGG
Мастер
Сообщения: 3673
Зарегистрирован: 08 фев 2016, 16:33
Репутация: 1010
Настоящее имя: Манн Геннадий Геннадьевич
Откуда: Москва
Контактная информация:

Re: Вопрос к Гуру по сервомоторам Leadshine

Сообщение MGG »

NikolayUa24 писал(а):Сервы - Wenling YUHAI ПО есть для настройки ? или тоже через меню по пунктам ?
Через меню, обычно настраивают 2 пункта и все, на моем станке сейчас так, на убитых винтах с забитой погрешностью по 7 квалитету отверстия расфрезреовываю.
На первом станке была портальная схема и этой же фирмы сервы, правда драйвер более старый и аналог, провозился долго, но надо понимать уровень на тот момент был что-то около вопросов "а в какую сторону должна крутиться фреза"
Клиент с кем хорошо общаюсь два портальника, один на рейке, второй на вращающихся гайках работает тоже без такой боли, работает в режиме пром производства.
Но тут разница в том, что я ставлю сервы, трачу максимум день на настройки, даже если руками по кнопочкам и начинаю работать. Тут же публика берет сервы, чтобы их настраивать, работать зачем, главное настройка, главное ПО, и так по кругу.

Софтина какая то у них есть, допиливают, судя по ГУИ свиснута у дельты, у кого дельта свиснула тоже вопрос. Не пользуюсь.
NikolayUa24 писал(а):RS485 и RS232
Опрос на ошибки, какая то софтина чтобы не кнопочками, а через монитор.

Более менее контроль начинается с CANopen, так же ethercat, но контроллеры думаю будут проблемой.


Всеми любимые дельты у соседей на производстве бумажных мешков горели ровно раз в год, горели мозги. У них была большая линия полного цикла вся на дельтах, там и загрузка была под 100%, поэтому для тех кто снимает по десяточке думаю не актуальная инфа.
http://www.cnc-club.ru/forum/viewtopic. ... 76#p304076 Поставки оборудования для ваших станков
https://www.instagram.com/dtw.moscow/
dtw.moscow@gmail.com
NikolayUa24
Мастер
Сообщения: 1407
Зарегистрирован: 31 июл 2013, 20:05
Репутация: 256
Настоящее имя: Николай
Контактная информация:

Re: Вопрос к Гуру по сервомоторам Leadshine

Сообщение NikolayUa24 »

MGG писал(а): Тут же публика берет сервы, чтобы их настраивать, работать зачем, главное настройка, главное ПО, и так по кругу.
Тут главное как это все дело связать что бы оно работало, два комплекта на одну ось. Без LCNC и ASDA-M-F за 2 штуки баксов.
Типа так, и можно рискнуть купить.
https://www.youtube.com/watch?v=UbQVKM-rNuE
Страдания ведут человека к совершенству.
MGG
Мастер
Сообщения: 3673
Зарегистрирован: 08 фев 2016, 16:33
Репутация: 1010
Настоящее имя: Манн Геннадий Геннадьевич
Откуда: Москва
Контактная информация:

Re: Вопрос к Гуру по сервомоторам Leadshine

Сообщение MGG »

NikolayUa24 писал(а):
MGG писал(а): Тут же публика берет сервы, чтобы их настраивать, работать зачем, главное настройка, главное ПО, и так по кругу.
Тут главное как это все дело связать что бы оно работало, два комплекта на одну ось. Без LCNC и ASDA-M-F за 2 штуки баксов.
Типа так, и можно рискнуть купить.
https://www.youtube.com/watch?v=UbQVKM-rNuE
А я выше сразу написал, что сильно от ЧПУ зависит.
Кстати, работает у товарища на маче вообще, и модуль выравнивания портала, что тут продавался.
http://www.cnc-club.ru/forum/viewtopic. ... 76#p304076 Поставки оборудования для ваших станков
https://www.instagram.com/dtw.moscow/
dtw.moscow@gmail.com
Hugo
Мастер
Сообщения: 1369
Зарегистрирован: 15 окт 2018, 19:39
Репутация: 303
Настоящее имя: Юрий
Контактная информация:

Re: Вопрос к Гуру по сервомоторам Leadshine

Сообщение Hugo »

Но ведь как-то ставят и запускают ведь...
Rotating nuts.jpg (2066 просмотров) <a class='original' href='./download/file.php?id=182972&mode=view' target=_blank>Загрузить оригинал (2.04 МБ)</a>
NikolayUa24
Мастер
Сообщения: 1407
Зарегистрирован: 31 июл 2013, 20:05
Репутация: 256
Настоящее имя: Николай
Контактная информация:

Re: Вопрос к Гуру по сервомоторам Leadshine

Сообщение NikolayUa24 »

Hugo писал(а):Но ведь как-то ставят и запускают ведь...
Так на ваших серваках как бы присутствует интегрированная шина CANopen 485 или это не он ?
Вложения
Untitled_005.jpg (2046 просмотров) <a class='original' href='./download/file.php?id=182981&mode=view' target=_blank>Загрузить оригинал (53.03 КБ)</a>
Страдания ведут человека к совершенству.
Аватара пользователя
Serg
Мастер
Сообщения: 21923
Зарегистрирован: 17 апр 2012, 14:58
Репутация: 5183
Заслуга: c781c134843e0c1a3de9
Настоящее имя: Сергей
Откуда: Москва
Контактная информация:

Re: Вопрос к Гуру по сервомоторам Leadshine

Сообщение Serg »

sima8520 писал(а):есть пример такой сервы?
Упоминания о таком режиме встречал у Панасоников и Яскав, ещё вроде Хантер говорил, что Дельты умеют. Самолично пробовал такой режим на Гранитах. Если совсем грубо, то энкодер первого мотора подключается к драйверу второго и т.д., а энкодер последнего к драйверу первого, ну и в приводах включается соотв. режимы. Только мне кажется, что этот режим не для чпу - полагаю будут задержки в зависимости от количества приводов, но два визуально работали вполне нормально. Ну и хоминг у них будет только механический...
Umnik писал(а):Сергей, как на твой взгляд это делается правильно?
Сигнал с энкодера заводим в ЧПУ, система видит что в реальности происходит с серваками.
ЧПУ видит реальное положение обоих приводов и может управлять скоростью их "прихода к косенсусу", независимые-же приводы стараются исправить ошибку максимально быстро и каждый по своему. Опять-же при хорошей дискретности позционирования, например 0.001мм можно задать для приводов допустимую погрешность например в 0.005мм
Umnik писал(а):При этом сервы управляются как?
По степ-диру или же по аналогу?
Без разницы. При ОС по позиции управлять надо скоростью, это можно делать и импульсами (частота пропорциональна скорости) и аналоговым сигналом (напряжение пропорционально скорости).
Разница только в том, что в первом случае привод может определить заданную скорость только после прихода второго импульса (измерить время между двумя импульсами), а во втором скорость становится известна прямо сразу.
Umnik писал(а):Контур позиции остается в сервопаке или переносится в ЧПУ?
Контур по позиции (PID) будет в ЧПУ.
NikolayUa24 писал(а):Не то слово :o , убили мечту полетать на дешевой китайской серве.
Почему убили? Ставь соотв. ЧПУ и летай. :)
NikolayUa24 писал(а):Попробую спросить китайца :D возможно ли как то связать между собой aasd-15A там есть разъемы RS485 и RS232, но для каких они целей :thinking:
Они для конфигурирования и возможно для управления (не реалтайм), но связать между собой точно нельзя - там только slave режим, никто командовать не будет, все будут ждать команд.
Я не Христос, рыбу не раздаю, но могу научить, как сделать удочку...
Аватара пользователя
Umnik
Мастер
Сообщения: 2563
Зарегистрирован: 20 июл 2014, 19:32
Репутация: 2153
Настоящее имя: Георгий
Откуда: Калуга
Контактная информация:

Re: Вопрос к Гуру по сервомоторам Leadshine

Сообщение Umnik »

UAVpilot писал(а):ЧПУ видит реальное положение обоих приводов и может управлять скоростью их "прихода к косенсусу", независимые-же приводы стараются исправить ошибку максимально быстро и каждый по своему. Опять-же при хорошей дискретности позционирования, например 0.001мм можно задать для приводов допустимую погрешность например в 0.005мм
Я так понимаю, ты говоришь о синхронизации осей, когда ЧПУ видит какая на сколько отстает и может малость притормозить другие, чтобы круг был кругом, а не овалом на выходе?
UAVpilot писал(а):Без разницы. При ОС по позиции управлять надо скоростью, это можно делать и импульсами (частота пропорциональна скорости) и аналоговым сигналом (напряжение пропорционально скорости).
Разница только в том, что в первом случае привод может определить заданную скорость только после прихода второго импульса (измерить время между двумя импульсами), а во втором скорость становится известна прямо сразу.
Т.е. мы должны переключить серву в режим управления скоростью, при этом на сервопак приходит аналоговый сигнал?
Не уверен, но по моему управление по степ-дир сервой возможно только в режиме позиции, при этом контур позиции находится в сервопаке.
Я веду к тому, что если мы хотим завести ОС от сервы в ЧПУ, то должны серву переключить в режим управления скоростью, при этом ЧПУ рулить будет сервопаком по аналогу, а контур положения "переедет" в ЧПУ, в серве останется контур скорости и контур тока.
Правильно?
aftaev
Зачётный участник
Зачётный участник
Сообщения: 34042
Зарегистрирован: 04 апр 2010, 19:22
Репутация: 6194
Откуда: Казахстан.
Контактная информация:

Re: Вопрос к Гуру по сервомоторам Leadshine

Сообщение aftaev »

Umnik писал(а):Я веду к тому, что если мы хотим завести ОС от сервы в ЧПУ, то должны серву переключить в режим управления скоростью, при этом ЧПУ рулить будет сервопаком по аналогу, а контур положения "переедет" в ЧПУ, в серве останется контур скорости и контур тока.
Скорость можно задать аналогом +-10в и степами. И при степах если завести в ОС в ЧПУ, нужно будет ПИД настраивать в ЧПУ.
Дилетанту сложные вещи кажутся очень простыми, и только профессионал понимает насколько сложна самая простая вещь
Кто хочет - ищет возможности, кто не хочет - ищет оправдание.
Найди работу по душе и тебе не придется работать.
Аватара пользователя
Umnik
Мастер
Сообщения: 2563
Зарегистрирован: 20 июл 2014, 19:32
Репутация: 2153
Настоящее имя: Георгий
Откуда: Калуга
Контактная информация:

Re: Вопрос к Гуру по сервомоторам Leadshine

Сообщение Umnik »

aftaev писал(а):Скорость можно задать аналогом +-10в и степами. И при степах если завести в ОС в ЧПУ, нужно будет ПИД настраивать в ЧПУ.
Похоже, по крайней мере дельты В2 серии умеют рулить скоростью тока по аналогу....
2020-06-21_191738.png (2013 просмотров) <a class='original' href='./download/file.php?id=182992&mode=view' target=_blank>Загрузить оригинал (384.02 КБ)</a>
2020-06-21_192126.png (2013 просмотров) <a class='original' href='./download/file.php?id=182993&mode=view' target=_blank>Загрузить оригинал (342.44 КБ)</a>
Аватара пользователя
Serg
Мастер
Сообщения: 21923
Зарегистрирован: 17 апр 2012, 14:58
Репутация: 5183
Заслуга: c781c134843e0c1a3de9
Настоящее имя: Сергей
Откуда: Москва
Контактная информация:

Re: Вопрос к Гуру по сервомоторам Leadshine

Сообщение Serg »

Umnik писал(а):Я так понимаю, ты говоришь о синхронизации осей, когда ЧПУ видит какая на сколько отстает и может малость притормозить другие, чтобы круг был кругом, а не овалом на выходе?
В самом простом случае если одна серва немного недоехала/переехала, то ЧПУ не позволит ей исправлять ошибку максимально быстро, приводя к "раскачке" конструкции, которая может повлиять на позицию другой сервы и заставить её так-же уточнять свою позицию. Когда обе независимые сервы начинают самостоятельно исправлять ошибки "наведённые" другой сервой, то может случится "цепная реакция", которая и приводит к перегрузке одного из приводов.
Umnik писал(а):Похоже, по крайней мере дельты В2 серии умеют рулить скоростью тока по аналогу....
Нет. Повторюсь: скорость - это частота импульсов step. Никто не помешает ЧПУ/контроллеру подавать на вход сервы импульсы с конкретной частотой не считая их количество. :)
Только для нормального управления нужно будет "деактивировать" ПИД по позиции внутри сервы. Некоторые сервы емуют для этого специальный параметр, в ином случае придётся обнулить все коэф. внутреннего ПИД кроме Kp - его нужно выставить в 1 или попробовать немного больше, определяется опытным путём.
Я не Христос, рыбу не раздаю, но могу научить, как сделать удочку...
aftaev
Зачётный участник
Зачётный участник
Сообщения: 34042
Зарегистрирован: 04 апр 2010, 19:22
Репутация: 6194
Откуда: Казахстан.
Контактная информация:

Re: Вопрос к Гуру по сервомоторам Leadshine

Сообщение aftaev »

Umnik писал(а):Похоже, по крайней мере дельты В2 серии умеют рулить скоростью тока по аналогу....
Даже дешевые сервы и шаговики могут управляться скоростью по степу. Любой ЧПУ станок на шаговиках умеет ездить с разной скоростью.
Дилетанту сложные вещи кажутся очень простыми, и только профессионал понимает насколько сложна самая простая вещь
Кто хочет - ищет возможности, кто не хочет - ищет оправдание.
Найди работу по душе и тебе не придется работать.
Аватара пользователя
Umnik
Мастер
Сообщения: 2563
Зарегистрирован: 20 июл 2014, 19:32
Репутация: 2153
Настоящее имя: Георгий
Откуда: Калуга
Контактная информация:

Re: Вопрос к Гуру по сервомоторам Leadshine

Сообщение Umnik »

Александр, оно понятно, что управляя положением в системе ШД-драйвер без ОС, мы в жизни получаем таки движение станка с разной скоростью.
Речь идет о том, как заставить сервы синхронизироваться через ОС в ЧПУ.
Сергей, т.е. на практике мы что делаем?
Оставляем серву в режиме управления положением или переводим таки в режим управления скоростью?
какой режим указываем в настройках - "P" или "S"?
aftaev
Зачётный участник
Зачётный участник
Сообщения: 34042
Зарегистрирован: 04 апр 2010, 19:22
Репутация: 6194
Откуда: Казахстан.
Контактная информация:

Re: Вопрос к Гуру по сервомоторам Leadshine

Сообщение aftaev »

Umnik писал(а):какой режим указываем в настройках - "P" или "S"?
Можно и на Р и на S. Если взять Lcnc для примера, то это зависит какие платы МЕСА используются. В качестве задания скорости будет выдаваться аналог или степ/дир.
Дилетанту сложные вещи кажутся очень простыми, и только профессионал понимает насколько сложна самая простая вещь
Кто хочет - ищет возможности, кто не хочет - ищет оправдание.
Найди работу по душе и тебе не придется работать.
Ответить

Вернуться в «Двигатели и шпиндели»