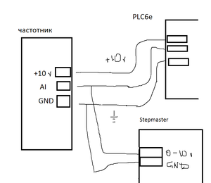
А это я и рисовал. http://www.cnc-club.ru/forum/viewtopic. ... 15#p140880phoenixzp писал(а):где-то здесь на форуме видел... Хоть убейте, не помню где... Но себе на всякий случай сохранил.
Это я так сделал в своем макете плазменного станка - он в начале выполнения УП ухал до концевика, пока не упирался в него (тогда сигнал Step прерывался),
Но в обратную сторону это не мешало двигаться от концевика.
Одно другому не мешает. Это колхоз будет нормально работать с алгоритмом двойного поиска базы на разной скорости программой управления.Бармалей писал(а):Это колхоз. У NCStudio, а особенно у современных - там все сложно. Целый скрипт, модифицируемый. Там можно сделать так, например - подъехал на полной скорости, проскочил датчик, поехал обратно медленно, наехал на него, и еще раз сделал реверс и поехал уже до нулевой точки на серве или линейке. Т.е. нужна какая-то приблуда типа ПЛК, и какую можно связать с NCStudio...
