Хорошая мыслЯ приходит опослЯnevkon писал(а):А вообще чтобы не прилипло надо было хоть целофанчиком разделить - к нему не так сильно липнет смола. Или разделителем обмазать - взять свечку и натереть хорошенько.
Решил в следующую заливку заглушить торцы ПЛАСТИЛИНОМ
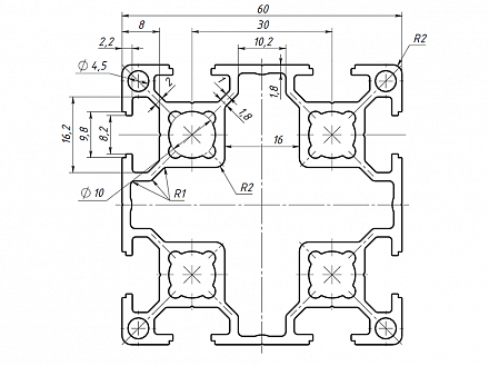
Ну а что, сделал толстый слой, немного сверху надавил торцом и и затем в морозильник. После морозильника, пластилин твердый будет, и можно спокойно засыпать смесь. А отверстия в профиле (видите на фото, вдоль отверстия идет разрез, в который смесь набьется) заклею сантиметров на пять вдоль профиля изнутри просто скотчем, вставив всю ту же пробку из пластилина где то на глубине 5 см. Когда буду нарезать резьбу, скточ не помешавет нарезке.
