STB5100 USB MOTION CARD
- voverrr
- Мастер
- Сообщения: 242
- Зарегистрирован: 07 июн 2019, 01:22
- Репутация: 4
- Настоящее имя: Vladimir Mironov
- Откуда: Moscow
- Контактная информация:
Re: STB5100 USB MOTION CARD
А я продолжаю играться с концевиками и шпинделем. По-прежнему проблема: при выключенном шпинделе по xyz перемещается нормально, концевики и макросы хоумов и autotool z отрабатывают и по траектории тоже ходит, но при запуске шпинделя вылетает ошибка мача. Если концевики отключить программно или откинуть com-провод от платы, то ошибка выскакивает меньше, а при каком-то удачном стечении звёзд даже удаётся фрезить.
Что заметил: когда начинает глючить - замерзает мышка. Управляю с маленького ноутбука и курсор в этот момент можно только перемещать с тачпада, без тормозов и рывков, а мышка отваливается и не возвращается. Пробовал отключить мышку и без мышки система работает стабильнее. Тоже вешается и тормозит, но ощутимо меньше. Из этого я сделал вывод, что эти вылеты как-то связаны с драйверами USB. Сейчас грамотные люди появятся в теме и объяснят, что именно там подвешивается.
Такая картина на двух ноутах. Подключал и STB5100 и NVUM v2 - результаты одинаковые.
Второе предположение: возможно ли в частотнике выставить какую-нибудь частоту, которая не оказывала бы такого сильного влияния на поведение компа?
Что заметил: когда начинает глючить - замерзает мышка. Управляю с маленького ноутбука и курсор в этот момент можно только перемещать с тачпада, без тормозов и рывков, а мышка отваливается и не возвращается. Пробовал отключить мышку и без мышки система работает стабильнее. Тоже вешается и тормозит, но ощутимо меньше. Из этого я сделал вывод, что эти вылеты как-то связаны с драйверами USB. Сейчас грамотные люди появятся в теме и объяснят, что именно там подвешивается.
Такая картина на двух ноутах. Подключал и STB5100 и NVUM v2 - результаты одинаковые.
Второе предположение: возможно ли в частотнике выставить какую-нибудь частоту, которая не оказывала бы такого сильного влияния на поведение компа?
Последний раз редактировалось voverrr 29 июн 2022, 06:38, всего редактировалось 2 раза.
- MX_Master
- Мастер
- Сообщения: 7490
- Зарегистрирован: 27 июн 2015, 19:45
- Репутация: 3113
- Настоящее имя: Михаил
- Откуда: Алматы
- Контактная информация:
Re: STB5100 USB MOTION CARD
Если даже USB мыха рядом со шпинделем не работает, то и USB контроллеры не будут работать подавно. Когда у меня ноут рядом со шпинделем находится, даже с тачпада управлять курсором не получается, наводки приличные. Корпус шпинделя и кабель у меня заземлены средненько. К счастью, USB контроллеры не использую, сигналы напрямую с мини ПК (GPIO) беру. Единственное USB устройство в мини ПК - это USB-RS485 свисток. Вот на него наводки довольно сильно влияют, сигнал от него до частотника может по 5 секунд доходить. Эту фигню так и не победил. Надо заземление получше сделать, пообъёмистее. Ну и фильтр питания частотника нужен получше, у меня какой-то бюджетный стоит, не справляется.
- voverrr
- Мастер
- Сообщения: 242
- Зарегистрирован: 07 июн 2019, 01:22
- Репутация: 4
- Настоящее имя: Vladimir Mironov
- Откуда: Moscow
- Контактная информация:
Re: STB5100 USB MOTION CARD
Т.е. вывод - перейти на lpt-плату или на nc-studio?
Уже сил нет моих. Месяца три изо дня в день прихожу в гараж и курсорами шпиндель гоняю туда-сюда.
Есть ещё плата ардуино уно. У неё будет та же картина? Она ж тоже через usb цепляется.
Уже сил нет моих. Месяца три изо дня в день прихожу в гараж и курсорами шпиндель гоняю туда-сюда.
Есть ещё плата ардуино уно. У неё будет та же картина? Она ж тоже через usb цепляется.
- Курдль
- Мастер
- Сообщения: 2174
- Зарегистрирован: 20 мар 2018, 16:55
- Репутация: 282
- Настоящее имя: Курдль Энтеропийский
- Откуда: Msk
- Контактная информация:
Re: STB5100 USB MOTION CARD
Мышь радиочастотная, или проводная? У меня радиочастотные (не BT) работают нормально.
Я могу со своего ноута выдавать УП на станок и при этом вести видеопереговоры. Ничего при этом не тормозит. Никаких особых мер для экранирования шпиндельных кабелей не предпринимал. Правда длина этих кабелей не превышает 1.5 м.
Я слежу, чтобы никакая электрическая цепь не соединялась с корпусом станка, включая GND (за редким исключением контактных замеров).
При этом использую разные шпиндели с разными контроллерами (инверторами).
Какой такой СОМ-провод?
Вообще-то я не все виды шпиндельных моторов изучил, но все, что попадались мне под руку, являются синхронными электрическими машинами. Т.е. скорость вращения ротора напрямую зависит от частоты на обмотках статора.
Так что можете поиграться со скоростью вращения шпинделя и выбрать наиболее комфортную частоту
Но это еще не всё! Осциллограммы сигналов с некоторых "частотников" позволяют предполагать наличие сложного алгоритма управления. Например, подается оценочный импульс на обмотку и замеряется её ток, а потом уже подается основной импульс необходимого тока.
А у одного из моторов ток регулируется с помощью ШИМ.
В таких случаях наводки и помехи должны быть чудовищными.
В описанных выше случаях фильтр питания частотника не поможет.
Не могу себе представить, как бы это могло помочь?
Что за плата? Контроллер станка типа Grbl?
Тогда придется забыть про Mach3 (не велика потеря), но от помех на мышь и ПК в целом это не избавит. Да и на саму плату.
У меня со станком шла такая плата и щеточный шпиндель. Пока не навесил на провода шпинделя ферритовое кольцо и конденсатор, ловил глюки Grbl-контроллера.
Мой сайт: https://cnc-hobby.ru
- voverrr
- Мастер
- Сообщения: 242
- Зарегистрирован: 07 июн 2019, 01:22
- Репутация: 4
- Настоящее имя: Vladimir Mironov
- Откуда: Moscow
- Контактная информация:
Re: STB5100 USB MOTION CARD
Проводная. Какая-то геймерская, у ребёнка взятая. Подключается по usb.
а вот этот, который я в варианте STB5100 подсовываю на GND, а в варианте NVUM на 12V. Не знаю как
вон тот GND, который после 11-12-13-14-15 пина.
На него завожу общий провод от концевиков, его я считаю common. а тот COM, что пятый по счёту слева - на него подключать пробовал, не работает. На моей плате на этом месте какой-то ACM. Мы это обсуждали в этой же теме четыре страницы назад. Картинку я оттуда и взял, т.к. у меня ни фига с той поры не поменялось, разве что снял гараж и копошусь теперь в нём.
А вот эта

про неё мы с тобой тоже разговаривали две страницы назад. Я купил, но пока не цеплял. Забыть про мач - да и фиг с ним. Чудовищный интерфейс. Ощущение, что создан на коленке. Чуть что не так - вылетает без сохранения настроек и потом надо все их обойти проверить, где что осталось и где что самопроизвольно переключилось.
Товарищ мой фрезит на бивере через нцстудио, у него таких вопросов вообще не возникает, он занят фрезерованием, а не проводками и настройками. Вот из-за него у меня и возникла мысль про нцстудио.
- Курдль
- Мастер
- Сообщения: 2174
- Зарегистрирован: 20 мар 2018, 16:55
- Репутация: 282
- Настоящее имя: Курдль Энтеропийский
- Откуда: Msk
- Контактная информация:
Re: STB5100 USB MOTION CARD
Да? Не помню, что там мы говорили...
Сейчас я имел в виду готовый Grbl-контроллер, типа: https://aliexpress.ru/item/4000826322987.html
Кстати, для гаража может быть весьма удобен его вариант с offline. Т.е. записал УП на флэшку, вставил в станок и наслаждайся безо всякого компа.
А если взять голую ардуину, к ней надо еще будет кое-что для оптической развязки накупить.
Как минимум парочку таких модулей для управления шпинделем: https://aliexpress.ru/item/1005002006610372.html
Мой сайт: https://cnc-hobby.ru
- voverrr
- Мастер
- Сообщения: 242
- Зарегистрирован: 07 июн 2019, 01:22
- Репутация: 4
- Настоящее имя: Vladimir Mironov
- Откуда: Moscow
- Контактная информация:
Re: STB5100 USB MOTION CARD
ааа, ну вот видимо поэтому у меня и непонятки. Я считал, что ардуина и грбл - это уно и прошивка grbl 1.1, которую я в плату закатывал и упражнялся с двухкоординатным лазером. Отсюда у меня и ощущение детского конструктора, потому как ведёт себя она несерьёзно, непромышленно.
- Rom327
- Почётный участник

- Сообщения: 2989
- Зарегистрирован: 03 апр 2015, 13:23
- Репутация: 437
- Настоящее имя: Роман
- Откуда: Подольск
- Контактная информация:
Re: STB5100 USB MOTION CARD
Можно уточнить: как реализовано включение шпинделя? Сигнал Q из STB идет напрямую в инвертор?
Это сугубо мое мнение, могу и ошибаться...
https://vk.com/rom327
GRBL настройки: http://blogandbux.blogspot.com/2018/07/ ... revod.html
G коды: http://3d-stanki.ru/spravochnik/program ... stankov-2/
https://vk.com/rom327
GRBL настройки: http://blogandbux.blogspot.com/2018/07/ ... revod.html
G коды: http://3d-stanki.ru/spravochnik/program ... stankov-2/
- voverrr
- Мастер
- Сообщения: 242
- Зарегистрирован: 07 июн 2019, 01:22
- Репутация: 4
- Настоящее имя: Vladimir Mironov
- Откуда: Moscow
- Контактная информация:
Re: STB5100 USB MOTION CARD
До этого я пока не дошёл. Включаю просто зелёной кнопкой на частотнике. Про STB5100 я вычитал,что там программного включения либо нет, либо оно с гимнастическими упражнениями(кто-то вроде бы победил его, кажется, тот же Курдль). Про NVUM надеюсь, что наверное проще. Но пока не занимался ни там ни сям.
- Rom327
- Почётный участник

- Сообщения: 2989
- Зарегистрирован: 03 апр 2015, 13:23
- Репутация: 437
- Настоящее имя: Роман
- Откуда: Подольск
- Контактная информация:
Re: STB5100 USB MOTION CARD
Частотник питается как? Можешь схему набрасать, как все соединено?
Это сугубо мое мнение, могу и ошибаться...
https://vk.com/rom327
GRBL настройки: http://blogandbux.blogspot.com/2018/07/ ... revod.html
G коды: http://3d-stanki.ru/spravochnik/program ... stankov-2/
https://vk.com/rom327
GRBL настройки: http://blogandbux.blogspot.com/2018/07/ ... revod.html
G коды: http://3d-stanki.ru/spravochnik/program ... stankov-2/
- voverrr
- Мастер
- Сообщения: 242
- Зарегистрирован: 07 июн 2019, 01:22
- Репутация: 4
- Настоящее имя: Vladimir Mironov
- Откуда: Moscow
- Контактная информация:
Re: STB5100 USB MOTION CARD
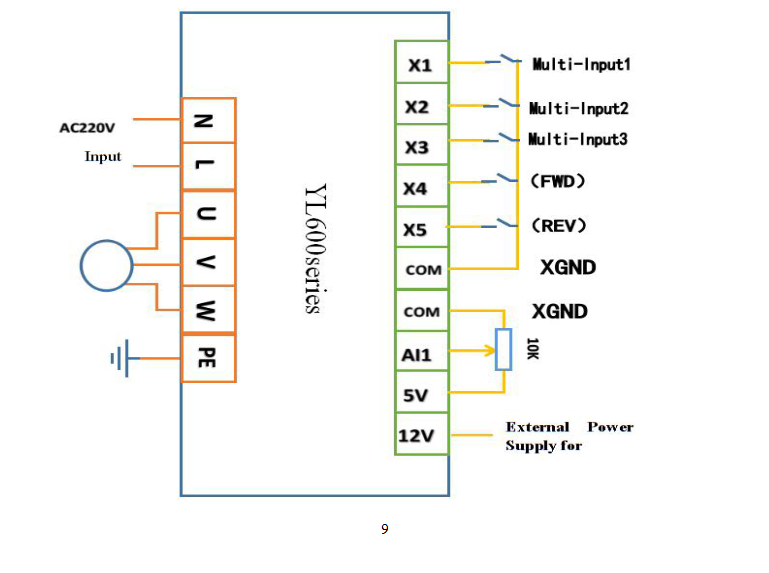
А там же просто. типа как-то вот так. Как в левой части описано. Правая - это подключение к мозгам, их пока не трогал.

Частотник Y600L
Шпиндель GDZ80 2,2b. По опыту прошлого сожжёного предполагаю, что обмотки в нём соединены треугольником.
Частотник настраивал по советам китайского товарища:
[youtube]https://youtu.be/jTzXUZDDqoo[/youtube]

Частотник Y600L
Шпиндель GDZ80 2,2b. По опыту прошлого сожжёного предполагаю, что обмотки в нём соединены треугольником.
Частотник настраивал по советам китайского товарища:
[youtube]https://youtu.be/jTzXUZDDqoo[/youtube]
Последний раз редактировалось voverrr 29 июн 2022, 14:09, всего редактировалось 1 раз.
- Курдль
- Мастер
- Сообщения: 2174
- Зарегистрирован: 20 мар 2018, 16:55
- Репутация: 282
- Настоящее имя: Курдль Энтеропийский
- Откуда: Msk
- Контактная информация:
Re: STB5100 USB MOTION CARD
С программным включением и выключением шпинделя проблем нет даже на этих картах. Танцы с бубном нужны для программного управления оборотами на некоторых модификациях карт.
Кстати, я уверяю, что без управления оборотами запросто можно обойтись на станках, где нет автоматической смены инструмента.
А у меня вопрос, на карту STB5100 питание +12В подается с отдельного источника, или с частотника?
Мой сайт: https://cnc-hobby.ru
- Rom327
- Почётный участник

- Сообщения: 2989
- Зарегистрирован: 03 апр 2015, 13:23
- Репутация: 437
- Настоящее имя: Роман
- Откуда: Подольск
- Контактная информация:
Re: STB5100 USB MOTION CARD
+1
Так же интересует организация заземления и экранирования проводов, в особенности концевиков.
Это сугубо мое мнение, могу и ошибаться...
https://vk.com/rom327
GRBL настройки: http://blogandbux.blogspot.com/2018/07/ ... revod.html
G коды: http://3d-stanki.ru/spravochnik/program ... stankov-2/
https://vk.com/rom327
GRBL настройки: http://blogandbux.blogspot.com/2018/07/ ... revod.html
G коды: http://3d-stanki.ru/spravochnik/program ... stankov-2/
- voverrr
- Мастер
- Сообщения: 242
- Зарегистрирован: 07 июн 2019, 01:22
- Репутация: 4
- Настоящее имя: Vladimir Mironov
- Откуда: Moscow
- Контактная информация:
Re: STB5100 USB MOTION CARD
+12 вольт подаётся от отдельного источника.
Концевики - простые кнопки, нормально разомкнутые.
Провода МГТФ 0,35
Провода после того нашего обсуждения пробовал по-разному:
- укоротил до самой короткой длины
- растащил по разным пучкам цепи мотора, концевиков и шпинделя
- надел на шаговые провода экран.
- надел(частично) экран на участок от частотника внутри ящика
никакой разницы.
Больше всего подозрений на заземление. Я соединял выход ноля с частотника простым проводом с ящиком и далее с какой-то арматурой в стене гаража, предполагая, что она где-то там наверное замкнута на землю.
Концевики - простые кнопки, нормально разомкнутые.
Провода МГТФ 0,35
Провода после того нашего обсуждения пробовал по-разному:
- укоротил до самой короткой длины
- растащил по разным пучкам цепи мотора, концевиков и шпинделя
- надел на шаговые провода экран.
- надел(частично) экран на участок от частотника внутри ящика
никакой разницы.
Больше всего подозрений на заземление. Я соединял выход ноля с частотника простым проводом с ящиком и далее с какой-то арматурой в стене гаража, предполагая, что она где-то там наверное замкнута на землю.
- Курдль
- Мастер
- Сообщения: 2174
- Зарегистрирован: 20 мар 2018, 16:55
- Репутация: 282
- Настоящее имя: Курдль Энтеропийский
- Откуда: Msk
- Контактная информация:
Re: STB5100 USB MOTION CARD
Надеюсь шпиндель питается не по МГТФ 0.35
А иначе что значит "пучок шпинделя"?
По-хорошему и ШД нельзя такими запитывать.
У меня на ШД идут витые пары - на каждую обмотку своя пара. Это надежно избавляет от наводок с них.
А к шпинделю должен прилагаться штатный кабель.
Мой сайт: https://cnc-hobby.ru
- voverrr
- Мастер
- Сообщения: 242
- Зарегистрирован: 07 июн 2019, 01:22
- Репутация: 4
- Настоящее имя: Vladimir Mironov
- Откуда: Moscow
- Контактная информация:
Re: STB5100 USB MOTION CARD
Неее, к шпинделю ПВС 2,5 сечение. Покупал в хозяйственном магазине на Выхино.
Штатного кабеля никакого не было.
ШД я сначала-то запитывал таким же ПВС 0,5, но заколебался распаивать эти 30-с-чем-то-там контактов на авиаразъёме, в какой-то момент обратил свой взор на МГТФ и сделал из него кабель на два метра от ящика до станка. По этому кабелю концевики, моторы, 12 вольт на моторчик омывателя и ещё какой-то резерв, наверное будет подсветка шпинделя, подача СОЖ и там чего-нибудь ещё.
Шпиндель по отдельному, такой же длины кабелю 2 метра, в нём 4 провода - фазы и корпус, соединяется через такой же авиационный, только на 4 контакта.
Штатного кабеля никакого не было.
ШД я сначала-то запитывал таким же ПВС 0,5, но заколебался распаивать эти 30-с-чем-то-там контактов на авиаразъёме, в какой-то момент обратил свой взор на МГТФ и сделал из него кабель на два метра от ящика до станка. По этому кабелю концевики, моторы, 12 вольт на моторчик омывателя и ещё какой-то резерв, наверное будет подсветка шпинделя, подача СОЖ и там чего-нибудь ещё.
Шпиндель по отдельному, такой же длины кабелю 2 метра, в нём 4 провода - фазы и корпус, соединяется через такой же авиационный, только на 4 контакта.
- Rom327
- Почётный участник

- Сообщения: 2989
- Зарегистрирован: 03 апр 2015, 13:23
- Репутация: 437
- Настоящее имя: Роман
- Откуда: Подольск
- Контактная информация:
Re: STB5100 USB MOTION CARD
А разве на частотнике нет отдельного винта заземления? Получается, ты подключил рабочий ноль на корпус ящика?
Вот правильная схема подключения из мануала:
Последний раз редактировалось Rom327 29 июн 2022, 15:19, всего редактировалось 1 раз.
Это сугубо мое мнение, могу и ошибаться...
https://vk.com/rom327
GRBL настройки: http://blogandbux.blogspot.com/2018/07/ ... revod.html
G коды: http://3d-stanki.ru/spravochnik/program ... stankov-2/
https://vk.com/rom327
GRBL настройки: http://blogandbux.blogspot.com/2018/07/ ... revod.html
G коды: http://3d-stanki.ru/spravochnik/program ... stankov-2/
- Rom327
- Почётный участник

- Сообщения: 2989
- Зарегистрирован: 03 апр 2015, 13:23
- Репутация: 437
- Настоящее имя: Роман
- Откуда: Подольск
- Контактная информация:
Re: STB5100 USB MOTION CARD
Кто же так делает?! На "взрослых" станках силовые и сигнальные кабели всегда идут отдельно! Мало того, они еще и экранированные! Экраны собираются в ящике на отдельную шину, а со стороны станка экраны кабеля заизолированы.
Это сугубо мое мнение, могу и ошибаться...
https://vk.com/rom327
GRBL настройки: http://blogandbux.blogspot.com/2018/07/ ... revod.html
G коды: http://3d-stanki.ru/spravochnik/program ... stankov-2/
https://vk.com/rom327
GRBL настройки: http://blogandbux.blogspot.com/2018/07/ ... revod.html
G коды: http://3d-stanki.ru/spravochnik/program ... stankov-2/
- voverrr
- Мастер
- Сообщения: 242
- Зарегистрирован: 07 июн 2019, 01:22
- Репутация: 4
- Настоящее имя: Vladimir Mironov
- Откуда: Moscow
- Контактная информация:
Re: STB5100 USB MOTION CARD
А вот не знаю. Сегодня вечером посмотрю.
Но, поскольку этот рабочий ноль идёт на корпус шпинделя, а от него - на остальной станок(не уверен, потому что там пластмассовые каретки hgw), то я и рассудил, что можно его прикорячить на ящик.
Силовой и сигнальный как раз у меня отдельно. 12 вольт в одном пучке с концевиками, ну так это не гигантское напряжение. Да и по самой этой цепи концевиков 12 вольт проходит.
А вот это я сегодня и попробую. Почему-то я считал, что ноль с частотника должен идти на корпус станка.
Последний раз редактировалось voverrr 29 июн 2022, 15:24, всего редактировалось 1 раз.
- Rom327
- Почётный участник

- Сообщения: 2989
- Зарегистрирован: 03 апр 2015, 13:23
- Репутация: 437
- Настоящее имя: Роман
- Откуда: Подольск
- Контактная информация:
Re: STB5100 USB MOTION CARD
В гаражах проводка по несколько сот метров... Представляещь, что там на нуле творится? И весь этот сёр у тебя заведен на корпус всего оборудования. Естественно там не только мышь отвалится...
Дело не в напряжении, а в помехах, которые по этим провода передаются...
Это сугубо мое мнение, могу и ошибаться...
https://vk.com/rom327
GRBL настройки: http://blogandbux.blogspot.com/2018/07/ ... revod.html
G коды: http://3d-stanki.ru/spravochnik/program ... stankov-2/
https://vk.com/rom327
GRBL настройки: http://blogandbux.blogspot.com/2018/07/ ... revod.html
G коды: http://3d-stanki.ru/spravochnik/program ... stankov-2/