Проект станка 2.2kW 2000х1000х100мм 4axis
-
Kulibin74
- Почётный участник

- Сообщения: 665
- Зарегистрирован: 08 апр 2013, 15:33
- Репутация: 65
- Настоящее имя: Сергей Александрович
- Откуда: Москва
- Контактная информация:
Re: Проект станка 2.2kW 2000х1000х100мм 4axis
1. как сделать запуск после Estop с того места где это случилось?
2. шагов на единицу в pncconf делать исходя из требуемой точности?
3. в настройках серв настраивать электронную редукцию?
2. шагов на единицу в pncconf делать исходя из требуемой точности?
3. в настройках серв настраивать электронную редукцию?
- Nick
- Мастер
- Сообщения: 22776
- Зарегистрирован: 23 ноя 2009, 16:45
- Репутация: 1735
- Заслуга: Developer
- Откуда: Gatchina, Saint-Petersburg distr., Russia
- Контактная информация:
Re: Проект станка 2.2kW 2000х1000х100мм 4axis
Напиши g64 p0.1 или меньше.
-
Kulibin74
- Почётный участник

- Сообщения: 665
- Зарегистрирован: 08 апр 2013, 15:33
- Репутация: 65
- Настоящее имя: Сергей Александрович
- Откуда: Москва
- Контактная информация:
Re: Проект станка 2.2kW 2000х1000х100мм 4axis
где и для чего? понял, для углов... а что по трем моим пунктам?
- Nick
- Мастер
- Сообщения: 22776
- Зарегистрирован: 23 ноя 2009, 16:45
- Репутация: 1735
- Заслуга: Developer
- Откуда: Gatchina, Saint-Petersburg distr., Russia
- Контактная информация:
Re: Проект станка 2.2kW 2000х1000х100мм 4axis
Правой кнопкой на нужной строке и выполнить с текущей тстроки.Kulibin74 писал(а):1. как сделать запуск после Estop с того места где это случилось?
Дорлжно быть в настройках осей. Скинь скриншоты этих натсрое...Kulibin74 писал(а):2. шагов на единицу в pncconf делать исходя из требуемой точности?
Зачем?Kulibin74 писал(а):3. в настройках серв настраивать электронную редукцию?
-
Kulibin74
- Почётный участник

- Сообщения: 665
- Зарегистрирован: 08 апр 2013, 15:33
- Репутация: 65
- Настоящее имя: Сергей Александрович
- Откуда: Москва
- Контактная информация:
Re: Проект станка 2.2kW 2000х1000х100мм 4axis
а если и комп вырубился, как я узнаю на какой он строчке был?Nick писал(а):Правой кнопкой на нужной строке и выполнить с текущей тстроки
а как серва узнает, что она повернулась на один оборот при 200 шагах, скажем?Nick писал(а):Зачем?
- Nick
- Мастер
- Сообщения: 22776
- Зарегистрирован: 23 ноя 2009, 16:45
- Репутация: 1735
- Заслуга: Developer
- Откуда: Gatchina, Saint-Petersburg distr., Russia
- Контактная информация:
Re: Проект станка 2.2kW 2000х1000х100мм 4axis
Никак. Ну можно конечно постоянно в файл писать номер строки или смсками тебе их слать, но проще сделать так, чтобы комп не вырубался!Kulibin74 писал(а):а если и комп вырубился, как я узнаю на какой он строчке был?
По pncconf ну как раз тут меняешь параметры, чтобы steps/mm стало правильным.
Ну так сначала настраиваешь серву, потом узнаешь ее параметр шагов/оборот. Потом этот параметр подставляешь в "Шагов на оборот" в pncconf.Kulibin74 писал(а):а как серва узнает, что она повернулась на один оборот при 200 шагах, скажем?
-
Kulibin74
- Почётный участник

- Сообщения: 665
- Зарегистрирован: 08 апр 2013, 15:33
- Репутация: 65
- Настоящее имя: Сергей Александрович
- Откуда: Москва
- Контактная информация:
Re: Проект станка 2.2kW 2000х1000х100мм 4axis
Ничего не понял...Nick писал(а):Ну так сначала настраиваешь серву, потом узнаешь ее параметр шагов/оборот. Потом этот параметр подставляешь в "Шагов на оборот" в pncconf.
Еще вопрос, а можно ли и нужно, заводить энкодеры серв в LinuxCNC? смысл такой, чтобы не только драйвер знал, что серва не доехала до нужной позиции, а еще и lcnc. Ведь по степ дир не предусматривается обратной связи?
- Nick
- Мастер
- Сообщения: 22776
- Зарегистрирован: 23 ноя 2009, 16:45
- Репутация: 1735
- Заслуга: Developer
- Откуда: Gatchina, Saint-Petersburg distr., Russia
- Контактная информация:
Re: Проект станка 2.2kW 2000х1000х100мм 4axis
Нужно смотреть со стороны сервы. Сколько у нее шагов на оборот?Kulibin74 писал(а):Ничего не понял...
Можно. Но не факт, что у тебя хватит входов на все энкодеры. Какие у тебя платы стоят?Kulibin74 писал(а):Еще вопрос, а можно ли и нужно, заводить энкодеры серв в LinuxCNC? смысл такой, чтобы не только драйвер знал, что серва не доехала до нужной позиции, а еще и lcnc. Ведь по степ дир не предусматривается обратной связи?
Вообще сам по себе step/dir не предусматривает обратеной связи, но ее можно добавить. Есть два варианта:
1. просто заводим на обратную связь motion положение энкодера. Тогда станок сможет сам отключиться если вдруг уйдет далеко от траектории или шаговик вдруг начнет пропускать шаги. В этом варианте только отключение по ошибке следования.
2. добавляем PID, и управляем stepgen через него. Тогда, даже если шаговик пропустит несколько шагов, LinuxCNC постарается "дожать" его, чтобы восстановить заданное положение.
Чего именно хочется?
-
Kulibin74
- Почётный участник

- Сообщения: 665
- Зарегистрирован: 08 апр 2013, 15:33
- Репутация: 65
- Настоящее имя: Сергей Александрович
- Откуда: Москва
- Контактная информация:
Re: Проект станка 2.2kW 2000х1000х100мм 4axis
2048 по X. Y сервы samsung 400WNick писал(а):Сколько у нее шагов на оборот
2500 по Z Panasonic 100W с тормозом.
пока 7i76 5i25, в плане 7i77Nick писал(а):платы стоят
а третий? если скажем линукс снс выдало порцию шагов, серва при усилии не успела наверстать упущенное, началось движение другой оси. а тут обратная связь от привода говорит что я не успела доехать (количество импульсов энкодера * (сколько импульсов на шаг), т.е линкус СНС будет знать, серва выполнила шаг или нет.Nick писал(а):Есть два варианта
Последний раз редактировалось Kulibin74 30 июл 2014, 13:38, всего редактировалось 1 раз.
- Nick
- Мастер
- Сообщения: 22776
- Зарегистрирован: 23 ноя 2009, 16:45
- Репутация: 1735
- Заслуга: Developer
- Откуда: Gatchina, Saint-Petersburg distr., Russia
- Контактная информация:
Re: Проект станка 2.2kW 2000х1000х100мм 4axis
Ну вот эти цифры и вписывай в pncconf.Kulibin74 писал(а):1024 по X. Y сервы samsung 400W
2500 по Z Panasonic 100W с тормозом.
без 7i77, у тебя входов только на 1 энкодер.Kulibin74 писал(а):пока 7i76 5i25, в плане 7i77
Так это и есть первый вариант. В нем LinuxCNC знает, что серва не доехала.Kulibin74 писал(а):а третий? если скажем линукс снс выдало порцию шагов, серва при усилии не успела наверстать упущенное, началось движение другой оси. а тут обратная связь от привода говорит что я не успела доехать (количество импульсов энкодера * (сколько импульсов на шаг), т.е линкус СНС будет знать, серва выполнила шаг или нет.
-
Kulibin74
- Почётный участник

- Сообщения: 665
- Зарегистрирован: 08 апр 2013, 15:33
- Репутация: 65
- Настоящее имя: Сергей Александрович
- Откуда: Москва
- Контактная информация:
Re: Проект станка 2.2kW 2000х1000х100мм 4axis
поэтому и планирую потом 7i77 докупить.Nick писал(а):без 7i77, у тебя входов только на 1 энкодер
а есть ли смысл? увеличивается разрешение на мм и частота импульсов и все?Nick писал(а):Ну вот эти цифры и вписывай в pncconf.
имеющийся вход энкодера хочу задействовать под поворотку (повесить китайский оптический энкодер), что бы знать где ось находится, (привод будет шаговиком через редуктор),реально ли?
- Nick
- Мастер
- Сообщения: 22776
- Зарегистрирован: 23 ноя 2009, 16:45
- Репутация: 1735
- Заслуга: Developer
- Откуда: Gatchina, Saint-Petersburg distr., Russia
- Контактная информация:
Re: Проект станка 2.2kW 2000х1000х100мм 4axis
Да. Ну разве что может подняться плавность хода, но при значениях больше 1000 это будет не заметно.Kulibin74 писал(а):увеличивается разрешение на мм и частота импульсов и все?
Да, реально. Только энкодер обычно дает 2500 импульсов на оборот, тебе хватит такого количества?Kulibin74 писал(а):имеющийся вход энкодера хочу задействовать под поворотку (повесить китайский оптический энкодер), что бы знать где ось находится, (привод будет шаговиком через редуктор),реально ли?
-
Kulibin74
- Почётный участник

- Сообщения: 665
- Зарегистрирован: 08 апр 2013, 15:33
- Репутация: 65
- Настоящее имя: Сергей Александрович
- Откуда: Москва
- Контактная информация:
Re: Проект станка 2.2kW 2000х1000х100мм 4axis
я же его на шаговик повешу, а так получится на оборот 4 оси 2500*3*12=90000 импульсов, при диаметре болванки 200мм 0,006977777мм/импульсNick писал(а):2500 импульсов на оборот
- Nick
- Мастер
- Сообщения: 22776
- Зарегистрирован: 23 ноя 2009, 16:45
- Репутация: 1735
- Заслуга: Developer
- Откуда: Gatchina, Saint-Petersburg distr., Russia
- Контактная информация:
Re: Проект станка 2.2kW 2000х1000х100мм 4axis
тогда норм. Правда, не понятно зачем энкодер, от шаговика и так сможешь нормально позиционировать...
-
Kulibin74
- Почётный участник

- Сообщения: 665
- Зарегистрирован: 08 апр 2013, 15:33
- Репутация: 65
- Настоящее имя: Сергей Александрович
- Откуда: Москва
- Контактная информация:
Re: Проект станка 2.2kW 2000х1000х100мм 4axis
а вдруг шаги пропустит? и хана заготовке...Nick писал(а):не понятно зачем энкодер
-
Kulibin74
- Почётный участник

- Сообщения: 665
- Зарегистрирован: 08 апр 2013, 15:33
- Репутация: 65
- Настоящее имя: Сергей Александрович
- Откуда: Москва
- Контактная информация:
Re: Проект станка 2.2kW 2000х1000х100мм 4axis
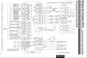
какой параметр сигнала Command pulse format мне надо выбрать в настройках сервы? контакты 33, 8,9 замкнуть на минус питания?
к каким входам подключать step, dir? line mode or open collector?
руководство по панасонику
- Nick
- Мастер
- Сообщения: 22776
- Зарегистрирован: 23 ноя 2009, 16:45
- Репутация: 1735
- Заслуга: Developer
- Откуда: Gatchina, Saint-Petersburg distr., Russia
- Контактная информация:
Re: Проект станка 2.2kW 2000х1000х100мм 4axis
33 - да, а вот что такой CCW over travel я не знаю...
3-6Kulibin74 писал(а):к каким входам подключать step, dir? line mode or open collector?
-
Kulibin74
- Почётный участник

- Сообщения: 665
- Зарегистрирован: 08 апр 2013, 15:33
- Репутация: 65
- Настоящее имя: Сергей Александрович
- Откуда: Москва
- Контактная информация:
Re: Проект станка 2.2kW 2000х1000х100мм 4axis
Это помоему входы концевиковNick писал(а):CCW over travel
CCW over-travel 9 CCWL inhibit input •
Use this input to inhibit a CCW over-travel (CCWL). ̃
• Connect this so as to make the connection to COM– open when the moving portion of the machine over-travels the movable range toward CCW. ̃
• CWL input will be invalidated when you set up Pr04 (Setup of over-travel inhibit input) to
1.Default is "Invalid (1)". ̃
• You can select the action when the CCWL input is validated with the setup of Pr66 (Sequence at over-travel inhibit). Default is "Emergency stop with dynamic brake".(Pr66=0)
-
Kulibin74
- Почётный участник

- Сообщения: 665
- Зарегистрирован: 08 апр 2013, 15:33
- Репутация: 65
- Настоящее имя: Сергей Александрович
- Откуда: Москва
- Контактная информация:
Re: Проект станка 2.2kW 2000х1000х100мм 4axis
значит мне надо подключить STEP+/DIR+ от7I76 к контактам 3,4,5,6? и соединить GND 7i76 с 13 контактом GND драйвера?Nick писал(а):дифференциальный.
- Nick
- Мастер
- Сообщения: 22776
- Зарегистрирован: 23 ноя 2009, 16:45
- Репутация: 1735
- Заслуга: Developer
- Откуда: Gatchina, Saint-Petersburg distr., Russia
- Контактная информация:
Re: Проект станка 2.2kW 2000х1000х100мм 4axis
вроде как да
