Лазер + Mach3
-
LVit
- Новичок
- Сообщения: 3
- Зарегистрирован: 11 янв 2016, 20:32
- Репутация: 0
- Настоящее имя: Виталий
- Контактная информация:
Re: Лазер + Mach3
так и не понял. Скетч платный или опенсорз? Где его взять и на каких условиях?
- serg1958
- Кандидат
- Сообщения: 57
- Зарегистрирован: 25 июн 2015, 01:13
- Репутация: 31
- Настоящее имя: Сергей
- Контактная информация:
Re: Лазер + Mach3
Если кого заинтересует – вопросы в личку.
- Serg
- Мастер
- Сообщения: 21923
- Зарегистрирован: 17 апр 2012, 14:58
- Репутация: 5183
- Заслуга: c781c134843e0c1a3de9
- Настоящее имя: Сергей
- Откуда: Москва
- Контактная информация:
Re: Лазер + Mach3
В таком случае либо создайте об этом тему тут согласнно тамошним правилам, в этой можете дать ссылку на неё, либо я эту перенесу в Карантин и там она удалится.
Я не Христос, рыбу не раздаю, но могу научить, как сделать удочку...
- serg1958
- Кандидат
- Сообщения: 57
- Зарегистрирован: 25 июн 2015, 01:13
- Репутация: 31
- Настоящее имя: Сергей
- Контактная информация:
Re: Лазер + Mach3
Хорошо, если кого заинтересует- ссылка на инструкцию и схему https://yadi.sk/i/cE5eVVXktQxdi
А здесь скетч для Arduino IDE 1.6.0. https://yadi.sk/i/_LSYz6bOtQxmE
А здесь скетч для Arduino IDE 1.6.0. https://yadi.sk/i/_LSYz6bOtQxmE
-
vladin21
- Кандидат
- Сообщения: 75
- Зарегистрирован: 28 янв 2012, 21:37
- Репутация: 31
- Контактная информация:
Re: Лазер + Mach3
Респект за вариант реализации. Я тоже копаю в этом направлении. Хочу сразу читать значение из окна DRO from Mach3 по оси Z для установки уровня мощности лазера, через плагин к мачу. Это даст возможность не "обнуляться" кнопкой при пуске УП . Вот только с плагином пока засада(( А мощность планирую не шимом регулировать а через управляемый DС-DC преобразователь. Ну и связь с МК сделать по RS232 или USB, а не через LPT
-
LVit
- Новичок
- Сообщения: 3
- Зарегистрирован: 11 янв 2016, 20:32
- Репутация: 0
- Настоящее имя: Виталий
- Контактная информация:
Re: Лазер + Mach3
Только вчера плотно занялся прикручиванием девайса к станку.На столе вроде работает с светодиодом. Что нового у автора? В прошивке изменений нет?
-
denisej
- Новичок
- Сообщения: 6
- Зарегистрирован: 29 июл 2015, 14:19
- Репутация: 0
- Настоящее имя: denis
- Контактная информация:
Re: Лазер + Mach3
метод интересный, но слишком сложный.
Пару лет назад, когда подключал лазер к mach3, мне казалось, что этот способ самый лучший.
Но так и не осилил. Подключено просто к dir Z. Работает и так.
Пару лет назад, когда подключал лазер к mach3, мне казалось, что этот способ самый лучший.
Но так и не осилил. Подключено просто к dir Z. Работает и так.
-
radist07
- Новичок
- Сообщения: 8
- Зарегистрирован: 31 мар 2017, 13:54
- Репутация: 0
- Настоящее имя: Валерий
- Контактная информация:
Re: Лазер + Mach3
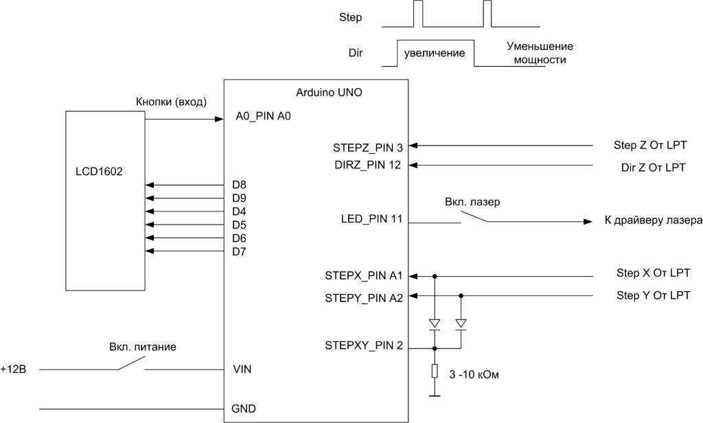
Через разъём DB9 в нижней части блока необходимо подключить:
+12В, GND, Step Z, DirZ, StepY, OutLaser. Сергей эти сигналы надо брать прямо с LTP порта платы опторазвязки?
+12В, GND, Step Z, DirZ, StepY, OutLaser. Сергей эти сигналы надо брать прямо с LTP порта платы опторазвязки?
-
radist07
- Новичок
- Сообщения: 8
- Зарегистрирован: 31 мар 2017, 13:54
- Репутация: 0
- Настоящее имя: Валерий
- Контактная информация:
Re: Лазер + Mach3
Скачал скетч для ардуино, Выдает ошибку при компеляции
.
- serg1958
- Кандидат
- Сообщения: 57
- Зарегистрирован: 25 июн 2015, 01:13
- Репутация: 31
- Настоящее имя: Сергей
- Контактная информация:
Re: Лазер + Mach3
Да, лучше всего с LPT, можно и с платы если она не изменяет длительность сигналов (например у Step master выход StepX, Y - меандр).radist07 писал(а):Через разъём DB9 в нижней части блока необходимо подключить:
+12В, GND, Step Z, DirZ, StepY, OutLaser. Сергей эти сигналы надо брать прямо с LTP порта платы опторазвязки?
- serg1958
- Кандидат
- Сообщения: 57
- Зарегистрирован: 25 июн 2015, 01:13
- Репутация: 31
- Настоящее имя: Сергей
- Контактная информация:
Re: Лазер + Mach3
Чуть выше: "...для Arduino IDE 1.6.0."
Последний раз редактировалось serg1958 06 апр 2017, 17:09, всего редактировалось 1 раз.
- serg1958
- Кандидат
- Сообщения: 57
- Зарегистрирован: 25 июн 2015, 01:13
- Репутация: 31
- Настоящее имя: Сергей
- Контактная информация:
Re: Лазер + Mach3
для Arduino IDE 1.6.0.radist07 писал(а):Скачал скетч для ардуино, Выдает ошибку при компеляции.
-
radist07
- Новичок
- Сообщения: 8
- Зарегистрирован: 31 мар 2017, 13:54
- Репутация: 0
- Настоящее имя: Валерий
- Контактная информация:
Re: Лазер + Mach3
Да, у меня ардуино 1.6.7 сейчас попробую поставить 1.6.0 отпишусь
-
radist07
- Новичок
- Сообщения: 8
- Зарегистрирован: 31 мар 2017, 13:54
- Репутация: 0
- Настоящее имя: Валерий
- Контактная информация:
Re: Лазер + Mach3
поставил версию 1.6.0 все равно ошибка компиляции
Arduino: 1.6.0 (Windows 7), Плата"Arduino Uno"
Build options changed, rebuilding all
LCD1602_11.ino: In function 'int INCR()':
LCD1602_11.ino:139:23: error: 'EEPROM_write' was not declared in this scope
LCD1602_11.ino:149:23: error: 'EEPROM_write' was not declared in this scope
LCD1602_11.ino: In function 'int DECR()':
LCD1602_11.ino:165:23: error: 'EEPROM_write' was not declared in this scope
LCD1602_11.ino:175:23: error: 'EEPROM_write' was not declared in this scope
LCD1602_11.ino: In function 'void setup()':
LCD1602_11.ino:184:21: error: 'EEPROM_read' was not declared in this scope
LCD1602_11.ino:193:23: error: 'EEPROM_write' was not declared in this scope
Ошибка компиляции.
This report would have more information with
"Отображать вывод во время компиляции"
enabled in File > Preferences.
Arduino: 1.6.0 (Windows 7), Плата"Arduino Uno"
Build options changed, rebuilding all
LCD1602_11.ino: In function 'int INCR()':
LCD1602_11.ino:139:23: error: 'EEPROM_write' was not declared in this scope
LCD1602_11.ino:149:23: error: 'EEPROM_write' was not declared in this scope
LCD1602_11.ino: In function 'int DECR()':
LCD1602_11.ino:165:23: error: 'EEPROM_write' was not declared in this scope
LCD1602_11.ino:175:23: error: 'EEPROM_write' was not declared in this scope
LCD1602_11.ino: In function 'void setup()':
LCD1602_11.ino:184:21: error: 'EEPROM_read' was not declared in this scope
LCD1602_11.ino:193:23: error: 'EEPROM_write' was not declared in this scope
Ошибка компиляции.
This report would have more information with
"Отображать вывод во время компиляции"
enabled in File > Preferences.
-
radist07
- Новичок
- Сообщения: 8
- Зарегистрирован: 31 мар 2017, 13:54
- Репутация: 0
- Настоящее имя: Валерий
- Контактная информация:
Re: Лазер + Mach3
Сергей здравствуй! с компиляцией разобрался, отдельно блок работает, мощность регулируется. как только подключаю к мач лазер начинаем мигать с частотой около 1 гц. По осям контроля нету, на переходах не отключается.Посмотрел осцилограмму сигналов и выяснил что положительный импульс только на оси х, у и Z импульсы отрицательные. как мне инвертировать их? в маче настроек не нашел. Помоги пожалуйста
-
qulet
- Новичок
- Сообщения: 28
- Зарегистрирован: 13 май 2017, 18:30
- Репутация: 5
- Настоящее имя: Marek
- Контактная информация:
Re: Лазер + Mach3
Where are the switches in the schematic?
Если схема отмечены кнопки?
Уместно график отсутствует кнопки?
Нет кнопки сброса ...
.
Если схема отмечены кнопки?
Уместно график отсутствует кнопки?
Нет кнопки сброса ...
.
Последний раз редактировалось qulet 13 май 2017, 23:07, всего редактировалось 3 раза.
-
qulet
- Новичок
- Сообщения: 28
- Зарегистрирован: 13 май 2017, 18:30
- Репутация: 5
- Настоящее имя: Marek
- Контактная информация:
Re: Лазер + Mach3
Ошибка компиляции "Duemilanove" ID 1.6.0
пожалуйста, помогите.
LCD1602_11.ino: In function 'int INCR()':
LCD1602_11.ino:139:23: error: 'EEPROM_write' was not declared in this scope
LCD1602_11.ino:149:23: error: 'EEPROM_write' was not declared in this scope
LCD1602_11.ino: In function 'int DECR()':
LCD1602_11.ino:165:23: error: 'EEPROM_write' was not declared in this scope
LCD1602_11.ino:175:23: error: 'EEPROM_write' was not declared in this scope
LCD1602_11.ino: In function 'void setup()':
LCD1602_11.ino:184:21: error: 'EEPROM_read' was not declared in this scope
LCD1602_11.ino:193:23: error: 'EEPROM_write' was not declared in this scope
Redist07, как вам удалось скомпилировать код программы? У меня есть один и та же ошибка ...
пожалуйста, помогите.
LCD1602_11.ino: In function 'int INCR()':
LCD1602_11.ino:139:23: error: 'EEPROM_write' was not declared in this scope
LCD1602_11.ino:149:23: error: 'EEPROM_write' was not declared in this scope
LCD1602_11.ino: In function 'int DECR()':
LCD1602_11.ino:165:23: error: 'EEPROM_write' was not declared in this scope
LCD1602_11.ino:175:23: error: 'EEPROM_write' was not declared in this scope
LCD1602_11.ino: In function 'void setup()':
LCD1602_11.ino:184:21: error: 'EEPROM_read' was not declared in this scope
LCD1602_11.ino:193:23: error: 'EEPROM_write' was not declared in this scope
Redist07, как вам удалось скомпилировать код программы? У меня есть один и та же ошибка ...
-
qulet
- Новичок
- Сообщения: 28
- Зарегистрирован: 13 май 2017, 18:30
- Репутация: 5
- Настоящее имя: Marek
- Контактная информация:
Re: Лазер + Mach3
serg1958
большое спасибо за обмен код с Arduino описанием.
Lcd1602.11.ino версия 19.07.20016 на компилируется без ошибочно !!!!
Я хотел бы получить информацию, чтобы быть значения резисторов и их подключение к схеме «Pin A0»
BUTTON_NONE INT Const = 0;
Const INT BUTTON_RIGHT = 1;
Const INT BUTTON_UP = 2;
Const INT BUTTON_DOWN = 3;
Const INT BUTTON_LEFT = 4;
Const INT BUTTON_SELECT = 5;
большое спасибо за обмен код с Arduino описанием.
Lcd1602.11.ino версия 19.07.20016 на компилируется без ошибочно !!!!
Я хотел бы получить информацию, чтобы быть значения резисторов и их подключение к схеме «Pin A0»
BUTTON_NONE INT Const = 0;
Const INT BUTTON_RIGHT = 1;
Const INT BUTTON_UP = 2;
Const INT BUTTON_DOWN = 3;
Const INT BUTTON_LEFT = 4;
Const INT BUTTON_SELECT = 5;
-
radist07
- Новичок
- Сообщения: 8
- Зарегистрирован: 31 мар 2017, 13:54
- Репутация: 0
- Настоящее имя: Валерий
- Контактная информация:
Re: Лазер + Mach3
У меня все заработало. Глюки исчезли когда я ардуино с мачем подключил зкранированым проводом по нему же подал питание +5в с блока питания компа и экран посадил на землю. Лазер питается от своего блока питания землю лазера нельзя садить на землю ардуино!!!!! в драйвере присутствует гальваническая развязка c( - TTL).