Электронщики - нужна помощь: Omron E2FM
- AndyBig
- Мастер
- Сообщения: 3971
- Зарегистрирован: 07 мар 2014, 04:01
- Репутация: 1121
- Откуда: юг России
- Контактная информация:
Re: Электронщики - нужна помощь: Omron E2FM
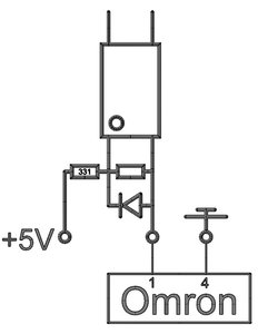
Что-то Вы не то нарисовали... На фото явно видно, что резисторы 300 Ом и 4.7 кОм подключены к ножкам с разных сторон оптопары.
Re: Электронщики - нужна помощь: Omron E2FM
Это ещё один, тот на выходе, а этот снизу платы, я вчера его не видел - плата была на станке
- AndyBig
- Мастер
- Сообщения: 3971
- Зарегистрирован: 07 мар 2014, 04:01
- Репутация: 1121
- Откуда: юг России
- Контактная информация:
Re: Электронщики - нужна помощь: Omron E2FM
А... Ну значит это подтяжка входа к питанию
Она ничего не меняет.
Меняйте 300 Ом на номинал под Ваше напряжение, отрезайте от оптопар 5 вольт и подпаивайте вместо него напряжение питания своих датчиков.
Меняйте 300 Ом на номинал под Ваше напряжение, отрезайте от оптопар 5 вольт и подпаивайте вместо него напряжение питания своих датчиков.
Re: Электронщики - нужна помощь: Omron E2FM
понял, спасибо
- AndyBig
- Мастер
- Сообщения: 3971
- Зарегистрирован: 07 мар 2014, 04:01
- Репутация: 1121
- Откуда: юг России
- Контактная информация:
Re: Электронщики - нужна помощь: Omron E2FM
Да, все так 
Только тщательно убедитесь, что эти 24 вольта не пойдут никуда дальше в схему, проследите все 5-вольтовые дорожки и удостоверьтесь, что оптопары полностью отрезаны от бывшего питания.
Только тщательно убедитесь, что эти 24 вольта не пойдут никуда дальше в схему, проследите все 5-вольтовые дорожки и удостоверьтесь, что оптопары полностью отрезаны от бывшего питания.
Re: Электронщики - нужна помощь: Omron E2FM
ОК, спасибо за совет. Готовлю скальпель 
Re: Электронщики - нужна помощь: Omron E2FM
Всё ребята, спасибо за советы. Последняя схема работает. Переделал 4 входа на 24В + Омроны и один оставил стандартный 5В для всех мех. концевиков в серии.
Интересно, что один мой знакомый - крутой спец по робототехнике сразу сказал, что работать не будет, сенсоры куплены неправильные и т.д.
Коллективный разум снова победил
Интересно, что один мой знакомый - крутой спец по робототехнике сразу сказал, что работать не будет, сенсоры куплены неправильные и т.д.
Коллективный разум снова победил
- AndyBig
- Мастер
- Сообщения: 3971
- Зарегистрирован: 07 мар 2014, 04:01
- Репутация: 1121
- Откуда: юг России
- Контактная информация:
Re: Электронщики - нужна помощь: Omron E2FM
Поздравляю! 
Re: Электронщики - нужна помощь: Omron E2FM
есть ещё плата китайская, та-же проблемка: 5 вольт уже на входах. Здесь, правда, схема подключения больше похожа на то, что вы говорили.sidor094 писал(а):Запитайте 12в через резистор на землю.С резистора снимайте 3в сигнал.При 100ма сопротивление 30 ом. Еще поставьте с выхода обратновключённый диод на питание, для защиты от перенапряжения.
Маленький резистор без опознавательных знаков (на схеме пустой прямоугольник).
Как-бы и в эту схему правильно мой датчик запитать на 24 вольта?