В кратце о себе:
Я - станочник широкого профиля. В области металлообработки и упруго-пластического деформирования поверхностного слоя сталей и цветных сплавов - нахожусь с 99 года. Работаю на токарном и фрезерном оборудовании как универсальном, так и ЧПУ. По душе ближе токарство. На данный момент - место работы другое и возможности по изготовлению своих или "основных" заказов,весьма, ограничены.
оЧПУшиваую свой "универсал 2" ради хобби (ибо заканчиваю 5 курс университета инженерного профиля) попутно практикую инженерный навык на этом самом "универсале". Но воодушевил меня на оЧПУшивание один хороший человек, без коего идея модернизации так и осталась-бы идеей.
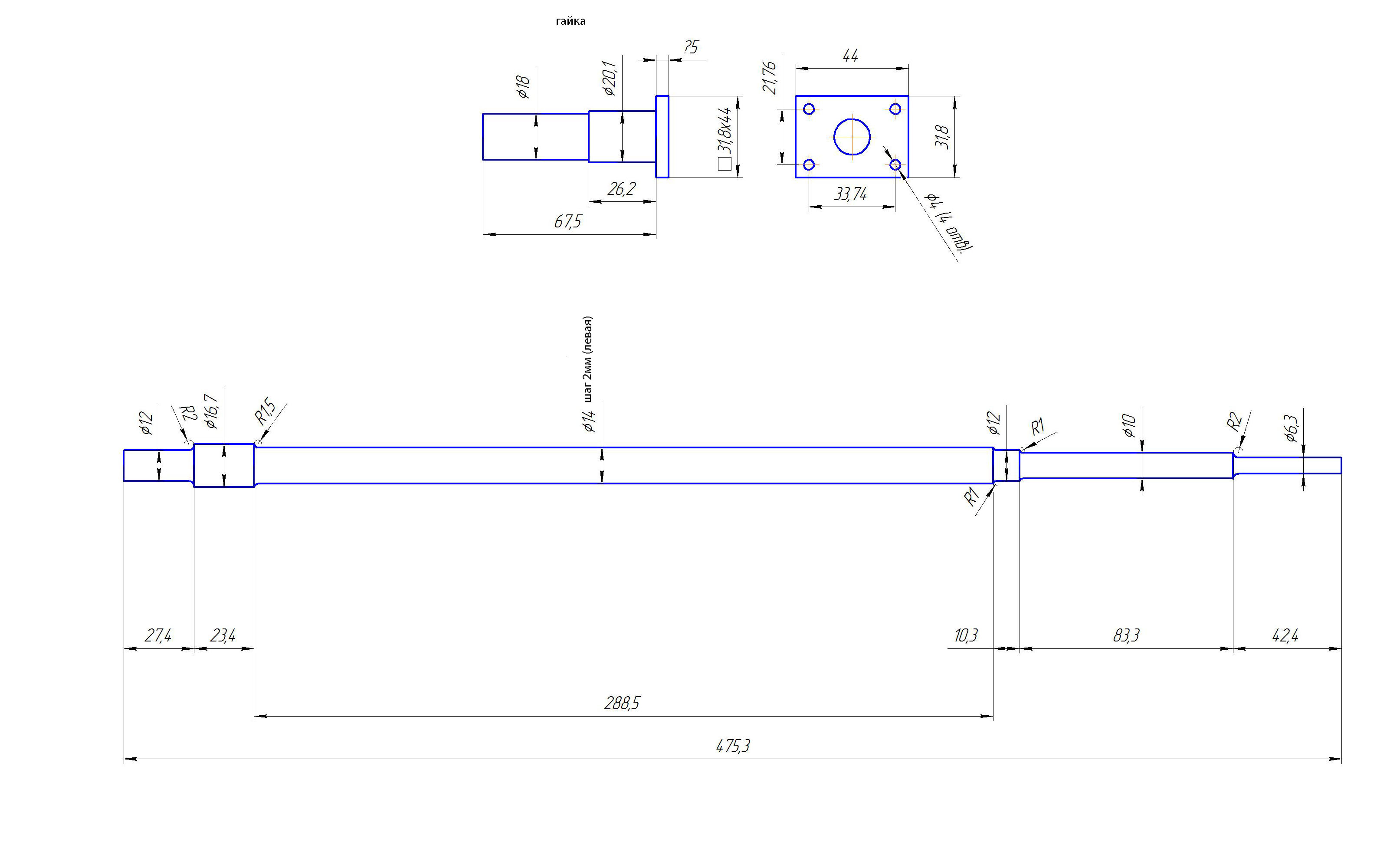
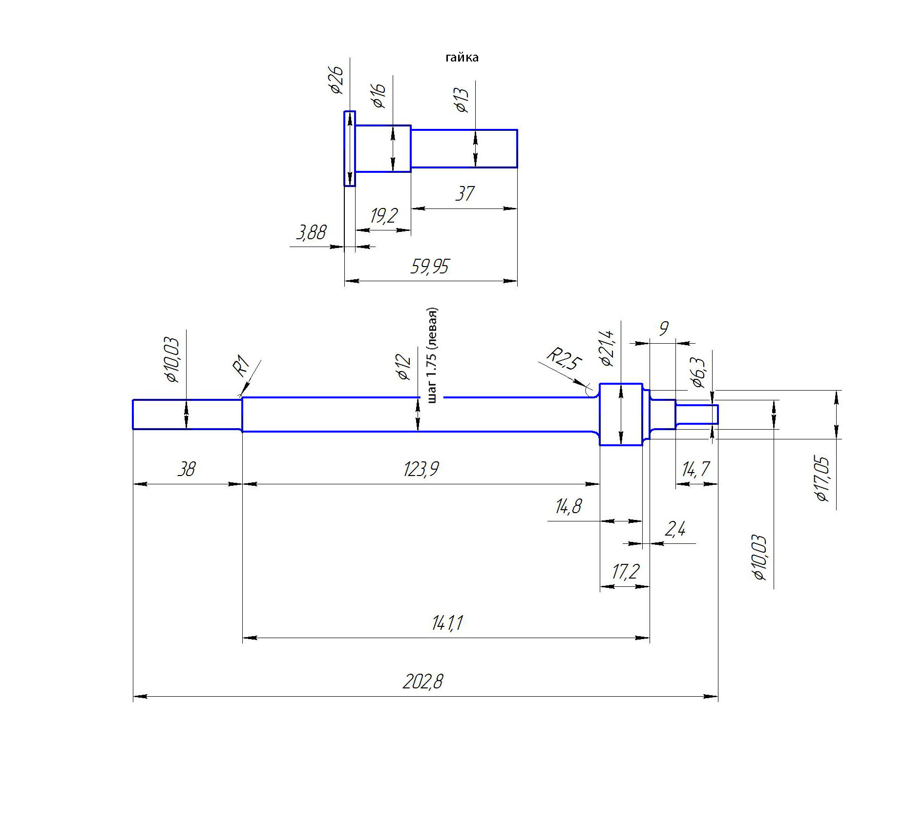
И так на счёт ШВП:
Думал, как и многие предлагали, на счёт использования трапециедальной резьбы и пары - винт-сталь, гайка-капролон (браж). Согласен,оно проще,быстрее и дешевле. Многие их используют (на ютубе полно "самоделок" с подобными передачами). Но вопрос на сколько они точны и эксплуатационноспособны?! В видео об этом ни сказано ведь! Для выфрезеровывания деталек для авиамодели сойдут и ни ШВП. Но для чего-то более серьёзного, в рамках домашне-гаражно-коленно-бытовых
Друзья, связался с Китаем по тому,что в Москве многих изготовителей не устраивает - либо количество заказа, либо шага нужного мне ни делают. Или-же,т.к.ШВП изготавливают методом "катания", соответственно диаметры вала не могут превышать наружный диаметр резьбы. А Китай, вроде как, взялся. По этому меня соблазнило их ответная реакция на мой заказ, после столь долгих поисков его реализации.
Из всего, мною выше напечатанного, может кто и поможет решить этот вопрос дешевле и попроще. Сроки изготовления меня ни особо беспокоят. Главное - качество.
Не стандартный шаг (1.75) взял из оригинального шага и диаметра,родного, ходового винта с универсала. Метрическим резьбомером смерил и 1.75. А,боюсь, если сделаешь 1.5 - будет слишком медленно, а шаг 2 - плохо отображаться будет на шероховатости поверхности детали.
Буду рад любому дельному совету, товарищи.
С уважением Божко А.И.
