Mach3 и поворотная ось
-
VVChaif
- Кандидат
- Сообщения: 47
- Зарегистрирован: 24 дек 2011, 08:18
- Репутация: 4
- Контактная информация:
Re: Mach3 и поворотная ось
Отключите окно визуализации в мач (достаточно это делать только перед самым запуском УП в работу).
Увеличьте частоту с 25000 до 35000
Мне помогло.
Увеличьте частоту с 25000 до 35000
Мне помогло.
Re: Mach3 и поворотная ось
у него управление через Ethernet модуль, с частотой 100 Мгц на канал.VVChaif писал(а):Увеличьте частоту с 25000 до 35000
Сферический ватник в вакууме.
- michael-yurov
- Почётный участник

- Сообщения: 11731
- Зарегистрирован: 26 июл 2012, 00:10
- Репутация: 4703
- Настоящее имя: Михаил Львович
- Откуда: Новоуральск
- Контактная информация:
Re: Mach3 и поворотная ось
100 кГц,
но старые прошивки работали до 80 кГц, а как сейчас - не знаю.
но старые прошивки работали до 80 кГц, а как сейчас - не знаю.
-
VVChaif
- Кандидат
- Сообщения: 47
- Зарегистрирован: 24 дек 2011, 08:18
- Репутация: 4
- Контактная информация:
Re: Mach3 и поворотная ось
Могу ошибаться, но частота в мач это частота самого ядра мач, а не пропускной способности канала или Ethernet модуля...
Я конечно через ЛПТ по старинке юзаю. И данные операции мне помогли.
Подождем вопрошающего как у него решится вопрос...
Я конечно через ЛПТ по старинке юзаю. И данные операции мне помогли.
Подождем вопрошающего как у него решится вопрос...
- michael-yurov
- Почётный участник

- Сообщения: 11731
- Зарегистрирован: 26 июл 2012, 00:10
- Репутация: 4703
- Настоящее имя: Михаил Львович
- Откуда: Новоуральск
- Контактная информация:
Re: Mach3 и поворотная ось
Это максимальная частота драйвера LPT.VVChaif писал(а):Могу ошибаться, но частота в мач это частота самого ядра мач, а не пропускной способности канала или Ethernet модуля...
В случае с внешним контроллером его можно вообще не устанавливать, и настройка частоты ничего не будет изменять.
Re: Mach3 и поворотная ось
Виталий, ты одновременно 4-мя осями пилил?VVChaif писал(а):Подождем вопрошающего как у него решится вопрос...
на родном форуме поддержки пишут, что это без костыля не должно работать,
Quote from: BR549 on October 25, 2013, 11:29:18 AM
IF you set it to ZERO it turns OFF the function.
I thought that bug had been fixed.
I have a brain running that automatically puts a very small value in if zero is entered, so that is why I no longer notice it.
на 25 октября сего года, глюк еще не исправлен.
Сферический ватник в вакууме.
-
VVChaif
- Кандидат
- Сообщения: 47
- Зарегистрирован: 24 дек 2011, 08:18
- Репутация: 4
- Контактная информация:
Re: Mach3 и поворотная ось
Нет пока на 3.
4 пока не пробовал. Нет УП подходящей (а "ради интереса" делать нет желания).
4 пока не пробовал. Нет УП подходящей (а "ради интереса" делать нет желания).
Re: Mach3 и поворотная ось
ну тогда это проблема не твой случай, тут у него проблема когда одномоментно работают ось вращения и линейные оси.VVChaif писал(а):4 пока не пробовал. Нет УП подходящей (а "ради интереса" делать нет желания).
Сферический ватник в вакууме.
-
VVChaif
- Кандидат
- Сообщения: 47
- Зарегистрирован: 24 дек 2011, 08:18
- Репутация: 4
- Контактная информация:
Re: Mach3 и поворотная ось
Как раз мой. При команде "Домой" двигаются все оси (в том числе и поворотная А) вот в этот момент самое заметно пропуски и рывки, а так же при холостых переездах... Поэтому я и проводил эксперименты...
Полноценную 4 осевую обработку конечно надо пробовать, но пока нет надобности...
Полноценную 4 осевую обработку конечно надо пробовать, но пока нет надобности...
-
Gaspar
- Кандидат
- Сообщения: 91
- Зарегистрирован: 06 апр 2013, 10:37
- Репутация: 2
- Откуда: Украина, Киев
- Контактная информация:
Re: Mach3 и поворотная ось
Сегодня проверил, влияние этого параметра на работу особо не заметил.Baha писал(а):поставь значение Rotation Radius =0.01
Но нашёл причину дёрганья осей, оказывается если в ручную выставлять подачу больше 100% оси начинают дергаться, а если выставить подачу в УП то проблем особых нет. При фрезеровании без поворотной оси ручное поднятие подачи не вызывает дёрганья, начинает дергаться если включается поворотная ось. Или это баг мача или моего PLCM, но это не проблема, главное во время работы не подымать подачу.
Если не подымать подачу то подёргивания есть но незначительные и только на поворотной оси, но мне кажется это из за ЗD рельефа детали. Нужно будет попробовать на других деталях когда сделаю полноценные четыре оси.
Будет время испытаю ещё на демоверсии мача, нет просто времени сейчас, станок постоянно в работе.
- michael-yurov
- Почётный участник

- Сообщения: 11731
- Зарегистрирован: 26 июл 2012, 00:10
- Репутация: 4703
- Настоящее имя: Михаил Львович
- Откуда: Новоуральск
- Контактная информация:
Re: Mach3 и поворотная ось
А поворотная ось тут, в общем-то, ни при чем.Gaspar писал(а):Но нашёл причину дёрганья осей, оказывается если в ручную выставлять подачу больше 100% оси начинают дергаться, а если выставить подачу в УП то проблем особых нет.
Причина в том, что планировщик рассчитывает траекторию с такими скруглениями углов, чтобы двигаться с требуемой скоростью подачи. Т.е. на первом плане скорость движения, а на втором - минимизация скруглений.
Т.к. при увеличении подачи регулятором FRO выше 100% Mach3 уже не укладывается в рамки ускорения при движения по сглаженным углам траектории, а превысить ускорения не может - он вынужден сбрасывать скорость движения до 100% перед вхождением в каждый излом траектории.
PLCM тут не при чем - ему что дали, он то и выполняет.
А вот при снижении скорости подачи регулятором FRO происходит обратная проблема - можно было бы меньше срезать углы при меньшей скорости подачи, т.к. ускорения пропорционально снизились, но Mach3 не производит перерасчет траектории.
В общем то на мой взгляд это недостаток в логике работы программы, вытекающий из логики работы планировщика при настройках по умолчанию, но если кратко -
1. Не стоит значительно отходить от 100% FRO, особенно в бОльшую сторону.
2. Стоит корректно настроить режим CV планировщика движения, а не пытаться уменьшать скругления, увеличивая ускорения станка.
-
Gaspar
- Кандидат
- Сообщения: 91
- Зарегистрирован: 06 апр 2013, 10:37
- Репутация: 2
- Откуда: Украина, Киев
- Контактная информация:
Re: Mach3 и поворотная ось
Надеюсь в Mach4 планировщик поправят.michael-yurov писал(а):2. Стоит корректно настроить режим CV планировщика движения, а не пытаться уменьшать скругления, увеличивая ускорения станка.
Скажите Михаил, за что отвечают вот эти настройки СV?
- michael-yurov
- Почётный участник

- Сообщения: 11731
- Зарегистрирован: 26 июл 2012, 00:10
- Репутация: 4703
- Настоящее имя: Михаил Львович
- Откуда: Новоуральск
- Контактная информация:
Re: Mach3 и поворотная ось
И я очень надеюсь. В текущем есть явная ошибка на порядок (в 10 раз) при расчете стыков с дуговыми сегментами.Gaspar писал(а):Надеюсь в Mach4 планировщик поправят.
Что за настройки в стандартном скринсете - я не разбирался.
CV Distance - скорее всего то же самое, что и в основном окне настроек.
Подробнее вот здесь: http://www.machsupport.com/wp-content/u ... ngs_v2.pdf
-
Gaspar
- Кандидат
- Сообщения: 91
- Зарегистрирован: 06 апр 2013, 10:37
- Репутация: 2
- Откуда: Украина, Киев
- Контактная информация:
Re: Mach3 и поворотная ось
Проверил на демоверсии, никаких изменений, ось А слегка подёргивается.Baha писал(а):На демоверсий проверял?
Михаил прав
michael-yurov писал(а):В общем то на мой взгляд это недостаток в логике работы программы
Сейчас максимум 85 кГц.michael-yurov писал(а):100 кГц,но старые прошивки работали до 80 кГц, а как сейчас - не знаю.
Re: Mach3 и поворотная ось
было еще вот такое решение,Gaspar писал(а):Проверил на демоверсии, никаких изменений, ось А слегка подёргивается.
"Путём проб выяснил, что "постоянная скорость" включается, если выключены все галки относящиеся к CV, кроме stop CV on angles.
Если они включены, то без разницы в каком режиме работает MACH- ConstantVelocity или ExactStop- всё равно станок ведёт себя как в режиме ExactStop, т.е. движется тычками."
Сферический ватник в вакууме.
- michael-yurov
- Почётный участник

- Сообщения: 11731
- Зарегистрирован: 26 июл 2012, 00:10
- Репутация: 4703
- Настоящее имя: Михаил Львович
- Откуда: Новоуральск
- Контактная информация:
Re: Mach3 и поворотная ось
Это как раз и происходит из за ошибки планировщика.
Что-то там не то в расчетах, связанных с дугами и поворотной осью.
Почему-то величина сглаживания траектории примерно в 10 (в случае дугами) и примерно в 100 раз (в случае с поворотной осью) меньше, чем задано в настройках.
Но если в настройках задать бОльшее значение, тогда Mach3 слишком сильно сглаживает между прямолинейными сегментами.
И еще у него проблемы с вычислением угла между сегментами, если в игру вступает поворотная ось или в траектории есть дуги.
Я спрашивал у людей, которые работают в радианах - говорят, что и у них такая же фигня происходит.
Что-то там не то в расчетах, связанных с дугами и поворотной осью.
Почему-то величина сглаживания траектории примерно в 10 (в случае дугами) и примерно в 100 раз (в случае с поворотной осью) меньше, чем задано в настройках.
Но если в настройках задать бОльшее значение, тогда Mach3 слишком сильно сглаживает между прямолинейными сегментами.
И еще у него проблемы с вычислением угла между сегментами, если в игру вступает поворотная ось или в траектории есть дуги.
Я спрашивал у людей, которые работают в радианах - говорят, что и у них такая же фигня происходит.
-
Gaspar
- Кандидат
- Сообщения: 91
- Зарегистрирован: 06 апр 2013, 10:37
- Репутация: 2
- Откуда: Украина, Киев
- Контактная информация:
Re: Mach3 и поворотная ось
michael-yurov писал(а):100 кГц,но старые прошивки работали до 80 кГц, а как сейчас - не знаю.
Оказалось с частотой ошибочка вышла.Gaspar писал(а):Сейчас максимум 85 кГц.
Написал я на суппорт PL про частоту, почему 85 кГц а не 100 кГц, ответили, что должно быть 95 кГц, но у меня ни как не подымается выше 85 кГц. (800*6375)/60=85000 Гц
Спросили какую версию мача использую, написал R3.043.066, позже ответили
"Добрый день!
В последних версиях mach предусмотрена защита от срыва генерации (mach
не знает, что частоту генерирует PLCM и потому считает, что 100кГц это
частота импульсов, генерируемых по LPT) с целью "подстраховки" в окне
motor tuning не выставляется максимальное значение скорости (хотя по оси
ординат пишется максимальное значение скорости 7500). Фактически,
максимальное значение скорости, которое удается вытавить, это 7128. При
попытке вбить показания в окно вручную, значение сбрасывается на 6375.
Переместите ползунок по сои ординат мышью максимально вверх, что будет
соответствовать значению 7128.
В следующей ревизии прошивки для PLCM решим эту проблему на программном
уровне. По срокам реализации сложно сказать, однозначно не в ближайшее
время."
И да действительно (800*7125)/60=95000 Гц
- michael-yurov
- Почётный участник

- Сообщения: 11731
- Зарегистрирован: 26 июл 2012, 00:10
- Репутация: 4703
- Настоящее имя: Михаил Львович
- Откуда: Новоуральск
- Контактная информация:
Re: Mach3 и поворотная ось
Gaspar писал(а):(800*7125)/60=95000 Гц
-
Gaspar
- Кандидат
- Сообщения: 91
- Зарегистрирован: 06 апр 2013, 10:37
- Репутация: 2
- Откуда: Украина, Киев
- Контактная информация:
Re: Mach3 и поворотная ось
Sergey Litvinov <slitvinov@purelogic.ru> 24 декабря 2013 г. 7:28:17michael-yurov писал(а):Gaspar писал(а):(800*7125)/60=95000 Гц
> написал:
>> Добрый день!
>> Проверьте настройки. Пункт меню Config -> motor tuning
>> в окне steps per значение 800, согласно расчету F= (steps_per x
>> velosity)/60, для частоты 100кГц, при значении Steps_per = 800,
>> необходимо выставить значение сорости перемещения, равное 7500, mach3
>> позволит выставить только 7128 для данного значения steps per,
>> выходная частота при значении velosity = 7128 - 95кГц.
-
RomanBadNews
- Новичок
- Сообщения: 2
- Зарегистрирован: 25 дек 2015, 15:34
- Репутация: 0
- Настоящее имя: Roman
- Контактная информация:
Re: Mach3 и поворотная ось
Здравствуйте. У меня такая же проблема. Решения пока не нашел, но хочу поделится своими опытами.
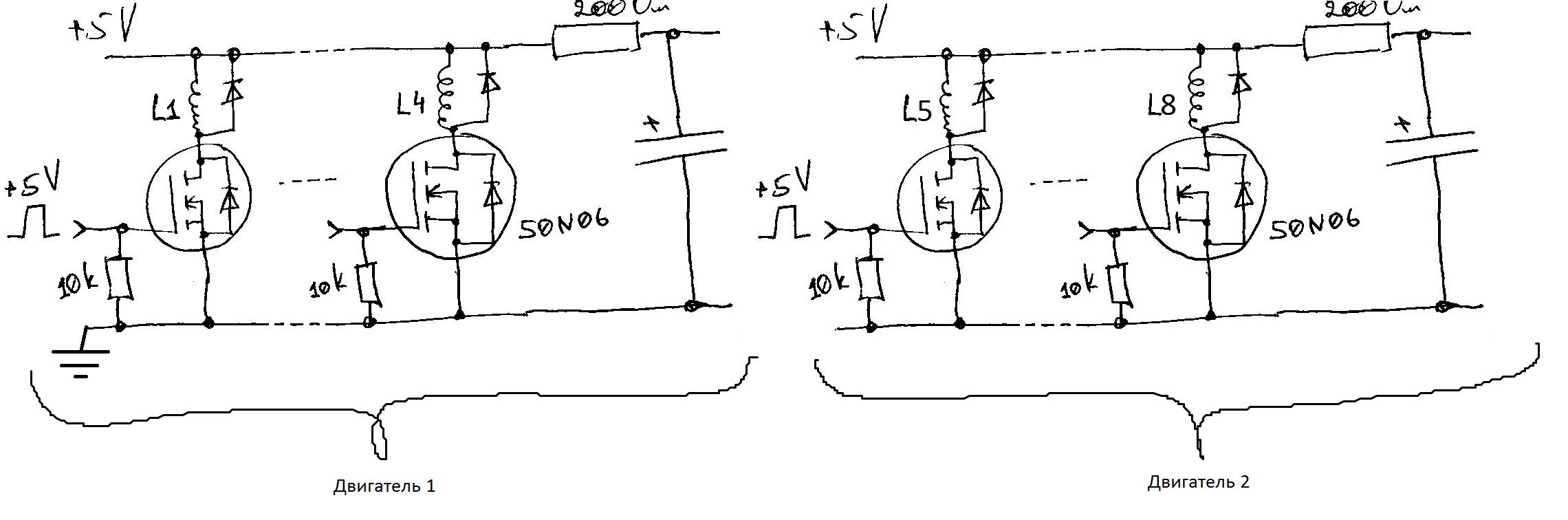
Собрал контроллер 3-х осей на основе двух ардуино UNO. Первая ардуинка принимает G-код из USB порта компьютера и посылает на вторую ардуинку Step/Dir сигналы для 3-х осей. По сути вторая ардуинка выполняет роль трех драйверов по одному на каждый униполярный двигатель. У каждого двигателя 6 выводов (две обмотки с еще одним выводом по середине на каждой), т.е. 4 обмотки если средние провода заземлить и на остальные 4 вывода подавать напряжение или наоборот. В моем варианте я соединил 6 общих проводов (по два с каждого двигателя) и подал на них напряжение, а 12-ю полевиками N-типа замыкал каждую обмотку на землю. Полевиками управлял со второй ардуинки.
Каждый двигатель по отдельности работает как часы (в собранной полностью цепи). Но когда нужно одновременно покрутить двумя или более двигателями то начинается "холевар" Вроде и пытается всеми покрутить, но толком ни один не вращается. Подергивания. Иногда есть слабое вращение одного из двигателей, а второй просто гудит или дергается. Решил посмотреть какой сигнал выходит из второй ардуинки. Она должна преобразовывать Step/Dir сигналы от первой ардуинки в управляющий сигнал для ключа каждой обмотки двигателя. Собрал линейку из восьми светодиодов – иммитация двух двигателей. Подключил каждый светодиод к пину контроллера, снизил в программе скорость вращения и начал тестить. Сбоев не было. Светодиоды зажигались в правильных последовательностях, при выдаче сигналов для двух двигателей сбоев не было. Из этого опыта я сделал вывод, что если в собранной цепи каждый двигатель по одиночке работает исправно, а сигнал с контроллера выходит правильный, то сбой происходит когда срабатывают сразу два или несколько ключей. Полу шаги и запитывание несколько обмоток на каждом двигателе не применяю.
Для ознакомления прикрепляю три картинки: на первой ардуинка подключаемая к USB; на второй схема контроллера взятая из интернета, которую я заменил второй ардуинкой; на третьей схема подключения ключей.
Первоначально было использовано для включения обмоток только полевики с резистором к земле. Всего их 12 штук. Все общие провода от двигателей соединены на плюс отдельного питания 5v.
Разделил 12 полевиков на 3 связки по 4 полевика и между связками поставил резистор и параллельно питанию кандер. В каждой связке в один момент времени может работать только 1 ключ. Одна связка - один двигатель.
Пробовал повышать напряжение на стоке до 8V, а на затворе спускать до 3V.
Пробовал использовать питание от лабораторного блока питания (грешил на импульсный источник тока).
Ошибку в схеме не вижу. Ну чувствую, что она как тот ежик.
Если для кого она очевидна, прошу подсказать.
На крайний случай придется для каждого двигателя использовать отдельное питание. Поставлю три зарядки на 5V 2A.
Собрал контроллер 3-х осей на основе двух ардуино UNO. Первая ардуинка принимает G-код из USB порта компьютера и посылает на вторую ардуинку Step/Dir сигналы для 3-х осей. По сути вторая ардуинка выполняет роль трех драйверов по одному на каждый униполярный двигатель. У каждого двигателя 6 выводов (две обмотки с еще одним выводом по середине на каждой), т.е. 4 обмотки если средние провода заземлить и на остальные 4 вывода подавать напряжение или наоборот. В моем варианте я соединил 6 общих проводов (по два с каждого двигателя) и подал на них напряжение, а 12-ю полевиками N-типа замыкал каждую обмотку на землю. Полевиками управлял со второй ардуинки.
Каждый двигатель по отдельности работает как часы (в собранной полностью цепи). Но когда нужно одновременно покрутить двумя или более двигателями то начинается "холевар" Вроде и пытается всеми покрутить, но толком ни один не вращается. Подергивания. Иногда есть слабое вращение одного из двигателей, а второй просто гудит или дергается. Решил посмотреть какой сигнал выходит из второй ардуинки. Она должна преобразовывать Step/Dir сигналы от первой ардуинки в управляющий сигнал для ключа каждой обмотки двигателя. Собрал линейку из восьми светодиодов – иммитация двух двигателей. Подключил каждый светодиод к пину контроллера, снизил в программе скорость вращения и начал тестить. Сбоев не было. Светодиоды зажигались в правильных последовательностях, при выдаче сигналов для двух двигателей сбоев не было. Из этого опыта я сделал вывод, что если в собранной цепи каждый двигатель по одиночке работает исправно, а сигнал с контроллера выходит правильный, то сбой происходит когда срабатывают сразу два или несколько ключей. Полу шаги и запитывание несколько обмоток на каждом двигателе не применяю.
Для ознакомления прикрепляю три картинки: на первой ардуинка подключаемая к USB; на второй схема контроллера взятая из интернета, которую я заменил второй ардуинкой; на третьей схема подключения ключей.
Первоначально было использовано для включения обмоток только полевики с резистором к земле. Всего их 12 штук. Все общие провода от двигателей соединены на плюс отдельного питания 5v.
Разделил 12 полевиков на 3 связки по 4 полевика и между связками поставил резистор и параллельно питанию кандер. В каждой связке в один момент времени может работать только 1 ключ. Одна связка - один двигатель.
Пробовал повышать напряжение на стоке до 8V, а на затворе спускать до 3V.
Пробовал использовать питание от лабораторного блока питания (грешил на импульсный источник тока).
Ошибку в схеме не вижу. Ну чувствую, что она как тот ежик.
Если для кого она очевидна, прошу подсказать.
На крайний случай придется для каждого двигателя использовать отдельное питание. Поставлю три зарядки на 5V 2A.
Последний раз редактировалось RomanBadNews 25 дек 2015, 18:05, всего редактировалось 1 раз.