3D сканер Штрих-2 и датчики Рифтэк
- Betta2
- Новичок
- Сообщения: 17
- Зарегистрирован: 01 июл 2016, 20:00
- Репутация: 0
- Настоящее имя: Юра
- Контактная информация:
Re: 3D сканер Штрих-2 и датчики Рифтэк
Кто-нибудь использует уже этот сканер? Есть ли аналоги на рынке с сопоставимым качеством?
-
arkhnchul
- Мастер
- Сообщения: 1773
- Зарегистрирован: 01 фев 2016, 13:56
- Репутация: 339
- Откуда: москва
- Контактная информация:
Re: 3D сканер Штрих-2 и датчики Рифтэк
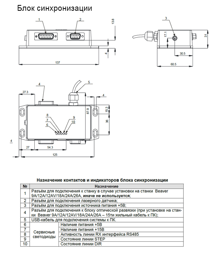
странная схема. Из нее "блок оптической развязки" - имхо просто развязывает гальванически сигналы, что довольно элементарно. А "блок синхронизации" - чего с чем и что конкретно синхронизирует? И что приходит с датчика и в какой форме?
- Betta2
- Новичок
- Сообщения: 17
- Зарегистрирован: 01 июл 2016, 20:00
- Репутация: 0
- Настоящее имя: Юра
- Контактная информация:
Re: 3D сканер Штрих-2 и датчики Рифтэк
С датчика приходит массив координат XYZ поверхности, т.е. оцифрованная модель прототипа, которая сохраняется в виде файла облака точек, а также в общепринятом формате STL, пригодном для дальнейшего использования в ЧПУ.arkhnchul писал(а):И что приходит с датчика и в какой форме?
Вот так выглядит комплект:



- Betta2
- Новичок
- Сообщения: 17
- Зарегистрирован: 01 июл 2016, 20:00
- Репутация: 0
- Настоящее имя: Юра
- Контактная информация:
Re: 3D сканер Штрих-2 и датчики Рифтэк
Т.е. датчик можно купить. Вопрос на сколько сложно сделать такой блок синхронизации и блок оптической развязки?
И ну конечно с комплектом идет небольшая програмка управления буквально на 4 Мб веса, которая тоже отдельно не продается...
Могу скинуть в личку полное описание. Буду благодарен за любую помощь.
И ну конечно с комплектом идет небольшая програмка управления буквально на 4 Мб веса, которая тоже отдельно не продается...
Могу скинуть в личку полное описание. Буду благодарен за любую помощь.
-
aftaev
- Зачётный участник

- Сообщения: 34042
- Зарегистрирован: 04 апр 2010, 19:22
- Репутация: 6194
- Откуда: Казахстан.
- Контактная информация:
Re: 3D сканер Штрих-2 и датчики Рифтэк
Есть в Mach3 и Lcnc примочки для сканирования щупом. Малость переделать, чтобы вместо сканирования щупа (G31) получал координаты по Z с Рифтека и писал все координаты в файл. Тогда не нужно будет всякие платы синхронизации 
Дилетанту сложные вещи кажутся очень простыми, и только профессионал понимает насколько сложна самая простая вещь
Кто хочет - ищет возможности, кто не хочет - ищет оправдание.
Найди работу по душе и тебе не придется работать.
Кто хочет - ищет возможности, кто не хочет - ищет оправдание.
Найди работу по душе и тебе не придется работать.
- Betta2
- Новичок
- Сообщения: 17
- Зарегистрирован: 01 июл 2016, 20:00
- Репутация: 0
- Настоящее имя: Юра
- Контактная информация:
Re: 3D сканер Штрих-2 и датчики Рифтэк
Ок, спасибо, буду дальше капать.
-
arkhnchul
- Мастер
- Сообщения: 1773
- Зарегистрирован: 01 фев 2016, 13:56
- Репутация: 339
- Откуда: москва
- Контактная информация:
Re: 3D сканер Штрих-2 и датчики Рифтэк
это вроде как то, что в программе в конце концов получается. С голого датчика что можно получить?Betta2 писал(а):С датчика приходит массив координат XYZ поверхности, т.е. оцифрованная модель прототипа, которая сохраняется в виде файла облака точек
ЗЫ нашел описание протокола. Раскуриваю.
-
aftaev
- Зачётный участник

- Сообщения: 34042
- Зарегистрирован: 04 апр 2010, 19:22
- Репутация: 6194
- Откуда: Казахстан.
- Контактная информация:
Re: 3D сканер Штрих-2 и датчики Рифтэк
по RS232 скидывает цифровые данные расстояния от датчика - до поверхности. Если Рифтек стоит на оси Z - то передает расстояние оси Z.arkhnchul писал(а): С голого датчика что можно получить?
Портал двигает ЧПУ (Mach3, Lcnc ...) и ЧПУ знает текущие координаты ХУ. А координата Z берется из Рифтека по RS232 и все эти координаты записываются в обычный текстовый файл. А потом при помощи спец. программ - переводится облако точек в STL.
Дилетанту сложные вещи кажутся очень простыми, и только профессионал понимает насколько сложна самая простая вещь
Кто хочет - ищет возможности, кто не хочет - ищет оправдание.
Найди работу по душе и тебе не придется работать.
Кто хочет - ищет возможности, кто не хочет - ищет оправдание.
Найди работу по душе и тебе не придется работать.
-
arkhnchul
- Мастер
- Сообщения: 1773
- Зарегистрирован: 01 фев 2016, 13:56
- Репутация: 339
- Откуда: москва
- Контактная информация:
Re: 3D сканер Штрих-2 и датчики Рифтэк
да, это нашел уже.
вот что за бред с ценой по запросу) Betta2, хотя бы порядок стоимости датчика известен?
вот что за бред с ценой по запросу) Betta2, хотя бы порядок стоимости датчика известен?
-
aftaev
- Зачётный участник

- Сообщения: 34042
- Зарегистрирован: 04 апр 2010, 19:22
- Репутация: 6194
- Откуда: Казахстан.
- Контактная информация:
Re: 3D сканер Штрих-2 и датчики Рифтэк
около 600 баксов.arkhnchul писал(а):хотя бы порядок стоимости датчика известен?
Дилетанту сложные вещи кажутся очень простыми, и только профессионал понимает насколько сложна самая простая вещь
Кто хочет - ищет возможности, кто не хочет - ищет оправдание.
Найди работу по душе и тебе не придется работать.
Кто хочет - ищет возможности, кто не хочет - ищет оправдание.
Найди работу по душе и тебе не придется работать.
- Betta2
- Новичок
- Сообщения: 17
- Зарегистрирован: 01 июл 2016, 20:00
- Репутация: 0
- Настоящее имя: Юра
- Контактная информация:
Re: 3D сканер Штрих-2 и датчики Рифтэк
Да, датчик тоже не кисло стоит.
Есть еще интересный вариант, называется DAVID.
https://www.grubster.de/3d-scanner/?p=1
Там проектор + камера + софт. Вариант замены камеры на вебкамеру говорят не дает мелкую текстуру.
А вот с полноценной камерой типа:
https://www.grubster.de/3d-scanner/zube ... anner?c=19
Результаты хорошие. Вот например текстура кожи:
http://forum.david-3d.com/viewtopic.php?p=33271
Есть еще интересный вариант, называется DAVID.
https://www.grubster.de/3d-scanner/?p=1
Там проектор + камера + софт. Вариант замены камеры на вебкамеру говорят не дает мелкую текстуру.
А вот с полноценной камерой типа:
https://www.grubster.de/3d-scanner/zube ... anner?c=19
Результаты хорошие. Вот например текстура кожи:
http://forum.david-3d.com/viewtopic.php?p=33271
