Фрезерный по металлу ~10х20 дюймов

Тяжелые фрезерные станки по металлу.
tsipa740
Опытный
Сообщения: 168
Зарегистрирован: 16 июн 2020, 00:09
Репутация: 15
Настоящее имя: Sergei
Контактная информация:

Re: Фрезерный по металлу ~10х20 дюймов

Сообщение tsipa740 »

Maxekb77 писал(а): 30 апр 2021, 14:49 А чем pm25mv не устраивает ?
Я смотрел изначально на более маленькие, но меня смутило то что я туда едва делительную голову воткнуть смогу - 13 дюймов клиренса против 20, ну и вообще он подозрительно лёгкий - 300 фунтов против 1300 у pm940. Вообще я читал на форумах хорошие отзывы - и про то как на pm25mv по ~5x10мм за раз стали снимают - там у людей чуть не хромые встали и пошли купив этот станок.

Я на самом деле хз нужен ли мне такой здоровый станок или pm25mv хватит а потом если что поменяю. Если более опытные товарищи скажут мне что не стоит такой большой покупать аргументированно то я прислушаюсь конечно. Никаких конкретных работ который требуют именно такой здоровой рабочей области у меня не предвидится, разве только делительную голову и столик хотелось бы иметь в перспективе, но 13 дюймов не так чтобы прям совсем мало - что-то туда да влезет.


BF30 уже купили сегодня утром, пока я работу работал, даже посмотреть не успел.
Аватара пользователя
Maxekb77
Мастер
Сообщения: 1658
Зарегистрирован: 05 окт 2013, 00:04
Репутация: 285
Настоящее имя: Максим
Откуда: Екатеринбург
Контактная информация:

Re: Фрезерный по металлу ~10х20 дюймов

Сообщение Maxekb77 »

tsipa740 писал(а): Я смотрел изначально на более маленькие
У меня аналог Pm25mv за pm940 тоже несколько раз удавалось поработать, честно говоря особо разницы кроме размера не заметил.
В пользу 25 то что там стоит bldc мотор на ремешке, его не слышно практически и хорошо тянет на низах. у 940 помоему AC - из за этого им пришлось туда редуктор ставить. И то мне показалось что на низах мощности не хватает.

В приниципе это все равно не настоящие станки, и выгрызать 100кг стружки из заготовки чугуна они не предназначены, на своем обрабатываю в общем то все что попадается.
На youtube есть канал metalmusling посмотрите, может на какие мысли еще наведет. лучше конечно их в живую оба потрогать.
tsipa740
Опытный
Сообщения: 168
Зарегистрирован: 16 июн 2020, 00:09
Репутация: 15
Настоящее имя: Sergei
Контактная информация:

Re: Фрезерный по металлу ~10х20 дюймов

Сообщение tsipa740 »

Это достаточно ценный опыт, спасибо. Мне друг давал попоробовать central machinery 44991 - он аж прыгает если чуть посильнее ручку покрутить, собственно это были такие слёзы что я решил даже не смотреть на маленькие станки. Понятное дело это 1/3 от PM-25, я присмотрюсь к нему пристальнее.

По мотору:
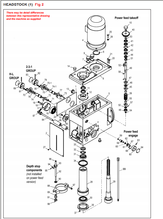
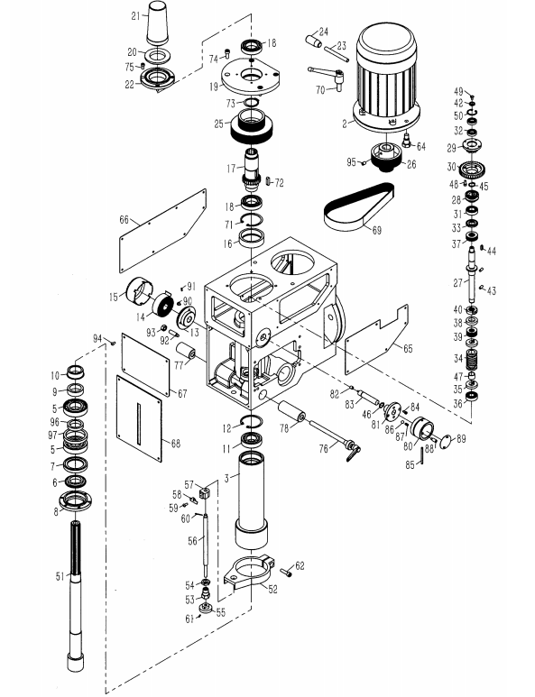
У PM-940 есть модификация V https://www.precisionmatthews.com/shop/ ... g-machine/, там тоже ремень и частотник, я не смог найти что там за мотор даже по ихней "parts drawing" https://www.precisionmatthews.com/wp-co ... 2021-2.pdf но наличие частотника косвенно говорит что там тоже трёхфазный мотор.

Кроме того 25mv работает от 110v, а этот от 220. Я не уверен можно ли на PM25 переключить провода - на многих станках можно подключить моторы чтобы они от 220 работали, но если нельзя то от 110 это скорее всего 3/4 от номинальной мощности мотора.

А мощность мотора действительно бывает слабым местом на такого рода станках? Я чот думал что там раньше фреза или голова начнёт отклонятся и портить всё до того как мощности мотора начнёт не хватать.

UPD:
А насколько реальны истории про выборку глубиной ~5мм фрезой диаметром ~10мм за проход из мягкой стали на PM-25?
Последний раз редактировалось tsipa740 01 май 2021, 00:45, всего редактировалось 3 раза.
Аватара пользователя
Maxekb77
Мастер
Сообщения: 1658
Зарегистрирован: 05 окт 2013, 00:04
Репутация: 285
Настоящее имя: Максим
Откуда: Екатеринбург
Контактная информация:

Re: Фрезерный по металлу ~10х20 дюймов

Сообщение Maxekb77 »

давно был аналог 44991 - это очень большая разница.
tsipa740 писал(а): Кроме того 25mv работает от 110v, а этот от 220. Я не уверен можно ли на PM25 переключить провода - на многих станках можно подключить моторы чтобы они от 220 работали, но если нельзя то от 110 это скорее всего 3/4 от номинальной мощности мотора.
Да на 940 Main Motor Horsepower: 2 H.P. (Motor runs on a VFD for the variable speed) – Current VFD Model used is a Delta VFD, Model # VFD015E21A
это обычный AC motor.

У 25mv bldc это мотор постоянного тока DC - там уже ничего не переключитю.
tsipa740 писал(а): А мощность мотора действительно бывает слабым местом на такого рода станках? Я чот думал что там раньше фреза или голова начнёт отклонятся и портить всё до того как мощности мотора начнёт не хватать.
Она и начнет отклонятся из за того что резать не может :) вообще не знаю у меня свой какой то стиль работы - сейчас вот обрабатываю чугун и алюминий инструмент в основном 10мм (сверла фреза), метчики м5. все это достаточно комфортно работает на 150-300 и достаточно быстро. метчики тоже пока все целые. вообще больше 700-800 оборотов не помню что бы ему давал за его жизнь.
Аватара пользователя
Maxekb77
Мастер
Сообщения: 1658
Зарегистрирован: 05 окт 2013, 00:04
Репутация: 285
Настоящее имя: Максим
Откуда: Екатеринбург
Контактная информация:

Re: Фрезерный по металлу ~10х20 дюймов

Сообщение Maxekb77 »

tsipa740 писал(а): А насколько реальны истории про выборке ~5мм фрезой ~10мм за проход из мягкой стали на PM-25?
Ничего не обычного в этом не вижу., во втором случае мне кажется колонну усиляли.
https://www.youtube.com/watch?v=8ZHQvEP ... nel=zliner
https://www.youtube.com/watch?v=Criy420 ... nel=Franco
tsipa740
Опытный
Сообщения: 168
Зарегистрирован: 16 июн 2020, 00:09
Репутация: 15
Настоящее имя: Sergei
Контактная информация:

Re: Фрезерный по металлу ~10х20 дюймов

Сообщение tsipa740 »

Maxekb77 писал(а): У 25mv bldc это мотор постоянного тока DC - там уже ничего не переключитю.
А, ну да, ну тогда это наверное и номинальная мощность. Я чот не могу найти графика bldc vs 3ph ac по оборотам, там такая существенная разница на низких?

Вообще если так посмотреть PM-25 выглядит привлекательно, на 3000$ дешевле выходит чем PM-940. Хз как жесткость оценить. Один тяжелый но здоровый, другой лёгкий и маленький - как с раками которые большие но по 5. Потрогать руками ни один ни другой у меня возможности нет.
tsipa740
Опытный
Сообщения: 168
Зарегистрирован: 16 июн 2020, 00:09
Репутация: 15
Настоящее имя: Sergei
Контактная информация:

Re: Фрезерный по металлу ~10х20 дюймов

Сообщение tsipa740 »

Maxekb77 писал(а): из за этого им пришлось туда редуктор ставить
А можете тыкнуть про какой именно редуктор вы говорите? Вы про пониженную на -M модицикации? С редуктором и ремешком половина смысла ремешка как-то теряется - он же всёравно громкий будет.
Вложения
red_m.png (2893 просмотра) <a class='original' href='./download/file.php?id=195163&sid=98909a52536350af24e56b537d97b2bd&mode=view' target=_blank>Загрузить оригинал (116.32 КБ)</a>
red.png (2893 просмотра) <a class='original' href='./download/file.php?id=195164&sid=98909a52536350af24e56b537d97b2bd&mode=view' target=_blank>Загрузить оригинал (130.39 КБ)</a>
Rionet
Мастер
Сообщения: 422
Зарегистрирован: 26 янв 2016, 22:01
Репутация: 83
Настоящее имя: Глазунов Роман
Откуда: Волгоград
Контактная информация:

Re: Фрезерный по металлу ~10х20 дюймов

Сообщение Rionet »

По стали в таком размере настольные больше игрушки все-таки.
Подумайте насколько ваше хобби вас увлечет, и возможно пересмотрите планы размещения оборудования в вашем уголке )
Аппетит приходит во время еды.
Зачастую проще один раз решить транспортный вопрос чем потом каждый раз получать негативные эмоции от работы (занятий хобби) на игрушечном оборудовании.
Вес имеет значение, в таком размере тонна и выше ваш выбор.
Аватара пользователя
Maxekb77
Мастер
Сообщения: 1658
Зарегистрирован: 05 окт 2013, 00:04
Репутация: 285
Настоящее имя: Максим
Откуда: Екатеринбург
Контактная информация:

Re: Фрезерный по металлу ~10х20 дюймов

Сообщение Maxekb77 »

tsipa740 писал(а): А можете тыкнуть про какой именно редуктор вы говорите?
на 25 шестеренчатого редуктора нет, там сразу ремешком на шпиндель.
tsipa740 писал(а): А, ну да, ну тогда это наверное и номинальная мощность. Я чот не могу найти графика bldc vs 3ph ac по оборотам, там такая существенная разница на низких?
bldc более мощные моторы, скорость bldc сильно завязана на контроллере - вроде бы видел даже апгрейды в продаже до 6000об\м только заменой контроллера.
а по крутящему моменту они сильно выигрвают у AC моторов.
tsipa740 писал(а): Вообще если так посмотреть PM-25 выглядит привлекательно, на 3000$ дешевле выходит чем PM-940. Хз как жесткость оценить. Один тяжелый но здоровый, другой лёгкий и маленький - как с раками которые большие но по 5. Потрогать руками ни один ни другой у меня возможности нет.
Не забывайте про оснастку она легко может вылится в пару станков по стоимости, дро надо поставить - без него грустно, за автоподачи я бы не стал заморачиватся если уж так охота можно шаговики прилепить будующий шаг к чпу сразу - по деньгам выйдет сильно дешевле. индикаторы стойки, поворотка, фрезы, цанги, расточная, тисик.....

Да не здоровый он - это все станки для легких работ, ни тот не другой не будут сталюку со всей дури 75-100 фрезой грызть, это проще на нормальных станках делать.
а пару пазов, лишнее где то по убирать, дырок насверлить - тут же в них резьбу нарезать - честно я не знаю в чем тут выигрыш у 940.
tsipa740
Опытный
Сообщения: 168
Зарегистрирован: 16 июн 2020, 00:09
Репутация: 15
Настоящее имя: Sergei
Контактная информация:

Re: Фрезерный по металлу ~10х20 дюймов

Сообщение tsipa740 »

Rionet писал(а): 01 май 2021, 04:31 По стали в таком размере настольные больше игрушки все-таки.
Ну я какбы и не особенно против посмотреть в другом размере, я не хочу сходу покупать knee-type. Но там в другом размере и вес уменьшается соответственно -
PM-25 это
330lb веса на 27.5x7.5x13 столика при 19x7 перемещения
pm-940 это
1350lb веса на 40x9.5x20 столика при 26x12 перемещения
Если у вас есть аргументированное мнение что один, теоретически, должен быть жёсче второго - я буду признателен если вы им поделитесь.

Кроме того купить здоровый я всегда успею - если я куплю "настольный" я в любой помент его продам на местном авито, их с руками забирают, а если я куплю здоровый knee-type то продать его будет сильно сложнее и потеряю я на этом больше.
Maxekb77 писал(а): на 25 шестеренчатого редуктора нет, там сразу ремешком на шпиндель.
Тогда я не совсем понимаю что вы имели ввиду что им в 940М пришлось добавить редуктор. В моём понимании все станки, ну кроме какой-то совсем экзотики, которые не с ремешком обязаны иметь редуктор - как иначе скорость переключать? Даже bldc не панацея ниразу.
С ремешком, конечно, тоже никто не мешает редуктор добавить но, если я ничего не упускаю, на 940V его нет.
Maxekb77 писал(а): Не забывайте про оснастку она легко может вылится в пару станков
Ну вот это какраз аргумент в пользу того чтобы сразу большой купить - разница в цене оснастки для 940 и 25 минимальная, т.е. если опции у PM при покупке станка покупать её и нет - и дро и паверфид для них одинаково стоят в +- десятка долларов.
Maxekb77 писал(а): вроде бы видел даже апгрейды в продаже до 6000об\м только заменой контроллера.
а по крутящему моменту они сильно выигрвают у AC моторов
Я не особенно специалист, конечно, но помоему я такой апгрейд для трехфазного тоже могу организовать поменяв частотник с 500hz на 1000hz, только подшипники надо менять не забывать, ну и момент, наверное, сильно просядет.
Maxekb77 писал(а): ни тот не другой не будут сталюку со всей дури 75-100 фрезой грызть
Ну такой себе аргумент, 44991 тоже не будет, но не покупать же его. Меня в нём привлекает то что он маленький и лёгкий, а значит если что-то меня не устроит я его ещё более безпроблемно продам, ну и лишние 3000$ тоже меня привлекают, чего уж там.
Rionet
Мастер
Сообщения: 422
Зарегистрирован: 26 янв 2016, 22:01
Репутация: 83
Настоящее имя: Глазунов Роман
Откуда: Волгоград
Контактная информация:

Re: Фрезерный по металлу ~10х20 дюймов

Сообщение Rionet »

tsipa740 писал(а): Кроме того купить здоровый я всегда успею - если я куплю "настольный" я в любой помент его продам на местном авито, их с руками забирают, а если я куплю здоровый knee-type то продать его будет сильно сложнее и потеряю я на этом больше.
Ну тогда вы сами ответили на свой вопрос, берите самый крупный из того что выбрали.
Ходов много не бывает. Веса тоже. 330 lb это просто смешно, это игрушка. 1300 это уже что-то. 26х12 хороший вариант для старта, уже не только блох ковырять.
Если вы из современного поколения и любите рисовать на ПК то стоит смотреть на CNC - это дает реально больше возможностей в обработке и получаемом результате в том числе за большее время даже на дохлых станках (включил и делаешь другие дела, оно грызет там что-то еле-еле).
Если вы с компьютерами на Вы, то лучше рукопашный с DRO и наверное таки большой и тяжелый, потому как руками очень уныло по чуть-чуть грызть, хочется сразу. В US насколько я знаю популярны универсальные Bridgeport, там все крутится во все стороны - можно чертика выпилить, и оно при этом не игрушечное совсем, но и ценники вроде повыше вашей оценки.
Аватара пользователя
Maxekb77
Мастер
Сообщения: 1658
Зарегистрирован: 05 окт 2013, 00:04
Репутация: 285
Настоящее имя: Максим
Откуда: Екатеринбург
Контактная информация:

Re: Фрезерный по металлу ~10х20 дюймов

Сообщение Maxekb77 »

tsipa740 писал(а): PM-25 это
330lb веса на 27.5x7.5x13 столика при 19x7 перемещения
pm-940 это
1350lb веса на 40x9.5x20 столика при 26x12 перемещения
Если у вас есть аргументированное мнение что один, теоретически, должен быть жёсче второго - я буду признателен если вы им поделитесь.
Поработав и на том и на том я не увидел никакой разницы.
Что вы так зациклились на этой жесткости, до нормальных станков этим двоим ой как далеко. но это уже не балалайки 44991.
940 может выиграть из за массы, меньше вибрации будет. но если говорить о тех\же сверлах фрезах 10мм - 12мм разницы не будет.
на 20-25мм фрезе наверно разницу почувствуете.
если говорит о максимальных диаметрах инструмента 940 вроде 35 сверло должен брать (если память не изменяет), но я често говоря не понимаю как его туда пихать и тем более чего им делать вообще :)
Боитесь прогадать берите 940, по крайней мере ошибок в работе он наверно побольше простит., потом поменяете на то что вам больше подходит.
tsipa740 писал(а): Я не особенно специалист, конечно, но помоему я такой апгрейд для трехфазного тоже могу организовать поменяв частотник с 500hz на 1000hz, только подшипники надо менять не забывать, ну и момент, наверное, сильно просядет.
дымок он пустит, лучше теорию почитайте чем AC от BLDC отличается
tsipa740
Опытный
Сообщения: 168
Зарегистрирован: 16 июн 2020, 00:09
Репутация: 15
Настоящее имя: Sergei
Контактная информация:

Re: Фрезерный по металлу ~10х20 дюймов

Сообщение tsipa740 »

Rionet писал(а): Веса тоже. 330 lb это просто смешно, это игрушка. 1300 это уже что-то
Я не совсем понимаю как вы оценили. У одного 19x7x13(=1729in^3) у другого 26*12*20(=6,240in^3). Там если посчитать то на in^3 примерно то на то и выходит, у большего 0.21 фунта на in^3 у меньшего 0.19. Кроме того там же не линейная зависимость, чтобы удлинить рычаг в 2 раза его толщину нужно увеличить в >2 раз чтобы оставить жесткость неизменной.

UPD: а, нуда, ладно, туплю, при прочих равных - при работе в на том же удалении от центра более толстый станок должен быть жесче.
Maxekb77 писал(а): чего им делать вообще
Ну это валидный вопрос в целом по станку. Надо брать минимально достаточное, я 25й не рассматривал т.к. думал что это он вообще непригоден ни для чего по аналогии с 44991.
Rionet
Мастер
Сообщения: 422
Зарегистрирован: 26 янв 2016, 22:01
Репутация: 83
Настоящее имя: Глазунов Роман
Откуда: Волгоград
Контактная информация:

Re: Фрезерный по металлу ~10х20 дюймов

Сообщение Rionet »

tsipa740 писал(а): UPD: а, нуда, ладно, туплю, при прочих равных - при работе в на том же удалении от центра более толстый станок должен быть жесче.
Это не совсем так работает масса узлов распределена по станку и сопротивляется ударной силе смещения от инструмента, при должной массе жесткой связи может и не быть (примерно как перфоратор SDS max долбит куда быстрее чем мелкий, хотя связан с опрой только тощими человеческими ручками). Станок это динамическая система и там еще ряд процессов есть, но вес это очень просто и понятно. А в статике да, при равном вылете примерно 3-я степень от размера колонны..

Вам теперь другой выбор надо сделать, CNC или DRO. Это уже именно от вас зависит и от ваших желаний и способностей .
tsipa740
Опытный
Сообщения: 168
Зарегистрирован: 16 июн 2020, 00:09
Репутация: 15
Настоящее имя: Sergei
Контактная информация:

Re: Фрезерный по металлу ~10х20 дюймов

Сообщение tsipa740 »

Rionet писал(а): 01 май 2021, 23:00
tsipa740 писал(а): UPD: а, нуда, ладно, туплю, при прочих равных - при работе в на том же удалении от центра более толстый станок должен быть жесче.
Это не совсем так работает масса узлов распределена по станку и сопротивляется ударной силе смещения от инструмента, при должной массе жесткой связи может и не быть (примерно как перфоратор SDS max долбит куда быстрее чем мелкий, хотя связан с опрой только тощими человеческими ручками). Станок это динамическая система и там еще ряд процессов есть, но вес это очень просто и понятно. А в статике да, при равном вылете примерно 3-я степень от размера колонны..

Вам теперь другой выбор надо сделать, CNC или DRO. Это уже именно от вас зависит и от ваших желаний и способностей .
Это очень понятное объяснение, спасибо.
Я уже решил что DRO - в ЧПУ успею переделать, ну и там немного деструктивно это делается, не хотелось бы начинать знакомство с техникой с того чтобы её похабить.
Rionet
Мастер
Сообщения: 422
Зарегистрирован: 26 янв 2016, 22:01
Репутация: 83
Настоящее имя: Глазунов Роман
Откуда: Волгоград
Контактная информация:

Re: Фрезерный по металлу ~10х20 дюймов

Сообщение Rionet »

tsipa740 писал(а): Я уже решил что DRO - в ЧПУ успею переделать
По сути это в выбор передачи выльется - ЧПУ на ШВП (BallScrew) делается, а рукопашка на трапецидальных винтах. Туда сюда практически не пределывается без серьезного головняка (гайки ШВП крупнее сильно).
Принципиальная разница - криволинейные детали, ну и количество ручного труда против количества программирования. Тут более важно кто вы по собственным навыкам - мастер или компьютерщик (machinist or programmer)
Рекомендую подумать более тщательно.
tsipa740
Опытный
Сообщения: 168
Зарегистрирован: 16 июн 2020, 00:09
Репутация: 15
Настоящее имя: Sergei
Контактная информация:

Re: Фрезерный по металлу ~10х20 дюймов

Сообщение tsipa740 »

Rionet писал(а): 02 май 2021, 01:07
tsipa740 писал(а): Я уже решил что DRO - в ЧПУ успею переделать
По сути это в выбор передачи выльется - ЧПУ на ШВП (BallScrew) делается, а рукопашка на трапецидальных винтах. Туда сюда практически не пределывается без серьезного головняка (гайки ШВП крупнее сильно).
Принципиальная разница - криволинейные детали, ну и количество ручного труда против количества программирования. Тут более важно кто вы по собственным навыкам - мастер или компьютерщик (machinist or programmer)
Рекомендую подумать более тщательно.
У меня уже есть чпу - я столяркой частенько развлекаюсь, т.е. я могу что-то несложное в повермиле сделать, да и 40 часов в неделю я программист.
asdasd.jpg (2697 просмотров) <a class='original' href='./download/file.php?id=195171&sid=98909a52536350af24e56b537d97b2bd&mode=view' target=_blank>Загрузить оригинал (10.09 МБ)</a>
Просто опции купить сразу с ШВП нет, ну вернее есть но это уже готовые ЧПУ и другая цена совершенно в таком размере. А раз при любом раскладе я буду покупать с ручками и их выкидывать то я лучше поиграюсь с ручками сперва и решу либо в чпу переделывать либо покупать уже всякие приблуды ручного машиниста - столик/делительную голову/экзотические тиски всякие. Базовый набор вида фрез-индикаторов-стоек-обычных тисков у меня есть уже.
Да, я переплачу за DRO, эта штука взаимоисключающая с ЧПУ - но его я продам потом уж за половину цены почти наверняка.
Rionet
Мастер
Сообщения: 422
Зарегистрирован: 26 янв 2016, 22:01
Репутация: 83
Настоящее имя: Глазунов Роман
Откуда: Волгоград
Контактная информация:

Re: Фрезерный по металлу ~10х20 дюймов

Сообщение Rionet »

tsipa740 писал(а): т.е. я могу что-то несложное в повермиле сделать, да и 40 часов в неделю я программист.
Тогда вам станок без ЧПУ не нужен, вот прям не стоит рассматривать. Ручки крутить надоест очень быстро. Ну и сравнивать возможности нет смысла. Это как психологический компьютерный барьер, вы либо можете пользоваться новой технологией либо нет. Предыдущая технология устарела. Я для себя станки без ЧПУ уже не рассматриваю, даже в качестве хобби.
tsipa740 писал(а): Да, я переплачу за DRO, эта штука взаимоисключающая с ЧПУ - но его я продам потом уж за половину цены почти наверняка.
Тут дело не в электронике а в механике, рукопашный и ЧПУ это разные станки. Там разные передачи применяются, для ЧПУ надо BallScrew.
Замена винтов на BallScrew это очень интересное развлечение потому как они могут тупо не влезть (а если что-то может пойти не так то это пойдет не так). Весьма вероятно что его придется продать и купить другой.
tsipa740 писал(а): я лучше поиграюсь с ручками сперва
Возможно лучше начать что-то делать за ту сумму что имеется, потом обновиться.
Ну либо подождать и искать что попадется на BallScrew. Мой выбор второй вариант, но мы с вами разные люди )
tsipa740
Опытный
Сообщения: 168
Зарегистрирован: 16 июн 2020, 00:09
Репутация: 15
Настоящее имя: Sergei
Контактная информация:

Re: Фрезерный по металлу ~10х20 дюймов

Сообщение tsipa740 »

Rionet писал(а): Тут дело не в электронике а в механике, рукопашный и ЧПУ это разные станки. Там разные передачи применяются, для ЧПУ надо BallScrew.
Я имею ввиду что я вижу две опции - я покупаю некий станок(25/940, не принципиально) и покупаю ДРО и поверфид или не покупаю, а покупаю сразу кит:
https://www.arizonacnckits.com/pm-940-cnc-kit.html
https://www.heavymetalcnc.com/pm-25mv-kits/

Если я сперва покупаю ДРО/поверфид то их я потом выкидываю или продаю потом относительно дешево, но опции купить сразу с швп у меня нет, покрайне мере не для этих станков.

Кит это не то чтобы прям взял и поставил - там нужно немного попортить станок вот таким образом https://www.youtube.com/watch?v=wLvDZ9-tiiY. Есть ещё сообщения о том что не у всех отверстия на верху колонны по центру и приходится там сверлить, но производители кита ничего про это не говорят. Это относительно рискованное мероприятие - можно испортить станок если сильно накосячить. Но и не так чтобы ноу-хау и что-то супер сложное - люди на форумах так делают и вроде счастливы.

Я не уверен что я хочу сразу сходу(да и вообще) заниматься конверсией в ЧПУ - есть риск застрять с долгостроем, если у меня будет дро-поверфид то у меня в любой момент времени будет опция собрать всё обратно и использовать полноценный ручной станок.

UPD: блин, я посмотрел внимательно, реально ДРО+два поверфида на X и Z стоят 1500. Я за эти деньги уже 3/4 ЧПУ кита купить могу, и так наверное и стоит сделать.
Аватара пользователя
Maxekb77
Мастер
Сообщения: 1658
Зарегистрирован: 05 окт 2013, 00:04
Репутация: 285
Настоящее имя: Максим
Откуда: Екатеринбург
Контактная информация:

Re: Фрезерный по металлу ~10х20 дюймов

Сообщение Maxekb77 »

Шаговики в роли автоподачи дешевле будут :)
А потом можно будет просто сигнал с линеек брать и по ним кататься в виде чпу.
Но мне на этом станке чпу не зашло, он мне более ценен в ручном режиме - панелька дро достаточно много имеет возможностей.
Ответить

Вернуться в «Фрезерные станки по металлам»