Viktor 1224 замена шпинделя COLOMBO 2.2 на китай.2.2кВт
-
aftaev
- Зачётный участник

- Сообщения: 34042
- Зарегистрирован: 04 апр 2010, 19:22
- Репутация: 6194
- Откуда: Казахстан.
- Контактная информация:
Re: Viktor 1224 замена шпинделя COLOMBO 2.2 на китай.2.2кВт
Отключаешь от частотника СИГНАЛЬНЫЕ провода, подключаешь шпиндель, подаешь напряжение когда индикация(циферки) засветится на пару сек. замыкаешь Красный идет на СОМ+Синий FWD Шпиндель должен заработать!
Дилетанту сложные вещи кажутся очень простыми, и только профессионал понимает насколько сложна самая простая вещь
Кто хочет - ищет возможности, кто не хочет - ищет оправдание.
Найди работу по душе и тебе не придется работать.
Кто хочет - ищет возможности, кто не хочет - ищет оправдание.
Найди работу по душе и тебе не придется работать.
- Serg
- Мастер
- Сообщения: 21923
- Зарегистрирован: 17 апр 2012, 14:58
- Репутация: 5183
- Заслуга: c781c134843e0c1a3de9
- Настоящее имя: Сергей
- Откуда: Москва
- Контактная информация:
Re: Viktor 1224 замена шпинделя COLOMBO 2.2 на китай.2.2кВт
Нет, на схеме показаны два способа управления оборотами:aftaev писал(а):по схеме чтобы работали обороты судя по схеме на управление на частотник должно идти 4 провода, а не 3 видать вы провод оторвали.
током (выводы CI и GND), при изменении тока в этой цепи от 4 до 20 mA обороты будут менятся от минимума до максимума;
напряжением (выводы +10V, VI, GND), при изменении напряжения на VI от 0 до +10V обороты будут менятся от минимума до максимума, в настройках можно включить режим, когда управляющее напряжение может меняться от0 до +5V.
Минимум и максиммум оборотов задаётся в настройках. Собственно и режим управления задаётся настройками.
Я не Христос, рыбу не раздаю, но могу научить, как сделать удочку...
-
aftaev
- Зачётный участник

- Сообщения: 34042
- Зарегистрирован: 04 апр 2010, 19:22
- Репутация: 6194
- Откуда: Казахстан.
- Контактная информация:
Re: Viktor 1224 замена шпинделя COLOMBO 2.2 на китай.2.2кВт
Форумчане могут не понять что происходит. Поясняю: продал шпиндель nokhrin77, он не запускается.
Сегодня шпиндель с частотником пришел ко мне для тестов.
Подключил все по схеме из мануала для частотника. Все работает.
Тест:
https://www.youtube.com/watch?v=qO0RHpk4-rI
завтра автобусом оправлю все обратно nokhrin77,
nokhrin77, на видео я подключаю батарейку. Вместо батарейки в твоем станке ток должна выдать плата НЦ-Студио она же включает сигнал FWD
Сегодня шпиндель с частотником пришел ко мне для тестов.
Подключил все по схеме из мануала для частотника. Все работает.
Тест:
https://www.youtube.com/watch?v=qO0RHpk4-rI
завтра автобусом оправлю все обратно nokhrin77,
nokhrin77, на видео я подключаю батарейку. Вместо батарейки в твоем станке ток должна выдать плата НЦ-Студио она же включает сигнал FWD
Дилетанту сложные вещи кажутся очень простыми, и только профессионал понимает насколько сложна самая простая вещь
Кто хочет - ищет возможности, кто не хочет - ищет оправдание.
Найди работу по душе и тебе не придется работать.
Кто хочет - ищет возможности, кто не хочет - ищет оправдание.
Найди работу по душе и тебе не придется работать.
- nokhrin77
- Кандидат
- Сообщения: 93
- Зарегистрирован: 23 фев 2012, 20:09
- Репутация: 0
- Откуда: Казахстан Алматы
- Контактная информация:
Re: Viktor 1224 замена шпинделя COLOMBO 2.2 на китай.2.2кВт
Александр спасибо огромное главное чтоб на месте" итальянская" мебель и паркет пошла.
- nokhrin77
- Кандидат
- Сообщения: 93
- Зарегистрирован: 23 фев 2012, 20:09
- Репутация: 0
- Откуда: Казахстан Алматы
- Контактная информация:
Re: Viktor 1224 замена шпинделя COLOMBO 2.2 на китай.2.2кВт
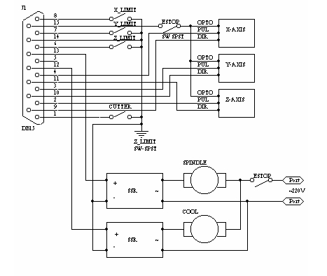
Помогите разобраться после установки новой платы НС студия X поменялся местами + на -, Y+ не идет, Z+ не идет и шпиндель не запускается. Схема подключения прилогается это ошибка подключения или программы
- Nick
- Мастер
- Сообщения: 22776
- Зарегистрирован: 23 ноя 2009, 16:45
- Репутация: 1735
- Заслуга: Developer
- Откуда: Gatchina, Saint-Petersburg distr., Russia
- Контактная информация:
Re: Viktor 1224 замена шпинделя COLOMBO 2.2 на китай.2.2кВт
+ на - можно поменять поменяв местами подключение обмоток двигателя, но наверняка в самой NCstudio все это делается. Сделай скрин с настройками.
-
aftaev
- Зачётный участник

- Сообщения: 34042
- Зарегистрирован: 04 апр 2010, 19:22
- Репутация: 6194
- Откуда: Казахстан.
- Контактная информация:
Re: Viktor 1224 замена шпинделя COLOMBO 2.2 на китай.2.2кВт
Смотрим шо за микруха такая дивная http://www.google.ru/#hl=ru&newwindow=1 ... 52&bih=749nokhrin77 писал(а):Помогите разобраться после установки новой платы НС студия X поменялся местами + на -, Y+ не идет, Z+ не идет и шпиндель не запускается.
Это инвентер. Видать ее поставили чтобы проинвентировать сигналы чтоб станок ехал куды нужно.
Зачем стоит там эта микруха я н епонимаю. Ее бы нафиг выбросил
Либо заходишь в настройки НЦ Студио и меняешь настройки. Пароль там на настройки ncstudio
Со станка где выдрал эту плату НССТУДИО не было никаких дополнительных плат или микрух и все работало пока заказчика не стала нервировать эта чудо прога !
Дилетанту сложные вещи кажутся очень простыми, и только профессионал понимает насколько сложна самая простая вещь
Кто хочет - ищет возможности, кто не хочет - ищет оправдание.
Найди работу по душе и тебе не придется работать.
Кто хочет - ищет возможности, кто не хочет - ищет оправдание.
Найди работу по душе и тебе не придется работать.
- nokhrin77
- Кандидат
- Сообщения: 93
- Зарегистрирован: 23 фев 2012, 20:09
- Репутация: 0
- Откуда: Казахстан Алматы
- Контактная информация:
Re: Viktor 1224 замена шпинделя COLOMBO 2.2 на китай.2.2кВт
Пробовал в НС ничего не меняется
-
aftaev
- Зачётный участник

- Сообщения: 34042
- Зарегистрирован: 04 апр 2010, 19:22
- Репутация: 6194
- Откуда: Казахстан.
- Контактная информация:
Re: Viktor 1224 замена шпинделя COLOMBO 2.2 на китай.2.2кВт
нужно микросхему убирать и цепляться без нее. Одну ось прикрутил, попробовал. Там на платах должно быть написано где какой сигнал
Дилетанту сложные вещи кажутся очень простыми, и только профессионал понимает насколько сложна самая простая вещь
Кто хочет - ищет возможности, кто не хочет - ищет оправдание.
Найди работу по душе и тебе не придется работать.
Кто хочет - ищет возможности, кто не хочет - ищет оправдание.
Найди работу по душе и тебе не придется работать.
- nokhrin77
- Кандидат
- Сообщения: 93
- Зарегистрирован: 23 фев 2012, 20:09
- Репутация: 0
- Откуда: Казахстан Алматы
- Контактная информация:
Re: Viktor 1224 замена шпинделя COLOMBO 2.2 на китай.2.2кВт
вот решение надо перепаять провод с пк
