Простенький фрезерок по деревяшкам 600*900

Фрезерные и гравировальные станки для обработки мягких материалов (дерево, пластики, мягкие металлы).
Аватара пользователя
Umnik
Мастер
Сообщения: 2563
Зарегистрирован: 20 июл 2014, 19:32
Репутация: 2153
Настоящее имя: Георгий
Откуда: Калуга
Контактная информация:

Re: Простенький фрезерок по деревяшкам 600*900

Сообщение Umnik »

Nonstopich писал(а):А о какой поверхности шла речь под шабер, если это эпокс с цементом?)
как раз о ней и шла.
Эпоксидка с цементом очень даже хорошо шабрится...
Только садит инструмент довольно быстро, я пока вставкой из ВК6ОМ не обзавелся, раз в 10 минут шабер из напильника правил.
Аватара пользователя
Nonstopich
Мастер
Сообщения: 1016
Зарегистрирован: 02 авг 2015, 19:46
Репутация: 284
Настоящее имя: Александр Абдулаев
Откуда: Москва, ФО Крым - Феодосия
Контактная информация:

Re: Простенький фрезерок по деревяшкам 600*900

Сообщение Nonstopich »

Umnik писал(а):Эпоксидка с цементом очень даже хорошо шабрится...
Я, наверное, много попрошу.) Но всё же: можно увидеть процесс (ну секунд 15) этого действа? Я не представляю.)

И, кстати, почему цемент, в качестве наполнителя?
Чехлы для телефонов с вышивкой: https://www.instagram.com/lumberry.brand/
Аватара пользователя
Umnik
Мастер
Сообщения: 2563
Зарегистрирован: 20 июл 2014, 19:32
Репутация: 2153
Настоящее имя: Георгий
Откуда: Калуга
Контактная информация:

Re: Простенький фрезерок по деревяшкам 600*900

Сообщение Umnik »

Nonstopich, специально для вас сниму видос))
Цемент в качестве наполнителя я использовал еще когда ровнял бетонную станину своего фрезера...
После попробовал эту же технологию на лазере, и подобную же - на верстаке))
Быть может, порошок какой-нибудь сталюки будет более уместен, но я придерживаюсь мнения, как в той рекламе - если не видно разницы, зачем платить больше?
Этот состав работает только на сжатие, он фактически зажат между двумя металлическими поверхностями.
Дешевый, есть везде, нормально обрабатывается и весьма тверд - не прожимается при скручивании.
Так что, почему бы и нет?
Аватара пользователя
Umnik
Мастер
Сообщения: 2563
Зарегистрирован: 20 июл 2014, 19:32
Репутация: 2153
Настоящее имя: Георгий
Откуда: Калуга
Контактная информация:

Re: Простенький фрезерок по деревяшкам 600*900

Сообщение Umnik »

Практически закончил ровнять плоскость рамы.
После снятия опалубки и предварительной шлифовки наметился винт в 6 десяток.
Чет стало очень лень сшабривать такой слой и я решил пойти по другому пути)
Способ выравния этот я знал, о нем неоднократно писал ранее Афтаев, но на практике его я еще не пробовал.
Форумчанин с ником Stich прислал картинку с немецкого форума, где буржуи формируют посадочные места под рельсы посредством прижима линейкой какого-то видимо полимерного состава.
И решил я попробовать повторить...
Для начала выставил раму на 3-х точках, т.к. на 4-х поймать уровень оказалось нереально....
Не представляю, как выставляют какой-нибудь огромный станок точно по уровню на 4-х и более ногах))
Далее, в углах рамы сделал 4 маяка, которые вышабрил в одну плоскость, используя линейку ШД-1500 и брусковый уровень 200 мм с ценой деления 0,05 мм/м.
Этот процесс занял у меня 2 дня, 3 раза я сошлифовывал нафиг маяки и делал новые, т.к. не понимал, что вообще происходит :hehehe:
Постоянно получались различные результаты, мозг просто взрывался...
Но постепенно я начал понимать что к чему.
Догадался таки проверить уровень и оказалось, что его необходимо отъюстировать, т.к. при повороте на 180 градусов пузырек показывал невесть что.
С этим я справился, благо ключик для подстройки был в комплекте.
Затем, я убедился, чтов зависимости от моего места нахождения возле рамы показания уровня меняются.
Все последующие действия я проводил, стоя на одном и том же месте, и даже переносить вес с ноги на ногу нельзя было)
В этот момент я очень радовался, что не купил двухсоточный уровень, с ним на моем полу делать было бы нечего...
После того, как вывел все маяки в одну плоскость, оставалось только наносить на раму выравнивающий слой да прижимать линейкой по маякам, следя за тем,чтобы между линейкой и маяком не попал мусор..
В процессе этого действа понял, почему немцы с одной стороны выравниваемой станины используют шлифованый пруток)
В качестве выравнивающего слоя я использовал автошпатлевку с наполнителем в виде стекловолокна - довольно прочная и сохнет быстро...
Еще за пару дней постепенно вывел все поверхности профильных труб, подшабривая получающуюся плоскость.
В итоге думаю, что в 5 соток я уложился... Сложно точно сказать, поскольку из-за нестабильного пола пузырек чуть плавает в пределах деления...
Напомню, что это не установочная поверхность под рельсы, а лишь плоскость, к которой будет крепиться решетка из скрученного профиля.
Ради интереса попробую вывести винт в ноль, играя самим рельсами...
Немного фоток результата:
DSC01631.JPG (2892 просмотра) <a class='original' href='./download/file.php?id=151880&sid=347acee45980b84d7a78b6c525070426&mode=view' target=_blank>Загрузить оригинал (4.72 МБ)</a>
DSC01632.JPG (2892 просмотра) <a class='original' href='./download/file.php?id=151881&sid=347acee45980b84d7a78b6c525070426&mode=view' target=_blank>Загрузить оригинал (4.47 МБ)</a>
DSC01634.JPG (2892 просмотра) <a class='original' href='./download/file.php?id=151882&sid=347acee45980b84d7a78b6c525070426&mode=view' target=_blank>Загрузить оригинал (4.5 МБ)</a>
DSC01635.JPG (2892 просмотра) <a class='original' href='./download/file.php?id=151883&sid=347acee45980b84d7a78b6c525070426&mode=view' target=_blank>Загрузить оригинал (4.59 МБ)</a>
DSC01636.JPG (2892 просмотра) <a class='original' href='./download/file.php?id=151884&sid=347acee45980b84d7a78b6c525070426&mode=view' target=_blank>Загрузить оригинал (4.47 МБ)</a>
DSC01638.JPG (2892 просмотра) <a class='original' href='./download/file.php?id=151885&sid=347acee45980b84d7a78b6c525070426&mode=view' target=_blank>Загрузить оригинал (4.66 МБ)</a>
DSC01640.JPG (2892 просмотра) <a class='original' href='./download/file.php?id=151886&sid=347acee45980b84d7a78b6c525070426&mode=view' target=_blank>Загрузить оригинал (4.63 МБ)</a>
DSC01641.JPG (2892 просмотра) <a class='original' href='./download/file.php?id=151887&sid=347acee45980b84d7a78b6c525070426&mode=view' target=_blank>Загрузить оригинал (4.63 МБ)</a>
DSC01642.JPG (2892 просмотра) <a class='original' href='./download/file.php?id=151888&sid=347acee45980b84d7a78b6c525070426&mode=view' target=_blank>Загрузить оригинал (4.63 МБ)</a>
DSC01643.JPG (2892 просмотра) <a class='original' href='./download/file.php?id=151889&sid=347acee45980b84d7a78b6c525070426&mode=view' target=_blank>Загрузить оригинал (4.66 МБ)</a>
DSC01644.JPG (2892 просмотра) <a class='original' href='./download/file.php?id=151890&sid=347acee45980b84d7a78b6c525070426&mode=view' target=_blank>Загрузить оригинал (4.56 МБ)</a>
DSC01645.JPG (2892 просмотра) <a class='original' href='./download/file.php?id=151891&sid=347acee45980b84d7a78b6c525070426&mode=view' target=_blank>Загрузить оригинал (4.5 МБ)</a>
DSC01646.JPG (2892 просмотра) <a class='original' href='./download/file.php?id=151892&sid=347acee45980b84d7a78b6c525070426&mode=view' target=_blank>Загрузить оригинал (4.44 МБ)</a>
DSC01647.JPG (2892 просмотра) <a class='original' href='./download/file.php?id=151893&sid=347acee45980b84d7a78b6c525070426&mode=view' target=_blank>Загрузить оригинал (4.47 МБ)</a>
DSC01648.JPG (2892 просмотра) <a class='original' href='./download/file.php?id=151894&sid=347acee45980b84d7a78b6c525070426&mode=view' target=_blank>Загрузить оригинал (4.72 МБ)</a>
ЗЫ: сдал наконец накопившуюся люминиевую стружку))
охренеть, алюминиевая по 45 руб за кило, латунная по 145!
В детстве последний раз люминий электротехнический по 16 руб. сдавал...
Вложения
DSC01629.JPG (2892 просмотра) <a class='original' href='./download/file.php?id=151879&sid=347acee45980b84d7a78b6c525070426&mode=view' target=_blank>Загрузить оригинал (5.13 МБ)</a>
Аватара пользователя
Umnik
Мастер
Сообщения: 2563
Зарегистрирован: 20 июл 2014, 19:32
Репутация: 2153
Настоящее имя: Георгий
Откуда: Калуга
Контактная информация:

Re: Простенький фрезерок по деревяшкам 600*900

Сообщение Umnik »

Забрал отторцованый профиль.
Насверлил отверстий под шестигранник, нарезал резьбы, скрутил решетку.
Спозиционировал на раме, просверлил отверстия и установил резьбовые заклепки.
Собрал еще раз решетку из профилей, на этот раз прикрутив ее к раме.
Правда, 12,9 класса винтов не нашел, пришлось взять 10,9...
Но тем не менее, пока все идет как задумано))
DSC01686.JPG (2784 просмотра) <a class='original' href='./download/file.php?id=152086&sid=347acee45980b84d7a78b6c525070426&mode=view' target=_blank>Загрузить оригинал (4.5 МБ)</a>
DSC01687.JPG (2784 просмотра) <a class='original' href='./download/file.php?id=152087&sid=347acee45980b84d7a78b6c525070426&mode=view' target=_blank>Загрузить оригинал (4.38 МБ)</a>
DSC01688.JPG (2784 просмотра) <a class='original' href='./download/file.php?id=152088&sid=347acee45980b84d7a78b6c525070426&mode=view' target=_blank>Загрузить оригинал (4.56 МБ)</a>
DSC01689.JPG (2784 просмотра) <a class='original' href='./download/file.php?id=152089&sid=347acee45980b84d7a78b6c525070426&mode=view' target=_blank>Загрузить оригинал (4.28 МБ)</a>
DSC01690.JPG (2784 просмотра) <a class='original' href='./download/file.php?id=152090&sid=347acee45980b84d7a78b6c525070426&mode=view' target=_blank>Загрузить оригинал (4.69 МБ)</a>
DSC01691.JPG (2784 просмотра) <a class='original' href='./download/file.php?id=152091&sid=347acee45980b84d7a78b6c525070426&mode=view' target=_blank>Загрузить оригинал (4.53 МБ)</a>
Аватара пользователя
Umnik
Мастер
Сообщения: 2563
Зарегистрирован: 20 июл 2014, 19:32
Репутация: 2153
Настоящее имя: Георгий
Откуда: Калуга
Контактная информация:

Re: Простенький фрезерок по деревяшкам 600*900

Сообщение Umnik »

Вести с полей)
Рама покрашена, детальки потихоньку пилятся.... :hammer: :rasp: :spanner:
IMG_20181208_204039.jpg (2691 просмотр) <a class='original' href='./download/file.php?id=152356&sid=347acee45980b84d7a78b6c525070426&mode=view' target=_blank>Загрузить оригинал (840.16 КБ)</a>
IMG_20181210_202922.jpg (2691 просмотр) <a class='original' href='./download/file.php?id=152358&sid=347acee45980b84d7a78b6c525070426&mode=view' target=_blank>Загрузить оригинал (1.13 МБ)</a>
IMG_20181210_205527.jpg (2691 просмотр) <a class='original' href='./download/file.php?id=152359&sid=347acee45980b84d7a78b6c525070426&mode=view' target=_blank>Загрузить оригинал (1.04 МБ)</a>
Аватара пользователя
sima8520
Почётный участник
Почётный участник
Сообщения: 4510
Зарегистрирован: 24 ноя 2016, 23:35
Репутация: 1617
Настоящее имя: Илья
Откуда: Беларусь, Гомель
Контактная информация:

Re: Простенький фрезерок по деревяшкам 600*900

Сообщение sima8520 »

ох красота какая. Какие режимы и сколько времени заняло, какими фрезами работал?
Аватара пользователя
Umnik
Мастер
Сообщения: 2563
Зарегистрирован: 20 июл 2014, 19:32
Репутация: 2153
Настоящее имя: Георгий
Откуда: Калуга
Контактная информация:

Re: Простенький фрезерок по деревяшкам 600*900

Сообщение Umnik »

Пилится довольно быстро, чего не скажешь о написании программы обработки)
Сегодня часа 3 с половиной с подготовкой УП провозился, а резал станок час наверно...
Режимы обычные, фрезы 6-8 мм, обороты 15-13 тыс., подача от 1000 до 2000 по ситуации, за проход от 0,3 до 0,75 мм.
Но т.к. материал уже толстоватый (20 мм), то по хорошему надо 10 мм фрезу ставить...
Фрезки 6 и 8 мм фактической длиной 24 мм, двухзаходные, местами начинают вибрировать уже.
Но сплав 6061 леонидовский - просто огонь по обрабатываемости, даже без СОЖа поверхность обработки получается лучше, чем у того же Д16 или АМГ6 с туманом.
Еще одна отличительная особенность - отличная геометрия плиты, равномерность толщины буквально несколько соток, заготовка ровная как блин плита фрезерованная...
Аватара пользователя
Umnik
Мастер
Сообщения: 2563
Зарегистрирован: 20 июл 2014, 19:32
Репутация: 2153
Настоящее имя: Георгий
Откуда: Калуга
Контактная информация:

Re: Простенький фрезерок по деревяшкам 600*900

Сообщение Umnik »

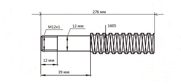
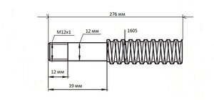
Человеческой глупости пост :D
Не знаю, где были мои глаза, когда я заказывал винты у Гены (MGG), но на ось Z я попросил винт с вот такой обработкой:
Чертеж винт Z.jpg (2580 просмотров) <a class='original' href='./download/file.php?id=152422&sid=347acee45980b84d7a78b6c525070426&mode=view' target=_blank>Загрузить оригинал (39.98 КБ)</a>
тогда как по проекту он должен быть с пипкой, за которую будет крепиться муфта:
2018-12-11_141646.png (2580 просмотров) <a class='original' href='./download/file.php?id=152424&sid=347acee45980b84d7a78b6c525070426&mode=view' target=_blank>Загрузить оригинал (175.99 КБ)</a>
Сказать, что я расстроился, когда давеча это обнаружил - ничего не сказать))
Где брать новый винт, сколько ждать его из Китая и т.п. мысли лезли в голову...
Но чуть успокоившись, поглядел еще раз проект, убедился, винт то довольно длинный и снизу гайки есть приличный не использующийся кусок
2018-12-11_142052.png (2580 просмотров) <a class='original' href='./download/file.php?id=152425&sid=347acee45980b84d7a78b6c525070426&mode=view' target=_blank>Загрузить оригинал (177.68 КБ)</a>
Тут немного отлегло))
Хотел уже было звонить знакомому шлифовшику, но вспомнил, что с недавних пор я счастливый обладатель токарного ИЖика, да еще с комплектом нормальных резцов и пластинками ZCC (за это отдельное спасибо HUNTER-у) :hehehe:
И ничтоже сумняшеся, решил таки попробовать проточить винт самостоятельно...
Вспомнилась метода, которую описывал Макс и именно ей я и воспользовался.
Зажал в патрон обрезок алюм. трубки Ф20 мм, сжал ее немного в кулачках, проточил под диаметр винта, зажал винт в патроне и поджал ЗБ.
А затем понемножку удлинил на винте посадку под опору на 10 мм, дорезал на столько же имеющуюся резьбу 12*1 (благо в закромах нашлась нужная плашка) и проточил пиптик под муфту Ф10 мм.
Заодно чуть поправил китайскую посадку, т.к. наши браться из поднебесной сделали ее в плюсе на 2 сотки и подшипник опоры не хотел лезть на свое законное место...
После чего ради интереса решил проверить, какое биение у меня получилось...
Накрутил гайку, установил ее в призму и уткнул в конец индикатор
Вот что вышло:
https://www.youtube.com/watch?v=JpAhLhX7WYc
DSC01731.JPG (2577 просмотров) <a class='original' href='./download/file.php?id=152428&sid=347acee45980b84d7a78b6c525070426&mode=view' target=_blank>Загрузить оригинал (4.53 МБ)</a>
В общем, описанный Фрезерюгой способ вполне себе имеет право на жизнь, по крайней мере на нормальных винтах TBI вполне можно базироваться за наружнюю поверхность винта.
За что я мысленно Максима поблагодарил, сказал спасибо ИЖику за то, что избавил меня от геморроя и счастливый поперся домой :)
Аватара пользователя
frezeryga
Почётный участник
Почётный участник
Сообщения: 13713
Зарегистрирован: 18 авг 2013, 16:08
Репутация: 5069
Откуда: Жуковский
Контактная информация:

Re: Простенький фрезерок по деревяшкам 600*900

Сообщение frezeryga »

У меня в проектах все чертежи на швп лежат с допусками нужно только одну цифру под себя поменять.
Аватара пользователя
Umnik
Мастер
Сообщения: 2563
Зарегистрирован: 20 июл 2014, 19:32
Репутация: 2153
Настоящее имя: Георгий
Откуда: Калуга
Контактная информация:

Re: Простенький фрезерок по деревяшкам 600*900

Сообщение Umnik »

frezeryga, ну я твой проект так сказать переработал с разной степенью глубины)
И менял я его раз пять, то хода оси Z, то конструкцию станины, то еще что-то... Портальный винт у меня 20 мм...
В общем, твоими чертежами решил не пользоваться))
Аватара пользователя
frezeryga
Почётный участник
Почётный участник
Сообщения: 13713
Зарегистрирован: 18 авг 2013, 16:08
Репутация: 5069
Откуда: Жуковский
Контактная информация:

Re: Простенький фрезерок по деревяшкам 600*900

Сообщение frezeryga »

Там есть проект с 20 винтами и чертежами :lol:
MGG
Мастер
Сообщения: 3673
Зарегистрирован: 08 фев 2016, 16:33
Репутация: 1010
Настоящее имя: Манн Геннадий Геннадьевич
Откуда: Москва
Контактная информация:

Re: Простенький фрезерок по деревяшкам 600*900

Сообщение MGG »

Меня вот всегда поражает, почему на самую загруженную ось все ставят самую мелкую швп, ведь по сути должно быть наоборот.
http://www.cnc-club.ru/forum/viewtopic. ... 76#p304076 Поставки оборудования для ваших станков
https://www.instagram.com/dtw.moscow/
dtw.moscow@gmail.com
Аватара пользователя
frezeryga
Почётный участник
Почётный участник
Сообщения: 13713
Зарегистрирован: 18 авг 2013, 16:08
Репутация: 5069
Откуда: Жуковский
Контактная информация:

Re: Простенький фрезерок по деревяшкам 600*900

Сообщение frezeryga »

Потомучто так проще :lol: ну и тут 20е винты стоят не потому что нагрузка выше а чтоб болтались меньше.
Аватара пользователя
Umnik
Мастер
Сообщения: 2563
Зарегистрирован: 20 июл 2014, 19:32
Репутация: 2153
Настоящее имя: Георгий
Откуда: Калуга
Контактная информация:

Re: Простенький фрезерок по деревяшкам 600*900

Сообщение Umnik »

frezeryga писал(а):тут 20е винты стоят не потому что нагрузка выше а чтоб болтались меньше
именно так. Обошелся бы и 16-ми винтами на этом конкретно станке, но длины их все же великоваты для 16-х...
Ось Z может и является самой загруженной, но эту нагрузку на мой взгляд воспринимают рельсы.
Т.е. нагрузка на ось, как я ее понимаю, идет в горизонтальной плоскости, параллельной столу.
В этом смысле да, именно Z-самая нагруженная.
Но вертикальная нагрузка на ось все же не большая, как мне видится...
По крайней мере, на моем фрезере с попаданием в размер по толщине детали (по высоте) - меньше всего проблем.
Аватара пользователя
sima8520
Почётный участник
Почётный участник
Сообщения: 4510
Зарегистрирован: 24 ноя 2016, 23:35
Репутация: 1617
Настоящее имя: Илья
Откуда: Беларусь, Гомель
Контактная информация:

Re: Простенький фрезерок по деревяшкам 600*900

Сообщение sima8520 »

А расскажи как ты от алюминиевого стола детали отковыривал?
Аватара пользователя
Umnik
Мастер
Сообщения: 2563
Зарегистрирован: 20 июл 2014, 19:32
Репутация: 2153
Настоящее имя: Георгий
Откуда: Калуга
Контактная информация:

Re: Простенький фрезерок по деревяшкам 600*900

Сообщение Umnik »

sima8520, когда как... Если деталька тонкая и небольшая, то грею горелкой газовой.
если хорошо нагреть - сама отходит, и бывает что вообще без остатков шпатли.
Если толстая и массивная, то немного подогреваю и чуть поддеваю стамеской...
Как правило, со второй стороны все равно надо обрабатывать и следа от стамески не останется.
Аватара пользователя
sima8520
Почётный участник
Почётный участник
Сообщения: 4510
Зарегистрирован: 24 ноя 2016, 23:35
Репутация: 1617
Настоящее имя: Илья
Откуда: Беларусь, Гомель
Контактная информация:

Re: Простенький фрезерок по деревяшкам 600*900

Сообщение sima8520 »

Я грел так что капли вскипали при попадании. И все равно держится. Может я какую то дикую шпаклю использую. Покажи какая у тебя!?
Аватара пользователя
Леонид Владимирович
Мастер
Сообщения: 340
Зарегистрирован: 07 дек 2018, 09:11
Репутация: 34
Настоящее имя: Леонид Владимирович
Контактная информация:

Re: Простенький фрезерок по деревяшкам 600*900

Сообщение Леонид Владимирович »

Щас себе тоже делаю портальный станок 850*1950.
Почитал тему. Возникли некоторые мысли вслух....
Не слишком ли жирная у Вас станина для такой точности? Прочность явно на порядок больше, чем у портала. Может хватило бы для стола рамы из уголков или швеллеров 80 мм, а нижнюю часть сделать из уголков 40*40? К тому же самые подлые станочные деформации - это деформации скручивания, а для борьбы с ними лучше не тупо толщину наращивать, а ставить укосины между противоположными углами каркаса? Надо ли было героически шабрить станину, может можно было решить проблему юстировочными винтами?
Почему для подач взяты винты с шагом 5 мм, когда есть 16мм винты с шагом 10 и 16 мм, что увеличило бы быстроходность?
Не лучше ли было бы винты оси Х крутить от одного двигателя, соединив их зубчатой передачей для синхронной работы? (извините, если мысли глупые, механика у нас в университете была только квантовая).
Должно быть у других людей слишком длинная жизнь, если они могут себе позволить фрезеровать на скорости меньше 10 м/мин...
Аватара пользователя
cncmybox
Мастер
Сообщения: 334
Зарегистрирован: 14 янв 2015, 21:15
Репутация: -19
Настоящее имя: Алексей
Контактная информация:

Re: Простенький фрезерок по деревяшкам 600*900

Сообщение cncmybox »

sima8520 писал(а):Я грел так что капли вскипали при попадании. И все равно держится. Может я какую то дикую шпаклю использую. Покажи какая у тебя!?
Присоединяюсь к вопросу про шпаклевку.
Бди! (с) Козьма Прутков
Ответить

Вернуться в «Фрезерные станки по дереву и пластикам, гравировальные станки, роутеры»