Да, когда отправлял, заметил, что там один конденсатор отпаялся, одна ножка. Но его должно быть просто назад припаять.
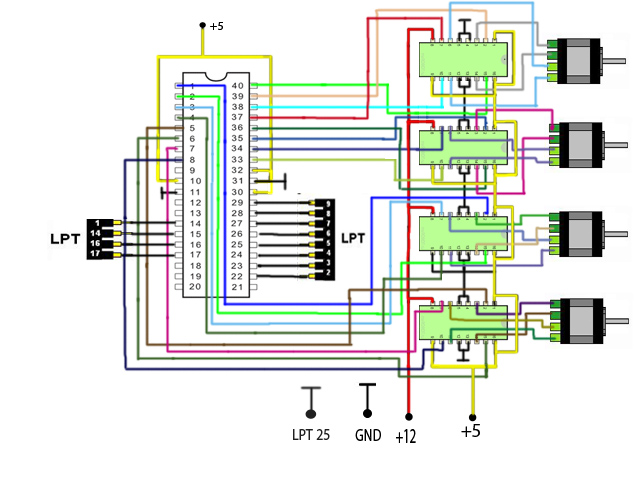
По распиновке ничего не помню, но это можно достаточно просто установить опытным путем. Включаем ШД, и пробуем все пины подряд, если ШД дернется - значит это пин шага. Потом говорим ему постоянно шагать и пробуем остальные пины, чтобы найти пин направления.
