Фанерный станок 700х450
-
parket_3d
- Мастер
- Сообщения: 223
- Зарегистрирован: 11 апр 2014, 19:32
- Репутация: 36
- Настоящее имя: Евгений
- Откуда: Курск
- Контактная информация:
Re: Фанерный станок 700х450
Спасибо, попробую.
-
parket_3d
- Мастер
- Сообщения: 223
- Зарегистрирован: 11 апр 2014, 19:32
- Репутация: 36
- Настоящее имя: Евгений
- Откуда: Курск
- Контактная информация:
Re: Фанерный станок 700х450
Сегодня запустил станок
Подскажите, кнопки на цифровой клавиатуре это normalJog или rapidJog? А то не пойму на 3м/мин гонял или на 4м/мин. Ход по Х вроде маленький 440мм, а с одним винтом по Y есть люфт около 1,5мм, если тянуть за край портала. А так вроде ездит нормально, думал короткие 56мм движки nema23 не потянут трапецию 14х4мм больше 2-2,5м/мин. Думаю 4-4,5м/мин на холостом потянут, позже попробую.
-
parket_3d
- Мастер
- Сообщения: 223
- Зарегистрирован: 11 апр 2014, 19:32
- Репутация: 36
- Настоящее имя: Евгений
- Откуда: Курск
- Контактная информация:
Re: Фанерный станок 700х450
Ещё вопрос, сейчас стоит микрошаг 1/8. Стоит ли его менять? Какие критерии для смены? Драйвера Leadshine DM556.
-
parket_3d
- Мастер
- Сообщения: 223
- Зарегистрирован: 11 апр 2014, 19:32
- Репутация: 36
- Настоящее имя: Евгений
- Откуда: Курск
- Контактная информация:
Re: Фанерный станок 700х450
Гонял сегодня станок по воздуху. С Арткама скидывал разными ПП. G-Code, Axyz, Larken. Axyz не подошел, на выборке в конце почему-то по Z уходит сильно вниз. G-Code и Larken работали одинаково. Рельеф вообще не пошел сначала, каракули выдавал. Потом разобрался, что скорость в файле не 2000мм/мин стоит, а 2000000. Во всех 3х ПП. На работе в пульт с Арткама сколько скидывал, там всё нормально(другие модели-эту не пробовал). В чём косяк? Может быть из-за того, что пульт скорости с программы не учитывает? Может стоит в НЦ-шке поставить галки, чтобы тоже игнорировал скорости с файла? Не хочется каждый файл руками править. Была у кого такая проблема? Кто как борется с этим?
-
parket_3d
- Мастер
- Сообщения: 223
- Зарегистрирован: 11 апр 2014, 19:32
- Репутация: 36
- Настоящее имя: Евгений
- Откуда: Курск
- Контактная информация:
Re: Фанерный станок 700х450
Смазал направляющие и винты, погонял станок. От фанерного станка я ожидал меньшего. Попробовал максимальную скорость в ручном режиме. Ездит без пропусков 6,8 м/мин, 7 м/мин - пропуск шагов. Думал стабильно работать будет не более 2-2,5 м/мин, теперь надеюсь на 4-4,5 м/мин. Снял короткое видео, скорость небольшая https://www.youtube.com/watch?v=P0Z3degkkTw
-
parket_3d
- Мастер
- Сообщения: 223
- Зарегистрирован: 11 апр 2014, 19:32
- Репутация: 36
- Настоящее имя: Евгений
- Откуда: Курск
- Контактная информация:
Re: Фанерный станок 700х450
Максимальная скорость перемещения 6,8 м/мин, по Z пока 4м поставил.
Звук пока не особо по Y, трапеция ещё не очистилась от ржавчины
Погоняется ещё сутки-двое и подтяну капролоновые гайки и каретки.
https://www.youtube.com/watch?v=-itXVNz ... Gz&index=3
Рельеф побыстрее погонял. Как винты очистятся попробую на максимуме.
https://www.youtube.com/watch?v=bnIRfGB ... Gz&index=4
Звук пока не особо по Y, трапеция ещё не очистилась от ржавчины
https://www.youtube.com/watch?v=-itXVNz ... Gz&index=3
Рельеф побыстрее погонял. Как винты очистятся попробую на максимуме.
https://www.youtube.com/watch?v=bnIRfGB ... Gz&index=4
-
parket_3d
- Мастер
- Сообщения: 223
- Зарегистрирован: 11 апр 2014, 19:32
- Репутация: 36
- Настоящее имя: Евгений
- Откуда: Курск
- Контактная информация:
Re: Фанерный станок 700х450
Подскажите, как подключить фрезер типа Кресса к NCStudio? Я так понимаю нужно подключать через опто-изолированное реле. Типа этого подойдёт?
Или можно просто к катушке обычного реле? Можно ли подключить к твердотельному реле?
К какому выходу NCStudio подключать L,M,H? Какая логика этих выходов? Где-то видел картинку, но не могу найти.
Или можно просто к катушке обычного реле? Можно ли подключить к твердотельному реле?
К какому выходу NCStudio подключать L,M,H? Какая логика этих выходов? Где-то видел картинку, но не могу найти.
-
parket_3d
- Мастер
- Сообщения: 223
- Зарегистрирован: 11 апр 2014, 19:32
- Репутация: 36
- Настоящее имя: Евгений
- Откуда: Курск
- Контактная информация:
Re: Фанерный станок 700х450
Вычитал, что для пуска-старта шпинделя достаточно замкнуть между собой "Lo", "Mid" и "High".
Остаётся открытым вопрос:
нужно ли подключать эту скрутку к реле через оптопару или можно напрямую(к реле)?
Остаётся открытым вопрос:
нужно ли подключать эту скрутку к реле через оптопару или можно напрямую(к реле)?
-
parket_3d
- Мастер
- Сообщения: 223
- Зарегистрирован: 11 апр 2014, 19:32
- Репутация: 36
- Настоящее имя: Евгений
- Откуда: Курск
- Контактная информация:
Re: Фанерный станок 700х450
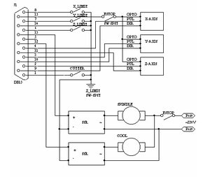
Сам спросил - сам ответил. Нашёл схему, может кому пригодится.
-
AVK74
- Почётный участник

- Сообщения: 1854
- Зарегистрирован: 02 июл 2013, 09:03
- Репутация: 335
- Откуда: Уфа
- Контактная информация:
Re: Фанерный станок 700х450
Это откровенная жесть, как вы на нем работать собрались?parket_3d писал(а):Y есть люфт около 1,5мм, если тянуть за край портала.
И вы это считаете еще и нормальным (писали, что ожидали худшего), куда хуже то?
Это вроде типа скорости шпинделя, маленькая, средняя и большая. Подключать реле лучше через оптопару но не потому что развязка, а потому что оптопара работает и как усилитель, хз там какой ток выходной у студии, мож и не потянет реле.parket_3d писал(а):К какому выходу NCStudio подключать L,M,H? Какая логика этих выходов?
-
parket_3d
- Мастер
- Сообщения: 223
- Зарегистрирован: 11 апр 2014, 19:32
- Репутация: 36
- Настоящее имя: Евгений
- Откуда: Курск
- Контактная информация:
Re: Фанерный станок 700х450
Про разные скорости я знаю. Я не знаю логику появления на них сигнала.
Это хоббийный станок, я не собираюсь на нём "работать". И это если давить на край портала, от нагрузки на фрезу само собой нет такого люфта
На поле 670х440 разница в диагоналях около 1мм.
Да, я ожидал меньшей скорости, жесткости и точности. Но с одним винтом думаю больше делать не буду. Если только не фанерный, не на круглых рельсах и с длинной гайкой.
p.s. У меня на работе Suda 1212 тоже с одним винтом. На 0,5 мм край портала я без проблем на нём сдвину.
Это хоббийный станок, я не собираюсь на нём "работать". И это если давить на край портала, от нагрузки на фрезу само собой нет такого люфта
Да, я ожидал меньшей скорости, жесткости и точности. Но с одним винтом думаю больше делать не буду. Если только не фанерный, не на круглых рельсах и с длинной гайкой.
p.s. У меня на работе Suda 1212 тоже с одним винтом. На 0,5 мм край портала я без проблем на нём сдвину.
-
parket_3d
- Мастер
- Сообщения: 223
- Зарегистрирован: 11 апр 2014, 19:32
- Репутация: 36
- Настоящее имя: Евгений
- Откуда: Курск
- Контактная информация:
Re: Фанерный станок 700х450
Собрал в корпус электронику, провода с разъёмами позже заменю. К фрезеру реле пока нет, поставил временно обычный выключатель. Попробовал выровнять жертвенный стол, больше 8-ки фрезы не было дома. Если тянуть за кончик фрезы, то люфт примерно 0.2-0.3 мм.
https://www.youtube.com/watch?v=2rg-PDO ... Gz&index=5
https://www.youtube.com/watch?v=2rg-PDO ... Gz&index=5
-
parket_3d
- Мастер
- Сообщения: 223
- Зарегистрирован: 11 апр 2014, 19:32
- Репутация: 36
- Настоящее имя: Евгений
- Откуда: Курск
- Контактная информация:
Re: Фанерный станок 700х450
Выпилил первые элементы на пробуhttps://www.youtube.com/watch?v=kJhLTXs ... 7YZcdN5oGz
Пробовал на маленькой скорости. "Папа с маму" входит нормально, плотноhttps://www.youtube.com/watch?v=a7N2tEe ... e=youtu.be
Есть и косяки, цанга 3мм имеет биение около 0,1мм. И главный косяк - надо регулировать угол портала X к Y. В квадрате нет угла, причём сильно, на стороне 120мм по угольнику угол на 1мм уходит примерно.
Пробовал на маленькой скорости. "Папа с маму" входит нормально, плотноhttps://www.youtube.com/watch?v=a7N2tEe ... e=youtu.be
Есть и косяки, цанга 3мм имеет биение около 0,1мм. И главный косяк - надо регулировать угол портала X к Y. В квадрате нет угла, причём сильно, на стороне 120мм по угольнику угол на 1мм уходит примерно.
-
nevkon
- Почётный участник

- Сообщения: 2477
- Зарегистрирован: 17 июл 2015, 10:25
- Репутация: 310
- Настоящее имя: Константин
- Откуда: Балаково (Саратовская обл.)
- Контактная информация:
Re: Фанерный станок 700х450
Деталь и посадочное отверстие резалось в одном направлении? Если да, то результат отличный (хотя может оказаться еще что фреза имеет меньший размер и еще по этой причине плотно заходит). Я когда делаю такую обработку, то для наружных поверхностей прохожу по часовой стрелке, для внутренних - против.
Я для проверки угла покупал уровень рамный - очень хорошо помогает, он тяжелый и крепить не надо, выставляется легкими постукиваниями любым мягким предметом. Ну и индикатором обкатывается сначала одна сторона - выставляется "0" по всей длине, а затем перпендикуляр уже проверяется. Заодно сразу видно как надо повернуть портал чтобы получить перпендикуляр.
Я для проверки угла покупал уровень рамный - очень хорошо помогает, он тяжелый и крепить не надо, выставляется легкими постукиваниями любым мягким предметом. Ну и индикатором обкатывается сначала одна сторона - выставляется "0" по всей длине, а затем перпендикуляр уже проверяется. Заодно сразу видно как надо повернуть портал чтобы получить перпендикуляр.
-
parket_3d
- Мастер
- Сообщения: 223
- Зарегистрирован: 11 апр 2014, 19:32
- Репутация: 36
- Настоящее имя: Евгений
- Откуда: Курск
- Контактная информация:
Re: Фанерный станок 700х450
Детали я всё время прохожу снаружи-встречное(против часовой), внутренние-попутное. Фреза 3мм, но в цанге люфт, надо ставить 3,1-3,2мм в арткаме. На видео не учтён люфт цанги. Главное угол не 90. Вчера регулировал, регулировал и никак не нарегулировал
. Пока не проверял, но думаю угол не будет идеальным, так как капролоновая гайка оказалась полным гов...
Гайку подтягиваю - вперед-назад нет люфта, а стойки портала гуляют. Если тянуть сильнее, то портал почти жёстко стоит, но гайку уже туго крутить. Надо заказывать бронзовые, заодно подлиннее их сделать.
-
parket_3d
- Мастер
- Сообщения: 223
- Зарегистрирован: 11 апр 2014, 19:32
- Репутация: 36
- Настоящее имя: Евгений
- Откуда: Курск
- Контактная информация:
Re: Фанерный станок 700х450
Поменял гайку по Y. Сделал метчик из куска трапеции болгаркой. Знал бы, что резьбу 14х4 такой гемор нарезать в капролоне - не взялся бы. Китайские тиски г.... - сломались, а других не было. Гайка теперь длиной 67мм вместо 45мм, люфт портала уменьшился (около 0,3 мм стал).
-
parket_3d
- Мастер
- Сообщения: 223
- Зарегистрирован: 11 апр 2014, 19:32
- Репутация: 36
- Настоящее имя: Евгений
- Откуда: Курск
- Контактная информация:
Re: Фанерный станок 700х450
Сегодня попробовал фрезернуть рельеф. Долго конечно, но качество вполне ничего(с дуба было бы лучше). Большую скорость ставить страшно, доверия к станку пока нет особого, а к ручному фрезеру за 3300р. уж тем более. Обороты по шкале на регуляторе 2,5 из 5 или 6(не помню), думаю 12000-14000(по звуку). Шум от 25000+ оборотов в течении 2-3ч в маленьком помещении(12 м2) боюсь даже представить. Очень хочется тихий шпиндель.
p.s. Станок хоть и фанерный, но по качеству получилось лучше, чем на Suda 1212 - там биение тяжелого портала на 4м/мин заметно, приходится под острым углом относительно портала фрезеровать(частично помогает).
https://www.youtube.com/watch?v=6zxjOYd ... e=youtu.be
p.s. Станок хоть и фанерный, но по качеству получилось лучше, чем на Suda 1212 - там биение тяжелого портала на 4м/мин заметно, приходится под острым углом относительно портала фрезеровать(частично помогает).
https://www.youtube.com/watch?v=6zxjOYd ... e=youtu.be
-
parket_3d
- Мастер
- Сообщения: 223
- Зарегистрирован: 11 апр 2014, 19:32
- Репутация: 36
- Настоящее имя: Евгений
- Откуда: Курск
- Контактная информация:
Re: Фанерный станок 700х450
Прошу совета.
Скорость была 3м/мин, по Z 2.5м/мин, стартовая по Z 50мм/сек. Ускорения линейное-350мм/сек, для всех 700мм/сек. Ползунок в NCStudio на 120%(он влияет только на машининг или на все скорости, включая ускорения?). Всё было нормально.
Увеличил скорость до 3.3м/мин, по Z 2,7м/мин, стартовая по Z 60 мм/сек. Ускорения 400 и 750. Ползунок в NCStudio на 120%. И Z постепенно плавно уползла вниз за 20 мин на 11мм.
Ручной фрезер ничем не подпружинен, может это поможет отчасти?
Или я слишком больших ускорений хочу от фанерного станка? Может скорость увеличить лучше, а не ускорения? Или ограничить скорость по Z до 2-2.3м/мин?
Скорость была 3м/мин, по Z 2.5м/мин, стартовая по Z 50мм/сек. Ускорения линейное-350мм/сек, для всех 700мм/сек. Ползунок в NCStudio на 120%(он влияет только на машининг или на все скорости, включая ускорения?). Всё было нормально.
Увеличил скорость до 3.3м/мин, по Z 2,7м/мин, стартовая по Z 60 мм/сек. Ускорения 400 и 750. Ползунок в NCStudio на 120%. И Z постепенно плавно уползла вниз за 20 мин на 11мм.
Ручной фрезер ничем не подпружинен, может это поможет отчасти?
Или я слишком больших ускорений хочу от фанерного станка? Может скорость увеличить лучше, а не ускорения? Или ограничить скорость по Z до 2-2.3м/мин?
- Udjin
- Мастер
- Сообщения: 2121
- Зарегистрирован: 21 авг 2014, 05:55
- Репутация: 1248
- Настоящее имя: Евгений
- Откуда: Приморский край, город Находка.
- Контактная информация:
Re: Фанерный станок 700х450
Установите вот такие параметры:
Скорости 1.8 м/мин по осям X-Y, 0.8 м/мин по Z, ускорения по всем осям 400.
И будет "жить долго и счастливо".
Скорости 1.8 м/мин по осям X-Y, 0.8 м/мин по Z, ускорения по всем осям 400.
И будет "жить долго и счастливо".
-
parket_3d
- Мастер
- Сообщения: 223
- Зарегистрирован: 11 апр 2014, 19:32
- Репутация: 36
- Настоящее имя: Евгений
- Откуда: Курск
- Контактная информация:
Re: Фанерный станок 700х450
Спасибо, но долго и счастливо мне не нужно
Мне желательно стабильно быстро(сравнительно).