Да как как скажете. Пусть у Вас работает не корректно.
Главное -что у меня работает корректно. И мне хорошо.
Ну и как знаете, не применим так не применим.
Главное - что у меня применим и работает. И мне хорошо.
Да как как скажете. Пусть у Вас работает не корректно.
Ну и как знаете, не применим так не применим.

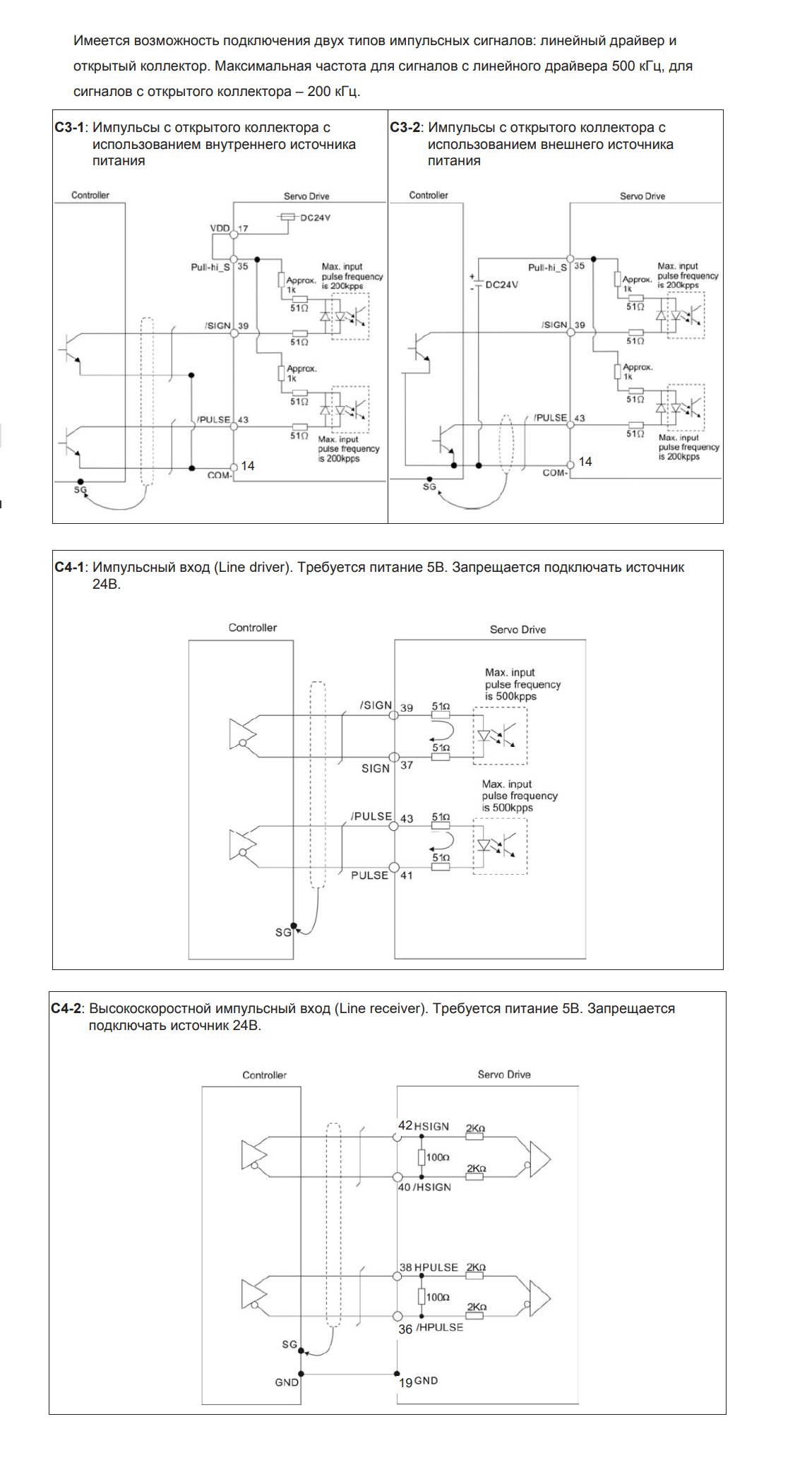
Ну, есть как минимум два варианта. Либо с общим плюсом подключить, либо с общим минусом.
Хороший вопрос. Вот ответы - нашёл тему, где все мои предположения полностью подтверждаютсяи сказано и подтверждено всеми там людьми в той теме просто на практике - https://www.machsupport.com/forum/index ... ic=42503.0, что для низковольтного входа линейного драйвера серв дельта b2 и b3 нужен именно ДИФФЕРЕНЦИАЛЬНЫЙ сигнал степ дир и там пытаются с mach3 через плату опторазвязки подать сигнал и ничего не выходит - работает не корректно , что и требовалось доказать и в качестве решения называют именно подключение к входу 24 вольта(например через костыли в виде транзистора 2N7000), который на 200 килогерц и только так. Пишу я всё это для того что бы кто в будущем будет такие сервы брать и подключать учёл такие моменты и понимал что если у него нет платы опторазвязки и источника сигнала с диф выходом, то придётся подключать к входe степ дир 24 вольта и решать возникающие из этого проблемы.michael-yurov писал(а): ↑21 окт 2023, 20:04Ну, есть как минимум два варианта. Либо с общим плюсом подключить, либо с общим минусом.
У степмастера не открытый коллектор, а обычный 5 В логический выход.
Как получается, что при 24 В работает, а без резистора на 1,5 кОм - нет?
Ознакомитесь, пожалуйста, с этой вот ссылкой https://www.machsupport.com/forum/index ... ic=42503.0 - чтобы понимать в чём состоят нюансы подключения контролеров ЧПУ и плат опторазвязок с выходом степ дир с уровнем сигнала 5 вольткприводам данной серии(B2/B3) - Никто ничего не сжёг - просто нужен дифференциальный сигнал чтобы был на низковольтном входе тогда будет работать корректно как я уже и сказал выше( на первый же совет Михаила подключить степмастер к диф. входу 5 вольт) - как пишут ВСЕ(и как и указано в МАНУАЛЕ официальном) кто сталкивался с такими сервами. Поэтому нужно подключать к входу 24 вольта сигналы с уровнем 5 вольт- о чём я в принципе и спросил - как это лучше сделать - может у кого есть опыт нормального красивого проверенного решения - которое будет полезно всем.
Хорошая ссылка
мастер joeaverage писал(а):I think you may have miswired it. The output of the BoB (pin 2 or 3) is 5V, correct? You hooked that to the photodiode input (pin 39 or 43) without a series resistor,
and the other side of the photodiode (pins 37 or 41) to 0V. Thus the photodiode has to withstand the full 5V output of your BoB, you may have damaged it already.
студент natefoerg писал(а):Well.. looks like you are right. I wired it up sans transistors and was not able to get any response from the drive. Jog still works, but it looks like I may have cooked the optos.
мастер joeaverage писал(а):In short you should be able to buy a NEW driver for around $200 plus shipping. I wouldn't be messing around with second hand at that price.
Понятно. Тестера, стало быть, нет... Печалька.

Ну, ты бы еще на весь интернет дал ссылку... Можно конкретно, что там выяснили то? Почему не работает? В чем несоответствие инструкции и реальности?manyakNT писал(а): ↑ Вот ответы - нашёл тему, где все мои предположения полностью подтверждаютсяи сказано и подтверждено всеми там людьми в той теме просто на практике - https://www.machsupport.com/forum/index ... ic=42503.0
Почему? Есть какие-то факты, подтверждающие это?
Если у вас нет яблока, это не значит, что яблок не существует.
Там по ссылкам какие я нашёл - а их всего-то 2-3 на весь интернет где пытаются дельты подклчить к mach3(и одну где пытаются к плате axbb-e), ничего у людей не выходит и тут же находиться ещё пару человек которые эту процедуру сделали - и их решение либо подавать ДИФФЕРНЦИАЛЬНЫЙ СИГНАЛ на низковольтный вход, либо ЧЕРЕЗ транзисторы повышать уровень сигнала с 5 вольт до 24 вольта - и тоже всё работатет. Мы пошли другим путём. Ещё более простым. Вскрыли серводрайвер - эта дельта разбирается очень просто - 3 защёлки. Нашли оптопары, какие резисторы за что там отвечают, осцилографом и мультом проверели всю схему.В мультисиме набросали схему. Стоит оптопара там tlp2366. Там четыре резистора по 1,5K. Менять надо два - с обоих сторон платы по одному. Поменяли на 100 ом. Всё теперь работает через высоквольтный вход от ЛЮБОЙ платы опторазвязки пятивольтовой. Схему и фото какие резисторы поменяли прилагаю. Поменяли 1,5k c обоих сторон платы на 100 омmichael-yurov писал(а): ↑22 окт 2023, 13:47Ну, ты бы еще на весь интернет дал ссылку... Можно конкретно, что там выяснили то? Почему не работает? В чем несоответствие инструкции и реальности?manyakNT писал(а): ↑ Вот ответы - нашёл тему, где все мои предположения полностью подтверждаютсяи сказано и подтверждено всеми там людьми в той теме просто на практике - https://www.machsupport.com/forum/index ... ic=42503.0
Почему? Есть какие-то факты, подтверждающие это?
Если у вас нет яблока, это не значит, что яблок не существует.
Там по ссылкам какие я нашёл - а их всего-то 2-3 на весь интернет где пытаются дельты подклчить к mach3(и одну где пытаются к плате axbb-e), ничего у людей не выходит и тут же находиться ещё пару человек которые эту процедуру сделали - и их решение либо подавать ДИФФЕРНЦИАЛЬНЫЙ СИГНАЛ на низковольтный вход, либо ЧЕРЕЗ транзисторы повышать уровень сигнала с 5 вольт до 24 вольта и цеплять на высоковольтный вход по схеме открытый колектор с общим плюсом или минусом(как у степмастера и других подобных плат подключается) - и тоже всё работает. Мы пошли другим путём. Ещё более простым. Вскрыли серводрайвер - эта дельта разбирается очень просто - 3 защёлки. Нашли оптопары, какие резисторы за что там отвечают, осцилографом и мультом проверели всю схему.В мультисиме набросали схему. Стоит оптопара там tlp2366. Там четыре резистора по 1,5K. Менять надо два - с обоих сторон платы по одному. Поменяли на 100 ом. Всё теперь работает через высоквольтный вход от ЛЮБОЙ платы опторазвязки пятивольтовой. Схему и фото какие резисторы поменяли прилагаю. Поменяли 1,5k c обоих сторон платы на 100 омmichael-yurov писал(а): ↑22 окт 2023, 13:47Ну, ты бы еще на весь интернет дал ссылку... Можно конкретно, что там выяснили то? Почему не работает? В чем несоответствие инструкции и реальности?manyakNT писал(а): ↑ Вот ответы - нашёл тему, где все мои предположения полностью подтверждаютсяи сказано и подтверждено всеми там людьми в той теме просто на практике - https://www.machsupport.com/forum/index ... ic=42503.0
Почему? Есть какие-то факты, подтверждающие это?
Если у вас нет яблока, это не значит, что яблок не существует.
Это хорошая сслылка, да - там также как и ты, спецы, считающие других криворукими, которые сразу всё палят, решили сразу зайти с козырей и пытаться доказать, один в один как и ты, что кто-то что-то спалили и давить на это и никаких других вариантов не предлагать - по итогу, если прочитать до конца, как сделал я, а не выбрать первое что вписывается в понравившуюся картину мира, никто ничего не спалил(это кстати будет понятно если прочитать до конца тему - но "чукча не читатель", это понятно, а "гуру" подозревающий всех - в том что все криворукие пальщики электроники, я понял), если прочитаешь дальше - всё норм у человека, а не работает, как и показала практика и как я уже показал и доказал на практике,и как видно изо всех ссылок которые я приложил и как видно изо всех решений что применили люди по этим ссылкам, а их(этих решений) три - диф сигнал на низковольтный вход, второе - транзисторы которые повысят уровень сигнала 5 вольт на 24 вольта и третий перепаивание входных резисторов на входе 24 вольта, что было нами и сделано. Всё остальное домыслы и размышления не подкреплённые ничем кроме своих хотелок. Вот и получается что по итогу ты ни одной дельной мысли так не высказал(всё упирая зачем-то на криворукость) которая кому-то бы пригодилась(а ведь для этого форум и существует), а я сделал и показал на практике со схемой и готовым решением то что пригодиться кому-то.lkbyysq писал(а): ↑22 окт 2023, 08:13Хорошая ссылка
мастер joeaverage писал(а):I think you may have miswired it. The output of the BoB (pin 2 or 3) is 5V, correct? You hooked that to the photodiode input (pin 39 or 43) without a series resistor,
and the other side of the photodiode (pins 37 or 41) to 0V. Thus the photodiode has to withstand the full 5V output of your BoB, you may have damaged it already.Я думаю, что вы, возможно, неправильно подключили его. Выход BoB (контакт 2 или 3) составляет 5 В, верно? Вы подключили его к входу фотодиода (контакт 39 или 43) без последовательного резистора,
а другую сторону фотодиода (контакты 37 или 41) - к 0 В. Таким образом, фотодиод должен выдерживать полное выходное напряжение 5 В вашего BoB, возможно, вы уже его повредили.
студент natefoerg писал(а):Well.. looks like you are right. I wired it up sans transistors and was not able to get any response from the drive. Jog still works, but it looks like I may have cooked the optos.Ну... похоже, ты прав. Я подключил его без транзисторов и не смог получить никакого ответа от привода. Джог еще работает, но похоже я оптос сварил.
мастер joeaverage писал(а):In short you should be able to buy a NEW driver for around $200 plus shipping. I wouldn't be messing around with second hand at that price.вы сможете купить НОВЫЙ драйвер примерно за 200 долларов плюс доставка. Я бы не стал возиться с б/у по такой цене.

Схему я так и не понял.
Сколько слов!!!!manyakNT писал(а): ↑22 окт 2023, 21:46 Это хорошая сслылка, да - там также как и ты, спецы, считающие других криворукими, которые сразу всё палят, решили сразу зайти с козырей и пытаться доказать, один в один как и ты, что кто-то что-то спалили и давить на это и никаких других вариантов не предлагать - по итогу, если прочитать до конца, как сделал я, а не выбрать первое что вписывается в понравившуюся картину мира, никто ничего не спалил(это кстати будет понятно если прочитать до конца тему - но "чукча не читатель", это понятно, а "гуру" подозревающий всех - в том что все криворукие пальщики электроники, я понял), если прочитаешь дальше - всё норм у человека, а не работает, как и показала практика и как я уже показал и доказал на практике,и как видно изо всех ссылок которые я приложил и как видно изо всех решений что применили люди по этим ссылкам, а их(этих решений) три - диф сигнал на низковольтный вход, второе - транзисторы которые повысят уровень сигнала 5 вольт на 24 вольта и третий перепаивание входных резисторов на входе 24 вольта, что было нами и сделано. Всё остальное домыслы и размышления не подкреплённые ничем кроме своих хотелок. Вот и получается что по итогу ты ни одной дельной мысли так не высказал(всё упирая зачем-то на криворукость) которая кому-то бы пригодилась(а ведь для этого форум и существует), а я сделал и показал на практике со схемой
и готовым решением то что пригодиться кому-то.
Михаил, посмотрел я на русский мануал подобного драйвера delta asd-b2 (обсуждаемый с индексом b3).