подвести можно, но потом секса с проверками больше и свет дороже будет стоитьPredator писал(а):А сюда, нет возможности 380В подключить чтоли или у тебя там на столбах только фаза и ноль идёт?
Смена инструмента на токарнике
-
aftaev
- Зачётный участник

- Сообщения: 34042
- Зарегистрирован: 04 апр 2010, 19:22
- Репутация: 6194
- Откуда: Казахстан.
- Контактная информация:
Re: Смена инструмента на токарнике
Дилетанту сложные вещи кажутся очень простыми, и только профессионал понимает насколько сложна самая простая вещь
Кто хочет - ищет возможности, кто не хочет - ищет оправдание.
Найди работу по душе и тебе не придется работать.
Кто хочет - ищет возможности, кто не хочет - ищет оправдание.
Найди работу по душе и тебе не придется работать.
- Predator
- Мастер
- Сообщения: 9583
- Зарегистрирован: 18 июл 2013, 18:26
- Репутация: 2531
- Контактная информация:
Re: Смена инструмента на токарнике
Так я имел ввиду официальное подключение, в чём секс то будет?aftaev писал(а):но потом секса с проверками больше
-
aftaev
- Зачётный участник

- Сообщения: 34042
- Зарегистрирован: 04 апр 2010, 19:22
- Репутация: 6194
- Откуда: Казахстан.
- Контактная информация:
Re: Смена инструмента на токарнике
1. цена за свет станет большеPredator писал(а):Так я имел ввиду официальное подключение, в чём секс то будет?
2. нужно ставить свой транс, а это 100$ платить за холостой ход каждый месяц не считая цены транса
3. проверка каждый год заземление
4. плата за техобслуживание
5. при подключении 3ф к тебе относятся как к предприятию - тут начинают бегать всякие проверки (пожарники, СЭС и тд..) К знакомым в цех прибежала метрология - мол вы пользуетесь штангельциркулями, а они у вас не проверены - значит вы не можете работать.
это не та тема где нужно обсуждать подключение 3ф. Не подвожу - значит так проще
Дилетанту сложные вещи кажутся очень простыми, и только профессионал понимает насколько сложна самая простая вещь
Кто хочет - ищет возможности, кто не хочет - ищет оправдание.
Найди работу по душе и тебе не придется работать.
Кто хочет - ищет возможности, кто не хочет - ищет оправдание.
Найди работу по душе и тебе не придется работать.
- Nick
- Мастер
- Сообщения: 22776
- Зарегистрирован: 23 ноя 2009, 16:45
- Репутация: 1735
- Заслуга: Developer
- Откуда: Gatchina, Saint-Petersburg distr., Russia
- Контактная информация:
Re: Смена инструмента на токарнике
Ты давай схему рисуй, а не рассказывай как у вас жить тяжело
.
Кстати, там вроде в ладдере можно ее распечатать - распечатай в pdf всю схему целиком, а то у вас на скриншотах скорее всего не все влазит.
Кстати, там вроде в ладдере можно ее распечатать - распечатай в pdf всю схему целиком, а то у вас на скриншотах скорее всего не все влазит.
- Serg
- Мастер
- Сообщения: 21923
- Зарегистрирован: 17 апр 2012, 14:58
- Репутация: 5183
- Заслуга: c781c134843e0c1a3de9
- Настоящее имя: Сергей
- Откуда: Москва
- Контактная информация:
Re: Смена инструмента на токарнике
Похоже тебя просто разводят... У меня дачный дом подключен по 3ф. Просто пошел в местное Энерго и сказал, что хочу 3 фазы, они выдали условия: там было про 3ф счётчик, про сечение и типы кабелей от столба до дома и прочие мелочи. Купил счётчик, кабель, щиток для счётчика и вводного автомата и прочей арматура для щитка (он в доме стоит и там всё вплоть до комнатных автоматов), всё это установил, сообщил в Энерго. В назначенный день приехали их электрики и подключили провода к столбу, опломбировали вводной автомат и счётчик, записали начальные показания. Платил какую-то мелочь типа за приезд и работу их электриков.aftaev писал(а):5. при подключении 3ф к тебе относятся как к предприятию - тут начинают бегать всякие проверки (пожарники, СЭС и тд..) К знакомым в цех прибежала метрология - мол вы пользуетесь штангельциркулями, а они у вас не проверены - значит вы не можете работать.
Я не Христос, рыбу не раздаю, но могу научить, как сделать удочку...
- Nick
- Мастер
- Сообщения: 22776
- Зарегистрирован: 23 ноя 2009, 16:45
- Репутация: 1735
- Заслуга: Developer
- Откуда: Gatchina, Saint-Petersburg distr., Russia
- Контактная информация:
Re: Смена инструмента на токарнике
Так это наверное в подмосковье, а не в Казахстане и у тебя по огороду не расбросано с десяток токарных станков и прессов 
- Predator
- Мастер
- Сообщения: 9583
- Зарегистрирован: 18 июл 2013, 18:26
- Репутация: 2531
- Контактная информация:
Re: Смена инструмента на токарнике
Да уж, какай-то у вас точно секс получется, причём в извращенной формеaftaev писал(а):Не подвожу - значит так проще
У нас с этим проблем нет, на даче можно подключить без всяких проблем, причём они бесплатно приедут и сами подключат, только купить счетчик и кабель, UAVpilot уже об этом написал
Согласен! Хотя странно конечноUAVpilot писал(а):Похоже тебя просто разводят...
Это вообще без разницы, что у тебя там разбросано, у меня в деревне(на даче), уже не один цех работает (частный на своих участках) и ничего, всё в порядке. Да это конечно не Казахстан и не подмосковьеNick писал(а):у тебя по огороду не расбросано с десяток токарных станков и прессов
-
aftaev
- Зачётный участник

- Сообщения: 34042
- Зарегистрирован: 04 апр 2010, 19:22
- Репутация: 6194
- Откуда: Казахстан.
- Контактная информация:
Re: Смена инструмента на токарнике
или я лучше владею информацией как у нас делаютUAVpilot писал(а):Похоже тебя просто разводят...
Да наше правительство дало указ мол чтоб 3ф подключали бесплатно, но энергетики теперь сделали хитро - для подключения нужен план столбов иначе они не могут посчитать сколько кабеля тянуть, а план дает такая то контора.
для частников разрешено 5квт, один токраник больше хаваетPredator писал(а):У нас с этим проблем нет, на даче можно подключить без всяких проблем, причём они бесплатно приедут и сами подключат, только купить счетчик и кабель, UAVpilot уже об этом написал
Дилетанту сложные вещи кажутся очень простыми, и только профессионал понимает насколько сложна самая простая вещь
Кто хочет - ищет возможности, кто не хочет - ищет оправдание.
Найди работу по душе и тебе не придется работать.
Кто хочет - ищет возможности, кто не хочет - ищет оправдание.
Найди работу по душе и тебе не придется работать.
- Predator
- Мастер
- Сообщения: 9583
- Зарегистрирован: 18 июл 2013, 18:26
- Репутация: 2531
- Контактная информация:
Re: Смена инструмента на токарнике
Там никто ничего не меряет, да и 5кВт это мало, в основном подключают 380В для подключения отопления (котлы), но там далеко за 5 кВт бываетaftaev писал(а):для частников разрешено 5квт, один токраник больше хавает
Дядька у меня дом новый построил и подключил 380В ни о каких ограниченях в 5кВт никто ничего не говорил, бери сколько хочешь
- Serg
- Мастер
- Сообщения: 21923
- Зарегистрирован: 17 апр 2012, 14:58
- Репутация: 5183
- Заслуга: c781c134843e0c1a3de9
- Настоящее имя: Сергей
- Откуда: Москва
- Контактная информация:
Re: Смена инструмента на токарнике
У меня формально ограничение 10кВт и в условиях сказано, что счётчик должен быть на 10А, но я тогда позвонил и спросил "можно-ли поставить более мощный, а то таких мелких 3фазных нигде нет?" - сказали, что можно, ну я и поставил 100 амперный - самый мощный для прямого включения. 
Осенью и зимой, когда приезжаю на день/сутки и лень топить печку и я включаю все электрообогреватели, а это 4 тепловентилятора по 5кВт и 4 ИК нагревателя по 2кВт - никто не возмущается...
Осенью и зимой, когда приезжаю на день/сутки и лень топить печку и я включаю все электрообогреватели, а это 4 тепловентилятора по 5кВт и 4 ИК нагревателя по 2кВт - никто не возмущается...
Я не Христос, рыбу не раздаю, но могу научить, как сделать удочку...
-
nkp
- Мастер
- Сообщения: 8340
- Зарегистрирован: 28 ноя 2011, 00:25
- Репутация: 1589
- Контактная информация:
Re: Смена инструмента на токарнике
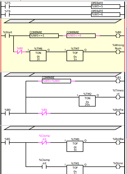
немного по "промахам" резцедержки...
вот схема PKM : по идее она не будет работать ,если голова переедет свою позицию...
зажим срабатывает(становится активным B1) ,когда %W0=%IW0 ...
представим , что нужный геркон сработал , зажим начался,но голова проскочила на следующую позицию...
срабатывает следующий геркон , выражение %W0=%IW0 ложно , B1 выключается...
все останавливается (должно остановится ,если не успеет зажать
)
-----------------------------
если в схему добавить подхват зажима (чтоб зажимало таки ,даже если промахнулись ) , и контроль B1 в линии Done: то по крайней мере будет останавливать выполнение программы по ТМ2
==========
вот схема PKM : по идее она не будет работать ,если голова переедет свою позицию...
зажим срабатывает(становится активным B1) ,когда %W0=%IW0 ...
представим , что нужный геркон сработал , зажим начался,но голова проскочила на следующую позицию...
срабатывает следующий геркон , выражение %W0=%IW0 ложно , B1 выключается...
все останавливается (должно остановится ,если не успеет зажать
-----------------------------
если в схему добавить подхват зажима (чтоб зажимало таки ,даже если промахнулись ) , и контроль B1 в линии Done: то по крайней мере будет останавливать выполнение программы по ТМ2
==========
всё очень спорно ,так так в теории (станок не влез на стол)))
- PKM
- Почётный участник

- Сообщения: 4263
- Зарегистрирован: 31 мар 2011, 18:11
- Репутация: 705
- Настоящее имя: Андрей
- Откуда: Украина
- Контактная информация:
Re: Смена инструмента на токарнике
Наоборот, пришлось ввести задержку на обратное вращение, чтобы не проскакивало на предыдущую позицию.nkp писал(а):представим , что нужный геркон сработал , зажим начался,но голова проскочила на следующую позицию...
То есть TM0 должен быть TON вместо TOFF
Все забываю скопировать и выложить рабочий вариант
Кажется, и проверку номера инструмента сделал.
Последний раз редактировалось PKM 01 май 2015, 18:55, всего редактировалось 1 раз.
-
nkp
- Мастер
- Сообщения: 8340
- Зарегистрирован: 28 ноя 2011, 00:25
- Репутация: 1589
- Контактная информация:
Re: Смена инструмента на токарнике
не понял - что "наоборот"
а по вот этому рассуждению что скажешь??
а по вот этому рассуждению что скажешь??
nkp писал(а):представим , что нужный геркон сработал , зажим начался,но голова проскочила на следующую позицию...срабатывает следующий геркон , выражение %W0=%IW0 ложно , B1 выключается...
- PKM
- Почётный участник

- Сообщения: 4263
- Зарегистрирован: 31 мар 2011, 18:11
- Репутация: 705
- Настоящее имя: Андрей
- Откуда: Украина
- Контактная информация:
Re: Смена инструмента на токарнике
Остановится по таймауту, если не успеет зажать. Я потом проверку вроде сделал... не помню точноnkp писал(а):представим , что нужный геркон сработал , зажим начался,но голова проскочила на следующую позицию...
срабатывает следующий геркон , выражение %W0=%IW0 ложно , B1 выключается...
все останавливается (должно остановится ,если не успеет зажать )
- PKM
- Почётный участник

- Сообщения: 4263
- Зарегистрирован: 31 мар 2011, 18:11
- Репутация: 705
- Настоящее имя: Андрей
- Откуда: Украина
- Контактная информация:
Re: Смена инструмента на токарнике
Кстати, не останавливается. В этом случае снова срабатывает вращение вперед, и если проскок мимо позиции повторится - все вылетит по таймауту.nkp писал(а):представим , что нужный геркон сработал , зажим начался,но голова проскочила на следующую позицию...
срабатывает следующий геркон , выражение %W0=%IW0 ложно , B1 выключается...
все останавливается
Тут схема с фиксацией нужна, наверное... Latching circuit
Последний раз редактировалось PKM 01 май 2015, 20:01, всего редактировалось 1 раз.
-
nkp
- Мастер
- Сообщения: 8340
- Зарегистрирован: 28 ноя 2011, 00:25
- Репутация: 1589
- Контактная информация:
Re: Смена инструмента на токарнике
а как ты смоделировал " перескок" ??PKM писал(а):Кстати, не останавливается.
- PKM
- Почётный участник

- Сообщения: 4263
- Зарегистрирован: 31 мар 2011, 18:11
- Репутация: 705
- Настоящее имя: Андрей
- Откуда: Украина
- Контактная информация:
Re: Смена инструмента на токарнике
А я не моделировал. Просто логика схемы такая - останавливается и включается обратное вращение только при %W0=%IW0, в обратном случае - крутится вперед
Возможно, это не совсем правильная логика. Надо бы только по одному разу запускать все процессы, выдавая импульсы на Latching circuits
-
nkp
- Мастер
- Сообщения: 8340
- Зарегистрирован: 28 ноя 2011, 00:25
- Репутация: 1589
- Контактная информация:
Re: Смена инструмента на токарнике
на практике всё по другомуPKM писал(а):Просто логика схемы такая - останавливается и включается обратное вращение только при %W0=%IW0
обратное вращение включится - потому как сработает "правильный" геркон...
но из-за различных факторов (инерция , не оптимальная настройка угла зажигания,и тд) голова проскочит ...
и вот имеем вращение на зажим и %W0=%IW0 False
========
спроси у Афтаева , как оно бывает)))
- PKM
- Почётный участник

- Сообщения: 4263
- Зарегистрирован: 31 мар 2011, 18:11
- Репутация: 705
- Настоящее имя: Андрей
- Откуда: Украина
- Контактная информация:
Re: Смена инструмента на токарнике
У Афтаева другая схема...
В этой схеме, если позиции не совпадают - включится прямое вращение. Обратное включается только при совпадении.
В этой схеме, если позиции не совпадают - включится прямое вращение. Обратное включается только при совпадении.
- PKM
- Почётный участник

- Сообщения: 4263
- Зарегистрирован: 31 мар 2011, 18:11
- Репутация: 705
- Настоящее имя: Андрей
- Откуда: Украина
- Контактная информация:
Re: Смена инструмента на токарнике
Посмотрел еще раз - немного опасная схема, если вдруг при включенном обратном вращении пропадет сигнал позиции - включится прямое вращение, а у обратного задержка на выключение 0.1с
Таким образом сработают оба контактора на моторе револьверки, если у этой пары контакторов нет "железной" блокировки (которая там 100% должна быть) - может коротнуть.
Ну я ради этой блокировки даже купил контакторы на 127В - других не было в наличии с НЗ контактами...
Таким образом сработают оба контактора на моторе револьверки, если у этой пары контакторов нет "железной" блокировки (которая там 100% должна быть) - может коротнуть.
Ну я ради этой блокировки даже купил контакторы на 127В - других не было в наличии с НЗ контактами...
