спасибо . теперь будем рисоватьи проектировать коробочку под электронику. немного стало ясно что к чему.AndyBig писал(а):В настройках нужно указать, что включен второй порт и указать его адрес. Потом в настройках пинов указываете к какому порту относится каждый пин.
Бюджетный ЧПУ 1150х660мм с пос. модернизацией до 2250х1650
- master_70
- Мастер
- Сообщения: 1935
- Зарегистрирован: 30 ноя 2010, 22:52
- Репутация: 317
- Настоящее имя: Сергей Викторович
- Откуда: Московская_обл
- Контактная информация:
Re: Бюджетный ЧПУ 1150х660мм с пос. модернизацией до 2250х16
Кайт клуб "Za Vetrom" г. Киров
тел. 8 953 678 19 59 Сергей; Skype: zavetrom.ru
ICQ: 248622151 mail: master_70@mail.ru
http://www.zavetrom.ru
тел. 8 953 678 19 59 Сергей; Skype: zavetrom.ru
ICQ: 248622151 mail: master_70@mail.ru
http://www.zavetrom.ru
- master_70
- Мастер
- Сообщения: 1935
- Зарегистрирован: 30 ноя 2010, 22:52
- Репутация: 317
- Настоящее имя: Сергей Викторович
- Откуда: Московская_обл
- Контактная информация:
Re: Бюджетный ЧПУ 1150х660мм с пос. модернизацией до 2250х16
ктонибудбь делал себе стойки для управления станком .
если не жалко дайте ссылкуи или фотки самодельных стоек управления
вот начал чето проектировать .
пока первые наброски
если не жалко дайте ссылкуи или фотки самодельных стоек управления
вот начал чето проектировать .
пока первые наброски
Кайт клуб "Za Vetrom" г. Киров
тел. 8 953 678 19 59 Сергей; Skype: zavetrom.ru
ICQ: 248622151 mail: master_70@mail.ru
http://www.zavetrom.ru
тел. 8 953 678 19 59 Сергей; Skype: zavetrom.ru
ICQ: 248622151 mail: master_70@mail.ru
http://www.zavetrom.ru
- master_70
- Мастер
- Сообщения: 1935
- Зарегистрирован: 30 ноя 2010, 22:52
- Репутация: 317
- Настоящее имя: Сергей Викторович
- Откуда: Московская_обл
- Контактная информация:
Re: Бюджетный ЧПУ 1150х660мм с пос. модернизацией до 2250х16
Кайт клуб "Za Vetrom" г. Киров
тел. 8 953 678 19 59 Сергей; Skype: zavetrom.ru
ICQ: 248622151 mail: master_70@mail.ru
http://www.zavetrom.ru
тел. 8 953 678 19 59 Сергей; Skype: zavetrom.ru
ICQ: 248622151 mail: master_70@mail.ru
http://www.zavetrom.ru
- master_70
- Мастер
- Сообщения: 1935
- Зарегистрирован: 30 ноя 2010, 22:52
- Репутация: 317
- Настоящее имя: Сергей Викторович
- Откуда: Московская_обл
- Контактная информация:
Re: Бюджетный ЧПУ 1150х660мм с пос. модернизацией до 2250х16
вот содрал 2 м .
помагам побегал и нашел в автовазовском клопы черные . подошли просто супер .
для пробы купил 60шт а надо 200. завтра докуплю и дособираю. и проклею космофеном .
опять доволен . как соберу . испытаю , проведу тест если все супер .. то выложу все чертежи , вектора готовые . и описание краткое. как и что делать
кабельканал можно на фрезере , на лазере на эрозии резать не надо сложной фрезировки . собирается звено менее минуты. .
сниму видео завтра как собирается .
помагам побегал и нашел в автовазовском клопы черные . подошли просто супер .
для пробы купил 60шт а надо 200. завтра докуплю и дособираю. и проклею космофеном .
опять доволен . как соберу . испытаю , проведу тест если все супер .. то выложу все чертежи , вектора готовые . и описание краткое. как и что делать
кабельканал можно на фрезере , на лазере на эрозии резать не надо сложной фрезировки . собирается звено менее минуты. .
сниму видео завтра как собирается .
Кайт клуб "Za Vetrom" г. Киров
тел. 8 953 678 19 59 Сергей; Skype: zavetrom.ru
ICQ: 248622151 mail: master_70@mail.ru
http://www.zavetrom.ru
тел. 8 953 678 19 59 Сергей; Skype: zavetrom.ru
ICQ: 248622151 mail: master_70@mail.ru
http://www.zavetrom.ru
- master_70
- Мастер
- Сообщения: 1935
- Зарегистрирован: 30 ноя 2010, 22:52
- Репутация: 317
- Настоящее имя: Сергей Викторович
- Откуда: Московская_обл
- Контактная информация:
Re: Бюджетный ЧПУ 1150х660мм с пос. модернизацией до 2250х16
продолжение
https://www.youtube.com/watch?v=w4EoGskOxEA
https://www.youtube.com/watch?v=w4EoGskOxEA
Кайт клуб "Za Vetrom" г. Киров
тел. 8 953 678 19 59 Сергей; Skype: zavetrom.ru
ICQ: 248622151 mail: master_70@mail.ru
http://www.zavetrom.ru
тел. 8 953 678 19 59 Сергей; Skype: zavetrom.ru
ICQ: 248622151 mail: master_70@mail.ru
http://www.zavetrom.ru
- mhael
- Мастер
- Сообщения: 2443
- Зарегистрирован: 09 мар 2013, 11:22
- Репутация: 769
- Настоящее имя: Ильдар
- Контактная информация:
Re: Бюджетный ЧПУ 1150х660мм с пос. модернизацией до 2250х16
в зебру желто-черную бы покрасили - круто бы смотрелось 
- master_70
- Мастер
- Сообщения: 1935
- Зарегистрирован: 30 ноя 2010, 22:52
- Репутация: 317
- Настоящее имя: Сергей Викторович
- Откуда: Московская_обл
- Контактная информация:
Re: Бюджетный ЧПУ 1150х660мм с пос. модернизацией до 2250х16
ага . но краски нет , красил тем что есть- остатки .mhael писал(а):в зебру желто-черную бы покрасили - круто бы смотрелось
специально ни покупаю. бюджет ограничен.
это остатки в болончике
космоффен старый был . уже густой .
сегодня поеду покупать свеженький космофен с ним проще и аккуратнее будет
Кайт клуб "Za Vetrom" г. Киров
тел. 8 953 678 19 59 Сергей; Skype: zavetrom.ru
ICQ: 248622151 mail: master_70@mail.ru
http://www.zavetrom.ru
тел. 8 953 678 19 59 Сергей; Skype: zavetrom.ru
ICQ: 248622151 mail: master_70@mail.ru
http://www.zavetrom.ru
- master_70
- Мастер
- Сообщения: 1935
- Зарегистрирован: 30 ноя 2010, 22:52
- Репутация: 317
- Настоящее имя: Сергей Викторович
- Откуда: Московская_обл
- Контактная информация:
Re: Бюджетный ЧПУ 1150х660мм с пос. модернизацией до 2250х16
ну вот . в принципе закончил с кабель каналами . .
Кайт клуб "Za Vetrom" г. Киров
тел. 8 953 678 19 59 Сергей; Skype: zavetrom.ru
ICQ: 248622151 mail: master_70@mail.ru
http://www.zavetrom.ru
тел. 8 953 678 19 59 Сергей; Skype: zavetrom.ru
ICQ: 248622151 mail: master_70@mail.ru
http://www.zavetrom.ru
- master_70
- Мастер
- Сообщения: 1935
- Зарегистрирован: 30 ноя 2010, 22:52
- Репутация: 317
- Настоящее имя: Сергей Викторович
- Откуда: Московская_обл
- Контактная информация:
Re: Бюджетный ЧПУ 1150х660мм с пос. модернизацией до 2250х16
вот видео сборки кабельканала .
https://www.youtube.com/watch?v=u_kdhcjUzT8
https://www.youtube.com/watch?v=u_kdhcjUzT8
Кайт клуб "Za Vetrom" г. Киров
тел. 8 953 678 19 59 Сергей; Skype: zavetrom.ru
ICQ: 248622151 mail: master_70@mail.ru
http://www.zavetrom.ru
тел. 8 953 678 19 59 Сергей; Skype: zavetrom.ru
ICQ: 248622151 mail: master_70@mail.ru
http://www.zavetrom.ru
- Nick
- Мастер
- Сообщения: 22776
- Зарегистрирован: 23 ноя 2009, 16:45
- Репутация: 1735
- Заслуга: Developer
- Откуда: Gatchina, Saint-Petersburg distr., Russia
- Контактная информация:
Re: Бюджетный ЧПУ 1150х660мм с пос. модернизацией до 2250х16
А куда столько проводов идет?
- master_70
- Мастер
- Сообщения: 1935
- Зарегистрирован: 30 ноя 2010, 22:52
- Репутация: 317
- Настоящее имя: Сергей Викторович
- Откуда: Московская_обл
- Контактная информация:
Re: Бюджетный ЧПУ 1150х660мм с пос. модернизацией до 2250х16
столько не будетNick писал(а):А куда столько проводов идет?
но это померял сколько войдет
но в оригинале будет и шланги охлаждения на каждый движок проводов куча . на датчики и так на всяк случай . а то то что продают еле кабеля впихал . очень тесно
тут кабельканал для У 55х30 на Х 75х30
Последний раз редактировалось master_70 10 июн 2014, 12:01, всего редактировалось 1 раз.
Кайт клуб "Za Vetrom" г. Киров
тел. 8 953 678 19 59 Сергей; Skype: zavetrom.ru
ICQ: 248622151 mail: master_70@mail.ru
http://www.zavetrom.ru
тел. 8 953 678 19 59 Сергей; Skype: zavetrom.ru
ICQ: 248622151 mail: master_70@mail.ru
http://www.zavetrom.ru
- ukr-sasha
- Мастер
- Сообщения: 3401
- Зарегистрирован: 21 мар 2011, 07:47
- Репутация: 2181
- Настоящее имя: Украинец Александр Григорьевич
- Откуда: Киев, Украина
- Контактная информация:
Re: Бюджетный ЧПУ 1150х660мм с пос. модернизацией до 2250х16
Прикидывали себестоимость изготовления?
Не выгоднее было купить готовый кабельканал?
Не выгоднее было купить готовый кабельканал?
- master_70
- Мастер
- Сообщения: 1935
- Зарегистрирован: 30 ноя 2010, 22:52
- Репутация: 317
- Настоящее имя: Сергей Викторович
- Откуда: Московская_обл
- Контактная информация:
Re: Бюджетный ЧПУ 1150х660мм с пос. модернизацией до 2250х16
ну тема называется бюджетныйukr-sasha писал(а):Прикидывали себестоимость изготовления?
Не выгоднее было купить готовый кабельканал?
если былобы дешевле купить такого размера кабельканал то купилбы
а бюджет этого для меня составил за весь кабельканал 400р
это клей на 200р 2 тюбика, правда понадобилось всего 1 тюбик и еще осталось. и клопы пластиковые деталька от ваз на 100р купил + расход на бензин который обкатал
резка деталек бесплатно из отходов по блату.
а так все режется на собсьтвенном станке легко фрезой 3 мм . ну и 3 дня на сборку . всего потратил неделю .
а теперь для сравнения . мне надо 6 м кабельканала примерно по минимуму 1200р за метр . и того более 7000р + доставка и неделя минимун надоставку.
а хуже то что такогоразмера нет какой мне надо . только с китая и цена еще дороже и как минимум 1-2 месяца ждатть.
и в третьих сейчас могу делать практичеески любойразмер
ненадо сложной фрезировки , просто раскрой
\ хоть из фаенеры
всего 2 вида деталек
боковина и перемычка
всего неа звено 4 боковины и 2 премычки
материал любой какойнайдется без разницти
покрайне мере сколько искал ненашол ничего стоющего
или очень сложно хитрая фрезеровка или чето гнуть надо или не удобно и тд
пришлось посидетьи подумать и придумать самому
из здоступного сделать более менее достойное.
Кайт клуб "Za Vetrom" г. Киров
тел. 8 953 678 19 59 Сергей; Skype: zavetrom.ru
ICQ: 248622151 mail: master_70@mail.ru
http://www.zavetrom.ru
тел. 8 953 678 19 59 Сергей; Skype: zavetrom.ru
ICQ: 248622151 mail: master_70@mail.ru
http://www.zavetrom.ru
- AndyBig
- Мастер
- Сообщения: 3971
- Зарегистрирован: 07 мар 2014, 04:01
- Репутация: 1121
- Откуда: юг России
- Контактная информация:
Re: Бюджетный ЧПУ 1150х660мм с пос. модернизацией до 2250х16
Я себе брал размером 18х37 мм по 640 руб за метр, там же есть 25х57 по 990 руб за метр, но это уже перебор по размерам, мне кажетсяmaster_70 писал(а):мне надо 6 м кабельканала примерно по минимуму 1200р за метр . и того более 7000р + доставка и неделя минимун надоставку. а хуже то что такогоразмера нет какой мне надо
А пилить самому - ну да, можно, если есть бесплатный материал...
- master_70
- Мастер
- Сообщения: 1935
- Зарегистрирован: 30 ноя 2010, 22:52
- Репутация: 317
- Настоящее имя: Сергей Викторович
- Откуда: Московская_обл
- Контактная информация:
Re: Бюджетный ЧПУ 1150х660мм с пос. модернизацией до 2250х16
ну да , не отхорошей жизни я это делаю. 18 х37 у меня маловато не входят все кабеля и у меня есть 1 м это пойдет для Z.AndyBig писал(а):Я себе брал размером 18х37 мм по 640 руб за метр, там же есть 25х57 по 990 руб за метр, но это уже перебор по размерам, мне кажетсяmaster_70 писал(а):мне надо 6 м кабельканала примерно по минимуму 1200р за метр . и того более 7000р + доставка и неделя минимун надоставку. а хуже то что такогоразмера нет какой мне надоВлезло все - провода ко всем шаговикам и датчикам, 2 трубки охлаждения (по 8 мм) и еще осталось место для доп. проводов
И очень удобный для укладки - сверху крышки звеньев откидываются.
А пилить самому - ну да, можно, если есть бесплатный материал...
а 25х57 уже выходит по 6000р нет у меня пока таких денег
а материала бесплатного дохрена. (обрезки и отходы ) .былибы деньги вопросов нет и не сталбы я изобретать велостипед и купилбы вее и заказалбы чтоб что мне надо и как назовод чтоб изготовили
я и так заработал на станке на шпиндель шаговики , на рельсы , на рейкку и шестерни сколько смог . и всееравно считаю станок очень бюджетным.
Кайт клуб "Za Vetrom" г. Киров
тел. 8 953 678 19 59 Сергей; Skype: zavetrom.ru
ICQ: 248622151 mail: master_70@mail.ru
http://www.zavetrom.ru
тел. 8 953 678 19 59 Сергей; Skype: zavetrom.ru
ICQ: 248622151 mail: master_70@mail.ru
http://www.zavetrom.ru
- AndyBig
- Мастер
- Сообщения: 3971
- Зарегистрирован: 07 мар 2014, 04:01
- Репутация: 1121
- Откуда: юг России
- Контактная информация:
Re: Бюджетный ЧПУ 1150х660мм с пос. модернизацией до 2250х16
Главное, что бы станок делал то, что Вам от него нужноmaster_70 писал(а):и всееравно считаю станок очень бюджетным.
Кстати, сейчас померял - оказывается это внутренние размеры. А я еще и думал дома, что вроде бы этот канал выглядит поболее размером, визуально почти как Ваш на видео. Оказывается внешние размеры у него 48х23master_70 писал(а):18 х37 у меня маловато не входят все кабеля
- master_70
- Мастер
- Сообщения: 1935
- Зарегистрирован: 30 ноя 2010, 22:52
- Репутация: 317
- Настоящее имя: Сергей Викторович
- Откуда: Московская_обл
- Контактная информация:
Re: Бюджетный ЧПУ 1150х660мм с пос. модернизацией до 2250х16
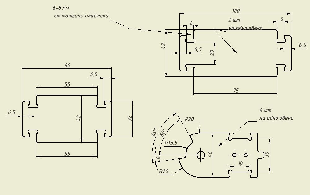
у меня вот размеры .AndyBig писал(а):Кстати, сейчас померял - оказывается это внутренние размеры. А я еще и думал дома, что вроде бы этот канал выглядит поболее размером, визуально почти как Ваш на видео. Оказывается внешние размеры у него 48х23
2 размера
разница только в перемычке.
Кайт клуб "Za Vetrom" г. Киров
тел. 8 953 678 19 59 Сергей; Skype: zavetrom.ru
ICQ: 248622151 mail: master_70@mail.ru
http://www.zavetrom.ru
тел. 8 953 678 19 59 Сергей; Skype: zavetrom.ru
ICQ: 248622151 mail: master_70@mail.ru
http://www.zavetrom.ru
- AndyBig
- Мастер
- Сообщения: 3971
- Зарегистрирован: 07 мар 2014, 04:01
- Репутация: 1121
- Откуда: юг России
- Контактная информация:
Re: Бюджетный ЧПУ 1150х660мм с пос. модернизацией до 2250х16
То есть внутренний размер, если я все правильно понял, 55х30 и 75х30? Да там можно по 10 квадратов к каждому двигателю уложить и полдюймовые трубки для охлажденияmaster_70 писал(а):у меня вот размеры
- master_70
- Мастер
- Сообщения: 1935
- Зарегистрирован: 30 ноя 2010, 22:52
- Репутация: 317
- Настоящее имя: Сергей Викторович
- Откуда: Московская_обл
- Контактная информация:
Re: Бюджетный ЧПУ 1150х660мм с пос. модернизацией до 2250х16
ага.AndyBig писал(а):То есть внутренний размер, если я все правильно понял, 55х30 и 75х30? Да там можно по 10 квадратов к каждому двигателю уложить и полдюймовые трубки для охлажденияmaster_70 писал(а):у меня вот размеры
все верно.
есть идеи . но пока не озвучивал , надо читоб было местьо под дополнительные кабеля.
запас не сколько не мешает, также место там не только под кабеля расчитано а для трубки и шланги они должны лежать свободно, и остаться место .
там еще будет трубка от компрессора для подачи воздуха под давлением и сож. вот для этого там столько места.
Кайт клуб "Za Vetrom" г. Киров
тел. 8 953 678 19 59 Сергей; Skype: zavetrom.ru
ICQ: 248622151 mail: master_70@mail.ru
http://www.zavetrom.ru
тел. 8 953 678 19 59 Сергей; Skype: zavetrom.ru
ICQ: 248622151 mail: master_70@mail.ru
http://www.zavetrom.ru
- AndyBig
- Мастер
- Сообщения: 3971
- Зарегистрирован: 07 мар 2014, 04:01
- Репутация: 1121
- Откуда: юг России
- Контактная информация:
Re: Бюджетный ЧПУ 1150х660мм с пос. модернизацией до 2250х16
Тогда понятноmaster_70 писал(а):там еще будет трубка от компрессора для подачи воздуха под давлением и сож
