Подключение различных компонентов к плате Mesa 7I77

Работа с платами MESA, подключение, конфигурация.
Mehobr
Почётный участник
Почётный участник
Сообщения: 163
Зарегистрирован: 15 июн 2015, 00:20
Репутация: 18
Настоящее имя: Евгений
Контактная информация:

Re: Подключение различных компонентов к плате Mesa 7I77

Сообщение Mehobr »

mikehv писал(а):Зачем все эти сложности?
Спасибо, буду думать, как выйти из этой ситуации. Там просто шкивы достаточно большого диаметра на шпиндель приходится ставить, а места мало возле передней бабки (станок токарный ТВ4). Придется покупать шкивы одинакового диаметра и длинный ремень.
AlekseySP
Опытный
Сообщения: 128
Зарегистрирован: 28 дек 2016, 03:25
Репутация: 32
Настоящее имя: Алексей
Контактная информация:

Re: Подключение различных компонентов к плате Mesa 7I77

Сообщение AlekseySP »

Я вышел из такой ситуации так: поставил датчик Хола, подключил его на вход фазы z. А на шкив приклеил магнит. Перемычку переставил на single ended. Там у каждой фазы своя перемычка. Фазы A и B взял от сервы.
Вложения
IMG-20190223-WA0002.jpg (3197 просмотров) <a class='original' href='./download/file.php?id=169356&mode=view' target=_blank>Загрузить оригинал (83.37 КБ)</a>
Mehobr
Почётный участник
Почётный участник
Сообщения: 163
Зарегистрирован: 15 июн 2015, 00:20
Репутация: 18
Настоящее имя: Евгений
Контактная информация:

Re: Подключение различных компонентов к плате Mesa 7I77

Сообщение Mehobr »

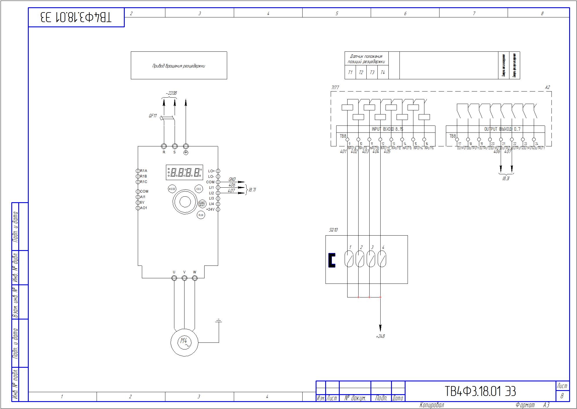
Продолжаю подключать различные узлы. Пришло время подключить и настроить резцедержку.
Резцедержка китайская на четыре позиции
15710730952862969612567186682092.jpg (2860 просмотров) <a class='original' href='./download/file.php?id=170471&mode=view' target=_blank>Загрузить оригинал (4.72 МБ)</a>
Подключил по следующей схеме:
ТВ4Ф3.Э3 Станок токарный с ЧПУ модели ТВ4Ф3(8).jpg (2860 просмотров) <a class='original' href='./download/file.php?id=170472&mode=view' target=_blank>Загрузить оригинал (195.29 КБ)</a>
Двигатель резцедержки управляется частотником типа Altivar 212. Управление вручную опробовал, работает. При замыкании контакта на частотнике №406 идет вращение, а при замыкании контакта 407 идет (реверс) фиксация.
Осталось настроить в linuxcnc и тут как всегда у меня затык. Пытался чужие конфиги под себя править ничего не получилось. ClassicLadder даже запустить не смог :lol1: .
Прошу помощи в настройке, спасибо!
nkp
Мастер
Сообщения: 8340
Зарегистрирован: 28 ноя 2011, 00:25
Репутация: 1589
Контактная информация:

Re: Подключение различных компонентов к плате Mesa 7I77

Сообщение nkp »

1. в основной хал файл(.hal) прописать строки:

Код: Выделить всё

#######Ladder##################################################################################
loadrt classicladder_rt numPhysInputs=25 numPhysOutputs=25 numS32in=10 numS32out=10 numFloatIn=10 numFloatOut=10
loadusr classicladder tool.clp  
addf classicladder.0.refresh servo-thread

#######Ladder##################################################################################
после перезапуска емс должен появиться пустой ладдер
===============
2. что за датчики положений в голове? по схеме похожи на герконы
john1987887
Мастер
Сообщения: 3296
Зарегистрирован: 08 сен 2013, 17:26
Репутация: 1802
Контактная информация:

Re: Подключение различных компонентов к плате Mesa 7I77

Сообщение john1987887 »

Mehobr писал(а):Продолжаю подключать различные узлы. Пришло время подключить и настроить резцедержку.
Резцедержка китайская на четыре позиции
А что за станок такой интересный? Есть тема по нему?
Mehobr
Почётный участник
Почётный участник
Сообщения: 163
Зарегистрирован: 15 июн 2015, 00:20
Репутация: 18
Настоящее имя: Евгений
Контактная информация:

Re: Подключение различных компонентов к плате Mesa 7I77

Сообщение Mehobr »

nkp писал(а):1. в основной хал файл(.hal) прописать строки:
Вечером попробую, правда сомневаюсь что осилю логику CL.
nkp писал(а):2. что за датчики положений в голове? по схеме похожи на герконы
Да, герконы.
john1987887 писал(а):А что за станок такой интересный? Есть тема по нему?
Станок ТВ4, точнее сказать только станина и корпус передней бабки от станка ТВ4, остальное все переделываю, тему по нему пока не создавал.
nkp
Мастер
Сообщения: 8340
Зарегистрирован: 28 ноя 2011, 00:25
Репутация: 1589
Контактная информация:

Re: Подключение различных компонентов к плате Mesa 7I77

Сообщение nkp »

Mehobr писал(а):правда сомневаюсь что осилю логику CL.
всё осилим ;)
Mehobr
Почётный участник
Почётный участник
Сообщения: 163
Зарегистрирован: 15 июн 2015, 00:20
Репутация: 18
Настоящее имя: Евгений
Контактная информация:

Re: Подключение различных компонентов к плате Mesa 7I77

Сообщение Mehobr »

Вчера вот это прописал в hal файл и конечно же не запустилась.

Код: Выделить всё

#######tool-change##################################################################################

net dat1 hm2_5i25.0.7i77.0.0.input-8 => classicladder.0.in-01 # получаем сигнал от датчика положения

net dat2 hm2_5i25.0.7i77.0.0.input-9 => classicladder.0.in-02 # получаем сигнал от датчика положения

net dat3 hm2_5i25.0.7i77.0.0.input-10 => classicladder.0.in-03 # получаем сигнал от датчика положения

net dat4 hm2_5i25.0.7i77.0.0.input-11 => classicladder.0.in-04 # получаем сигнал от датчика положения

net ll classicladder.0.out-02 => hm2_5i25.0.7i77.0.0.output-04

net rr classicladder.0.out-00 => hm2_5i25.0.7i77.0.0.output-05


loadusr -W hal_manualtoolchange

net tool-change-request iocontrol.0.tool-change => hal_manualtoolchange.change => classicladder.0.in-00 # сигнал по М6 посылаем на контакт Start

net tool-change-confirmed iocontrol.0.tool-changed classicladder.0.out-03 # сигнал - продолжаем выполнять программу

net tool-number iocontrol.0.tool-prep-number => hal_manualtoolchange.number => classicladder.0.s32in-03 # %IW3

net tool-prepare-loopback iocontrol.0.tool-prepare => iocontrol.0.tool-prepared
nkp
Мастер
Сообщения: 8340
Зарегистрирован: 28 ноя 2011, 00:25
Репутация: 1589
Контактная информация:

Re: Подключение различных компонентов к плате Mesa 7I77

Сообщение nkp »

loadusr -W hal_manualtoolchange
это окошко для ручной смены инс-та
тебе оно не нужено(раз не_руками менять будем)))
-----------------------------
то что прописал (вчера) имеет смысл лишь после вставки того ,что сегодня я выложил
то есть - сверху - загрузка самого компонента ладдера(то что "у меня"),
а потом уже прописываем разные связи (то что "у тебя")
================
кстати - входы от герконов уже заведены физически в месу?
если да - то реагируют ли при вращении от руки?
nkp
Мастер
Сообщения: 8340
Зарегистрирован: 28 ноя 2011, 00:25
Репутация: 1589
Контактная информация:

Re: Подключение различных компонентов к плате Mesa 7I77

Сообщение nkp »

вот этот кусок:

Код: Выделить всё

loadusr -W hal_manualtoolchange

net tool-change-request iocontrol.0.tool-change => hal_manualtoolchange.change => classicladder.0.in-00 # сигнал по М6 посылаем на контакт Start

net tool-change-confirmed iocontrol.0.tool-changed classicladder.0.out-03 # сигнал - продолжаем выполнять программу

net tool-number iocontrol.0.tool-prep-number => hal_manualtoolchange.number => classicladder.0.s32in-03 # %IW3

net tool-prepare-loopback iocontrol.0.tool-prepare => iocontrol.0.tool-prepared



правим так:

Код: Выделить всё

net tool-prepare-loopback iocontrol.0.tool-prepare     =>  iocontrol.0.tool-prepared

net tool-change-request   iocontrol.0.tool-change      =>  classicladder.0.in-00    # сигнал по М6 посылаем на контакт Start

net tool-change-confirmed iocontrol.0.tool-changed     =>  classicladder.0.out-03   # сигнал - продолжаем выполнять программу

net tool-number           iocontrol.0.tool-prep-number =>  classicladder.0.s32in-03 # %IW3

Mehobr
Почётный участник
Почётный участник
Сообщения: 163
Зарегистрирован: 15 июн 2015, 00:20
Репутация: 18
Настоящее имя: Евгений
Контактная информация:

Re: Подключение различных компонентов к плате Mesa 7I77

Сообщение Mehobr »

nkp писал(а):кстати - входы от герконов уже заведены физически в месу?
Да, заведены, согласно вышеуказанной схемы.
Mehobr
Почётный участник
Почётный участник
Сообщения: 163
Зарегистрирован: 15 июн 2015, 00:20
Репутация: 18
Настоящее имя: Евгений
Контактная информация:

Re: Подключение различных компонентов к плате Mesa 7I77

Сообщение Mehobr »

Поместил вот эти строки в HAL файл

Код: Выделить всё

  #######Ladder##################################################################################
    loadrt classicladder_rt numPhysInputs=25 numPhysOutputs=25 numS32in=10 numS32out=10 numFloatIn=10 numFloatOut=10
    loadusr classicladder tool.clp  
    addf classicladder.0.refresh servo-thread

    #######Ladder##################################################################################

#######tool-change##################################################################################

net dat1 hm2_5i25.0.7i77.0.0.input-08 => classicladder.0.in-01 # получаем сигнал от датчика положения

net dat2 hm2_5i25.0.7i77.0.0.input-09 => classicladder.0.in-02 # получаем сигнал от датчика положения

net dat3 hm2_5i25.0.7i77.0.0.input-10 => classicladder.0.in-03 # получаем сигнал от датчика положения

net dat4 hm2_5i25.0.7i77.0.0.input-11 => classicladder.0.in-04 # получаем сигнал от датчика положения

net ll classicladder.0.out-02 => hm2_5i25.0.7i77.0.0.output-04

net rr classicladder.0.out-00 => hm2_5i25.0.7i77.0.0.output-05

net tool-prepare-loopback iocontrol.0.tool-prepare     =>  iocontrol.0.tool-prepared

net tool-change-request   iocontrol.0.tool-change      =>  classicladder.0.in-00    # сигнал по М6 посылаем на контакт Start

net tool-change-confirmed iocontrol.0.tool-changed     =>  classicladder.0.out-03   # сигнал - продолжаем выполнять программу

net tool-number           iocontrol.0.tool-prep-number =>  classicladder.0.s32in-03 # %IW3
Выскочила вот такая ошибка
snimok 1.png (2750 просмотров) <a class='original' href='./download/file.php?id=170488&mode=view' target=_blank>Загрузить оригинал (65.17 КБ)</a>
nkp
Мастер
Сообщения: 8340
Зарегистрирован: 28 ноя 2011, 00:25
Репутация: 1589
Контактная информация:

Re: Подключение различных компонентов к плате Mesa 7I77

Сообщение nkp »

у тебя в 239 строке хвост остался от компонента hal_manualtoolchange
Mehobr
Почётный участник
Почётный участник
Сообщения: 163
Зарегистрирован: 15 июн 2015, 00:20
Репутация: 18
Настоящее имя: Евгений
Контактная информация:

Re: Подключение различных компонентов к плате Mesa 7I77

Сообщение Mehobr »

Удалил hal_manualtoolchange ошибки нет, но и резцедержка не реагирует на команды М6 Т1 и т.д.
nkp
Мастер
Сообщения: 8340
Зарегистрирован: 28 ноя 2011, 00:25
Репутация: 1589
Контактная информация:

Re: Подключение различных компонентов к плате Mesa 7I77

Сообщение nkp »

тут надо последовательно смотреть?
сейчас есть время?
Mehobr
Почётный участник
Почётный участник
Сообщения: 163
Зарегистрирован: 15 июн 2015, 00:20
Репутация: 18
Настоящее имя: Евгений
Контактная информация:

Re: Подключение различных компонентов к плате Mesa 7I77

Сообщение Mehobr »

Да, есть
nkp
Мастер
Сообщения: 8340
Зарегистрирован: 28 ноя 2011, 00:25
Репутация: 1589
Контактная информация:

Re: Подключение различных компонентов к плате Mesa 7I77

Сообщение nkp »

для начала - покажи схему ладдера(скрин всего окна ладдера )
Mehobr
Почётный участник
Почётный участник
Сообщения: 163
Зарегистрирован: 15 июн 2015, 00:20
Репутация: 18
Настоящее имя: Евгений
Контактная информация:

Re: Подключение различных компонентов к плате Mesa 7I77

Сообщение Mehobr »

Пустой CL
Вложения
2113.png (2726 просмотров) <a class='original' href='./download/file.php?id=170495&mode=view' target=_blank>Загрузить оригинал (24.02 КБ)</a>
Ответить

Вернуться в «MESA»