StepMaster ver 2.5
- BOdrOFF
- Мастер
- Сообщения: 363
- Зарегистрирован: 26 май 2017, 11:48
- Репутация: 199
- Настоящее имя: Федор Николаевич
- Контактная информация:
Re: StepMaster ver 2.5
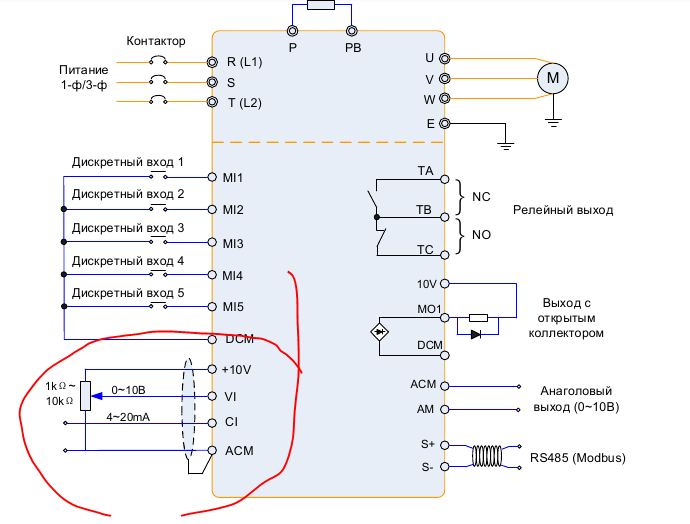
Kinda что-то невообразимое рисует по подключению ШИМ.
Фрезерные работы на заказ, примеры: https://vk.com/fmashines
Небольшой канал по созданию станка: https://www.youtube.com/channel/UC0JOyV ... subscriber
Небольшой канал по созданию станка: https://www.youtube.com/channel/UC0JOyV ... subscriber
- MX_Master
- Мастер
- Сообщения: 7488
- Зарегистрирован: 27 июн 2015, 19:45
- Репутация: 3113
- Настоящее имя: Михаил
- Откуда: Алматы
- Контактная информация:
Re: StepMaster ver 2.5
Это подстроечный резистор (:
-
sazn86
- Мастер
- Сообщения: 514
- Зарегистрирован: 30 ноя 2016, 09:41
- Репутация: 19
- Контактная информация:
Re: StepMaster ver 2.5
Добрый день. Появилась необходимость в ШИМ управлении частотой вращения шпинделя. Обороты плаваю 50-200, как я понял из этой ветки форума необходимо перепрошивать плату? По другому проблему не решить?
- michael-yurov
- Почётный участник

- Сообщения: 11730
- Зарегистрирован: 26 июл 2012, 00:10
- Репутация: 4703
- Настоящее имя: Михаил Львович
- Откуда: Новоуральск
- Контактная информация:
Re: StepMaster ver 2.5
А что не так? Ну, кроме того, что это не "подключение ШИМ", а два аналоговых входа (вход тока и вход напряжения), общая линия и выход +10 В?BOdrOFF писал(а):Kinda что-то невообразимое рисует по подключению ШИМ.
- michael-yurov
- Почётный участник

- Сообщения: 11730
- Зарегистрирован: 26 июл 2012, 00:10
- Репутация: 4703
- Настоящее имя: Михаил Львович
- Откуда: Новоуральск
- Контактная информация:
Re: StepMaster ver 2.5
Есть много других вариантов. Ничего секретного. Самые обычные способы решения задач в электронике. Но самый простой — обновить прошивку степматсера.sazn86 писал(а):Добрый день. Появилась необходимость в ШИМ управлении частотой вращения шпинделя. Обороты плаваю 50-200, как я понял из этой ветки форума необходимо перепрошивать плату? По другому проблему не решить?
- michael-yurov
- Почётный участник

- Сообщения: 11730
- Зарегистрирован: 26 июл 2012, 00:10
- Репутация: 4703
- Настоящее имя: Михаил Львович
- Откуда: Новоуральск
- Контактная информация:
Re: StepMaster ver 2.5
Забрал посылку с неисправной платой. Проверил.BOdrOFF писал(а):Плата проработала 2 минуты и погасла. К компу не подключал. Блок пит в порядке.
больше не включалась.
Поменял блок питания, никак.
Поотсоединял всё. тоже никак.
Подключал 3 драйвера, выход шим на шпиндель, 3 датчика с резисторами.
Пробило танталовый конденсатор в цепи +5 В. Т.е. плата вышла из строя не по вине пользователя.
Но и я на устанавливаю не самые дешевые конденсаторы. В частности этот, вышедший из строя, был производства Samsung.
- Prav
- Мастер
- Сообщения: 834
- Зарегистрирован: 14 июл 2015, 05:10
- Репутация: 138
- Настоящее имя: Петр Раввинский
- Откуда: Москва
- Контактная информация:
Re: StepMaster ver 2.5
А на какое напряжение конденсатор?
- michael-yurov
- Почётный участник

- Сообщения: 11730
- Зарегистрирован: 26 июл 2012, 00:10
- Репутация: 4703
- Настоящее имя: Михаил Львович
- Откуда: Новоуральск
- Контактная информация:
Re: StepMaster ver 2.5
6 В.Prav писал(а):А на какое напряжение конденсатор?
Достаточно дорогая деталь, чтобы "на всякий случай" купить с запасом по напряжению.
- sima8520
- Почётный участник

- Сообщения: 4509
- Зарегистрирован: 24 ноя 2016, 23:35
- Репутация: 1617
- Настоящее имя: Илья
- Откуда: Беларусь, Гомель
- Контактная информация:
Re: StepMaster ver 2.5
Есть схема узла этого?
- michael-yurov
- Почётный участник

- Сообщения: 11730
- Зарегистрирован: 26 июл 2012, 00:10
- Репутация: 4703
- Настоящее имя: Михаил Львович
- Откуда: Новоуральск
- Контактная информация:
Re: StepMaster ver 2.5
Есть,..но эта линия 5 В выведена на внешние клеммы. Теоретически можно было что-то не то подключить внешнее.sima8520 писал(а):Есть схема узла этого?
- Serg
- Мастер
- Сообщения: 21923
- Зарегистрирован: 17 апр 2012, 14:58
- Репутация: 5183
- Заслуга: c781c134843e0c1a3de9
- Настоящее имя: Сергей
- Откуда: Москва
- Контактная информация:
Re: StepMaster ver 2.5
Танталы очень чувствительны даже к кратковременному превышению напряжения - их стоит выбирать с хорошим запасом.michael-yurov писал(а):Достаточно дорогая деталь, чтобы "на всякий случай" купить с запасом по напряжению.
Экономия странная: 10uFx6.3V - 15 руб, 10uFx16V - 20 руб. Для сравнения: керамика 0805 10uFx16V - 12 руб. Цены при покупке 1 штуки из наличия в РФ.
У тантала в корпусе D максимальный ток на частоте 100кГц (пульсации) - всего 400 мА...michael-yurov писал(а):Есть,..но эта линия 5 В выведена на внешние клеммы. Теоретически можно было что-то не то подключить внешнее.
Я не Христос, рыбу не раздаю, но могу научить, как сделать удочку...
- Prav
- Мастер
- Сообщения: 834
- Зарегистрирован: 14 июл 2015, 05:10
- Репутация: 138
- Настоящее имя: Петр Раввинский
- Откуда: Москва
- Контактная информация:
Re: StepMaster ver 2.5
Юров всё правильно делает...
-
Kiv33114
- Новичок
- Сообщения: 17
- Зарегистрирован: 09 сен 2017, 18:24
- Репутация: 0
- Настоящее имя: Николай
- Контактная информация:
Re: StepMaster ver 2.5
Всем доброе.
Может не нашел, подскажите пожалуйста, зачем нужен IDC-26M на плате?
Может не нашел, подскажите пожалуйста, зачем нужен IDC-26M на плате?
- BOdrOFF
- Мастер
- Сообщения: 363
- Зарегистрирован: 26 май 2017, 11:48
- Репутация: 199
- Настоящее имя: Федор Николаевич
- Контактная информация:
Re: StepMaster ver 2.5
Получил новую плату, спасибо Михаилу. Вчера на старой китайской плате станок потерял Z, пробил 6мм фрезой стол, теперь только со stepm работать. Только вот побаиваюсь подключать. Шпиндель пока что просто запитаю от реле или вообще в ручную.Все контакты сначала проверю на утечки, единственное как: это один контакт от мультиметра на место проверки, второй в руку. Может что покажет на переменном токе если есть утечки, но при этом китайплата работает без сгораний уже полторы недели без всяких проверок.michael-yurov писал(а):Забрал посылку с неисправной платой. Проверил.BOdrOFF писал(а):Плата проработала 2 минуты и погасла. К компу не подключал. Блок пит в порядке.
больше не включалась.
Поменял блок питания, никак.
Поотсоединял всё. тоже никак.
Подключал 3 драйвера, выход шим на шпиндель, 3 датчика с резисторами.
Пробило танталовый конденсатор в цепи +5 В. Т.е. плата вышла из строя не по вине пользователя.
Но и я на устанавливаю не самые дешевые конденсаторы. В частности этот, вышедший из строя, был производства Samsung.
Вопрос: как настраивать linuxсnc на длительность сигналов на одной из начальных страниц мастера настройки.
И как подключать инвертер kinda? я соединял первую подгоревшую с контактами Vi и GND.
VI инвертера kinda относительно корпуса выдаёт 32вольта переменки... Косяк???
Фрезерные работы на заказ, примеры: https://vk.com/fmashines
Небольшой канал по созданию станка: https://www.youtube.com/channel/UC0JOyV ... subscriber
Небольшой канал по созданию станка: https://www.youtube.com/channel/UC0JOyV ... subscriber
- sima8520
- Почётный участник

- Сообщения: 4509
- Зарегистрирован: 24 ноя 2016, 23:35
- Репутация: 1617
- Настоящее имя: Илья
- Откуда: Беларусь, Гомель
- Контактная информация:
Re: StepMaster ver 2.5
на корпусе может быть до половины сетевого напряжения, это говорит о наличии "сливных ёмкостей" в цепи фильтра помех питания преобразователя. Заземление решит проблему
- michael-yurov
- Почётный участник

- Сообщения: 11730
- Зарегистрирован: 26 июл 2012, 00:10
- Репутация: 4703
- Настоящее имя: Михаил Львович
- Откуда: Новоуральск
- Контактная информация:
Re: StepMaster ver 2.5
BOdrOFF, не подключай пока управление оборотами. На всякий случай. Позже подключишь.
Измерять в режиме переменного напряжения относительно корпуса и относительно минуса питания платы.
Хорошо бы в плане помех все корпуса (включая компьютер) соединить.
Про длительность задержки - в районе 5 - 10 мс установи (если там в миллисекундах задается)
Измерять в режиме переменного напряжения относительно корпуса и относительно минуса питания платы.
Хорошо бы в плане помех все корпуса (включая компьютер) соединить.
Про длительность задержки - в районе 5 - 10 мс установи (если там в миллисекундах задается)
- BOdrOFF
- Мастер
- Сообщения: 363
- Зарегистрирован: 26 май 2017, 11:48
- Репутация: 199
- Настоящее имя: Федор Николаевич
- Контактная информация:
Re: StepMaster ver 2.5
Видимо придётся препроверять все розетки ибо я сам проводил сюда питание с квартиры. И заземление отсутствует только на инвертере. А щипет локоть током от корпуса электрического шкафа.sima8520 писал(а):на корпусе может быть до половины сетевого напряжения, это говорит о наличии "сливных ёмкостей" в цепи фильтра помех питания преобразователя. Заземление решит проблему
Фрезерные работы на заказ, примеры: https://vk.com/fmashines
Небольшой канал по созданию станка: https://www.youtube.com/channel/UC0JOyV ... subscriber
Небольшой канал по созданию станка: https://www.youtube.com/channel/UC0JOyV ... subscriber
- BOdrOFF
- Мастер
- Сообщения: 363
- Зарегистрирован: 26 май 2017, 11:48
- Репутация: 199
- Настоящее имя: Федор Николаевич
- Контактная информация:
Re: StepMaster ver 2.5
Всё, поставил. Ускорение пришлось уменьшить так как опора из 30 труб со всеми распорками и косыми кто я наварил шаталась на хорошем ускорении вместе с подвалом и всем домом.
85кг стол скорость 80мм/с ускорение 700.
Сейчас подключу шпиндель и помпу на реле и можно работать.
85кг стол скорость 80мм/с ускорение 700.
Сейчас подключу шпиндель и помпу на реле и можно работать.
Фрезерные работы на заказ, примеры: https://vk.com/fmashines
Небольшой канал по созданию станка: https://www.youtube.com/channel/UC0JOyV ... subscriber
Небольшой канал по созданию станка: https://www.youtube.com/channel/UC0JOyV ... subscriber
-
loi_28
- Кандидат
- Сообщения: 91
- Зарегистрирован: 04 дек 2018, 08:49
- Репутация: 7
- Настоящее имя: Николай
- Контактная информация:
Re: StepMaster ver 2.5
Подключил шпиндель через плату и MACH3. Инвертор китайский, шпиндель водянка 24000 об. Обороты в Mach3 прекрасно регулируются(0-10вольт). Появился такой вопрос, а можно ли через данную плату и Mach3 менять направление вращения шпинделя? То есть как то подавать на инвертор сигнал для реверса шпинделя? Или в стандарте это не прокатит?
-
zalex777
- Новичок
- Сообщения: 4
- Зарегистрирован: 01 фев 2019, 17:30
- Репутация: 0
- Настоящее имя: Александр
- Контактная информация:
Re: StepMaster ver 2.5
По плавающим оборотам шпинделя, перепрошивка платы убирает не стабильность оборотов, но остается серьезная погрешность между программными(заданными) и фактическими оборотами, это если речь идет о переходе на ПО PureMotion.