Нужен совет по Leadshine AM882
- AlexNikov
- Мастер
- Сообщения: 1212
- Зарегистрирован: 05 янв 2014, 20:09
- Репутация: 721
- Настоящее имя: Алексей
- Откуда: Томск
- Контактная информация:
Re: Нужен совет по Leadshine AM882
Как и думалось, тоже самое. Может входы K-FLOP как-то определенным образом сконфигурировать нужно для сигнала открытый-коллектор (но кроме SetBitDirection, SetBit, ReadBit и ClearBit вроде нет других команд, да и они нужны для конфигурирования выходов а не входов)? Хотя лимиты же работают, по идее те-же открытые-коллекторы 
- AlexNikov
- Мастер
- Сообщения: 1212
- Зарегистрирован: 05 янв 2014, 20:09
- Репутация: 721
- Настоящее имя: Алексей
- Откуда: Томск
- Контактная информация:
Re: Нужен совет по Leadshine AM882
Дело в K-FLOP или в том как я все скоммутировал. При отключении провода от вывода +ALARM драйвера, идущего к PIN10 JP4 (резистор R на месте 1кОм), в дежурном режиме на клемме +ALARM на драйвере +3,3V, в аварии +0,2V.
Как-то не пойму в чем дело совсем, подскажите куда копать?
Всю разводку проводов проверил и прозвонил - точное соответствие схеме ниже: РАЗОБРАЛСЯ! Во второй раз наступил на те же грабли - схема у меня собрана с общим плюсом для ENABLE, ALARM, LIMIT и STEP DIR.
Как-то не пойму в чем дело совсем, подскажите куда копать?
Всю разводку проводов проверил и прозвонил - точное соответствие схеме ниже: РАЗОБРАЛСЯ! Во второй раз наступил на те же грабли - схема у меня собрана с общим плюсом для ENABLE, ALARM, LIMIT и STEP DIR.
- AlexNikov
- Мастер
- Сообщения: 1212
- Зарегистрирован: 05 янв 2014, 20:09
- Репутация: 721
- Настоящее имя: Алексей
- Откуда: Томск
- Контактная информация:
Re: Нужен совет по Leadshine AM882
Подскажите кто мб в курсе - после выпадения драйвера в аварию (мигает красный светодиод) в рабочий режим драйвер можно перевести только сбросив на нем питание (к примеру заехал портал в боковину - ШД в срыв, драйвер в аварию - тут по идее сделать бы сброс аварии, захомится по новой и работать)?
-
Darxton
- Мастер
- Сообщения: 2113
- Зарегистрирован: 17 янв 2013, 08:19
- Репутация: 623
- Контактная информация:
Re: Нужен совет по Leadshine AM882
вроде была настройка сброс по Enable. Гляньте руководство.
- AlexNikov
- Мастер
- Сообщения: 1212
- Зарегистрирован: 05 янв 2014, 20:09
- Репутация: 721
- Настоящее имя: Алексей
- Откуда: Томск
- Контактная информация:
Re: Нужен совет по Leadshine AM882
Да, есть такое - "ENA Reset" в ProTuner.Darxton писал(а):вроде была настройка сброс по Enable. Гляньте руководство.
-
Helium
- Кандидат
- Сообщения: 59
- Зарегистрирован: 18 май 2015, 10:56
- Репутация: 5
- Контактная информация:
Re: Нужен совет по Leadshine AM882
Электролиты бы перепаять. Какая марка и какая серия стоит, не заметили? Вряд ли японские. Я свои получу, наверно, перепаяю, на что-нибудь на 105С и на 7000-10000 часов жизни, благо спец. оборудование для выпайки и опыт имеется.AlexNikov писал(а):Приехали сегодня драйверы. Буду пробовать их подружить с к-флопом. Хочу сделать сравнительный тест по работе ШД с к-степом и Ледшайнами. А вот его требуха, все названия микрух наглухо затертыВ этих драйверах диодного моста нет, так что питаются они только постоянным напряжением.
- AlexNikov
- Мастер
- Сообщения: 1212
- Зарегистрирован: 05 янв 2014, 20:09
- Репутация: 721
- Настоящее имя: Алексей
- Откуда: Томск
- Контактная информация:
Re: Нужен совет по Leadshine AM882
Как-то не замечал на форуме, что у народа проблемы с электролитами в Ледшайнах были....ну и на марку емкостей я внимания не обращал...Helium писал(а):Электролиты бы перепаять. Какая марка и какая серия стоит, не заметили? Вряд ли японские. Я свои получу, наверно, перепаяю, на что-нибудь на 105С и на 7000-10000 часов жизни, благо спец. оборудование для выпайки и опыт имеется.AlexNikov писал(а):Приехали сегодня драйверы. Буду пробовать их подружить с к-флопом. Хочу сделать сравнительный тест по работе ШД с к-степом и Ледшайнами. А вот его требуха, все названия микрух наглухо затертыВ этих драйверах диодного моста нет, так что питаются они только постоянным напряжением.
- michael-yurov
- Почётный участник

- Сообщения: 11731
- Зарегистрирован: 26 июл 2012, 00:10
- Репутация: 4703
- Настоящее имя: Михаил Львович
- Откуда: Новоуральск
- Контактная информация:
Re: Нужен совет по Leadshine AM882
Не думал, что для выпайки выводного конденсатора требуется спецоборудование.Helium писал(а):благо спец. оборудование для выпайки и опыт имеется.
-
Helium
- Кандидат
- Сообщения: 59
- Зарегистрирован: 18 май 2015, 10:56
- Репутация: 5
- Контактная информация:
Re: Нужен совет по Leadshine AM882
Вообще-то по-хорошему требуется, имею ввиду desolder gun, особенно если надо выпаять десяток кондеров. Металлизацию платы можно повредить запросто. Не, ну можно и утюгом паять, я не спорю.
- AlexNikov
- Мастер
- Сообщения: 1212
- Зарегистрирован: 05 янв 2014, 20:09
- Репутация: 721
- Настоящее имя: Алексей
- Откуда: Томск
- Контактная информация:
Re: Нужен совет по Leadshine AM882
Паяльная станция более менее нормальная - к примеру Quick203G (я такой паяю и доволен как удавHelium писал(а):Вообще-то по-хорошему требуется, имею ввиду desolder gun, особенно если надо выпаять десяток кондеров. Металлизацию платы можно повредить запросто. Не, ну можно и утюгом паять, я не спорю.
- Serg
- Мастер
- Сообщения: 21923
- Зарегистрирован: 17 апр 2012, 14:58
- Репутация: 5183
- Заслуга: c781c134843e0c1a3de9
- Настоящее имя: Сергей
- Откуда: Москва
- Контактная информация:
Re: Нужен совет по Leadshine AM882
Есть у меня и правильные паяльные станции и правильные оловоотсосы и ИК грелки, но опыт утверждает, что для выпаивания выводных деталей самый правильный инструмент - именно desolder gun.
Я не Христос, рыбу не раздаю, но могу научить, как сделать удочку...
- Patriot
- Мастер
- Сообщения: 223
- Зарегистрирован: 31 авг 2015, 17:52
- Репутация: 57
- Настоящее имя: Sergei
- Откуда: Limassol
- Контактная информация:
Re: Нужен совет по Leadshine AM882
Товарищи, подскажите! Драйвера AM882H, моторы 23HS2430. 3A - это же номинальная нагрузка, а не пиковая? Т.е. на драйвере надо выставлять ток в пиковый 4.6, а рмс в 3.29 ??
И по подключение обмоток: как определить какой провод A(B)+ и какой A(B)- ?? Т.е. полярность?
В инете находил для одного и тогоже ШД разные варианты цветов:)) Пару прозвонить то не проблема, а какой из них какой хз.
Ну и по дроблению шага. Его надо делать или нет?
И по подключение обмоток: как определить какой провод A(B)+ и какой A(B)- ?? Т.е. полярность?
В инете находил для одного и тогоже ШД разные варианты цветов:)) Пару прозвонить то не проблема, а какой из них какой хз.
Ну и по дроблению шага. Его надо делать или нет?
-
Darxton
- Мастер
- Сообщения: 2113
- Зарегистрирован: 17 янв 2013, 08:19
- Репутация: 623
- Контактная информация:
Re: Нужен совет по Leadshine AM882
Можно методом тыка, мотор не сдохнет.Patriot писал(а): это же номинальная нагрузка, а не пиковая? Т.е. на драйвере надо выставлять ток в пиковый 4.6, а рмс в 3.29 ??
из документации. но я бы рекомендовал опять методом тыка, все равно документация частенько отстает от реалий. Главное не попутать провода от разных фаз. А порядок фаз и полярность не важны(можно А подключить на В). Если поехал не в ту сторону, перекинуть провода в одной пареPatriot писал(а):И по подключение обмоток: как определить какой провод A(B)+ и какой A(B)- ?? Т.е. полярность?
надо. опять же тыком. Можно начать с 1/16 ))Patriot писал(а):Ну и по дроблению шага. Его надо делать или нет?
.
- Patriot
- Мастер
- Сообщения: 223
- Зарегистрирован: 31 авг 2015, 17:52
- Репутация: 57
- Настоящее имя: Sergei
- Откуда: Limassol
- Контактная информация:
Re: Нужен совет по Leadshine AM882
Вроде все собрал, подключил. Сейчас экспериментирую со скоростями. На 2500 мм/мин и выше на драйверах срабатывает защита:
БП 70В 800Вт 11.4А, драйвера AM882H, моторы 23hs2430 ( 3 ампера ). На драйверах выставил ток 3.29/4.6, микрошаг в 1/8.
В общем, почему так происходит? Моторы слабые?
В общем, почему так происходит? Моторы слабые?
-
Darxton
- Мастер
- Сообщения: 2113
- Зарегистрирован: 17 янв 2013, 08:19
- Репутация: 623
- Контактная информация:
Re: Нужен совет по Leadshine AM882
Сложно сказать удалённо. Вот тут в последнем вопросе на эту тему я высказал, что мог.Patriot писал(а):В общем, почему так происходит? Моторы слабые?
http://darxton.ru/wiki-article/chasto-z ... sing-steps
Кстати, можно попробовать снизить ток. Это может парадоксальным на первый взгляд образом увеличить момент.
Или вообще попробовать отключить определение срыва.
- Patriot
- Мастер
- Сообщения: 223
- Зарегистрирован: 31 авг 2015, 17:52
- Репутация: 57
- Настоящее имя: Sergei
- Откуда: Limassol
- Контактная информация:
Re: Нужен совет по Leadshine AM882
Помогла автонастройка драйвера - все вылечелось. А потом еще и ток снизил - еще лучше стало!:)Darxton писал(а):Сложно сказать удалённо. Вот тут в последнем вопросе на эту тему я высказал, что мог.Patriot писал(а):В общем, почему так происходит? Моторы слабые?
http://darxton.ru/wiki-article/chasto-z ... sing-steps
Кстати, можно попробовать снизить ток. Это может парадоксальным на первый взгляд образом увеличить момент.
Или вообще попробовать отключить определение срыва.
А кто-нить подключал протюнер? Попробовал подключить по этой схеме через ftdi - не видит(( только железный компорт нужен?
http://www.leadshine.com/UploadFile/Dow ... cation.pdf
Через железный ком-порт тоже не видит(((
- Patriot
- Мастер
- Сообщения: 223
- Зарегистрирован: 31 авг 2015, 17:52
- Репутация: 57
- Настоящее имя: Sergei
- Откуда: Limassol
- Контактная информация:
Re: Нужен совет по Leadshine AM882
Разобрался. Есть пара хитростей:
1) Только железный COM-опрт, через FTDI и CH340 не работает
2) SW1,2,3 в ON, SW4 в OFF
3) Подключать на выключенном драйвере. Если подсоединять на включенном- работать не будет.
1) Только железный COM-опрт, через FTDI и CH340 не работает
2) SW1,2,3 в ON, SW4 в OFF
3) Подключать на выключенном драйвере. Если подсоединять на включенном- работать не будет.
- Serg
- Мастер
- Сообщения: 21923
- Зарегистрирован: 17 апр 2012, 14:58
- Репутация: 5183
- Заслуга: c781c134843e0c1a3de9
- Настоящее имя: Сергей
- Откуда: Москва
- Контактная информация:
Re: Нужен совет по Leadshine AM882
У меня работало через FTDI, подключенный к компу с Linux, с него /dev/ttyUSB0 по сети был "проброшен" на другой комп с Linux, на котором был запущен эмулятор qemu, в котором стояла win7.Patriot писал(а):1) Только железный COM-опрт, через FTDI и CH340 не работает
Я не Христос, рыбу не раздаю, но могу научить, как сделать удочку...
-
a-rey
- Кандидат
- Сообщения: 59
- Зарегистрирован: 17 июл 2015, 08:57
- Репутация: 5
- Настоящее имя: Андрей
- Контактная информация:
Re: Нужен совет по Leadshine AM882
Всем привет! подниму тему...
плата вот такая драверы Leadshine EM806
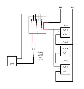
Есть желание подключить ALARM, но запутался как сделать в моем случае. На плате коммутации есть только концевики с замыканием на GND.
К драйверу подключено с общим плюсом. Схема ниже.
Насколько я понимаю по инструкции Leadshine с моей платой не получится. Да еще и объединять ALM+ нельзя.(
В сети нашел такой набросок. Посоветуйте как сделать ?
плата вот такая драверы Leadshine EM806
Есть желание подключить ALARM, но запутался как сделать в моем случае. На плате коммутации есть только концевики с замыканием на GND.
К драйверу подключено с общим плюсом. Схема ниже.
Насколько я понимаю по инструкции Leadshine с моей платой не получится. Да еще и объединять ALM+ нельзя.(
В сети нашел такой набросок. Посоветуйте как сделать ?
-
a-rey
- Кандидат
- Сообщения: 59
- Зарегистрирован: 17 июл 2015, 08:57
- Репутация: 5
- Настоящее имя: Андрей
- Контактная информация:
Re: Нужен совет по Leadshine AM882
Решено с помощью такого релейного модуля, правда немного доработано, так как выход с драйвера по "+"
Цена проблемы была - 150 руб)
Цена проблемы была - 150 руб)