Пуско-наладка, LinuxCNC + MESA 7i76E и другое

Обсуждение установки, настройки и использования LinuxCNC. Вопросы по Gкоду.
Аватара пользователя
vitzin
Мастер
Сообщения: 419
Зарегистрирован: 27 фев 2020, 14:16
Репутация: 56
Настоящее имя: viktor vizin
Контактная информация:

Re: Пуско-наладка, LinuxCNC + MESA 7i76E и другое

Сообщение vitzin »

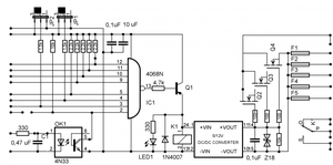
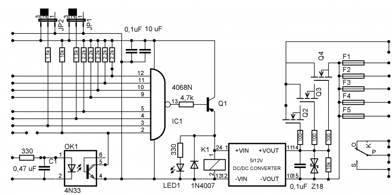
может быть с 4068н,где то так,восемь входоф,и один выход,
dc klein.png (2610 просмотров) <a class='original' href='./download/file.php?id=186888&sid=611f887744bc5ec34148cc8780691455&mode=view' target=_blank>Загрузить оригинал (129.5 КБ)</a>
у меня так все трайбера подключены,если один уходит в ошбку,отключается нагрузка,
можно наверное всё после 4068н выкинуть,и завести сигнал в Мессу.
я просто ни разу не электрик
Аватара пользователя
xenon-alien
Почётный участник
Почётный участник
Сообщения: 4520
Зарегистрирован: 01 янв 2013, 13:13
Репутация: 925
Настоящее имя: Daniel
Откуда: Закарпатская обл. Украина
Контактная информация:

Re: Пуско-наладка, LinuxCNC + MESA 7i76E и другое

Сообщение xenon-alien »

Не совсем...
Вот нашел что-то, но я другое припоминаю... :thinking: и то не могу найти. (а может и это было... :thinking: )
https://www.youtube.com/watch?v=J6oFJ60EwGM
alex_sar
Мастер
Сообщения: 1863
Зарегистрирован: 28 авг 2018, 17:13
Репутация: 315
Настоящее имя: Алексей
Контактная информация:

Re: Пуско-наладка, LinuxCNC + MESA 7i76E и другое

Сообщение alex_sar »

если там открытый коллектор на выходе, то соединяется вот так

Изображение

картинка (с)

транзистор в этой схеме срабатывает примерно как реле - открывается и начинает пропускать через себя ток.
Аватара пользователя
xenon-alien
Почётный участник
Почётный участник
Сообщения: 4520
Зарегистрирован: 01 янв 2013, 13:13
Репутация: 925
Настоящее имя: Daniel
Откуда: Закарпатская обл. Украина
Контактная информация:

Re: Пуско-наладка, LinuxCNC + MESA 7i76E и другое

Сообщение xenon-alien »

alex_sar писал(а): 28 сен 2020, 21:18 если там открытый коллектор на выходе, то соединяется вот так

Изображение

картинка (с)

транзистор в этой схеме срабатывает примерно как реле - открывается и начинает пропускать через себя ток.
Благодарю! Тоже вариант!
Но там как-то именно последовательно было... :thinking:
Получается три штуки 2260 (стр. 11)
3hss2260_v2.0_eng.pdf
(784.25 КБ) 1353 скачивания
И один китайский HB860D (стр. 5)
ZDM-2HA865 Specification.pdf
(653.47 КБ) 645 скачиваний
Да и в некоторых случаях видел что можно менять уровни и по идее можем получить +24в на выходе цепочки и при прерывании отрубается станок.
alex_sar
Мастер
Сообщения: 1863
Зарегистрирован: 28 авг 2018, 17:13
Репутация: 315
Настоящее имя: Алексей
Контактная информация:

Re: Пуско-наладка, LinuxCNC + MESA 7i76E и другое

Сообщение alex_sar »

у вас другие драйвера, не как в видео. оптопары на выходе стоят.
там по умолчанию (без ошибки) оптопары открыты или нет? ток проводят? и самое главное - у обоих девайсов одинаково?

если так, то действительно нужно последовательно включать.
Аватара пользователя
xenon-alien
Почётный участник
Почётный участник
Сообщения: 4520
Зарегистрирован: 01 янв 2013, 13:13
Репутация: 925
Настоящее имя: Daniel
Откуда: Закарпатская обл. Украина
Контактная информация:

Re: Пуско-наладка, LinuxCNC + MESA 7i76E и другое

Сообщение xenon-alien »

alex_sar писал(а): 28 сен 2020, 21:30 у вас другие драйвера, не как в видео. оптопары на выходе стоят.
там по умолчанию (без ошибки) оптопары открыты или нет? ток проводят? и самое главное - у обоих девайсов одинаково?

если так, то действительно нужно последовательно включать.
Только задался этим вопросом...
Шкаф в процессе сборки...
К сожалению фото не позволяет форум добавить. (даже уменьшил размер - не прокатило)
Завтра как раз буду проверять. За одно можно ли менять уровни изменять - 0 и 1, что бы при корректной работе был открыт и пропускал 24в.
Если не получится, то буду делать, как выше на твоей схеме с)

На синем драйвере HB860D нет возможности менять, а на 2260 есть параметр 15 Fault polarity output level
Завтра проверю.
Аватара пользователя
xenon-alien
Почётный участник
Почётный участник
Сообщения: 4520
Зарегистрирован: 01 янв 2013, 13:13
Репутация: 925
Настоящее имя: Daniel
Откуда: Закарпатская обл. Украина
Контактная информация:

Re: Пуско-наладка, LinuxCNC + MESA 7i76E и другое

Сообщение xenon-alien »

ТПК-125ВН2 - станок №1 переделан. Осталось на будущее: пневматический цанговый зажим организовать.
Для одного и того же процесса.
_____________ До моего прибытия ____________________________ После моего прибытия__________
20200423_114650.jpg (2501 просмотр) <a class='original' href='./download/file.php?id=187276&sid=611f887744bc5ec34148cc8780691455&mode=view' target=_blank>Загрузить оригинал (210.09 КБ)</a>
20200511_121628.jpg (2501 просмотр) <a class='original' href='./download/file.php?id=187277&sid=611f887744bc5ec34148cc8780691455&mode=view' target=_blank>Загрузить оригинал (260.32 КБ)</a>
20200511_123945.jpg (2501 просмотр) <a class='original' href='./download/file.php?id=187281&sid=611f887744bc5ec34148cc8780691455&mode=view' target=_blank>Загрузить оригинал (3.55 МБ)</a>
20200511_123907.jpg (2501 просмотр) <a class='original' href='./download/file.php?id=187280&sid=611f887744bc5ec34148cc8780691455&mode=view' target=_blank>Загрузить оригинал (3.79 МБ)</a>
20200822_161908.jpg (2501 просмотр) <a class='original' href='./download/file.php?id=187282&sid=611f887744bc5ec34148cc8780691455&mode=view' target=_blank>Загрузить оригинал (4.07 МБ)</a>
20200922_090650.jpg (2501 просмотр) <a class='original' href='./download/file.php?id=187272&sid=611f887744bc5ec34148cc8780691455&mode=view' target=_blank>Загрузить оригинал (3.47 МБ)</a>
20200922_090709.jpg (2501 просмотр) <a class='original' href='./download/file.php?id=187273&sid=611f887744bc5ec34148cc8780691455&mode=view' target=_blank>Загрузить оригинал (4.4 МБ)</a>
20200922_090729.jpg (2501 просмотр) <a class='original' href='./download/file.php?id=187274&sid=611f887744bc5ec34148cc8780691455&mode=view' target=_blank>Загрузить оригинал (4.67 МБ)</a>
20200926_130813.jpg (2501 просмотр) <a class='original' href='./download/file.php?id=187275&sid=611f887744bc5ec34148cc8780691455&mode=view' target=_blank>Загрузить оригинал (3.56 МБ)</a>
20200902_152611.jpg (2501 просмотр) <a class='original' href='./download/file.php?id=187283&sid=611f887744bc5ec34148cc8780691455&mode=view' target=_blank>Загрузить оригинал (4.12 МБ)</a>
Механику ребята собирали, электронику-настройку - я.
Но запихнули электронику под станину и окончательный вид не сфотографировал в спешке, а доставать от туда неудобно...
Как достанем - будет дополнительное фото.
Аватара пользователя
xenon-alien
Почётный участник
Почётный участник
Сообщения: 4520
Зарегистрирован: 01 янв 2013, 13:13
Репутация: 925
Настоящее имя: Daniel
Откуда: Закарпатская обл. Украина
Контактная информация:

Re: Пуско-наладка, LinuxCNC + MESA 7i76E и другое

Сообщение xenon-alien »

20201104_154659.jpg (2337 просмотров) <a class='original' href='./download/file.php?id=189100&sid=611f887744bc5ec34148cc8780691455&mode=view' target=_blank>Загрузить оригинал (3.92 МБ)</a>
Давно тут ничего не постил.
За одно задам парочку вопросов.
Запустили УСП фрезер. (уже есть на нем кабельканалы - фото старое)
Сегодня пытался поработать на нём.
В роди бы всё гуд, но заметил нечто неприятное.
LinuxCNC 2.7.15 (которая с "диска" 64 бит) + MESA 7i76E.
Попытался работать в g56 системе координат (чтобы используемые не "сбивать") и при первых модификациях всё обнуляется. Повторно по идее тоже обнуляется но значение на дисплее не меняется. Что это может быть? (перезапуск программы всё показывает по нулям, если вернуться в ту точку где обнулял и всё корректно запомнило, но отображало не то)
Второй момент.
На скорую руку написал УП (прошу сильно не пинать), что бы заготовки ровнять.
torcevanie ploskosti na frezere.ngc
(754 байт) 219 скачиваний
В тисках была зажата заготовка на ребро. Одна сторона получилась хорошо. Повернул на 180°, а там уехало начало программы на 24мм вместо 16 (в УП 60 менял на 16, а может и 15, точно не помню).
С чем может быть связано такое поведение? Косяк в УП? Косяк в ЛЦНЦ? Косяк, что повторно не выбрал g56? (тогда бы должен был не доехать, потому что в g54 у0 в теперешнем -9)
Хотя он был в нулях, по ХУ, только углубления добавил.
Аватара пользователя
sima8520
Почётный участник
Почётный участник
Сообщения: 4510
Зарегистрирован: 24 ноя 2016, 23:35
Репутация: 1617
Настоящее имя: Илья
Откуда: Беларусь, Гомель
Контактная информация:

Re: Пуско-наладка, LinuxCNC + MESA 7i76E и другое

Сообщение sima8520 »

Может в таблице инструмента какая то бяка, типа смещения
AlekseySP
Опытный
Сообщения: 128
Зарегистрирован: 28 дек 2016, 03:25
Репутация: 32
Настоящее имя: Алексей
Контактная информация:

Re: Пуско-наладка, LinuxCNC + MESA 7i76E и другое

Сообщение AlekseySP »

xenon-alien писал(а): С чем может быть связано такое поведение? Косяк в УП? Косяк в ЛЦНЦ? Косяк, что повторно не выбрал g56?
Я бы добавл G56 в начало программы
Аватара пользователя
Serg
Мастер
Сообщения: 21923
Зарегистрирован: 17 апр 2012, 14:58
Репутация: 5183
Заслуга: c781c134843e0c1a3de9
Настоящее имя: Сергей
Откуда: Москва
Контактная информация:

Re: Пуско-наладка, LinuxCNC + MESA 7i76E и другое

Сообщение Serg »

AlekseySP писал(а): Я бы добавл G56 в начало программы
Зачем? Чтоб если понадобится запустить УП в другой системе координат станок вел себя более загадочно?.. :)
Я не Христос, рыбу не раздаю, но могу научить, как сделать удочку...
Аватара пользователя
xenon-alien
Почётный участник
Почётный участник
Сообщения: 4520
Зарегистрирован: 01 янв 2013, 13:13
Репутация: 925
Настоящее имя: Daniel
Откуда: Закарпатская обл. Украина
Контактная информация:

Re: Пуско-наладка, LinuxCNC + MESA 7i76E и другое

Сообщение xenon-alien »

20201125_121818.jpg (2227 просмотров) <a class='original' href='./download/file.php?id=189118&sid=611f887744bc5ec34148cc8780691455&mode=view' target=_blank>Загрузить оригинал (3.5 МБ)</a>
20201125_153835.jpg (2227 просмотров) <a class='original' href='./download/file.php?id=189119&sid=611f887744bc5ec34148cc8780691455&mode=view' target=_blank>Загрузить оригинал (3.53 МБ)</a>
20201125_093552.jpg (2227 просмотров) <a class='original' href='./download/file.php?id=189117&sid=611f887744bc5ec34148cc8780691455&mode=view' target=_blank>Загрузить оригинал (4.63 МБ)</a>
Ну что я могу сказать...
Сегодня понаблюдал за работой станка, нужно было пару деталек сделать.
Вчера не верно написал G56. G55 глючит.
Сегодня перешел в G56, что бы вчерашние не трогать. Всё обнуляется и верно отображается.
После окончания УП, созданной в арткаме, ЛЦНЦ автоматически переключается в G54 и отображает на мониторе G54.
Если в MDI переключится то отображает G54. Но если дать команду G56, то всюду верно отображает.
После обед пришлось опять поработать в G55 и картина, как вчера. После окончания УП (что в файле) отображает G55, но в MDI видно активированный G54. Короче, не понятно в чем дело... :thinking:
После меня ещё захотел человек поработать в G54, который он себе ещё давно выставил, но увы и ах не переключается обратно в G54 и отображает G55, хотя в MDI G54 активен и работает не понятно в каких координатах.
Пришлось перезапустить программу ЛЦНЦ, отправить в дома и только тогда заработало.
Я так понимаю, что это у всех так? Или только мне так "повезло"? Или я чего-то недонастроил? (хотя что-то подобное на каком-то форуме встречал, только фиг найдешь, когда надо)
Вспомнил ещё кое-что, УП (который в файле) отрубал стопом, из-за лишних проходов.

Нужно будет почитать про переменные, а то насколько я понял, то использовал глобальные, что не всегда хорошо... :thinking:
alex_sar
Мастер
Сообщения: 1863
Зарегистрирован: 28 авг 2018, 17:13
Репутация: 315
Настоящее имя: Алексей
Контактная информация:

Re: Пуско-наладка, LinuxCNC + MESA 7i76E и другое

Сообщение alex_sar »

Наталкивался на похожий глюк. Не помню точно в чём дело было. То ли не отображались координаты, то ли ещё что-то наподобие.

Есть такая особенность, что если после загрузки программы поменять привязку (обнулится в другом месте например), то программа всё-равно поедет по старому. Поэтому перед запуском на автомате нажимаю Reload программы. На всякий случай. Возможно у вас что-то похожее. Попробуйте программу перезапускать перед стартом.
Сегодня перешел в G56, что бы вчерашние не трогать.
Смещения системы координат можно записать (или сфоткать), тогда вернутся не проблема.
Самое простое - приехать в 0,0 и посмотреть абсолютные координаты.
Потом в любой момент можно по G53 приехать в эти же координаты и обнулиться.
Аватара пользователя
xenon-alien
Почётный участник
Почётный участник
Сообщения: 4520
Зарегистрирован: 01 янв 2013, 13:13
Репутация: 925
Настоящее имя: Daniel
Откуда: Закарпатская обл. Украина
Контактная информация:

Re: Пуско-наладка, LinuxCNC + MESA 7i76E и другое

Сообщение xenon-alien »

alex_sar писал(а): Поэтому перед запуском на автомате нажимаю Reload программы.
Это в любом случае делается, так как программу меняю. Я потом только Z меняю и всё равно едет непонятно куда.
alex_sar писал(а): Смещения системы координат можно записать (или сфоткать), тогда вернутся не проблема.
Логично, но если они все нужны в одной УП? (несколько заготовок по разным СК)
Аватара пользователя
Serg
Мастер
Сообщения: 21923
Зарегистрирован: 17 апр 2012, 14:58
Репутация: 5183
Заслуга: c781c134843e0c1a3de9
Настоящее имя: Сергей
Откуда: Москва
Контактная информация:

Re: Пуско-наладка, LinuxCNC + MESA 7i76E и другое

Сообщение Serg »

Очень часто использую нескольно систем координат, например когда нужно сделать несколько деталей с несколькими установками. Так-же использую несколько систем координат, когда датчиком нужно сделать несколько измерений - в моих циклах ноль в системе координат и текущая позиция инструмента используются для ввода параметров этих циклов. С подобным не сталкивался.
А вообще из описания проблемы непонятно что отображается и где... В LinuxCNC есть несколько мест и способов для отображения координат, про какой-из них идёт речь непонятно.
Я не Христос, рыбу не раздаю, но могу научить, как сделать удочку...
Аватара пользователя
xenon-alien
Почётный участник
Почётный участник
Сообщения: 4520
Зарегистрирован: 01 янв 2013, 13:13
Репутация: 925
Настоящее имя: Daniel
Откуда: Закарпатская обл. Украина
Контактная информация:

Re: Пуско-наладка, LinuxCNC + MESA 7i76E и другое

Сообщение xenon-alien »

Я использую axis.
Там где превю кода там отображает g55, но во вкладке MDI есть поле, где показываются активние g-коды. Вот там g54, когда закончит прлграмму. А на главном остается g55. На второй вкадке, где просто координаты, там тоже g55
Это версия 2.7.15.
AlekseySP
Опытный
Сообщения: 128
Зарегистрирован: 28 дек 2016, 03:25
Репутация: 32
Настоящее имя: Алексей
Контактная информация:

Re: Пуско-наладка, LinuxCNC + MESA 7i76E и другое

Сообщение AlekseySP »

Serg писал(а): 25 ноя 2020, 13:23 Зачем? Чтоб если понадобится запустить УП в другой системе координат станок вел себя более загадочно?.. :)
Не понял, в чём загадочность? Работает в G56, в программу добавить G56. И никаких загадок. Элементарная предосторожность, если пользуешься разными системами координат так укажи в программе какой именно. Особенно если станок как проходной двор. Ну если голова как компьютер и в принципе ничего не забывается, то дело хозяйское.
Аватара пользователя
xenon-alien
Почётный участник
Почётный участник
Сообщения: 4520
Зарегистрирован: 01 янв 2013, 13:13
Репутация: 925
Настоящее имя: Daniel
Откуда: Закарпатская обл. Украина
Контактная информация:

Re: Пуско-наладка, LinuxCNC + MESA 7i76E и другое

Сообщение xenon-alien »

AlekseySP писал(а): Работает в G56, в программу добавить G56.
Вот как раз в g56 проблем нет.
Что в ручную, что через УП всё чётко работает.
А вот в g55 танцы с бубном...
Аватара пользователя
Nick
Мастер
Сообщения: 22776
Зарегистрирован: 23 ноя 2009, 16:45
Репутация: 1735
Заслуга: Developer
Откуда: Gatchina, Saint-Petersburg distr., Russia
Контактная информация:

Re: Пуско-наладка, LinuxCNC + MESA 7i76E и другое

Сообщение Nick »

Про конец программы был как-то разговор. И что-то было про M2 и M30...
Хотя в доках вроде как они работают почти одинаково...
M2, M30 Program End
M2 - end the program. Pressing Cycle Start ("R" in the Axis GUI) will restart the program at the beginning of the file.
M30 - exchange pallet shuttles and end the program. Pressing Cycle Start will start the program at the beginning of the file.
Both of these commands have the following effects:
  • Change from Auto mode to MDI mode.
  • Origin offsets are set to the default (like G54).
  • Selected plane is set to XY plane (like G17).
  • Distance mode is set to absolute mode (like G90).
  • Feed rate mode is set to units per minute (like G94).
  • Feed and speed overrides are set to ON (like M48).
  • Cutter compensation is turned off (like G40).
  • The spindle is stopped (like M5).
  • The current motion mode is set to feed (like G1).
  • Coolant is turned off (like M9).
Я так понял, что основная проблема, в том, что в ручном режиме система координат не поменялась?
Аватара пользователя
xenon-alien
Почётный участник
Почётный участник
Сообщения: 4520
Зарегистрирован: 01 янв 2013, 13:13
Репутация: 925
Настоящее имя: Daniel
Откуда: Закарпатская обл. Украина
Контактная информация:

Re: Пуско-наладка, LinuxCNC + MESA 7i76E и другое

Сообщение xenon-alien »

20201126_104321.jpg (2158 просмотров) <a class='original' href='./download/file.php?id=189125&sid=611f887744bc5ec34148cc8780691455&mode=view' target=_blank>Загрузить оригинал (7.18 МБ)</a>
20201126_104824.jpg (2157 просмотров) <a class='original' href='./download/file.php?id=189127&sid=611f887744bc5ec34148cc8780691455&mode=view' target=_blank>Загрузить оригинал (6.28 МБ)</a>
20201126_104838.jpg (2157 просмотров) <a class='original' href='./download/file.php?id=189126&sid=611f887744bc5ec34148cc8780691455&mode=view' target=_blank>Загрузить оригинал (5.5 МБ)</a>
Nick писал(а): Я так понял, что основная проблема, в том, что в ручном режиме система координат не поменялась?
Что самое интересное, что это только с G55.
После окончания программы должно переключится в G54. На вкладке MDI видно, что активна G54, но на "главном" дисплее остается G55.
Это фото после ручного стопа УП.
Ответить

Вернуться в «LinuxCNC»