Станочный профиль
-
Алексей Ершов
- Новичок
- Сообщения: 20
- Зарегистрирован: 20 мар 2014, 12:54
- Репутация: 1
- Контактная информация:
Re: Станочный профиль
Сайт действительно с кракозяками отрывается. Проблемы на хостинге. В ближайшие время обещали починить.
http://www.rsi-llc.ru/ - алюминиевый конструкционный профиль
-
Алексей Ершов
- Новичок
- Сообщения: 20
- Зарегистрирован: 20 мар 2014, 12:54
- Репутация: 1
- Контактная информация:
Re: Станочный профиль
Чертежи есть в каталогах http://www.rosinstal.ru/catalog/Catalogi_PDF/index.phpFisher писал(а):По ссылке кракозябры в трех браузерахИ хотелось бы на чертеж глянуть.
У меня не праздное любопытство - мне профиль хороший всегда нужен
http://www.rsi-llc.ru/ - алюминиевый конструкционный профиль
- Fisher
- Почётный участник

- Сообщения: 3391
- Зарегистрирован: 09 апр 2012, 12:39
- Репутация: 424
- Откуда: Киров
- Контактная информация:
Re: Станочный профиль
Воть
Мне нужен профиль с толщиной диагоналей минимум 4 мм.
Кароч, если 2,8 мм и 2,96 мм превратить в 4 мм, то я бы такой брал.
Кароч, если 2,8 мм и 2,96 мм превратить в 4 мм, то я бы такой брал.
хотя 2,96 - это скорее тоже 2,8. не попал в точку ))
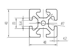
а-блин... там даже не 2,8. там 2,7 - на чертеже не заметил www.cncru.ru - все виды станков с ЧПУ. Комплектующие.
-
Алексей Ершов
- Новичок
- Сообщения: 20
- Зарегистрирован: 20 мар 2014, 12:54
- Репутация: 1
- Контактная информация:
Re: Станочный профиль
Может вам тогда 50х50 профиль подойдет?
Цена на профиль пропорциональна количеству алюминия в нем.
Цена на профиль пропорциональна количеству алюминия в нем.
http://www.rsi-llc.ru/ - алюминиевый конструкционный профиль
- Fisher
- Почётный участник

- Сообщения: 3391
- Зарегистрирован: 09 апр 2012, 12:39
- Репутация: 424
- Откуда: Киров
- Контактная информация:
Re: Станочный профиль
Не. 50х50 - это уже и не бюджетно и громоздко 
www.cncru.ru - все виды станков с ЧПУ. Комплектующие.
-
Алексей Ершов
- Новичок
- Сообщения: 20
- Зарегистрирован: 20 мар 2014, 12:54
- Репутация: 1
- Контактная информация:
Re: Станочный профиль
Под заказ от тонны, любое сечение, цена 15 долларов за кг, длинна до 5 метров, срок 8-12 недель. 
http://www.rsi-llc.ru/ - алюминиевый конструкционный профиль
- Fisher
- Почётный участник

- Сообщения: 3391
- Зарегистрирован: 09 апр 2012, 12:39
- Репутация: 424
- Откуда: Киров
- Контактная информация:
Re: Станочный профиль
Спасибо за информацию. Буду иметь в виду.
www.cncru.ru - все виды станков с ЧПУ. Комплектующие.
-
Алексей Ершов
- Новичок
- Сообщения: 20
- Зарегистрирован: 20 мар 2014, 12:54
- Репутация: 1
- Контактная информация:
Re: Станочный профиль
Коллеги.
Занимаюсь подбором фотоматериалов изделий из конструкционного/станочного профиля.
Ели у кого что есть из личного архива и кому не жалко, просьба скинуть на почту acc-kom@mail.ru.
Погуглить прошу не предлагать.
Занимаюсь подбором фотоматериалов изделий из конструкционного/станочного профиля.
Ели у кого что есть из личного архива и кому не жалко, просьба скинуть на почту acc-kom@mail.ru.
Погуглить прошу не предлагать.
http://www.rsi-llc.ru/ - алюминиевый конструкционный профиль
-
Uglykoyote
- Опытный
- Сообщения: 179
- Зарегистрирован: 06 июн 2013, 21:00
- Репутация: 24
- Контактная информация:
Re: Станочный профиль
привет. Вопрос небольшой - в размер режете? А то покупать хлыст, потом мучатся с доставкой и резать самому..
-
Алексей Ершов
- Новичок
- Сообщения: 20
- Зарегистрирован: 20 мар 2014, 12:54
- Репутация: 1
- Контактная информация:
Re: Станочный профиль
Добрый день.Uglykoyote писал(а):привет. Вопрос небольшой - в размер режете? А то покупать хлыст, потом мучатся с доставкой и резать самому..
В размер режем с точностью +/- 0,5мм стоимость 1 пила 30р.
http://www.rsi-llc.ru/ - алюминиевый конструкционный профиль
- megagad
- Почётный участник

- Сообщения: 3208
- Зарегистрирован: 05 апр 2014, 18:57
- Репутация: 712
- Откуда: Реуспублика Крым, Бахчисарай.
- Контактная информация:
Re: Станочный профиль
Вопрос - есть-ли онлайн-калькулятор, в котором можно оценить примерный возможный "винт" при приложении определённого вращающего момента к профилю?
Говоря проще - нужно оценить, насколько "вывернется" профиль, из которого будет сделан портал, если к нему приложено вращающее усилие через консоль оси Z
также хотелось-бы узнать - в Россию возят профиль подобного рода:

???
Говоря проще - нужно оценить, насколько "вывернется" профиль, из которого будет сделан портал, если к нему приложено вращающее усилие через консоль оси Z
также хотелось-бы узнать - в Россию возят профиль подобного рода:

???
We Do What We Must, Because We Can!
Причинять добро, наносить пользу и подвергать ласке.
Причинять добро, наносить пользу и подвергать ласке.
-
Алексей Ершов
- Новичок
- Сообщения: 20
- Зарегистрирован: 20 мар 2014, 12:54
- Репутация: 1
- Контактная информация:
Re: Станочный профиль
на фото у вас профиль item.megagad писал(а):Вопрос - есть-ли онлайн-калькулятор, в котором можно оценить примерный возможный "винт" при приложении определённого вращающего момента к профилю?
Говоря проще - нужно оценить, насколько "вывернется" профиль, из которого будет сделан портал, если к нему приложено вращающее усилие через консоль оси Z
также хотелось-бы узнать - в Россию возят профиль подобного рода:
???
В их каталогах есть формулы расчета. Калькулятор не встречал.
http://www.rsi-llc.ru/ - алюминиевый конструкционный профиль
-
Aquariumist
- Новичок
- Сообщения: 1
- Зарегистрирован: 05 фев 2015, 00:59
- Репутация: 0
- Настоящее имя: Сергей
- Контактная информация:
Re: Станочный профиль
Почитал комменты, подход к описанию характеристик профиля интересный

Может кто то научно подошел к проблеме и высчитал сколько осилит нагрузки ? Мне например для тумб аквариумных от 200 кг банки. Там же нашел приведенные ниже хар-ки, но они мне ничего не говорят, увы я не технарь.
Момент инерции, (Ix): 2,5 см4
Момент инерции, (Iy) : 2,5 см4
Момент сопротивления, (Wx) : 1,7 см3
Момент сопротивления, (Wy) : 1,7 см3
Площадь сечения профиля: 3,3 см2 .
есть характеристики его, госты, думаю справедливо он станочным называется, но дабы не быть голословными хотел бы спросить. Есть ли возможность как то просчитывать нагрузки на профиль? Формулы стандартные какие либо, если знать характеристики? А то только на глаз, не солидно судить о материале. Я брал профиль, вот этот, для моделистов знакомых, он отличается от того что на рис 1 но тоже 20х20, крепкий "как лом"Да я собственно не моменты сравнивал, а показал, что очень часто за станочный профиль выдают то, что для применения в станке годится разве что для крепления лампы освещения.
Может кто то научно подошел к проблеме и высчитал сколько осилит нагрузки ? Мне например для тумб аквариумных от 200 кг банки. Там же нашел приведенные ниже хар-ки, но они мне ничего не говорят, увы я не технарь.
Момент инерции, (Ix): 2,5 см4
Момент инерции, (Iy) : 2,5 см4
Момент сопротивления, (Wx) : 1,7 см3
Момент сопротивления, (Wy) : 1,7 см3
Площадь сечения профиля: 3,3 см2 .
- donvictorio
- Мастер
- Сообщения: 2458
- Зарегистрирован: 11 окт 2012, 16:26
- Репутация: 683
- Настоящее имя: Виктор
- Откуда: Санкт-Петербург
- Контактная информация:
Re: Станочный профиль
скинь артикул профиля или его чертёж dwg, вектор и момент, посчитаю. калькулятор - любой кад с анализатором конечных элементов.megagad писал(а):Вопрос - есть-ли онлайн-калькулятор, в котором можно оценить примерный возможный "винт" при приложении определённого вращающего момента к профилю?
Говоря проще - нужно оценить, насколько "вывернется" профиль, из которого будет сделан портал, если к нему приложено вращающее усилие через консоль оси Z
также хотелось-бы узнать - в Россию возят профиль подобного рода:
???
-
SVP
- Мастер
- Сообщения: 6140
- Зарегистрирован: 19 дек 2012, 15:49
- Репутация: 884
- Откуда: Москва
- Контактная информация:
Re: Станочный профиль
Жжет...Настоящее имя: Конструкционный профиль
- Тима
- Почётный участник

- Сообщения: 3162
- Зарегистрирован: 01 мар 2012, 20:47
- Репутация: 1089
- Настоящее имя: Тимур
- Откуда: КБР
- Контактная информация:
Re: Станочный профиль
Мужики, кто нибудь брал здесь профиль? http://soberizavod.ru/catalog/alyuminie ... tiya_248x/ (не сочтите за рекламу...)
В каталоге профили с покрытием и без покрытия... В чем преимущество профилей с покрытием?
В каталоге профили с покрытием и без покрытия... В чем преимущество профилей с покрытием?
Дорогу осилит идущий!
Я все пойму, Вы только дайте денег!!!
Я все пойму, Вы только дайте денег!!!
- balomut
- Почётный участник

- Сообщения: 889
- Зарегистрирован: 06 апр 2015, 10:56
- Репутация: 267
- Настоящее имя: Олег
- Откуда: Поланзбург
- Контактная информация:
Re: Станочный профиль
как анодируют алюминий знаешь ? Так вот это и есть покрытие .
Каждый сходит с ума так , как ему нравится !
- Тима
- Почётный участник

- Сообщения: 3162
- Зарегистрирован: 01 мар 2012, 20:47
- Репутация: 1089
- Настоящее имя: Тимур
- Откуда: КБР
- Контактная информация:
Re: Станочный профиль
Что это дает на практике? Профиль становится прочнее, устоичивее к каким-то воздействиям...?
Дорогу осилит идущий!
Я все пойму, Вы только дайте денег!!!
Я все пойму, Вы только дайте денег!!!
- balomut
- Почётный участник

- Сообщения: 889
- Зарегистрирован: 06 апр 2015, 10:56
- Репутация: 267
- Настоящее имя: Олег
- Откуда: Поланзбург
- Контактная информация:
Re: Станочный профиль
не покрывается окисью и красить не надо ,только там где рез или обработка .
Каждый сходит с ума так , как ему нравится !
-
rubanok
- Новичок
- Сообщения: 1
- Зарегистрирован: 20 фев 2017, 12:35
- Репутация: 0
- Настоящее имя: constructor
- Контактная информация:
Re: Станочный профиль
такой вот сложно найти... никто такой не находил?