Подключение БП к контроллеру MPC6535

Станки, создание станков, обсуждения, предложения.
das
Новичок
Сообщения: 21
Зарегистрирован: 25 май 2012, 02:49
Репутация: 0
Контактная информация:

Re: Подключение БП к контроллеру MPC6535

Сообщение das »

Nick писал(а):Слушай, а ты наверное прав...
вот что накопал:
похоже и правда на 4,5,6 - вешается аналог который перманентно контролирует мощность, а на 1 или вешается PWM в зависимости от того, какой сигнал берется за вкл.
Знаю что прав, но что мне от того толку?- вопрос ведь до сих пор без ответа..
4- масса
6- плюс пять.
5- и аналог и цифру кушает.
Пробовал ТТЛ-овские входы кусками провода с плохоочишенными концами вверх/вниз шевелить- понимает превосходно, но отталкивается при этом от аналога на 5-м по мощности.
В принципе- так же на всё это реагирует и 5-й.
Но зачем гадать и велосипед изобретать, если кто-то это просто знает!
Достаточно ведь просто правильно подключить эти два-три проводка.
das
Новичок
Сообщения: 21
Зарегистрирован: 25 май 2012, 02:49
Репутация: 0
Контактная информация:

Re: Подключение БП к контроллеру MPC6535

Сообщение das »

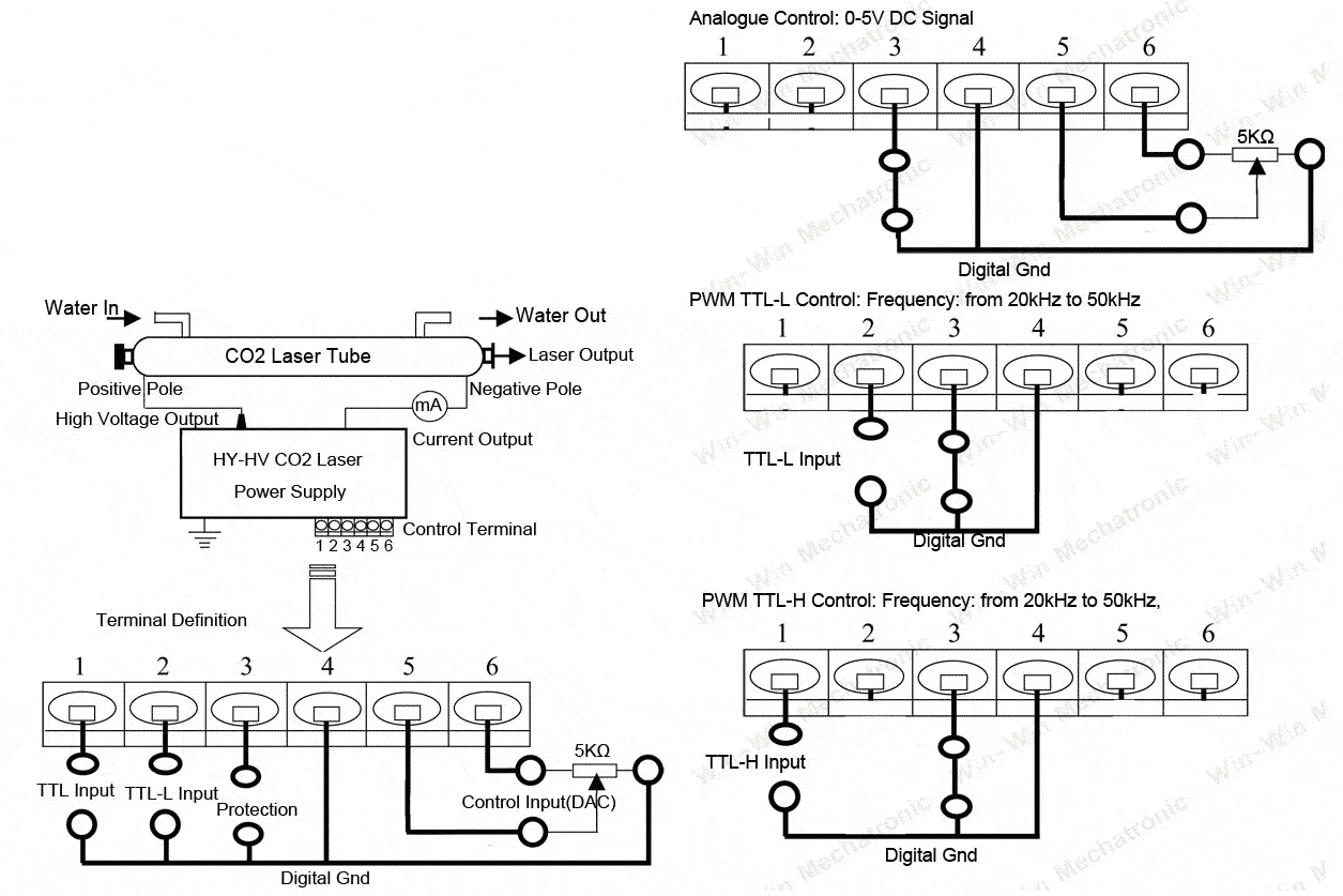
Новая информация по вопросу
Вложения
BP_1.gif (3530 просмотров) <a class='original' href='./download/file.php?id=5626&mode=view' target=_blank>Загрузить оригинал (59.65 КБ)</a>
Top.gif (3530 просмотров) <a class='original' href='./download/file.php?id=5627&mode=view' target=_blank>Загрузить оригинал (36.38 КБ)</a>
Аватара пользователя
Nick
Мастер
Сообщения: 22776
Зарегистрирован: 23 ноя 2009, 16:45
Репутация: 1735
Заслуга: Developer
Откуда: Gatchina, Saint-Petersburg distr., Russia
Контактная информация:

Re: Подключение БП к контроллеру MPC6535

Сообщение Nick »

das писал(а):Пробовал ТТЛ-овские входы кусками провода с плохоочишенными концами вверх/вниз шевелить- понимает превосходно, но отталкивается при этом от аналога на 5-м по мощности.
Ну да судя по первой схеме именно так и должно быть.
das
Новичок
Сообщения: 21
Зарегистрирован: 25 май 2012, 02:49
Репутация: 0
Контактная информация:

Re: Подключение БП к контроллеру MPC6535

Сообщение das »

Так- это как??!
Аватара пользователя
Nick
Мастер
Сообщения: 22776
Зарегистрирован: 23 ноя 2009, 16:45
Репутация: 1735
Заслуга: Developer
Откуда: Gatchina, Saint-Petersburg distr., Russia
Контактная информация:

Re: Подключение БП к контроллеру MPC6535

Сообщение Nick »

Что Аналогом контролируется максимальная мощность лазера, а шим контроллирует ее скачки. Т.е. можно сделать все через шим и добавить потенциометр, чтобы можно было просто мощность подрегулировать в зависимости от поведения материала прямо на ходу.
das
Новичок
Сообщения: 21
Зарегистрирован: 25 май 2012, 02:49
Репутация: 0
Контактная информация:

Re: Подключение БП к контроллеру MPC6535

Сообщение das »

Вопрос остаётся открытым.
Какой конкретно из трёх проводков и куда конкретно подключается?
das
Новичок
Сообщения: 21
Зарегистрирован: 25 май 2012, 02:49
Репутация: 0
Контактная информация:

Re: Подключение БП к контроллеру MPC6535

Сообщение das »

Упрощаю задачу: как подключаются два провода.
Неужели никто не знает?
Ну или хотя бы что означают клеммы ЛАСы, ДАСЫ и ПВРы
Аватара пользователя
Nick
Мастер
Сообщения: 22776
Зарегистрирован: 23 ноя 2009, 16:45
Репутация: 1735
Заслуга: Developer
Откуда: Gatchina, Saint-Petersburg distr., Russia
Контактная информация:

Re: Подключение БП к контроллеру MPC6535

Сообщение Nick »

Ну все кроме LAS в принципе понятно:
PWM = это прямой шим от 0 до 5В.
dac = это аналоговый сигнал 0-5в, по идее тот же pwm только сглаженный фильтром.

а вот что такое LAS я хз. В даташите по контроллеру про него хоть что-то пишут?
das
Новичок
Сообщения: 21
Зарегистрирован: 25 май 2012, 02:49
Репутация: 0
Контактная информация:

Re: Подключение БП к контроллеру MPC6535

Сообщение das »

Да ни члена нигде не написано.
И китайцы морозятся. Даже за деньги.
Увидеть хотя бы фрагмент схемы буфера контроллера да входного каскада БП...
А так только догадки, предположения и домыслы.
Аватара пользователя
Nick
Мастер
Сообщения: 22776
Зарегистрирован: 23 ноя 2009, 16:45
Репутация: 1735
Заслуга: Developer
Откуда: Gatchina, Saint-Petersburg distr., Russia
Контактная информация:

Re: Подключение БП к контроллеру MPC6535

Сообщение Nick »

У тебя осциллографа нет? Может замерить, что там на это las?

Блин и чего тогда они его рекомендуют на вывод управления мощностью :think: ...
das
Новичок
Сообщения: 21
Зарегистрирован: 25 май 2012, 02:49
Репутация: 0
Контактная информация:

Re: Подключение БП к контроллеру MPC6535

Сообщение das »

И толку от осциллографа?
Откуда мне знать чем он управляется- спадом или фронтом нолём или единицей, фазой и т.д.- я ж не смогу его к пятну привязать.
Никто ж ничего не пишет, ни малейшей доки по этим трём проводкам несчастным
Там же, кроме всего прочего есть +/- такие клеммы
Аватара пользователя
Nick
Мастер
Сообщения: 22776
Зарегистрирован: 23 ноя 2009, 16:45
Репутация: 1735
Заслуга: Developer
Откуда: Gatchina, Saint-Petersburg distr., Russia
Контактная информация:

Re: Подключение БП к контроллеру MPC6535

Сообщение Nick »

Можно и к пятну или к выходу на лазер, но только через очень большой резистор...
das
Новичок
Сообщения: 21
Зарегистрирован: 25 май 2012, 02:49
Репутация: 0
Контактная информация:

Re: Подключение БП к контроллеру MPC6535

Сообщение das »

Большой по размерам или сопротивлению?
Возможно огорчу, но электротехника не допускает подобных решений.
Аватара пользователя
Nick
Мастер
Сообщения: 22776
Зарегистрирован: 23 ноя 2009, 16:45
Репутация: 1735
Заслуга: Developer
Откуда: Gatchina, Saint-Petersburg distr., Russia
Контактная информация:

Re: Подключение БП к контроллеру MPC6535

Сообщение Nick »

по сопротивлению.
Я сам в электротехнике не силен, но со знакомым электронщиком собирались именно так делать, у него есть осциллограф на 1.5кВ, думали его к выходу БП подключить через сопротивление около ГОм. Но руки пока до этого не дошли.
das
Новичок
Сообщения: 21
Зарегистрирован: 25 май 2012, 02:49
Репутация: 0
Контактная информация:

Re: Подключение БП к контроллеру MPC6535

Сообщение das »

Твой знакомый- явно не электронщик.
Да и осциллографа на 1,5 кВ у него нет (потому что их и в мире-то не существует)
Нужно проблему решить, а не искать самые сложные способы её решения.
Просто нужен человек, который знает куда эти два-три проводка подключить. И всё.
Или если у кого-нибудь схема есть- тоже решение.
Аватара пользователя
Nick
Мастер
Сообщения: 22776
Зарегистрирован: 23 ноя 2009, 16:45
Репутация: 1735
Заслуга: Developer
Откуда: Gatchina, Saint-Petersburg distr., Russia
Контактная информация:

Re: Подключение БП к контроллеру MPC6535

Сообщение Nick »

das писал(а):Твой знакомый- явно не электронщик.
откуда такие сведения? :)

на днях позвоню поставщикам трубок, спрошу у них, как все это подключать.
das
Новичок
Сообщения: 21
Зарегистрирован: 25 май 2012, 02:49
Репутация: 0
Контактная информация:

Re: Подключение БП к контроллеру MPC6535

Сообщение das »

Nick писал(а):на днях позвоню поставщикам трубок, спрошу у них, как все это подключать.
Так если есть такая возможность- повыясняй у них побольше недокументированного.
Например- скорость трубы, скорость БП, их общая скорость в связке, скорость нарастания мощности,
скорость спада мощности, линейность/нелинейность мощности, различие скорости труб и БП в зависимости
от производителя и т.д.
Это ценнейшие сведения.
Или например- разница в скорости при подключении к контроллеру аналогом/цифрой.
Возможность перевода в режим АВ, и желательно с возможностью регулировки "преднакала". и т.п.
Всё это в-общем-то прописные азбучные цифры из паспорта к изделиям, только вот их почему-то
ненавязчиво скрывают. А они-то как раз и нужны.
das
Новичок
Сообщения: 21
Зарегистрирован: 25 май 2012, 02:49
Репутация: 0
Контактная информация:

Re: Подключение БП к контроллеру MPC6535

Сообщение das »

Что поставщики- говорят чего-нибудь?
Аватара пользователя
Nick
Мастер
Сообщения: 22776
Зарегистрирован: 23 ноя 2009, 16:45
Репутация: 1735
Заслуга: Developer
Откуда: Gatchina, Saint-Petersburg distr., Russia
Контактная информация:

Re: Подключение БП к контроллеру MPC6535

Сообщение Nick »

Пока еще не звонил ... времени на все не хватает... лазер так и валяется на 90% собранный... :(
das
Новичок
Сообщения: 21
Зарегистрирован: 25 май 2012, 02:49
Репутация: 0
Контактная информация:

Re: Подключение БП к контроллеру MPC6535

Сообщение das »

Так что слышно по существу вопроса?
Как разгадать страшную тайну подключения двух проводков?!
Ответить

Вернуться в «Станки»