Лучше всего поставить пускатель на включение станка. И никаких проблем не будет, а то так ненароком может и шпиндель включиться...AlexTskan писал(а): А у меня электрика вся на станке включается реле, которое на степмастере.
StepMaster ver.1 - Отзывы, Вопросы, Советы.
- Nick
- Мастер
- Сообщения: 22776
- Зарегистрирован: 23 ноя 2009, 16:45
- Репутация: 1735
- Заслуга: Developer
- Откуда: Gatchina, Saint-Petersburg distr., Russia
- Контактная информация:
Re: StepMaster - Отзывы, Вопросы, Советы.
- michael-yurov
- Почётный участник

- Сообщения: 11731
- Зарегистрирован: 26 июл 2012, 00:10
- Репутация: 4703
- Настоящее имя: Михаил Львович
- Откуда: Новоуральск
- Контактная информация:
Re: StepMaster - Отзывы, Вопросы, Советы.
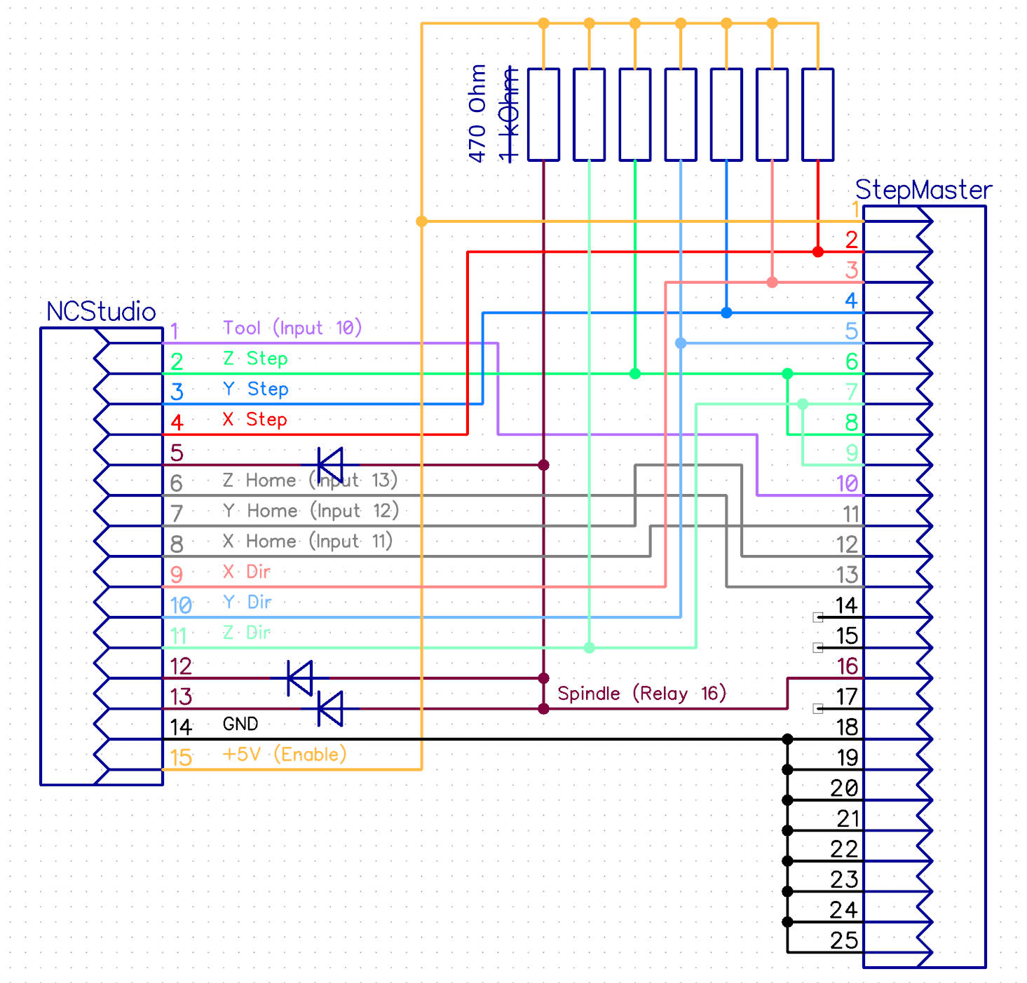
Набросал схему соединения NCStudio и StepMaster.
Дополнил подтягивающими резисторами: Хочу сказать, что плата NCStudio и StepMaster прекрасно дополняют друг друга!
Как я уже говорил, исходный сигнал NCStudio довольно грубый, частота изменяется ступенчато, а в моменты смены появляется небольшая задержка.
Да и максимальная частота сигнала достаточно скромная (47 кГц).
Эти недостатки прекрасно исправляет плата StepMaster.
Более того, планировщик траектории NCStudio написан так, что на стыках сегментов появляется кратковременное превышение заданных ускорений,
В этом плане StepMaster позволяет сделать работу станка более мягкой.
Так же в NCStudio есть параметр настройки, позволяющий задать ненулевую начальную скорость. С одной стороны это позволит сократить время обработки, особенно на рельефах,
но с другой стороны, бесконечно высокое ускорение на стыках сегментов негативно влияет на механику, и приводит к вибрациям, снижающим качество обработки.
StepMaster полностью устраняет описанные недостатки, позволяет повысить скорость обработки, получив при этом равномерное, плавное и точное движение станка.
Дополнил подтягивающими резисторами: Хочу сказать, что плата NCStudio и StepMaster прекрасно дополняют друг друга!
Как я уже говорил, исходный сигнал NCStudio довольно грубый, частота изменяется ступенчато, а в моменты смены появляется небольшая задержка.
Да и максимальная частота сигнала достаточно скромная (47 кГц).
Эти недостатки прекрасно исправляет плата StepMaster.
Более того, планировщик траектории NCStudio написан так, что на стыках сегментов появляется кратковременное превышение заданных ускорений,
В этом плане StepMaster позволяет сделать работу станка более мягкой.
Так же в NCStudio есть параметр настройки, позволяющий задать ненулевую начальную скорость. С одной стороны это позволит сократить время обработки, особенно на рельефах,
но с другой стороны, бесконечно высокое ускорение на стыках сегментов негативно влияет на механику, и приводит к вибрациям, снижающим качество обработки.
StepMaster полностью устраняет описанные недостатки, позволяет повысить скорость обработки, получив при этом равномерное, плавное и точное движение станка.
Re: StepMaster - Отзывы, Вопросы, Советы.
А если к шнуру от NcStudio припаять разъём от шнура LPT ?
- michael-yurov
- Почётный участник

- Сообщения: 11731
- Зарегистрирован: 26 июл 2012, 00:10
- Репутация: 4703
- Настоящее имя: Михаил Львович
- Откуда: Новоуральск
- Контактная информация:
Re: StepMaster - Отзывы, Вопросы, Советы.
Я бы не стал бы портить шнур от NCStudio - хороший у нее шнур.keyy писал(а):А если к шнуру от NcStudio припаять разъём от шнура LPT ?
Можно ведь к терминальной платке подпаяться.
-
sertix
- Мастер
- Сообщения: 627
- Зарегистрирован: 07 май 2011, 09:06
- Репутация: 138
- Настоящее имя: Сергей
- Контактная информация:
Re: StepMaster - Отзывы, Вопросы, Советы.
Михаил, как я понял выводы 5,12,13 NCStudio для управлением скоростью шпинделя тупо включают реле шпинделя? Какие есть варианты передать эти сигналы нормально к инвертору?michael-yurov писал(а):Набросал схему соединения NCStudio и StepMaster.
- michael-yurov
- Почётный участник

- Сообщения: 11731
- Зарегистрирован: 26 июл 2012, 00:10
- Репутация: 4703
- Настоящее имя: Михаил Львович
- Откуда: Новоуральск
- Контактная информация:
Re: StepMaster - Отзывы, Вопросы, Советы.
Да просто включает Реле.sertix писал(а):Михаил, как я понял выводы 5,12,13 NCStudio для управлением скоростью шпинделя тупо включают реле шпинделя? Какие есть варианты передать эти сигналы нормально к инвертору?michael-yurov писал(а):Набросал схему соединения NCStudio и StepMaster.
Если ранее шпиндель был подключен к NCStudio и позволял программно изменять скорость - можно так и передавать сигнал, как это было раньше в обход СтепМастера.
Эта плата СтепМастера не поддерживает возможность регулировки оборотов шпинделя, даже ступенчато, как это предлагает NCStudio.
-
AlexTskan
- Опытный
- Сообщения: 184
- Зарегистрирован: 08 янв 2014, 05:19
- Репутация: 46
- Контактная информация:
Re: StepMaster - Отзывы, Вопросы, Советы.
как раз реле и включает пускатель. и шпиндель стоит после пускателя.Nick писал(а):Лучше всего поставить пускатель на включение станка. И никаких проблем не будет, а то так ненароком может и шпиндель включиться...AlexTskan писал(а): А у меня электрика вся на станке включается реле, которое на степмастере.
но надеюсь по модбас сделать управление на частотник. часть проблемы исчезнет.
приходится грибок отпускать уже после закрузки емц.
Чудес не бывает. Бывает недопонимание субъектом процессов, часто осложнённое отсутствием самокритики и верой в непогрешимость своей системы знаний. Плохо когда ЧСВ ещё раздуто до степени судьи...
- shalek
- Почётный участник

- Сообщения: 3023
- Зарегистрирован: 25 авг 2014, 10:40
- Репутация: 2583
- Настоящее имя: Александр
- Откуда: РБ Бобруйск
- Контактная информация:
Re: StepMaster - Отзывы, Вопросы, Советы.
Всем здравствуйте!
Хочу поделиться небольшим тестом и отзывом о фильтре STEPMASTER Михаила Юрова.
Вначале небольшое вступление. Опишу систему на которой тестировалась электроника.
Intel(R) Pentium(R) Dual CPU E2220 @ 2.40GHz
ОЗУ 2 ГБ, video интегрированное 256МБ, SSD 16ГБ
Установлена Windows XP SP3 (под Mach3 не оптимизировалась)
Теперь о станке:
Портального типа из Д16 толщиной 12мм
По оси Y два мотора
Все моторы 57BYGH76-401A. На все моторы выставлен ток в драйверах Peak 3.31A
Драйвера Leadshine DM442
Блок питания импульсный 36в 600Вт
По всем осям ШВП 1605 напрямую к моторам
Рабочая область 525x290x70
Установлены китайские зеленые емкостные датчики Home.
Теперь собственно о тестах.
На первом видео снято видео работы или имитации работы Mach3 с обычной интерфейсной платой DXB-54. Шпиндель не запускался для того, чтобы механику услышать лучше. Скорости и ускорения можно почитать на видео. Скажу только, что максимум чего добился – это 6000мм/мин. Ускорения тоже не слишком большие. На такой скорости конечно с моим рабочим полем не разгонишься, но попонтоваться на холостых переездах можно было. О звуках перемещений можно тоже из видео судить. Но в общем система с такими настройками реально работала. Был вырезан не один рельеф. Сбоев и пропусков шагов не было.
https://www.youtube.com/watch?v=aLHfgAXPiYA
Теперь второе видео. Здесь уже система Ncstudio 5.5.60 с красной платой Тенгеля.
В сравнении с предыдущим тестом работает намного стабильнее и мягче. В принципе кое какое описание понятно из видео. Кушает огромные файлы УП. Mach3 обычно на таких виснет. Надежная получилась система.
https://www.youtube.com/watch?v=oEZng5BVdno
И наконец плавно переходим к тесту, который в третьем видео. Это использование фильтра совместно с Mach3.
Оговорюсь, что подключение прошло отлично. Все настолько просто, что ошибиться в принципе невозможно. Для начала выставил коэффициент умножения частоты STEP x1 (чтобы меньше в настройках изменять). Уровень фильтрации поставил минимальный. Запускаю. Вначале подумал, что оглох. Таким тихим стали перемещения. Потом попривык и стал прислушиваться как в китайских блоках шарики с шелестом перекатываются. Но первое впечатление от понижения шумности осталось. Моторы просто каким-то образом поменяли свой звук. Скорость 6500мм/мин
Ускорения по всем осям 3000 ставил. Это ж тест все таки! Никаких приключений! Пропуски начались, когда ускорение 4000 по всем осям влупил.
Далее изменил шаг на драйвере на 1/32 и поставил коэффициент 8. Установил максимальный режим фильтрации. Настроил импульсы и стал скорость подымать. И вот позади планка в 6500мм/мин а пропусков все нет. В общем дошел до стабильных 9000мм/ми при ускорении 1000. И это по всем осям. Стабильные, мягкие перемещения без пропусков. Да на видео можно увидеть. Если ускорения 1000 кому-то покажется мало, то можно чуть скинуть скорость (до 8000), а ускорение до 2000 поднять. Легко.
Средний режим фильтрации работал с аналогичными параметрами. В минимальном режиме фильтрации удалось добиться стабильных 8000мм/мин при ускорении 1000. И это на всех осях. А вот на жестком режиме пришлось скинуть скорости до 7000мм/мин.
От просто попробовать скинул скорость до 7м/мин, а ускорения подымал до 10000. Правда после 2-3 тысяч разницу уже и не видно, но однако все без проблем работает. При малом ускорении 250 и на максимальном режиме фильтрации разгонял до 12000мм/мин. На 13 тысячах уже шаги пропускать стал.
Раньше (без фильтра) такие обороты мои моторам и не снились. Даже с очень малыми ускорениями. Но тест тестом, а реально такие скорости на таком столе никому и не нужны. Поэтому ограничив до 5-6 м/мин станок под управлением Mach3 становится не глюковатым созданием, а вполне полноценным станком.
Отмечу, что во всех тестах использовался один и тот же набор УП, но сохраненными своими постпроцессорами файлы. И если раньше в Mach3 при загрузке 50 метрового файла чистовой УП система безбожно тормозила, то с фильтром мне почему-то этого не заметилось.
Да! И на последок. Обнаружилось странное поведение температуры моторов при работе с фильтром. Возможно мне показалось, но реальные замеры говорят о том, что моторы почему-то намного холоднее стали. Если раньше они грелись до 52-58 градусов и держали эту температуру все время, то теперь мерял только 33 градуса после получасовой работы. Надо понаблюдать.
В конце третьего видео есть моменты, когда я выставлял большие ускорения, то обработка рельефа реально к 5м/мин подходила. Так же видно как я на ходу подачу менял от малой до 200%. Это реально круто! Быстро и без каматозных дерганий. У меня на скринсете есть такая кнопочка Verify. Как я понимаю если ее нажать после обработки УП, то станок едет хоумиться и возвращается в начальную точку, а в строке сообщений прописывает на сколько и какая из осей потеряла координату в процессе работы. В ролике я нажимал и погрешности видны, но это +- погрешности датчиков. Без фильтра я боялся дышать в сторону монитора, клавиш и мыши. Особенно когда УП на полтора миллиона строк. В общем Mach3+фильтр дали новую жизнь ЧПУ.
А ведь у некоторых реально большие столы. Вот тут-то и пригодится большая скорость.
Эффект от фильтра потрясный. Много настроек. Все так сразу и не попробуешь.
Кстати при установке фильтра я распаял LPT планку на Ncstudio. Теперь у меня две системы в одном флаконе. Переход с одной на другую осуществляется перекидыванием кабеля с LPT материнки на выносной LPT, к которому подключена Ncstudio и изменении PD001 в частотнике. Нцшка с фильтром также мягко и устойчиво работает. Скорости по 9000мм/мин стоят. Она чем хороша, что файлы большие принимает. И с планировщиком траекторий вроде как получше, хотя мне кажется в Mach3 путем настроек то же самое будет.
Остановился пока на максимальном режиме фильтрации. Шаг на драйвере 1/32, коэффициент x8.
https://www.youtube.com/watch?v=VOnmQ3hTV3I
В общем, от STEPMASTERа одни плюсы. Чего не скажешь о китайских железяках, на которых я строил свой станок. Как и в любом компьютере, теперь механика стала узким местом в системе. Вот если бы на рельсах, да винты покачественней, а не проточенные хреновыми токарями, то тогда и зазвучало бы по-другому.
Если возникнут вопросы по видео, то можно в личку. Качество видео оставляет желать лучшего. И прошу прощения за стол, на котором временно стоит станок. Это просто журнальный стол на двух ногах.
Хочу поделиться небольшим тестом и отзывом о фильтре STEPMASTER Михаила Юрова.
Вначале небольшое вступление. Опишу систему на которой тестировалась электроника.
Intel(R) Pentium(R) Dual CPU E2220 @ 2.40GHz
ОЗУ 2 ГБ, video интегрированное 256МБ, SSD 16ГБ
Установлена Windows XP SP3 (под Mach3 не оптимизировалась)
Теперь о станке:
Портального типа из Д16 толщиной 12мм
По оси Y два мотора
Все моторы 57BYGH76-401A. На все моторы выставлен ток в драйверах Peak 3.31A
Драйвера Leadshine DM442
Блок питания импульсный 36в 600Вт
По всем осям ШВП 1605 напрямую к моторам
Рабочая область 525x290x70
Установлены китайские зеленые емкостные датчики Home.
Теперь собственно о тестах.
На первом видео снято видео работы или имитации работы Mach3 с обычной интерфейсной платой DXB-54. Шпиндель не запускался для того, чтобы механику услышать лучше. Скорости и ускорения можно почитать на видео. Скажу только, что максимум чего добился – это 6000мм/мин. Ускорения тоже не слишком большие. На такой скорости конечно с моим рабочим полем не разгонишься, но попонтоваться на холостых переездах можно было. О звуках перемещений можно тоже из видео судить. Но в общем система с такими настройками реально работала. Был вырезан не один рельеф. Сбоев и пропусков шагов не было.
https://www.youtube.com/watch?v=aLHfgAXPiYA
Теперь второе видео. Здесь уже система Ncstudio 5.5.60 с красной платой Тенгеля.
В сравнении с предыдущим тестом работает намного стабильнее и мягче. В принципе кое какое описание понятно из видео. Кушает огромные файлы УП. Mach3 обычно на таких виснет. Надежная получилась система.
https://www.youtube.com/watch?v=oEZng5BVdno
И наконец плавно переходим к тесту, который в третьем видео. Это использование фильтра совместно с Mach3.
Оговорюсь, что подключение прошло отлично. Все настолько просто, что ошибиться в принципе невозможно. Для начала выставил коэффициент умножения частоты STEP x1 (чтобы меньше в настройках изменять). Уровень фильтрации поставил минимальный. Запускаю. Вначале подумал, что оглох. Таким тихим стали перемещения. Потом попривык и стал прислушиваться как в китайских блоках шарики с шелестом перекатываются. Но первое впечатление от понижения шумности осталось. Моторы просто каким-то образом поменяли свой звук. Скорость 6500мм/мин
Ускорения по всем осям 3000 ставил. Это ж тест все таки! Никаких приключений! Пропуски начались, когда ускорение 4000 по всем осям влупил.
Далее изменил шаг на драйвере на 1/32 и поставил коэффициент 8. Установил максимальный режим фильтрации. Настроил импульсы и стал скорость подымать. И вот позади планка в 6500мм/мин а пропусков все нет. В общем дошел до стабильных 9000мм/ми при ускорении 1000. И это по всем осям. Стабильные, мягкие перемещения без пропусков. Да на видео можно увидеть. Если ускорения 1000 кому-то покажется мало, то можно чуть скинуть скорость (до 8000), а ускорение до 2000 поднять. Легко.
Средний режим фильтрации работал с аналогичными параметрами. В минимальном режиме фильтрации удалось добиться стабильных 8000мм/мин при ускорении 1000. И это на всех осях. А вот на жестком режиме пришлось скинуть скорости до 7000мм/мин.
От просто попробовать скинул скорость до 7м/мин, а ускорения подымал до 10000. Правда после 2-3 тысяч разницу уже и не видно, но однако все без проблем работает. При малом ускорении 250 и на максимальном режиме фильтрации разгонял до 12000мм/мин. На 13 тысячах уже шаги пропускать стал.
Раньше (без фильтра) такие обороты мои моторам и не снились. Даже с очень малыми ускорениями. Но тест тестом, а реально такие скорости на таком столе никому и не нужны. Поэтому ограничив до 5-6 м/мин станок под управлением Mach3 становится не глюковатым созданием, а вполне полноценным станком.
Отмечу, что во всех тестах использовался один и тот же набор УП, но сохраненными своими постпроцессорами файлы. И если раньше в Mach3 при загрузке 50 метрового файла чистовой УП система безбожно тормозила, то с фильтром мне почему-то этого не заметилось.
Да! И на последок. Обнаружилось странное поведение температуры моторов при работе с фильтром. Возможно мне показалось, но реальные замеры говорят о том, что моторы почему-то намного холоднее стали. Если раньше они грелись до 52-58 градусов и держали эту температуру все время, то теперь мерял только 33 градуса после получасовой работы. Надо понаблюдать.
В конце третьего видео есть моменты, когда я выставлял большие ускорения, то обработка рельефа реально к 5м/мин подходила. Так же видно как я на ходу подачу менял от малой до 200%. Это реально круто! Быстро и без каматозных дерганий. У меня на скринсете есть такая кнопочка Verify. Как я понимаю если ее нажать после обработки УП, то станок едет хоумиться и возвращается в начальную точку, а в строке сообщений прописывает на сколько и какая из осей потеряла координату в процессе работы. В ролике я нажимал и погрешности видны, но это +- погрешности датчиков. Без фильтра я боялся дышать в сторону монитора, клавиш и мыши. Особенно когда УП на полтора миллиона строк. В общем Mach3+фильтр дали новую жизнь ЧПУ.
А ведь у некоторых реально большие столы. Вот тут-то и пригодится большая скорость.
Эффект от фильтра потрясный. Много настроек. Все так сразу и не попробуешь.
Кстати при установке фильтра я распаял LPT планку на Ncstudio. Теперь у меня две системы в одном флаконе. Переход с одной на другую осуществляется перекидыванием кабеля с LPT материнки на выносной LPT, к которому подключена Ncstudio и изменении PD001 в частотнике. Нцшка с фильтром также мягко и устойчиво работает. Скорости по 9000мм/мин стоят. Она чем хороша, что файлы большие принимает. И с планировщиком траекторий вроде как получше, хотя мне кажется в Mach3 путем настроек то же самое будет.
Остановился пока на максимальном режиме фильтрации. Шаг на драйвере 1/32, коэффициент x8.
https://www.youtube.com/watch?v=VOnmQ3hTV3I
В общем, от STEPMASTERа одни плюсы. Чего не скажешь о китайских железяках, на которых я строил свой станок. Как и в любом компьютере, теперь механика стала узким местом в системе. Вот если бы на рельсах, да винты покачественней, а не проточенные хреновыми токарями, то тогда и зазвучало бы по-другому.
Если возникнут вопросы по видео, то можно в личку. Качество видео оставляет желать лучшего. И прошу прощения за стол, на котором временно стоит станок. Это просто журнальный стол на двух ногах.
Последний раз редактировалось shalek 20 окт 2014, 19:01, всего редактировалось 1 раз.
Если ты не можешь решить проблему, значит это не твоя проблема!
Мой канал на YouTube: YouTube
ЧПУ "Бобр" 600x500 мм
shalek64@gmail.com
Мой канал на YouTube: YouTube
ЧПУ "Бобр" 600x500 мм
shalek64@gmail.com
- michael-yurov
- Почётный участник

- Сообщения: 11731
- Зарегистрирован: 26 июл 2012, 00:10
- Репутация: 4703
- Настоящее имя: Михаил Львович
- Откуда: Новоуральск
- Контактная информация:
Re: StepMaster - Отзывы, Вопросы, Советы.
Большущее спасибо - шикарный обзор!
Таким образом - лучше сразу в файле УП задать необходимую скорость обработки, и не злоупотреблять регулятором FRO во время работы.
Долгое, конечно, но я все посмотрел.
Да, кстати, увидел срывы при резком подъеме шпинделя.
Возможно, не хватает запаса заряда в блоке питания.
Если блок питания импульсный - я бы советовал бы добавить конденсаторов на выход. Это было бы полезно для работы с большими ускорениями.
Так и должно быть. Но я не ожидал, что разница может оказаться заметной.shalek писал(а):Да! И на последок. Обнаружилось странное поведение температуры моторов при работе с фильтром. Возможно мне показалось, но реальные замеры говорят о том, что моторы почему-то намного холоднее стали. Если раньше они грелись до 52-58 градусов и держали эту температуру все время, то теперь мерял только 33 градуса после получасовой работы. Надо понаблюдать.
Тут есть такой момент, что Mach3 строит скругления пологих углов траектории исходя из текущих настроек ускорения так, чтобы при 100% скорости скругления были минимальными, и при этом ускорения не превышали разрешенные. Если установить FRO на 200% - Mach3 будет сбрасывать скорость до 100% перед каждым таким скруглением (т.к. на бОльшей скорости его не пройти не превышая ускорения), а потом - разгоняется обратно до 200%.shalek писал(а):Так же видно как я на ходу подачу менял от малой до 200%. Это реально круто! Быстро и без каматозных дерганий.
Таким образом - лучше сразу в файле УП задать необходимую скорость обработки, и не злоупотреблять регулятором FRO во время работы.
Отличное видео.shalek писал(а):Качество видео оставляет желать лучшего.
Долгое, конечно, но я все посмотрел.
Да, кстати, увидел срывы при резком подъеме шпинделя.
Возможно, не хватает запаса заряда в блоке питания.
Если блок питания импульсный - я бы советовал бы добавить конденсаторов на выход. Это было бы полезно для работы с большими ускорениями.
- shalek
- Почётный участник

- Сообщения: 3023
- Зарегистрирован: 25 авг 2014, 10:40
- Репутация: 2583
- Настоящее имя: Александр
- Откуда: РБ Бобруйск
- Контактная информация:
Re: StepMaster - Отзывы, Вопросы, Советы.
Там просто ускорение около 2000 стояло. Скинул до тысячи и все в порядке. Хотелось посмотреть максимальные возможности.michael-yurov писал(а):Да, кстати, увидел срывы при резком подъеме шпинделя
А насчет кондеров - да. Лишними не будут. Хотя бы тысяч 10мкф
А вообще впечатлений масса и все положительные. Как быстро мы привыкли к сотовым, так быстро и к фильтру привыкаешь. А кто из нас сейчас без телефона сможет? А я без фильтра уже не представляю электронику.
Из пожеланий к создателю устройства: Хотелось бы чтобы было некой таблицы или формулы по расчету импульсов с учетом коэффициента умножения частоты, шага драйвера и шага винта.
Если ты не можешь решить проблему, значит это не твоя проблема!
Мой канал на YouTube: YouTube
ЧПУ "Бобр" 600x500 мм
shalek64@gmail.com
Мой канал на YouTube: YouTube
ЧПУ "Бобр" 600x500 мм
shalek64@gmail.com
- ukr-sasha
- Мастер
- Сообщения: 3401
- Зарегистрирован: 21 мар 2011, 07:47
- Репутация: 2181
- Настоящее имя: Украинец Александр Григорьевич
- Откуда: Киев, Украина
- Контактная информация:
Re: StepMaster - Отзывы, Вопросы, Советы.
Такие ускорения не для этого станка - он весь изгибается от перегрузок. ИМХО
А обзор действительно классный!
А обзор действительно классный!
- michael-yurov
- Почётный участник

- Сообщения: 11731
- Зарегистрирован: 26 июл 2012, 00:10
- Репутация: 4703
- Настоящее имя: Михаил Львович
- Откуда: Новоуральск
- Контактная информация:
Re: StepMaster - Отзывы, Вопросы, Советы.
На самом деле - не такие уж жуткие ускорения - ведь под действием силы тяжести он не изгибается! А, ускорение свободного падения - 9800 мм/с2.ukr-sasha писал(а):Такие ускорения не для этого станка - он весь изгибается от перегрузок. ИМХО
А обзор действительно классный!
И еще - из за S-образного изменения скорости (совсем немного изменяется кривая разгона, но этого, оказалось достаточно), вибрации рамы при ускорении практически отсутствуют, и изгиб элементов конструкции минимален.
- ukr-sasha
- Мастер
- Сообщения: 3401
- Зарегистрирован: 21 мар 2011, 07:47
- Репутация: 2181
- Настоящее имя: Украинец Александр Григорьевич
- Откуда: Киев, Украина
- Контактная информация:
Re: StepMaster - Отзывы, Вопросы, Советы.
Миша, но он же не падает.michael-yurov писал(а):На самом деле - не такие уж жуткие ускорения - ведь под действием силы тяжести он не изгибается! А, ускорение свободного падения - 9800 мм/с2.ukr-sasha писал(а):Такие ускорения не для этого станка - он весь изгибается от перегрузок. ИМХО
А обзор действительно классный!
И еще - из за S-образного изменения скорости (совсем немного изменяется кривая разгона, но этого, оказалось достаточно), вибрации рамы при ускорении практически отсутствуют, и изгиб элементов конструкции минимален.
На последнем видео четко видно, как при смене направления движения портал колышется.
Ладно, спорить не буду, это моё личное мнение.
П.С. Хоть СтепМастер и выполняет свои обязанности, но я бы на этом станке уменьшил хотелки.
- shalek
- Почётный участник

- Сообщения: 3023
- Зарегистрирован: 25 авг 2014, 10:40
- Репутация: 2583
- Настоящее имя: Александр
- Откуда: РБ Бобруйск
- Контактная информация:
Re: StepMaster - Отзывы, Вопросы, Советы.
Так это для теста. Реально ускорения максимум 1000. Да и столик хлипкий под станком. На самом деле не сильно его колбасит (если на опоры поставить)ukr-sasha писал(а):я бы на этом станке уменьшил хотелки
Если ты не можешь решить проблему, значит это не твоя проблема!
Мой канал на YouTube: YouTube
ЧПУ "Бобр" 600x500 мм
shalek64@gmail.com
Мой канал на YouTube: YouTube
ЧПУ "Бобр" 600x500 мм
shalek64@gmail.com
- Сергей Саныч
- Мастер
- Сообщения: 9116
- Зарегистрирован: 30 май 2012, 14:20
- Репутация: 2858
- Откуда: Тюмень
- Контактная информация:
Re: StepMaster - Отзывы, Вопросы, Советы.
Плюс еще могут накладываться фокусы компенсации тряски от ютуба.
Чудес не бывает. Бывают фокусы.
- Nick
- Мастер
- Сообщения: 22776
- Зарегистрирован: 23 ноя 2009, 16:45
- Репутация: 1735
- Заслуга: Developer
- Откуда: Gatchina, Saint-Petersburg distr., Russia
- Контактная информация:
Re: StepMaster - Отзывы, Вопросы, Советы.
+медалька! Отличный отзыв
!
ЗЫ стол в последнем видео очень смешно качается
ЗЫ стол в последнем видео очень смешно качается
- michael-yurov
- Почётный участник

- Сообщения: 11731
- Зарегистрирован: 26 июл 2012, 00:10
- Репутация: 4703
- Настоящее имя: Михаил Львович
- Откуда: Новоуральск
- Контактная информация:
Re: StepMaster - Отзывы, Вопросы, Советы.
Если бы падал -тогда сила земного притяжения была бы компенсирована.ukr-sasha писал(а): Миша, но он же не падает.![]()
![]()
А так сила притяжения в 5 раз выше, чем сила возникающая при движении с ускорением 2000 мм/с2.
Т.е. под действием силы притяжения станок должен прогибаться в 5 раз сильнее, чем под действием таких ускорений.
Проблема высоких ускорений именно в вибрации элементов конструкции станка. А здесь эти вибрации минимальны.
- michael-yurov
- Почётный участник

- Сообщения: 11731
- Зарегистрирован: 26 июл 2012, 00:10
- Репутация: 4703
- Настоящее имя: Михаил Львович
- Откуда: Новоуральск
- Контактная информация:
Re: StepMaster - Отзывы, Вопросы, Советы.
Еще стоит учесть построчную запись изображения видеокамерой (особенно заметно в телефонах и авторегистраторах).Сергей Саныч писал(а):Плюс еще могут накладываться фокусы компенсации тряски от ютуба.
Re: StepMaster - Отзывы, Вопросы, Советы.
Решил подключить NcStudio. Соединил StepMaster с платкой NcStudio по схеме от Михаила.
Станок перестал нормально работать. Моторы срываются по любому случаю, мах. скорость 2500мм/мин при ускорении 100мм/мин, после прекращения движения ось ещё какое-то время движется по инерции. Ось Х движется рывками то разгоняясь, то замедляясь. Все оси изменили направление движения. В общем какая-то хрень!
Что могло случится? Где посмотреть?
Станок перестал нормально работать. Моторы срываются по любому случаю, мах. скорость 2500мм/мин при ускорении 100мм/мин, после прекращения движения ось ещё какое-то время движется по инерции. Ось Х движется рывками то разгоняясь, то замедляясь. Все оси изменили направление движения. В общем какая-то хрень!
Что могло случится? Где посмотреть?
- michael-yurov
- Почётный участник

- Сообщения: 11731
- Зарегистрирован: 26 июл 2012, 00:10
- Репутация: 4703
- Настоящее имя: Михаил Львович
- Откуда: Новоуральск
- Контактная информация:
Re: StepMaster - Отзывы, Вопросы, Советы.
Я так понял, до этого от LPT нормально работал?
Странное поведение.
Ноль нормально соединен между терминальной платкой и степмастером?
Нигде ничего не коротит?
Количество шагом на миллиметр правильно задано, с учетом умножения на плате?
Что еще подключено к терминальной платке?
Оси ведут себя одинаково?
Видео бы посмотреть...
Странное поведение.
Ноль нормально соединен между терминальной платкой и степмастером?
Нигде ничего не коротит?
Количество шагом на миллиметр правильно задано, с учетом умножения на плате?
Что еще подключено к терминальной платке?
Оси ведут себя одинаково?
Видео бы посмотреть...

