Посоветуйте Драйвер Для Шаговика
Посоветуйте Драйвер Для Шаговика
Доброго времени суток
Есть шаговик 4SHG-023A 39S. Требуется сделать для него управление, т.е. драйвер биполярного двигателя. Пробовал использовать спец. микросхемы TB6560 и L297+L298. НО, в обеих схемах по непонятной причине сгорели микросхемы, соответственно TB6560 и L298. Напряжение подавал 30В при токе 2А. При этом в случае с L298 движок даже не успел начать вращаться, микросхему просто пробило. TB6560 работала при напряжении 22В, но при 30В пробило и ее. Токоизмерительные резисторы стояли в обеих схемах. Теперь нужен совет профессионалов в выборе схемы и выяснении возможной причины сгорания микрух (обе были заказаны в Китае). В общем нужен хороший драйвер двигателя, желательно с микрошагом, на напряжение 35-40В и ток до 2А. Конечно, есть вариант собрать мосты на тех же IRFZ44 и подключить к L297, но нет желания отдавать за них больше 600р, чтобы потом посмотреть на пиротехнические эффекты.
Есть шаговик 4SHG-023A 39S. Требуется сделать для него управление, т.е. драйвер биполярного двигателя. Пробовал использовать спец. микросхемы TB6560 и L297+L298. НО, в обеих схемах по непонятной причине сгорели микросхемы, соответственно TB6560 и L298. Напряжение подавал 30В при токе 2А. При этом в случае с L298 движок даже не успел начать вращаться, микросхему просто пробило. TB6560 работала при напряжении 22В, но при 30В пробило и ее. Токоизмерительные резисторы стояли в обеих схемах. Теперь нужен совет профессионалов в выборе схемы и выяснении возможной причины сгорания микрух (обе были заказаны в Китае). В общем нужен хороший драйвер двигателя, желательно с микрошагом, на напряжение 35-40В и ток до 2А. Конечно, есть вариант собрать мосты на тех же IRFZ44 и подключить к L297, но нет желания отдавать за них больше 600р, чтобы потом посмотреть на пиротехнические эффекты.
- selenur
- Почётный участник

- Сообщения: 4605
- Зарегистрирован: 21 авг 2013, 19:44
- Репутация: 1622
- Настоящее имя: Сергей
- Откуда: Новый Уренгой
- Контактная информация:
Re: Посоветуйте Драйвер Для Шаговика
А не проще так: http://www.aliexpress.com/item/3Axis-St ... 59484.html получается по 814 рублей за 1 контроллер?
А напряжение для питания логики данных МК ты +5 вольт подавал? или все +30 и зарядил??
Без схемы подключения сложно догадаться где была ошибка....
А напряжение для питания логики данных МК ты +5 вольт подавал? или все +30 и зарядил??
Без схемы подключения сложно догадаться где была ошибка....
Мой сайт: http://selenur.ru
Исходники моих программ: https://github.com/selenur
Instagram https://www.instagram.com/zheigurov/
Исходники моих программ: https://github.com/selenur
Instagram https://www.instagram.com/zheigurov/
Re: Посоветуйте Драйвер Для Шаговика
Да, 5В подавал отдельно. При чем сначала 5В, а потом уже 30В. Схема подключения стандартная, из даташита 
Сама L298 была на такой плате http://www.ebay.com/itm/NEW-L298N-DC-Mo ... 4d15d89e22

Сама L298 была на такой плате http://www.ebay.com/itm/NEW-L298N-DC-Mo ... 4d15d89e22
- mhael
- Мастер
- Сообщения: 2443
- Зарегистрирован: 09 мар 2013, 11:22
- Репутация: 769
- Настоящее имя: Ильдар
- Контактная информация:
Re: Посоветуйте Драйвер Для Шаговика
а Sense с этих платок вы откуда снимали?
Re: Посоветуйте Драйвер Для Шаговика
Убрал джамперы (ими можно было соединить 1 и 15 выводы L298 с GND) с платы L298 и подпаял резисторы 0.47 Ом 5Вт. С них и снимал, как на схеме.
-
Petr_1221
- Новичок
- Сообщения: 4
- Зарегистрирован: 11 дек 2013, 18:49
- Репутация: 0
- Контактная информация:
Re: Посоветуйте Драйвер Для Шаговика
1) Посоветуйте плиз самопайный драйвер (точнее всю электронику) для шаговых двигателей PL57H76! Станок будет с четырьмя осями (комбинированный для гравировки и токарки)! Привод через ШВП! Планируется обработка алюминия! Нужно чтобы все это работало через лапоть с MACH3
ЗЫ. Дружу с AVR
ЗЫ. Дружу с AVR
-
Petr_1221
- Новичок
- Сообщения: 4
- Зарегистрирован: 11 дек 2013, 18:49
- Репутация: 0
- Контактная информация:
Re: Посоветуйте Драйвер Для Шаговика
Что вымерли все чпушники чтоль?
http://eselit.com/?part=scheme&sub=cont ... dvigatelya
Это будет работать с Mach&
http://eselit.com/?part=scheme&sub=cont ... dvigatelya
Это будет работать с Mach&
-
Woodmaster
- Опытный
- Сообщения: 112
- Зарегистрирован: 10 сен 2011, 18:18
- Репутация: 11
- Контактная информация:
Re: Посоветуйте Драйвер Для Шаговика
Так сейчас наверно уже никто сам и не собирает дрова для ШД. Проще купить готвые.Petr_1221 писал(а):1) Посоветуйте плиз самопайный драйвер (точнее всю электронику) для шаговых двигателей PL57H76! Станок будет с четырьмя осями (комбинированный для гравировки и токарки)! Привод через ШВП! Планируется обработка алюминия! Нужно чтобы все это работало через лапоть с MACH3
ЗЫ. Дружу с AVR
- selenur
- Почётный участник

- Сообщения: 4605
- Зарегистрирован: 21 авг 2013, 19:44
- Репутация: 1622
- Настоящее имя: Сергей
- Откуда: Новый Уренгой
- Контактная информация:
Re: Посоветуйте Драйвер Для Шаговика
Да не вымерли
У вас мотор вроде на 8 ампер, а все самодельные схемы которые например мне попадались не более 2-4ампер, т.е. самоделкины все используют небольшие моторчики, а для более серьезных конструкций уже ни кто не заморачивается, и берет сразу готовый драйвер.
Мой сайт: http://selenur.ru
Исходники моих программ: https://github.com/selenur
Instagram https://www.instagram.com/zheigurov/
Исходники моих программ: https://github.com/selenur
Instagram https://www.instagram.com/zheigurov/
- selenur
- Почётный участник

- Сообщения: 4605
- Зарегистрирован: 21 авг 2013, 19:44
- Репутация: 1622
- Настоящее имя: Сергей
- Откуда: Новый Уренгой
- Контактная информация:
Re: Посоветуйте Драйвер Для Шаговика
Из схемы можно выбросить генератор, и нужен будет переходник с опторазвязкой с lpt. А так будет работать.Petr_1221 писал(а):Что вымерли все чпушники чтоль?
http://eselit.com/?part=scheme&sub=cont ... dvigatelya
Это будет работать с Mach&
Мой сайт: http://selenur.ru
Исходники моих программ: https://github.com/selenur
Instagram https://www.instagram.com/zheigurov/
Исходники моих программ: https://github.com/selenur
Instagram https://www.instagram.com/zheigurov/
- michael-yurov
- Почётный участник

- Сообщения: 11731
- Зарегистрирован: 26 июл 2012, 00:10
- Репутация: 4703
- Настоящее имя: Михаил Львович
- Откуда: Новоуральск
- Контактная информация:
Re: Посоветуйте Драйвер Для Шаговика
Да не, такие моторы обычно ампера на 2-3.selenur писал(а):Да не вымерли У вас мотор вроде на 8 ампер
-
Petr_1221
- Новичок
- Сообщения: 4
- Зарегистрирован: 11 дек 2013, 18:49
- Репутация: 0
- Контактная информация:
Re: Посоветуйте Драйвер Для Шаговика
Спасибо большое ребята
- michael-yurov
- Почётный участник

- Сообщения: 11731
- Зарегистрирован: 26 июл 2012, 00:10
- Репутация: 4703
- Настоящее имя: Михаил Львович
- Откуда: Новоуральск
- Контактная информация:
Re: Посоветуйте Драйвер Для Шаговика
Petr_1221, ты вот просишь посоветовать...Petr_1221 писал(а):Спасибо большое ребята
А как посоветовать? На вкус и цвет не угодишь.
Самопальных то хороших может быть и нет вовсе.
Электрическая схема в общем то известна,
собственно по ней собирается большинство драйверов,
но проблема в качественной, проработанной прошивке микроконтроллера, управляющего драйвером.
Казалось бы ничего сложного, но в реальности недорогие китайские драйверы работают лучше всех известных мне самодельных.
-
Petr_1221
- Новичок
- Сообщения: 4
- Зарегистрирован: 11 дек 2013, 18:49
- Репутация: 0
- Контактная информация:
Re: Посоветуйте Драйвер Для Шаговика
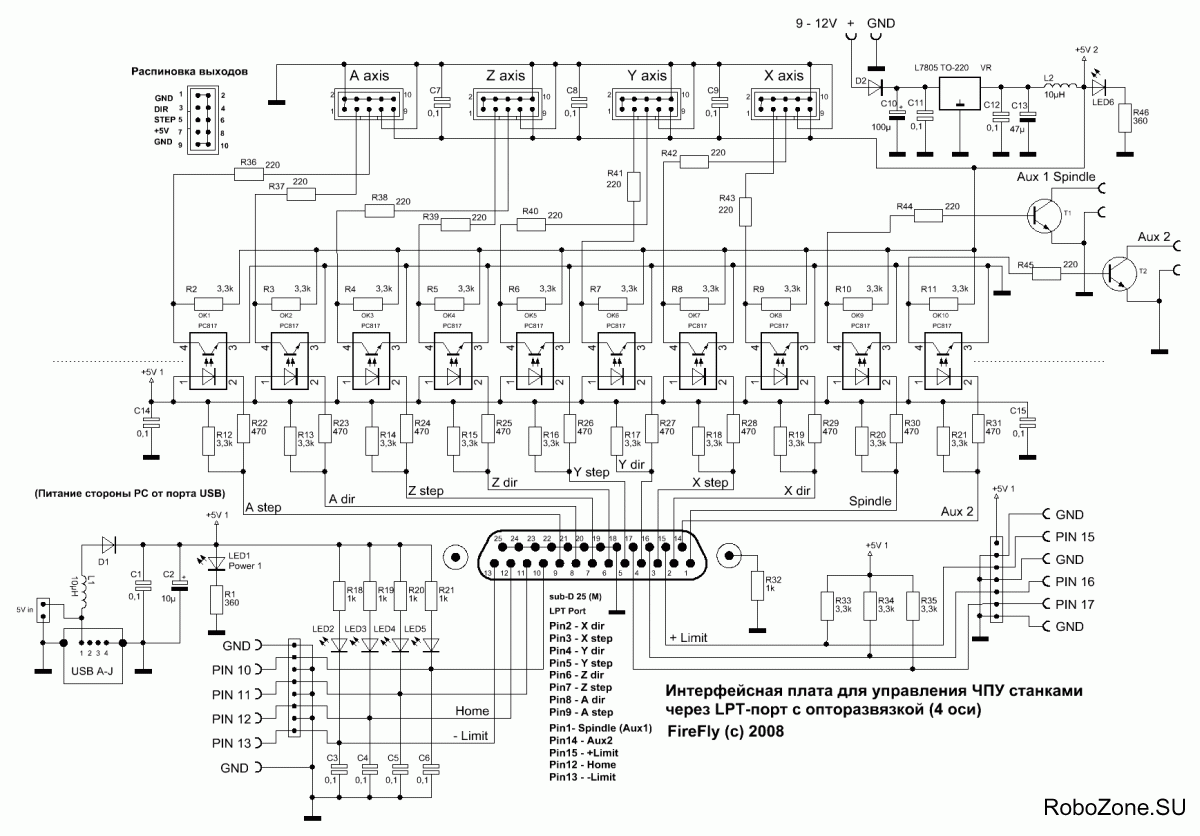
У меня проблема! на фото обведено красным что это за зверь? Я так понял это вместо сопротивлений R-12 R-20 R-2 R-10? Как он маркируется как называется как его купить? Что за транзисторы Т1 Т2 тоже не понятно! Как её собрать если здесь столько неясностей? Какие оптроны использовать чтобы скорость не терять и себе не в убыток?
- mhael
- Мастер
- Сообщения: 2443
- Зарегистрирован: 09 мар 2013, 11:22
- Репутация: 769
- Настоящее имя: Ильдар
- Контактная информация:
Re: Посоветуйте Драйвер Для Шаговика
это резисторные сборки типа вот такие (номинал вроде правильно подобрал)
http://www.chipdip.ru/product0/21495/
http://www.chipdip.ru/product0/21495/
- selenur
- Почётный участник

- Сообщения: 4605
- Зарегистрирован: 21 авг 2013, 19:44
- Репутация: 1622
- Настоящее имя: Сергей
- Откуда: Новый Уренгой
- Контактная информация:
Re: Посоветуйте Драйвер Для Шаговика
http://purelogic.ru/doc/PDF/SM/PL57H76-3.0-4.pdf тут написано 3Ампера на обмотку т.е. 6А итого
Мой сайт: http://selenur.ru
Исходники моих программ: https://github.com/selenur
Instagram https://www.instagram.com/zheigurov/
Исходники моих программ: https://github.com/selenur
Instagram https://www.instagram.com/zheigurov/
- selenur
- Почётный участник

- Сообщения: 4605
- Зарегистрирован: 21 авг 2013, 19:44
- Репутация: 1622
- Настоящее имя: Сергей
- Откуда: Новый Уренгой
- Контактная информация:
Re: Посоветуйте Драйвер Для Шаговика
Там 2 таких сборки согластно схеме на 3.3кОм и куча резисторов на 470 уже по отдельности.mhael писал(а):это резисторные сборки типа вот такие (номинал вроде правильно подобрал)
http://www.chipdip.ru/product0/21495/
Мой сайт: http://selenur.ru
Исходники моих программ: https://github.com/selenur
Instagram https://www.instagram.com/zheigurov/
Исходники моих программ: https://github.com/selenur
Instagram https://www.instagram.com/zheigurov/
- selenur
- Почётный участник

- Сообщения: 4605
- Зарегистрирован: 21 авг 2013, 19:44
- Репутация: 1622
- Настоящее имя: Сергей
- Откуда: Новый Уренгой
- Контактная информация:
Re: Посоветуйте Драйвер Для Шаговика
2 транзистора это там для возможности управления 2 устройствами, например для управления подачей питания шпинделю, и управлению питания насоса СОЖ или света, но есть нюанс, у транзисторов на выходе может быть +5 вольт, и нагрузку в виде небольшого реле можно впихнуть.
Мой сайт: http://selenur.ru
Исходники моих программ: https://github.com/selenur
Instagram https://www.instagram.com/zheigurov/
Исходники моих программ: https://github.com/selenur
Instagram https://www.instagram.com/zheigurov/
- selenur
- Почётный участник

- Сообщения: 4605
- Зарегистрирован: 21 авг 2013, 19:44
- Репутация: 1622
- Настоящее имя: Сергей
- Откуда: Новый Уренгой
- Контактная информация:
Re: Посоветуйте Драйвер Для Шаговика
вот оптроны http://chipster.ru/catalog/active-compo ... ocouplers/
на схеме используются эти http://chipster.ru/catalog/active-compo ... s/978.html чем меньше время реакции тем конечно лучше
Теперь все моменты понятны?
на схеме используются эти http://chipster.ru/catalog/active-compo ... s/978.html чем меньше время реакции тем конечно лучше
Теперь все моменты понятны?
Мой сайт: http://selenur.ru
Исходники моих программ: https://github.com/selenur
Instagram https://www.instagram.com/zheigurov/
Исходники моих программ: https://github.com/selenur
Instagram https://www.instagram.com/zheigurov/
- michael-yurov
- Почётный участник

- Сообщения: 11731
- Зарегистрирован: 26 июл 2012, 00:10
- Репутация: 4703
- Настоящее имя: Михаил Львович
- Откуда: Новоуральск
- Контактная информация:
Re: Посоветуйте Драйвер Для Шаговика
Ну хоть кто-то не забыл при расчетах, что у двигателя две обмотки.selenur писал(а):тут написано 3Ампера на обмотку т.е. 6А итого
Но все же складывать значения тока в обмотках нельзя, т.к. они не соединены параллельно.
Мощность потребляемая двумя обмотками - да, она вдвое выше, чем одной, но про ток так нельзя считать.
Там вообще ситуация похожа на работу импульсного блока питания,
например у блока питания на 10 В и 2 А потребление при питании от сети будет менее 0.1 А, а на выходе - до 2 А.