Про сервы Yaskawa

Контроллеры, драйверы, датчики, управляющие устройства.
MutCNC
Кандидат
Сообщения: 59
Зарегистрирован: 23 фев 2018, 02:09
Репутация: 0
Настоящее имя: Ruslan
Контактная информация:

Re: Про сервы Yaskawa

Сообщение MutCNC »

iMaks-RS писал(а): Попробуйте отдельный БП на шину +24В. Как вариант - ноутбучный на 19В..
Спасибо. Куплю
kfmut писал(а): там на этой плате разве одна из осей не совмещена с силовой релейкой?
У меня канал с реле пока не задействовано.
Аватара пользователя
iMaks-RS
Мастер
Сообщения: 1807
Зарегистрирован: 10 июл 2017, 09:25
Репутация: 205
Настоящее имя: Maks
Откуда: От туда.
Контактная информация:

Re: Про сервы Yaskawa

Сообщение iMaks-RS »

kfmut писал(а): чёт жирновато для логики
Нормально там всё ) ток нагрузки на канал до 20мА,
kfmut
Мастер
Сообщения: 1249
Зарегистрирован: 30 янв 2021, 21:34
Репутация: 147
Настоящее имя: Максим
Откуда: г.Тверь
Контактная информация:

Re: Про сервы Yaskawa

Сообщение kfmut »

iMaks-RS писал(а): 06 окт 2022, 10:36
kfmut писал(а): чёт жирновато для логики
Нормально там всё ) ток нагрузки на канал до 20мА,
70ма на всё для 245-ого трансивера(если там именно он стоит :thinking: )
Вложения
Screenshot_2022-10-06-10-57-53.png (4047 просмотров) <a class='original' href='./download/file.php?id=205108&mode=view' target=_blank>Загрузить оригинал (185.1 КБ)</a>
MutCNC
Кандидат
Сообщения: 59
Зарегистрирован: 23 фев 2018, 02:09
Репутация: 0
Настоящее имя: Ruslan
Контактная информация:

Re: Про сервы Yaskawa

Сообщение MutCNC »

Здравствуйте. Перенес я плату LPT в электрощит с сервоприводами.
Помехи победить не получилось (Sigma 3 вращается от помех Sigma 5).
Стало даже хуже чем было (ранее плата LPT была подключена на прямую к ПК,
то есть без кабеля LPT), теперь мотор Sigma 3 вращается при не подсоединенных
проводах управления (step/dir).

https://youtube.com/shorts/zLtJWv_rhGk

На следующем видео показано вращение мотора Sigma 3, где после отключения питания
на сервоприводе Sigma 5 падают обороты на моторе (Sigma 3), а при
отключении питания второй Sigma 5 мотор (Sigma 3) останавливается.

https://www.youtube.com/watch?v=k3m8tKZ ... nnel=CNC05

Почему помехи от одной сервы Sigma 5 не влияют на вторую серву Sigma 5,
а на Sigma 3 эти же помехи оказывают влияние?
Рассматриваю так же вариант покупки сервокомлпекта Sigma 5 в замен Sigma 3.
Аватара пользователя
xenon-alien
Почётный участник
Почётный участник
Сообщения: 4520
Зарегистрирован: 01 янв 2013, 13:13
Репутация: 925
Настоящее имя: Daniel
Откуда: Закарпатская обл. Украина
Контактная информация:

Re: Про сервы Yaskawa

Сообщение xenon-alien »

А ЭМИ фильтра стоят на входе питания серв?
Сигнальные провода экранированные? Подключен экран к общей земле?
Заземление присутствует?
MutCNC
Кандидат
Сообщения: 59
Зарегистрирован: 23 фев 2018, 02:09
Репутация: 0
Настоящее имя: Ruslan
Контактная информация:

Re: Про сервы Yaskawa

Сообщение MutCNC »

xenon-alien писал(а): А ЭМИ фильтра стоят на входе питания серв?
Все соответствует кроме ЭМИ фильтров. Я проверял осциллографом входное
напряжение цепи питания сервоприводов в (в режиме управления). Синусоида
одинаковая и без помех во всех приводах что до включения сервоприводов что
после включения.
Аватара пользователя
sima8520
Почётный участник
Почётный участник
Сообщения: 4510
Зарегистрирован: 24 ноя 2016, 23:35
Репутация: 1617
Настоящее имя: Илья
Откуда: Беларусь, Гомель
Контактная информация:

Re: Про сервы Yaskawa

Сообщение sima8520 »

MutCNC писал(а): Я проверял осциллографом входное
напряжение цепи питания сервоприводов в (в режиме управления)
причем тут цепь питания. сигнальные провода смотри. у тебя по ним идет помеха. попробуй экранированные провода на сигнал, либо витую пару. ну и дифференциальная схема управления всё ж в разы лучше. а это значит что твой ЛПТ в мусор
MutCNC
Кандидат
Сообщения: 59
Зарегистрирован: 23 фев 2018, 02:09
Репутация: 0
Настоящее имя: Ruslan
Контактная информация:

Re: Про сервы Yaskawa

Сообщение MutCNC »

sima8520 писал(а): причем тут цепь питания. сигнальные провода смотри. у тебя по ним идет помеха. попробуй экранированные провода на сигнал, либо витую пару. ну и дифференциальная схема управления всё ж в разы лучше. а это значит что твой ЛПТ в мусор
На видео высше видно как при не подключённых
проводах управления (сигнальные провода) к
плате lpt Sigma 3 на маленьком экране фиксирует
входные сигналы и вращает мотор.

Сигнальные провода подключённые к сервоприводу
и не подключённые к lpt находятся под напряжением:
Ось X - Sigma 5 - 70 млВ;
Ось Z - Sigma 5 - 70 млВ;
Ось Y - Sigma 3 - 4 млВ.
Осциллограф показал "пилу".
MutCNC
Кандидат
Сообщения: 59
Зарегистрирован: 23 фев 2018, 02:09
Репутация: 0
Настоящее имя: Ruslan
Контактная информация:

Re: Про сервы Yaskawa

Сообщение MutCNC »

Я вот чего не пойму. Почему Sigma 3
реагирует на сигнал 4 млВ?
Например плата Ардуино реагирует
на входной ШИМ сигнал таким образом
(если не ошибаюсь), больше 3,2 вольт
логическая единица, а всё что меньше
3,2 вольт логический ноль.
Аватара пользователя
sima8520
Почётный участник
Почётный участник
Сообщения: 4510
Зарегистрирован: 24 ноя 2016, 23:35
Репутация: 1617
Настоящее имя: Илья
Откуда: Беларусь, Гомель
Контактная информация:

Re: Про сервы Yaskawa

Сообщение sima8520 »

просто в розетку включи сервопак с подключенным двигателем - что будет?
в режиме JOG что?
подключи колодку с проводами (сигнальные) но не подавай степ дир сигнал - что будет?
нужно выяснить на каком этапе появляется реакция у сервы
MutCNC
Кандидат
Сообщения: 59
Зарегистрирован: 23 фев 2018, 02:09
Репутация: 0
Настоящее имя: Ruslan
Контактная информация:

Re: Про сервы Yaskawa

Сообщение MutCNC »

Проверял во всех перечисленных вами состояниях).
Имеется три сервопака на три оси фрезерного станка.
Две сервы яскава сигма 5 и одна серва сигма 3.
Подаём питание (220В, 24В на S-ON) на сигму 3 мотор стоит. Далее подаём питание на любую серву сигма 5
и мотор на сигма 3 начинает вращаться. При том что
не включены ПК, плата lpt и сигнальные провода.
Аватара пользователя
sima8520
Почётный участник
Почётный участник
Сообщения: 4510
Зарегистрирован: 24 ноя 2016, 23:35
Репутация: 1617
Настоящее имя: Илья
Откуда: Беларусь, Гомель
Контактная информация:

Re: Про сервы Yaskawa

Сообщение sima8520 »

MutCNC писал(а): 24В на S-ON
S on вроде как на землю должен коммутироваться. по крайней мере на панасониках у меня так и на сигма 7
перепроверь колодку с CN1 что ты там напаял
Аватара пользователя
Vladimir52
Мастер
Сообщения: 390
Зарегистрирован: 31 май 2017, 15:48
Репутация: 51
Настоящее имя: Владимир
Контактная информация:

Re: Про сервы Yaskawa

Сообщение Vladimir52 »

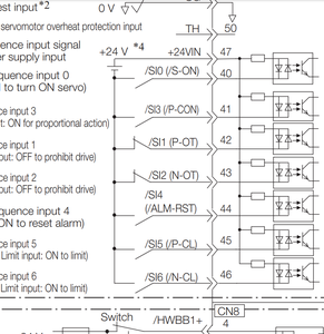
S-ON подается на +24V на Яскаве.

Снимите пластиковый кожух у Сигмы-3 и прозвоните, возможно где-то у нее отсутствуют болты, которые прижимают печатные платы к корпусу, они же заземление. (при том, что вы уверены в своих проводах заземления, которые подключениы к сервопаку)
Аватара пользователя
sima8520
Почётный участник
Почётный участник
Сообщения: 4510
Зарегистрирован: 24 ноя 2016, 23:35
Репутация: 1617
Настоящее имя: Илья
Откуда: Беларусь, Гомель
Контактная информация:

Re: Про сервы Yaskawa

Сообщение sima8520 »

Уверены?
Вложения
укукукуку.png (3865 просмотров) <a class='original' href='./download/file.php?id=205239&mode=view' target=_blank>Загрузить оригинал (150.99 КБ)</a>
MutCNC
Кандидат
Сообщения: 59
Зарегистрирован: 23 фев 2018, 02:09
Репутация: 0
Настоящее имя: Ruslan
Контактная информация:

Re: Про сервы Yaskawa

Сообщение MutCNC »

sima8520 писал(а): Снимите пластиковый кожух у Сигмы-3 и прозвоните, возможно где-то у нее отсутствуют болты, которые прижимают печатные платы к корпусу, они же заземление.

Сниму и проверю сегодня
MutCNC
Кандидат
Сообщения: 59
Зарегистрирован: 23 фев 2018, 02:09
Репутация: 0
Настоящее имя: Ruslan
Контактная информация:

Re: Про сервы Yaskawa

Сообщение MutCNC »

sima8520 писал(а): Уверены?
Да я в сообщении ошибся. Подключил так же как на
Схеме
MutCNC
Кандидат
Сообщения: 59
Зарегистрирован: 23 фев 2018, 02:09
Репутация: 0
Настоящее имя: Ruslan
Контактная информация:

Re: Про сервы Yaskawa

Сообщение MutCNC »

sima8520 писал(а): при том, что вы уверены в своих проводах заземления, которые подключениы к сервопаку

В метре от речушки забил метровые штыри треугольником. Замеров никаких не проводил.
Аватара пользователя
Vladimir52
Мастер
Сообщения: 390
Зарегистрирован: 31 май 2017, 15:48
Репутация: 51
Настоящее имя: Владимир
Контактная информация:

Re: Про сервы Yaskawa

Сообщение Vladimir52 »

sima8520 писал(а): Уверены?
А тут есть противоречие?
ОК, на S-ON подключаем отрицательный полюс внешнего источника питания (но можно и наоборот, оптрон будет работать)
Аватара пользователя
sima8520
Почётный участник
Почётный участник
Сообщения: 4510
Зарегистрирован: 24 ноя 2016, 23:35
Репутация: 1617
Настоящее имя: Илья
Откуда: Беларусь, Гомель
Контактная информация:

Re: Про сервы Yaskawa

Сообщение sima8520 »

Vladimir52 писал(а): А тут есть противоречие?
:D не знаю, не проверял
Аватара пользователя
Vladimir52
Мастер
Сообщения: 390
Зарегистрирован: 31 май 2017, 15:48
Репутация: 51
Настоящее имя: Владимир
Контактная информация:

Re: Про сервы Yaskawa

Сообщение Vladimir52 »

MutCNC писал(а): В метре от речушки забил метровые штыри треугольником. Замеров никаких не проводил.
Возможно, у вас полностью отсутствует заземление.
Ответить

Вернуться в «Электроника»