Подбор драйвера для униполярного двигателя до 2А
- artclonic
- Мастер
- Сообщения: 565
- Зарегистрирован: 07 июн 2014, 12:40
- Репутация: 36
- Контактная информация:
Подбор драйвера для униполярного двигателя до 2А
Добрый день, управляю униполярным шаговым двигателем с 4- фазами (0,5 А ). Управление осуществляю при помощи драйвера (модуля) на ULN203 (до 0,5А). Контроллер - ардуино.
Хочу установить более мощные ШД с током 1-2А. Есть готовые модуля (типа ULN203) только помощнее на 4 или 8 каналов? Или надо самому паять плату на транзистрах (типа MOSFET транзисторов (VT1...VT4).).
Модуль ULN - просто сказка - прикрутил провода на клеммы - и поехали! Посоветуйте помощьнее подобную плату.
Хочу установить более мощные ШД с током 1-2А. Есть готовые модуля (типа ULN203) только помощнее на 4 или 8 каналов? Или надо самому паять плату на транзистрах (типа MOSFET транзисторов (VT1...VT4).).
Модуль ULN - просто сказка - прикрутил провода на клеммы - и поехали! Посоветуйте помощьнее подобную плату.
Наверстываем... в электронике...
- artclonic
- Мастер
- Сообщения: 565
- Зарегистрирован: 07 июн 2014, 12:40
- Репутация: 36
- Контактная информация:
Re: Подбор драйвера для униполярного двигателя до 2А
У меня есть "красная плата" (вроде она на этой же микросхеме) китайская там всякие деления шага...увеличение тока.. спад тока... При управлением биполярным двигателем - я так понимаю смена полярности.. А мне нужно просто усиление сигнала .. Я его фиг настрою под свою задачу...
Или вот такую?
http://zona-3d.ru/elektronika/drajvera/ ... lya-tb6600
А может вообще использовать с 3 Д принтера DRV8825, там я так понимаю, тоже 4 выхода на две обмотки, НО ОНИ МЕНЯЮТ ПОЛЯРНОСТЬ.. А Мне не надо что б меняли полярность..
А забыл сказать, что управление моего ШД - фазное, не степ дир...
Или вот такую?
http://zona-3d.ru/elektronika/drajvera/ ... lya-tb6600
А может вообще использовать с 3 Д принтера DRV8825, там я так понимаю, тоже 4 выхода на две обмотки, НО ОНИ МЕНЯЮТ ПОЛЯРНОСТЬ.. А Мне не надо что б меняли полярность..
А забыл сказать, что управление моего ШД - фазное, не степ дир...
Наверстываем... в электронике...
- artclonic
- Мастер
- Сообщения: 565
- Зарегистрирован: 07 июн 2014, 12:40
- Репутация: 36
- Контактная информация:
Re: Подбор драйвера для униполярного двигателя до 2А
Или такой модуль?
https://www.tomtop.com/ru/p-e1222.html
Или вообще ULN 203 справится с ШД с такими характеристиками?
Модель FL42STH38-0406
Ток/ фаза, А
0.4
Сопро- тивление/ фаза, Ом
30
Индуктивность/ фаза, мГн
30
Крутящий момент
2.6 кг х см
Кол-во выводов
6
Момент инерции ротора, г х см^2
54
https://www.tomtop.com/ru/p-e1222.html
Или вообще ULN 203 справится с ШД с такими характеристиками?
Модель FL42STH38-0406
Ток/ фаза, А
0.4
Сопро- тивление/ фаза, Ом
30
Индуктивность/ фаза, мГн
30
Крутящий момент
2.6 кг х см
Кол-во выводов
6
Момент инерции ротора, г х см^2
54
Наверстываем... в электронике...
- megagad
- Почётный участник

- Сообщения: 3207
- Зарегистрирован: 05 апр 2014, 18:57
- Репутация: 712
- Откуда: Реуспублика Крым, Бахчисарай.
- Контактная информация:
Re: Подбор драйвера для униполярного двигателя до 2А
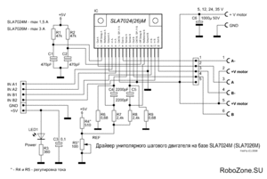
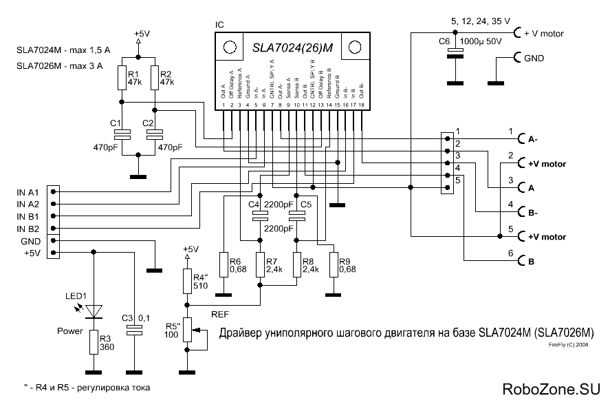
Для начала - УЛН "модуль" - это кучка транзисторов в корпусе микросхемы. Дуина рулит ими и сама крутит двигатель. Скажем так - это "прошлый век". НО! Если вам так хочется - берите спец-драйвера
Например те-же sla7026m
Тут и плата и описание: http://robozone.su/cnc-home/page,1,4,24 ... snove.html
НО - о непосредственного управления стоит уходить к более "продвинутому" "шаг/направление". И для этих целей стоит применить от такую микросхемку: Sla7062m Плата и описание тут: http://www.cuteminds.com/en/elettronica ... n-sla7062m
ЧТо первая, что вторая имеются на "Алиэкспрессе" по цене 100-150р штучка.
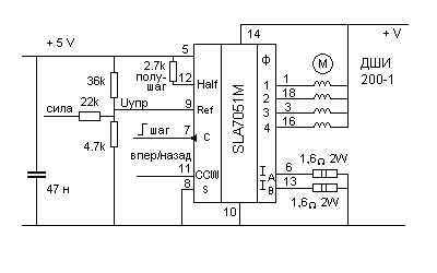
Забыл! Самый простой вариант: Но найти SLA7051M немного сложней, и они не имеют "микрошага"... Зато минимум обвеса!
НО - о непосредственного управления стоит уходить к более "продвинутому" "шаг/направление". И для этих целей стоит применить от такую микросхемку: Sla7062m Плата и описание тут: http://www.cuteminds.com/en/elettronica ... n-sla7062m
ЧТо первая, что вторая имеются на "Алиэкспрессе" по цене 100-150р штучка.
Забыл! Самый простой вариант: Но найти SLA7051M немного сложней, и они не имеют "микрошага"... Зато минимум обвеса!
Последний раз редактировалось megagad 19 янв 2018, 20:28, всего редактировалось 1 раз.
We Do What We Must, Because We Can!
Причинять добро, наносить пользу и подвергать ласке.
Причинять добро, наносить пользу и подвергать ласке.
-
nevkon
- Почётный участник

- Сообщения: 2471
- Зарегистрирован: 17 июл 2015, 10:25
- Репутация: 310
- Настоящее имя: Константин
- Откуда: Балаково (Саратовская обл.)
- Контактная информация:
Re: Подбор драйвера для униполярного двигателя до 2А
Самый прикол что у SLA7062m есть микрошаг - 1/2, 1/4, 1/8 и 1/16. На 7 странице пины M1 и M2: http://www.farnell.com/datasheets/2044650.pdf
При этом это полноценный драйвер с контролем тока для униполярных ШД.
При этом это полноценный драйвер с контролем тока для униполярных ШД.
- megagad
- Почётный участник

- Сообщения: 3207
- Зарегистрирован: 05 апр 2014, 18:57
- Репутация: 712
- Откуда: Реуспублика Крым, Бахчисарай.
- Контактная информация:
Re: Подбор драйвера для униполярного двигателя до 2А
А вот у SLA7051 его нетуnevkon писал(а):Самый прикол что у SLA7062m есть микрошаг - 1/2, 1/4, 1/8 и 1/16.
We Do What We Must, Because We Can!
Причинять добро, наносить пользу и подвергать ласке.
Причинять добро, наносить пользу и подвергать ласке.
- MX_Master
- Мастер
- Сообщения: 7488
- Зарегистрирован: 27 июн 2015, 19:45
- Репутация: 3113
- Настоящее имя: Михаил
- Откуда: Алматы
- Контактная информация:
Re: Подбор драйвера для униполярного двигателя до 2А
Также и DRV8825
У меня, к примеру, 8-ми выводные шаговики.
На разных осях подключены по-разному, в зависимости от требуемого момента.
У меня, к примеру, 8-ми выводные шаговики.
На разных осях подключены по-разному, в зависимости от требуемого момента.
- artclonic
- Мастер
- Сообщения: 565
- Зарегистрирован: 07 июн 2014, 12:40
- Репутация: 36
- Контактная информация:
Re: Подбор драйвера для униполярного двигателя до 2А
ПРИНЦИПИАЛЬНО - двигатель униполярный, управление фазное (не степ/дир), режим полношаговый, программа управления самодельная - включение соотвествующих обмоток с определенными паузами, все на ардуине.
на модуле ULN (я знаю что это сборка транзистров) работает идеально. Хочу аналогичный модуль помощнее...
не пойму SLA7051 - там же степ/дир??? Мне степ/дир не надо...(консервативный я)))) наверное просто сборка тразистров какая то готовая подойдет... где ее купить? (на али - слишком долго)
Повторю еще вопросик! Может и ULN 203 (в характеристиках модуля ток указан 0,5А) справится с ШД с такими характеристиками (планирую такой двигатель)?
Модель FL42STH38-0406
Ток/ фаза, А
0.4
Сопро- тивление/ фаза, Ом
30
Индуктивность/ фаза, мГн
30
Крутящий момент
2.6 кг х см
Кол-во выводов
6
Момент инерции ротора, г х см^2
54
на модуле ULN (я знаю что это сборка транзистров) работает идеально. Хочу аналогичный модуль помощнее...
не пойму SLA7051 - там же степ/дир??? Мне степ/дир не надо...(консервативный я)))) наверное просто сборка тразистров какая то готовая подойдет... где ее купить? (на али - слишком долго)
Повторю еще вопросик! Может и ULN 203 (в характеристиках модуля ток указан 0,5А) справится с ШД с такими характеристиками (планирую такой двигатель)?
Модель FL42STH38-0406
Ток/ фаза, А
0.4
Сопро- тивление/ фаза, Ом
30
Индуктивность/ фаза, мГн
30
Крутящий момент
2.6 кг х см
Кол-во выводов
6
Момент инерции ротора, г х см^2
54
Наверстываем... в электронике...
- MX_Master
- Мастер
- Сообщения: 7488
- Зарегистрирован: 27 июн 2015, 19:45
- Репутация: 3113
- Настоящее имя: Михаил
- Откуда: Алматы
- Контактная информация:
Re: Подбор драйвера для униполярного двигателя до 2А
Консервативность - это когда лень переделывать и улучшать. По-моему, скетч быстрее переделать под степ/дир, чем каждый раз придумывать новое железо (:
-
nevkon
- Почётный участник

- Сообщения: 2471
- Зарегистрирован: 17 июл 2015, 10:25
- Репутация: 310
- Настоящее имя: Константин
- Откуда: Балаково (Саратовская обл.)
- Контактная информация:
Re: Подбор драйвера для униполярного двигателя до 2А
4шт TIP120 или аналог не подойдут? Исполнят ту же роль что и uln2003. uln2003 точно не справится - у него 0.5А рекомендуемый ток на корпус, а у вас на фазу 0.4А, т.е. до 0.8А на корпус.
- artclonic
- Мастер
- Сообщения: 565
- Зарегистрирован: 07 июн 2014, 12:40
- Репутация: 36
- Контактная информация:
Re: Подбор драйвера для униполярного двигателя до 2А
Вот тут можно поподробнее. у меня 4 фазы. т.е. 0,5*4 = 2 А.nevkon писал(а):у вас на фазу 0.4А, т.е. до 0.8А на корпус.
А это точно характеристика "на корпус"???? Или все же на канал???? ОЧЧЕНЬ ВАЖНО!
TIP120 -подойдут! Но только в модулени как не найду, что б не паять... привинтил (в крайнем случае припаял 4 проводка! И счастие)
p.s. Мое мнение что управление "фазное" надежнее, чем STEP/DIR... Управление фазное - 4 суток по факту работало. Как только не вымудрялся при степ/дир - сбои (пропуски шагов). Поэтому хочу "фазное"
Переубедите... плиз
Наверстываем... в электронике...
- MX_Master
- Мастер
- Сообщения: 7488
- Зарегистрирован: 27 июн 2015, 19:45
- Репутация: 3113
- Настоящее имя: Михаил
- Откуда: Алматы
- Контактная информация:
Re: Подбор драйвера для униполярного двигателя до 2А
Тот, кто не любит собак - просто не умеет их правильно готовить. Степ/дир - это сигналы, их защита от помех и наводок - первоочередная задача. Если заземление неправильное, пропуски шагов и перебеги обеспечены. За четверо суток может и свет моргнуть, и чёрный кот пробежать, и бабка с пустыми вёдрами пройти, и всё, что угодно.artclonic писал(а):Как только не вымудрялся при степ/дир - сбои (пропуски шагов)
Как только попробуете большие шаговики на низких оборотах в полношаговом режиме, убеждать не придётся.artclonic писал(а):Переубедите... плиз
- artclonic
- Мастер
- Сообщения: 565
- Зарегистрирован: 07 июн 2014, 12:40
- Репутация: 36
- Контактная информация:
Re: Подбор драйвера для униполярного двигателя до 2А
А мне и не надо)))))MX_Master писал(а):Как только попробуете большие шаговики на низких оборотах в полношаговом режиме, убеждать не придётся.
С точки зрения понятия "надежности" где то слышал, что это вообще измеряемая величина. Думаю что фазное -надежней! Даже с той точки зрения, что надо меньше составляющих в это формуле надежности - исключить
Наверстываем... в электронике...
- MX_Master
- Мастер
- Сообщения: 7488
- Зарегистрирован: 27 июн 2015, 19:45
- Репутация: 3113
- Настоящее имя: Михаил
- Откуда: Алматы
- Контактная информация:
Re: Подбор драйвера для униполярного двигателя до 2А
Если нужны только эти моторы и больше ничего никогда меняться не будет, то я согласен. У меня есть разные шаговики (42, 57, 86), поэтому надо выбирать универсальное решение. Есть, кстати, драйвера, которые управляются не по степ/дир, а по SPI (в виде команд). Но степ/дир намного быстрее организовать при построении ЧПУ. Вощем, каждому - по потребности.
Вот, посмотрите еще. Может поможет
https://www.youtube.com/watch?v=ZFnFboA4lKg
Вот, посмотрите еще. Может поможет
https://www.youtube.com/watch?v=ZFnFboA4lKg
- artclonic
- Мастер
- Сообщения: 565
- Зарегистрирован: 07 июн 2014, 12:40
- Репутация: 36
- Контактная информация:
Re: Подбор драйвера для униполярного двигателя до 2А
Это точное утверждение? Разве не по каждому каналу характеристика????artclonic писал(а):у вас на фазу 0.4А, т.е. до 0.8А на корпус.
Вот характеристика
Технические характеристики
Документация - Datasheet ULN2803.pdf
Питание: 5 - 24 В/
Размер платы: 35 x 60 мм.
Выходов: 8
Максимальный выходной ток: 0.5 А
Управление TTL или CMOS: 5 В.
Подсветка выходов светодиодом: Да
Неужели 0,5 А сумма всех каналов?????
Наверстываем... в электронике...
-
nevkon
- Почётный участник

- Сообщения: 2471
- Зарегистрирован: 17 июл 2015, 10:25
- Репутация: 310
- Настоящее имя: Константин
- Откуда: Балаково (Саратовская обл.)
- Контактная информация:
Re: Подбор драйвера для униполярного двигателя до 2А
Там еще графики в конце даташита смотреть надо.
- artclonic
- Мастер
- Сообщения: 565
- Зарегистрирован: 07 июн 2014, 12:40
- Репутация: 36
- Контактная информация:
Re: Подбор драйвера для униполярного двигателя до 2А
Какие графики???
- Вложения
-
- ULN2803.pdf
- (749.32 КБ) 327 скачиваний
Наверстываем... в электронике...
-
nevkon
- Почётный участник

- Сообщения: 2471
- Зарегистрирован: 17 июл 2015, 10:25
- Репутация: 310
- Настоящее имя: Константин
- Откуда: Балаково (Саратовская обл.)
- Контактная информация:
Re: Подбор драйвера для униполярного двигателя до 2А
Мы ведь про 2003? Для 2803 аналогично. на 10 странице: http://www.farnell.com/datasheets/87637.pdf
Там даже для 1 канала за раз при постоянном включении чуть более 300мА допускается, а при 2 (именно столько обычно задействовано в ШД за раз) не более 200мА на канал. 500мА тоже допускается, но при ШИМ 25% для 2-х каналов одновременно. А дальше думаю разберетесь.
Там даже для 1 канала за раз при постоянном включении чуть более 300мА допускается, а при 2 (именно столько обычно задействовано в ШД за раз) не более 200мА на канал. 500мА тоже допускается, но при ШИМ 25% для 2-х каналов одновременно. А дальше думаю разберетесь.
- artclonic
- Мастер
- Сообщения: 565
- Зарегистрирован: 07 июн 2014, 12:40
- Репутация: 36
- Контактная информация:
Re: Подбор драйвера для униполярного двигателя до 2А
Да про ULN2003
Смотрю, что основной параметр от которого зависит ток, это "Duty Cycle − %" (рабочий цикл..) Что это?
И еще N - это количество одновременно включенных каналов?
Смотрю, что основной параметр от которого зависит ток, это "Duty Cycle − %" (рабочий цикл..) Что это?
И еще N - это количество одновременно включенных каналов?
Наверстываем... в электронике...