Что касается схемы подключения. В отличии от TB6560 на этой плате нет LM7805 для питания оптронов и микросхемы TB6600. Поэтому правильно будет запитать TB6600 от отдельного источника +5 вольт, -5 вольт соединить с GND, типа как тут: Либо использовать LM7805 и запитывать от основного источника (+24в), как на картинке  #38 sn0wflake Сегодня, 20:13sn0wflake писал(а):И у меня вопросик, люди добрые, помогите подружить вышеупомянутый драйвер с платкой HDBB2. Не пойму какие выводы RJ-45 оси X подключать к выводам драйвера tb6600, если степ и дир (предполагаю) подключается таким образом, то en- и +5v куда подключать ума не приложу.
Проблема подключения tb6600
- Rom327
- Почётный участник

- Сообщения: 2989
- Зарегистрирован: 03 апр 2015, 13:23
- Репутация: 437
- Настоящее имя: Роман
- Откуда: Подольск
- Контактная информация:
Re: Проблема подключения tb6600
Это сугубо мое мнение, могу и ошибаться...
https://vk.com/rom327
GRBL настройки: http://blogandbux.blogspot.com/2018/07/ ... revod.html
G коды: http://3d-stanki.ru/spravochnik/program ... stankov-2/
https://vk.com/rom327
GRBL настройки: http://blogandbux.blogspot.com/2018/07/ ... revod.html
G коды: http://3d-stanki.ru/spravochnik/program ... stankov-2/
-
nevkon
- Почётный участник

- Сообщения: 2477
- Зарегистрирован: 17 июл 2015, 10:25
- Репутация: 310
- Настоящее имя: Константин
- Откуда: Балаково (Саратовская обл.)
- Контактная информация:
Re: Проблема подключения tb6600
Не советую если не хотите красивый фейерверк получить.sn0wflake писал(а):Так попробую.![]()
- Rom327
- Почётный участник

- Сообщения: 2989
- Зарегистрирован: 03 апр 2015, 13:23
- Репутация: 437
- Настоящее имя: Роман
- Откуда: Подольск
- Контактная информация:
Re: Проблема подключения tb6600
Не правильно соединил! К заземлению не надо подключать! Среднюю ножку (GND) LM7805 надо подключать к минусу источника питания. И микросхему стабилизатора (LM7805) обязательно на радиатор установить. Пр этом надо помнить, что если "ухо" микросхемы стабилизатора не залито пластиком, то на радиаторе будет минус питания. Правильно так:sn0wflake писал(а):Так попробую.![]()
Это сугубо мое мнение, могу и ошибаться...
https://vk.com/rom327
GRBL настройки: http://blogandbux.blogspot.com/2018/07/ ... revod.html
G коды: http://3d-stanki.ru/spravochnik/program ... stankov-2/
https://vk.com/rom327
GRBL настройки: http://blogandbux.blogspot.com/2018/07/ ... revod.html
G коды: http://3d-stanki.ru/spravochnik/program ... stankov-2/
- al_us
- Почётный участник

- Сообщения: 553
- Зарегистрирован: 24 июн 2015, 09:27
- Репутация: 115
- Настоящее имя: Алексей
- Контактная информация:
Re: Проблема подключения tb6600
Запитал оптопары, теперь немогу понять почему при подаче питания шаговик уходит в ступор, а если отключить микрошаг переключатель 1 и 2 на драйвере его ничего не стопорит...
-
Allure88
- Новичок
- Сообщения: 4
- Зарегистрирован: 21 мар 2019, 22:32
- Репутация: 0
- Настоящее имя: Александр
- Контактная информация:
Re: Проблема подключения tb6600
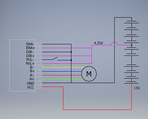
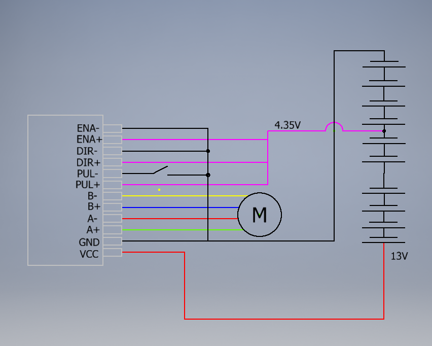
Есть проблема с таким же драйвером. Не понимаю, как его проверить, хочу подключить к своему контроллеру, а он не реагирует в принципе. Подключал, как на картинке, фазы двигателя прозваниваются. Щелкаю ключом, вращения нет. Переключатели устанавливал без деления шага на разные токи.
Кто-нибудь может подсказать, так вообще можно его проверить?
Кто-нибудь может подсказать, так вообще можно его проверить?
-
drey82
- Мастер
- Сообщения: 639
- Зарегистрирован: 24 авг 2014, 10:29
- Репутация: 82
- Настоящее имя: Drey
- Откуда: Воронеж
- Контактная информация:
Re: Проблема подключения tb6600
Не знаю , на счёт правильно ли, но тогда уже пробуй и на оборот - ключ на плюс вешай, была подобная запарка - смена общего контакта решила проблему . А ващпе купи генератор импульсов и будет тебе счастье)))
-
Allure88
- Новичок
- Сообщения: 4
- Зарегистрирован: 21 мар 2019, 22:32
- Репутация: 0
- Настоящее имя: Александр
- Контактная информация:
Re: Проблема подключения tb6600
Да я и плюсом щелкал, и Атмегой стробил, без толку. И отдельно БП на 24 вольта подключал, и минусы с батарейками соединял. И обмотки движка перебрал поочередною. И свитчи на драйвере переключал на все токи. Не знаю, как правильно сделать, почему импульсы не дает.
Я не хочу через Mach3 подключать, я хочу своим контроллером управлять, так как мне нужно. Но если он на элементарное управление не реагирует, то я в ступоре.
Красная лампа на драйвере постоянно горит, а зеленая то горит, то нет, когда ключом щелкаю. Документации у китайчиков можно сказать, что нет, вот я и сижу, не знаю, в чем причина. Второй драйвер ведет себя так же, второй движок тоже. Может я что-то не понимаю, может импульсы определенные нужны?
Я не хочу через Mach3 подключать, я хочу своим контроллером управлять, так как мне нужно. Но если он на элементарное управление не реагирует, то я в ступоре.
Красная лампа на драйвере постоянно горит, а зеленая то горит, то нет, когда ключом щелкаю. Документации у китайчиков можно сказать, что нет, вот я и сижу, не знаю, в чем причина. Второй драйвер ведет себя так же, второй движок тоже. Может я что-то не понимаю, может импульсы определенные нужны?
-
lkbyysq
- Мастер
- Сообщения: 2284
- Зарегистрирован: 14 май 2016, 09:40
- Репутация: 346
- Настоящее имя: Станислав Ерофеев
- Откуда: Санкт-Петербург
Re: Проблема подключения tb6600
ENA отцепите.
- Rom327
- Почётный участник

- Сообщения: 2989
- Зарегистрирован: 03 апр 2015, 13:23
- Репутация: 437
- Настоящее имя: Роман
- Откуда: Подольск
- Контактная информация:
Re: Проблема подключения tb6600
Купи генератор типа такого и проверяй на здоровье:Allure88 писал(а):Есть проблема с таким же драйвером. Не понимаю, как его проверить
https://ru.aliexpress.com/item/8-24V-12 ... afc17ccf12
p.s. или собери генератор на ардуино, используя встроенный пример "blink"
Последний раз редактировалось Rom327 22 мар 2019, 16:25, всего редактировалось 1 раз.
Это сугубо мое мнение, могу и ошибаться...
https://vk.com/rom327
GRBL настройки: http://blogandbux.blogspot.com/2018/07/ ... revod.html
G коды: http://3d-stanki.ru/spravochnik/program ... stankov-2/
https://vk.com/rom327
GRBL настройки: http://blogandbux.blogspot.com/2018/07/ ... revod.html
G коды: http://3d-stanki.ru/spravochnik/program ... stankov-2/
-
Allure88
- Новичок
- Сообщения: 4
- Зарегистрирован: 21 мар 2019, 22:32
- Репутация: 0
- Настоящее имя: Александр
- Контактная информация:
Re: Проблема подключения tb6600
Всё, понял. Enable - это не разрешение на работу, а запрет. Всё наоборот. Два контакта ENA выдают ALARM (зеленую лампу) и запрещают работу. DIR тоже необязательно все подключать.
- xvovanx
- Мастер
- Сообщения: 3775
- Зарегистрирован: 25 фев 2016, 12:27
- Репутация: 920
- Настоящее имя: Владимир
- Откуда: Latvia
- Контактная информация:
Re: Проблема подключения tb6600
Просто включателем, счелкая вручную, его не раскрутишь. Нужны определенные импульсы (длительность, частота). Используя даже генератор, ссылку на который выше выкладывали, на сильно малых и сильно высоких частотах он молча стоит.Allure88 писал(а):Не знаю, как правильно сделать, почему импульсы не дает.
П.С. а так, это отличный, надежный драйвер, управляемый инверсной полярностью (от 5 к нулю), земля в управлении не участвует вообще.
-
Allure88
- Новичок
- Сообщения: 4
- Зарегистрирован: 21 мар 2019, 22:32
- Репутация: 0
- Настоящее имя: Александр
- Контактная информация:
Re: Проблема подключения tb6600
У меня китайский аналог до 3,5А яко бы. MicroStep Driver. Нормально включателем щелкает. Даже на дребезг реагирует несколькими шагами. Предельную частоту не проверял еще.