Никак, Ncstudio только под Windows и при чем только под 32-х битную!solanto писал(а):А как Ncstudio и LinuxCNC задружить друг с другом?
Подскажите по электронике
-
sertix
- Мастер
- Сообщения: 627
- Зарегистрирован: 07 май 2011, 09:06
- Репутация: 138
- Настоящее имя: Сергей
- Контактная информация:
Re: Подскажите по электронике
- Сергей Саныч
- Мастер
- Сообщения: 9116
- Зарегистрирован: 30 май 2012, 14:20
- Репутация: 2858
- Откуда: Тюмень
- Контактная информация:
Re: Подскажите по электронике
Достаточно знать протокол связи NCstudio и написать соответствующий hal-компонентsolanto писал(а):А как Ncstudio и LinuxCNC задружить друг с другом?
Чудес не бывает. Бывают фокусы.
- solanto
- Почётный участник

- Сообщения: 963
- Зарегистрирован: 02 апр 2014, 09:10
- Репутация: 94
- Настоящее имя: Александр
- Откуда: Карачаево-Черкесская республика, г.Черкесск
- Контактная информация:
Re: Подскажите по электронике
О как. Значит всё таки можно. Но мне до такого как до Шанхая пешком.Сергей Саныч писал(а):Достаточно знать протокол связи NCstudio и написать соответствующий hal-компонент
Мне пофигу, что думают обо мне люди, пока они не начинают меня бить.
Вектроник А4-12: от заказа до готовности - http://cnc-club.ru/forum/viewtopic.php?f=3&t=5248
Токарник по дереву - http://cnc-club.ru/forum/viewtopic.php?f=3&t=5623

Вектроник А4-12: от заказа до готовности - http://cnc-club.ru/forum/viewtopic.php?f=3&t=5248
Токарник по дереву - http://cnc-club.ru/forum/viewtopic.php?f=3&t=5623

- Сергей Саныч
- Мастер
- Сообщения: 9116
- Зарегистрирован: 30 май 2012, 14:20
- Репутация: 2858
- Откуда: Тюмень
- Контактная информация:
Re: Подскажите по электронике
Вопрос только в том - а надо ли? Для LCNC есть масса недорогих решений аппаратных шагогенераторов (те же Mesa, к примеру) с открытой архитектурой. Можно взять демоплату на основе какой-нибудь ПЛИС (FPGA) и, пользуясь готовыми решениями, как основой, сварганить что-нибудь свое как тут, например.solanto писал(а):О как. Значит всё таки можно.
Чудес не бывает. Бывают фокусы.
- solanto
- Почётный участник

- Сообщения: 963
- Зарегистрирован: 02 апр 2014, 09:10
- Репутация: 94
- Настоящее имя: Александр
- Откуда: Карачаево-Черкесская республика, г.Черкесск
- Контактная информация:
Re: Подскажите по электронике
Ну это на будущее, т.к. покупка NcStudio только в планах. Сейчас юзаю StepMasterСергей Саныч писал(а):Вопрос только в том - а надо ли?
Ну как бы Mesa не такая уж и дешевая.Сергей Саныч писал(а):Для LCNC есть масса недорогих решений аппаратных шагогенераторов (те же Mesa, к примеру) с открытой архитектурой.
А это уже интересно. Буду кутить ссылку.Сергей Саныч писал(а):Можно взять демоплату на основе какой-нибудь ПЛИС (FPGA) и, пользуясь готовыми решениями, как основой, сварганить что-нибудь свое как тут, например.
Мне пофигу, что думают обо мне люди, пока они не начинают меня бить.
Вектроник А4-12: от заказа до готовности - http://cnc-club.ru/forum/viewtopic.php?f=3&t=5248
Токарник по дереву - http://cnc-club.ru/forum/viewtopic.php?f=3&t=5623

Вектроник А4-12: от заказа до готовности - http://cnc-club.ru/forum/viewtopic.php?f=3&t=5248
Токарник по дереву - http://cnc-club.ru/forum/viewtopic.php?f=3&t=5623

- pankinoa
- Кандидат
- Сообщения: 81
- Зарегистрирован: 05 ноя 2014, 21:42
- Репутация: 11
- Настоящее имя: Олег
- Откуда: Самара
- Контактная информация:
Re: Подскажите по электронике
18 кг*см - это крутящий момент, он соответсвует 1,8Nm, верно?michael-yurov писал(а):А крутящий момент вам зачем? ШД 18 кг*см разовьет усилие до 226 кгс,
ШД 30 кг*см - 377 кгс. Зачем столько?
А в этой таблице где этот параметр? Удерживающий момент? ссылка - http://opt-china.pulscen.biz/goods/2955 ... 8_460g_cm2
Тогда модель 57HS13 подходит?
- michael-yurov
- Почётный участник

- Сообщения: 11731
- Зарегистрирован: 26 июл 2012, 00:10
- Репутация: 4703
- Настоящее имя: Михаил Львович
- Откуда: Новоуральск
- Контактная информация:
- pankinoa
- Кандидат
- Сообщения: 81
- Зарегистрирован: 05 ноя 2014, 21:42
- Репутация: 11
- Настоящее имя: Олег
- Откуда: Самара
- Контактная информация:
Re: Подскажите по электронике
Михаил, на основе перечисленного, верный вывод делаю, что даже 57HS13 - это слишком мощный по крутящему моменту? Как определять "достаточно или нет" развиваемого усилия?michael-yurov писал(а): А крутящий момент вам зачем? ШД 18 кг*см разовьет усилие до 226 кгс,
ШД 30 кг*см - 377 кгс. Зачем столько?
И стоит ли тогда ориентироваться на 57HSM09 c 0,8Nm. Но у него индуктивность самая большая = 2,5 мГн
Находится ли он на границе критичности и тот же вопрос - Как определять "достаточно или нет" для скорости работы?michael-yurov писал(а): M542 - это минимум для трехамперных моторов.
Да и напряжение питания до 50 В - это значит, что моторы с большой индуктивностью (выше 3 мГн) будут уже относительно медленно работать.
- michael-yurov
- Почётный участник

- Сообщения: 11731
- Зарегистрирован: 26 июл 2012, 00:10
- Репутация: 4703
- Настоящее имя: Михаил Львович
- Откуда: Новоуральск
- Контактная информация:
Re: Подскажите по электронике
Я так понимаю, что речь про станок, вроде этого?: http://www.cnc-club.ru/forum/viewtopic. ... 97#p160520pankinoa писал(а):Михаил, на основе перечисленного, верный вывод делаю, что даже 57HS13 - это слишком мощный по крутящему моменту? Как определять "достаточно или нет" развиваемого усилия?
И стоит ли тогда ориентироваться на 57HSM09 c 0,8Nm. Но у него индуктивность самая большая = 2,5 мГн
У меня похожий по размеру и механике станок и стоят моторы, рассчитанные на 2 А и имеющие индуктивность 2,4 мГн.
(NEMA 23 длиной 67 мм, момент удержания 1 Н*м)
Они работают с относительно приличной скоростью даже при питании 36 В.
Возможно, стоило бы поставить моторы чуть побольше - длиной 76 мм. Хотя, я никогда не замечал недостатка крутящего момента, а вот скорости всегда мало.
57HSM09 ставить не надо - у него шаг 0,9 градуса, это плохо с точки зрения скорости.
Я бы советовал HS09 (если нагрузки при работе не большие, и предпочтительна высокая скорость) или HS13 (если обрабатывать дерево большими фрезами и т.п, где усилие фрезеровки играет не последнюю роль).
В общем и целом и меньшего (57HS09) мотора будет достаточно для большинства задач (если речь про небольшие фрезы, обработку пластиков и т.п.), и больший (57HS13) будет довольно резво работать.
-
truevoxdei
- Новичок
- Сообщения: 25
- Зарегистрирован: 26 дек 2014, 19:34
- Репутация: 0
- Контактная информация:
Re: Подскажите по электронике
Тогда дробление шага на драйвере меньше, следовательно частоту входящего сигнала можно понизить (некоторые проблемы не будут актуальны). А так да, мотор будет больше греться.michael-yurov писал(а):у него шаг 0,9 градуса, это плохо с точки зрения скорости.
"Нормальные герои всегда идут в обход!"
- michael-yurov
- Почётный участник

- Сообщения: 11731
- Зарегистрирован: 26 июл 2012, 00:10
- Репутация: 4703
- Настоящее имя: Михаил Львович
- Откуда: Новоуральск
- Контактная информация:
Re: Подскажите по электронике
Мне просто лень объяснять.truevoxdei писал(а):Тогда дробление шага на драйвере меньше, следовательно частоту входящего сигнала можно понизить (некоторые проблемы не будут актуальны). А так да, мотор будет больше греться.michael-yurov писал(а):у него шаг 0,9 градуса, это плохо с точки зрения скорости.
Частоту на входе понизить не получится, т.к. нужно больше полных шагов на 1 оборот.
В реальности максимальная скорость снизится вдвое при тех же параметрах обмоток. И не уверен, что крутящий момент на вдвое более низкой скорости будет хотя бы близок моменту обычного мотора с вдвое более высокой скоростью.
Грубо говоря - это более слабый, и более медленный мотор.
-
truevoxdei
- Новичок
- Сообщения: 25
- Зарегистрирован: 26 дек 2014, 19:34
- Репутация: 0
- Контактная информация:
Re: Подскажите по электронике
Та всё понятно и так.Объяснять не надо.Просто увидел 0,9 градуса и сразу вспомнил как присматривался к движкам, цену смотрел да всё думал купить или нет. Ещё раз перечитал пост. Чёт меня заклинило на точности, где микрошаг подавай для дробления 1.8 от мотора....michael-yurov писал(а):Мне просто лень объяснять.
А человеку скорость нужна, та ещё и момент важен будет.
"Нормальные герои всегда идут в обход!"
- pankinoa
- Кандидат
- Сообщения: 81
- Зарегистрирован: 05 ноя 2014, 21:42
- Репутация: 11
- Настоящее имя: Олег
- Откуда: Самара
- Контактная информация:
Re: Подскажите по электронике
Господа, поправьте где ошибся:
- ШД 57HS13 / 1,3Nm / 2,8А / 2,1mH / 76мм
- драйвер DM556 5,6А, 36-48В защита обр ЭДС (или DM442 4.2А, 36-40В)
- плата NcStudio (красная лучше?)
- шпиндель 800Вт + инвертор 1,5кВт + водян.помпа
- БП на сколько вольт и сколько штук? (1 на драйвера, 1 на ШД)
- ШД 57HS13 / 1,3Nm / 2,8А / 2,1mH / 76мм
- драйвер DM556 5,6А, 36-48В защита обр ЭДС (или DM442 4.2А, 36-40В)
- плата NcStudio (красная лучше?)
- шпиндель 800Вт + инвертор 1,5кВт + водян.помпа
- БП на сколько вольт и сколько штук? (1 на драйвера, 1 на ШД)
- pankinoa
- Кандидат
- Сообщения: 81
- Зарегистрирован: 05 ноя 2014, 21:42
- Репутация: 11
- Настоящее имя: Олег
- Откуда: Самара
- Контактная информация:
Re: Подскажите по электронике
Господа, на что влияет индуктивность ШД?
Например у 57BYG250C (3А/ 1,2Nm) она 8,1 mH, что в 4 раза отличается от похожего 57HS13 (1,3Nm / 2,8А / 2,1mH)
Для 57BYG250C драйвера какие лучше - DM556 (5,6А, 36-48В защита обр ЭДС) или DM442 (4.2А, 36-40В) ?
Например у 57BYG250C (3А/ 1,2Nm) она 8,1 mH, что в 4 раза отличается от похожего 57HS13 (1,3Nm / 2,8А / 2,1mH)
Для 57BYG250C драйвера какие лучше - DM556 (5,6А, 36-48В защита обр ЭДС) или DM442 (4.2А, 36-40В) ?
- michael-yurov
- Почётный участник

- Сообщения: 11731
- Зарегистрирован: 26 июл 2012, 00:10
- Репутация: 4703
- Настоящее имя: Михаил Львович
- Откуда: Новоуральск
- Контактная информация:
Re: Подскажите по электронике
От произведения индуктивности обмоток и рабочего тока линейно зависит время изменения тока до требуемого значения при одинаковом напряжении питания драйвера (ток должен меняться на противоположный с каждым шагом).
Еще зависит от сопротивления обмоток, но этим можно пренебречь.
т.е. первый мотор буде в 4,13 раза медленнее второго.
Еще зависит от сопротивления обмоток, но этим можно пренебречь.
т.е. первый мотор буде в 4,13 раза медленнее второго.
- pankinoa
- Кандидат
- Сообщения: 81
- Зарегистрирован: 05 ноя 2014, 21:42
- Репутация: 11
- Настоящее имя: Олег
- Откуда: Самара
- Контактная информация:
Re: Подскажите по электронике
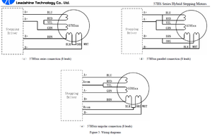
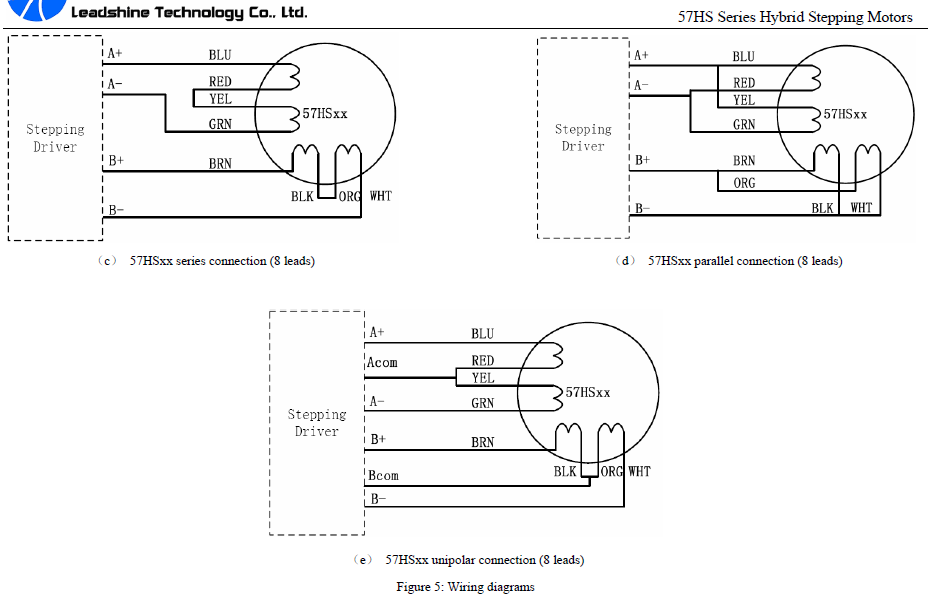
хм, а индуктивность не зависит ли от способа подключения обмоток?
прикладываю картинки:
1. в таблице с параметрами 57HS13 в строке Bipolar Series индуктивность = 8,4. в других строках = 2,1
2. Подключение обмоток.
Это значит ли, что обмотки ШД можно по разному соединять (при этом индуктивность меняется)? Или есть привила выбора какие-то?
прикладываю картинки:
1. в таблице с параметрами 57HS13 в строке Bipolar Series индуктивность = 8,4. в других строках = 2,1
2. Подключение обмоток.
Это значит ли, что обмотки ШД можно по разному соединять (при этом индуктивность меняется)? Или есть привила выбора какие-то?
- michael-yurov
- Почётный участник

- Сообщения: 11731
- Зарегистрирован: 26 июл 2012, 00:10
- Репутация: 4703
- Настоящее имя: Михаил Львович
- Откуда: Новоуральск
- Контактная информация:
Re: Подскажите по электронике
Все верно. Зависит.pankinoa писал(а):а индуктивность не зависит ли от способа подключения обмоток?
В таблице все правильно cказано - индуктивность в зависимости от схемы подключения.
Если соединить две обмотки параллельно индуктивность получается такая же, как при подключении только одной половины обмотки (актуально для 6-выводных моторов),
Если последовательно - индуктивность получается в 4 раза выше.
Это все справедливо только для ШД, а не для соединения двух индуктивностей в электрической схеме, где у индуктивностей разные сердечники.
P.S. Могу ошибаться. Вопрос с подвохом, а времени думать нет. Написал то, что помню.
- Сергей Саныч
- Мастер
- Сообщения: 9116
- Зарегистрирован: 30 май 2012, 14:20
- Репутация: 2858
- Откуда: Тюмень
- Контактная информация:
Re: Подскажите по электронике
Всё правильно.michael-yurov писал(а):Написал то, что помню.
Чудес не бывает. Бывают фокусы.
- pankinoa
- Кандидат
- Сообщения: 81
- Зарегистрирован: 05 ноя 2014, 21:42
- Репутация: 11
- Настоящее имя: Олег
- Откуда: Самара
- Контактная информация:
Re: Подскажите по электронике
Дык тогда может быть и ШД 57BYG250C могут при нужном подключении 2 mH иметь вместо 8 ?michael-yurov писал(а):В таблице все правильно оказано
а я просто мануал по ним не нашел? есть может у кого?
- pankinoa
- Кандидат
- Сообщения: 81
- Зарегистрирован: 05 ноя 2014, 21:42
- Репутация: 11
- Настоящее имя: Олег
- Откуда: Самара
- Контактная информация:
Re: Подскажите по электронике
http://nhaphangdientu.com/2007889-stepp ... =57BYG250C
http://us.100y.com.tw/pdf_file/57-57BYG250C.pdf
в этих табличках 3,6mH стоит. другой производитель?
http://us.100y.com.tw/pdf_file/57-57BYG250C.pdf
в этих табличках 3,6mH стоит. другой производитель?
