Помогите со схемкой для ЧПУ
-
Rockabillyboy
- Новичок
- Сообщения: 11
- Зарегистрирован: 30 апр 2014, 14:15
- Репутация: 0
- Откуда: Москва
- Контактная информация:
Помогите со схемкой для ЧПУ
Всем привет!
Прошу не кидаться комнями, если подобный вопрос уже поднимался, я порыска, и к сожалению не нашел ответа(
Недавно заказал 4-х осевой комплект как на фото. В приложении была картинка подключения: В принципе ничего сложного, казалось бы, подключай и радуйся, но до кучи на схеме был отмечен какой-то "adaptor"
На мой вопрос, что это за блок, производитель ответил следующее :
You need to add extra power supply, such as 50W-5V to give power to the breakout board (вам нуже доп. блок питания 50Вт 5в, для подачи питания на плату).
1.Вот собственно вопрос, можно ли работать без этого блока? Если да, то как подключать?))
2. А если подключать этот блок в схему по предложенному чертежу, то не могу понять, почему такое подключение? Получается он постоянно будет давать 5 вольт на каналы Puls+ и Dir+ на всех драйверах? Зачем?
Поясните/посоветуйте пожалуйста...
Прошу не кидаться комнями, если подобный вопрос уже поднимался, я порыска, и к сожалению не нашел ответа(
Недавно заказал 4-х осевой комплект как на фото. В приложении была картинка подключения: В принципе ничего сложного, казалось бы, подключай и радуйся, но до кучи на схеме был отмечен какой-то "adaptor"
На мой вопрос, что это за блок, производитель ответил следующее :
You need to add extra power supply, such as 50W-5V to give power to the breakout board (вам нуже доп. блок питания 50Вт 5в, для подачи питания на плату).
1.Вот собственно вопрос, можно ли работать без этого блока? Если да, то как подключать?))
2. А если подключать этот блок в схему по предложенному чертежу, то не могу понять, почему такое подключение? Получается он постоянно будет давать 5 вольт на каналы Puls+ и Dir+ на всех драйверах? Зачем?
Поясните/посоветуйте пожалуйста...
- Сергей Саныч
- Мастер
- Сообщения: 9116
- Зарегистрирован: 30 май 2012, 14:20
- Репутация: 2858
- Откуда: Тюмень
- Контактная информация:
Re: Помогите со схемкой для ЧПУ
50-ваттный блок - для питания коммутационной платы - излишество, хватит и на 1-2Вт. Можно взять 5В с любого USB-разъема того же компьютера.Rockabillyboy писал(а):В принципе ничего сложного, казалось бы, подключай и радуйся, но до кучи на схеме был отмечен какой-то "adaptor"
Да, так и надо для работы опторазвязки драйверов.Rockabillyboy писал(а): Получается он постоянно будет давать 5 вольт на каналы Puls+ и Dir+
Чудес не бывает. Бывают фокусы.
-
Rockabillyboy
- Новичок
- Сообщения: 11
- Зарегистрирован: 30 апр 2014, 14:15
- Репутация: 0
- Откуда: Москва
- Контактная информация:
Re: Помогите со схемкой для ЧПУ
А если подключить эту схему без этого "адаптора(USB и т.п.)", будет работать?Сергей Саныч писал(а):50-ваттный блок - для питания коммутационной платы - излишество, хватит и на 1-2Вт. Можно взять 5В с любого USB-разъема того же компьютера.Rockabillyboy писал(а):В принципе ничего сложного, казалось бы, подключай и радуйся, но до кучи на схеме был отмечен какой-то "adaptor"Да, так и надо для работы опторазвязки драйверов.Rockabillyboy писал(а): Получается он постоянно будет давать 5 вольт на каналы Puls+ и Dir+
Просто смотрел на другие похожие комплекты на различных форумах, и ничего подобного там не видел..
- vovafed
- Мастер
- Сообщения: 1822
- Зарегистрирован: 08 фев 2013, 16:19
- Репутация: 325
- Настоящее имя: Владимир
- Откуда: башкортостан
- Контактная информация:
Re: Помогите со схемкой для ЧПУ
нет интерфейсная плата не запитана будет и сигналы на драйвера проходить не будутRockabillyboy писал(а):А если подключить эту схему без этого "адаптора(USB и т.п.)", будет работать?
-
Rockabillyboy
- Новичок
- Сообщения: 11
- Зарегистрирован: 30 апр 2014, 14:15
- Репутация: 0
- Откуда: Москва
- Контактная информация:
Re: Помогите со схемкой для ЧПУ
Сергей Саныч писал(а):50-ваттный блок - для питания коммутационной платы - излишество, хватит и на 1-2Вт. Можно взять 5В с любого USB-разъема того же компьютера.Rockabillyboy писал(а):В принципе ничего сложного, казалось бы, подключай и радуйся, но до кучи на схеме был отмечен какой-то "adaptor"Да, так и надо для работы опторазвязки драйверов.Rockabillyboy писал(а): Получается он постоянно будет давать 5 вольт на каналы Puls+ и Dir+
Вот набросал схемку, не очень уверен в правильности, т.к. Там где указано +5v уходит на плюсовые контакты драйверов, и с полярностью тут вопросов не возникает, а вот второй провод от USB получается минусовой, но на схеме он приходит на GND (насколько я понял, это земля) Насколько это правильно?
- Сергей Саныч
- Мастер
- Сообщения: 9116
- Зарегистрирован: 30 май 2012, 14:20
- Репутация: 2858
- Откуда: Тюмень
- Контактная информация:
Re: Помогите со схемкой для ЧПУ
"Минус" USB идет на GND внутри компьютера, так что всё нормально.Rockabillyboy писал(а):второй провод от USB получается минусовой, но на схеме он приходит на GND (насколько я понял, это земля) Насколько это правильно?
Чудес не бывает. Бывают фокусы.
- NightV
- Почётный участник

- Сообщения: 6610
- Зарегистрирован: 30 дек 2011, 09:14
- Репутация: 2279
- Настоящее имя: Владимир Айрапетян
- Откуда: Israel
- Контактная информация:
Re: Помогите со схемкой для ЧПУ
поставь зарядник от нокии (или новых самсунг, есть еще USB зарядник от моторола, есть и от других контор) и не парься, они давно делают на 5вольт и 1000м.ампер, USB только 500м.ампер, и если что напутаеш есть шанс спалить порт
Всё просто! если знаешь КАК!
-
Rockabillyboy
- Новичок
- Сообщения: 11
- Зарегистрирован: 30 апр 2014, 14:15
- Репутация: 0
- Откуда: Москва
- Контактная информация:
Re: Помогите со схемкой для ЧПУ
Отличная идея, спасибо!NightV писал(а):поставь зарядник от нокии (или новых самсунг, есть еще USB зарядник от моторола, есть и от других контор) и не парься, они давно делают на 5вольт и 1000м.ампер, USB только 500м.ампер, и если что напутаеш есть шанс спалить порт
-
Rockabillyboy
- Новичок
- Сообщения: 11
- Зарегистрирован: 30 апр 2014, 14:15
- Репутация: 0
- Откуда: Москва
- Контактная информация:
Re: Помогите со схемкой для ЧПУ
Сергей Саныч, огромное спасибо за советы!
-
Rockabillyboy
- Новичок
- Сообщения: 11
- Зарегистрирован: 30 апр 2014, 14:15
- Репутация: 0
- Откуда: Москва
- Контактная информация:
Re: Помогите со схемкой для ЧПУ
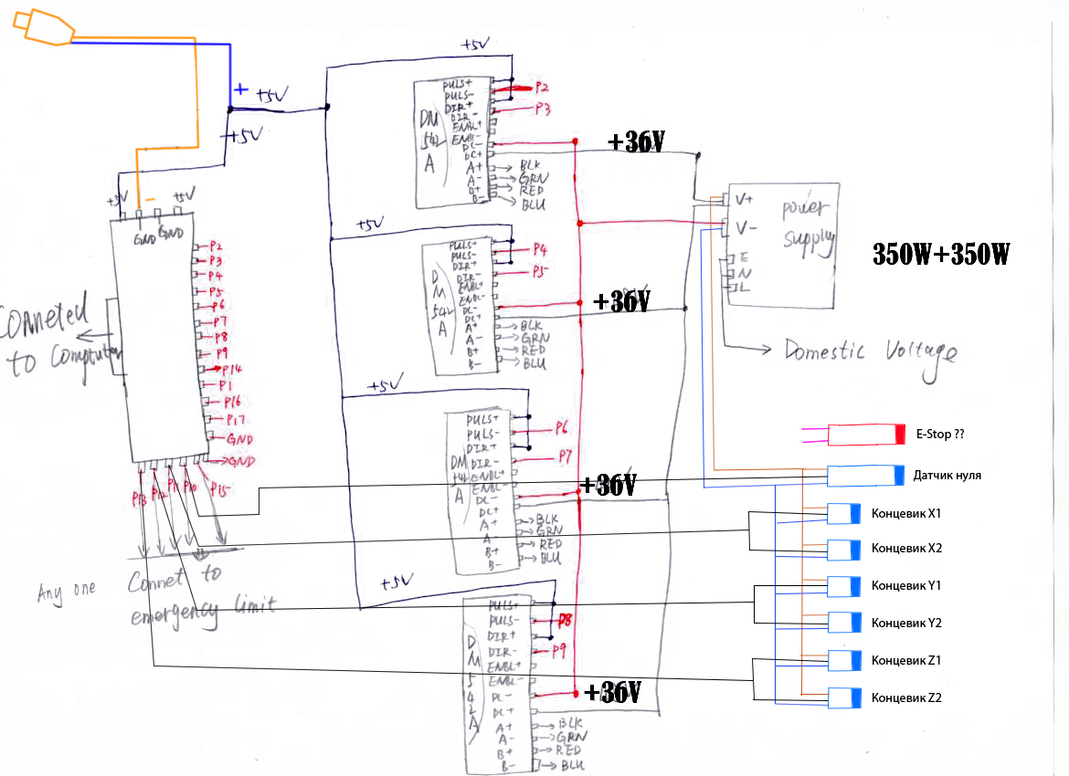
Еще раз огромное спасибо за советы. Собрал схемку, почти до конца, теперь возник вопрос как устанавливать индуктивные концевые ограничители. Входов контроллере для этих целей всего 5 штук, а хочется поставить 6 концевиков, 1 датчик нуля по оси Z и кнопку е-stop
Что-то вроде того: Возникло несколько впопросов, почитал похожие темы на форуме, но ответа там не нашел(
1. Можно ли объединять контроллеры парно, на один вход порта по одинаковым осям, как на картинке вложении: 2. Правильно ли я нарисовал схему подключения концевиков? Не сгорит ли управляющая плата, если концевики подключены к блоку питания на 36 вольт или нужно под них купить отдельный на 5 вольт, а заодно и плату напитать не от USB а от БП?
3. По какому принципу подключать кнопку-гриб e-stop если там только 2 контакта, и она просто размыкает цепь?
Что-то вроде того: Возникло несколько впопросов, почитал похожие темы на форуме, но ответа там не нашел(
1. Можно ли объединять контроллеры парно, на один вход порта по одинаковым осям, как на картинке вложении: 2. Правильно ли я нарисовал схему подключения концевиков? Не сгорит ли управляющая плата, если концевики подключены к блоку питания на 36 вольт или нужно под них купить отдельный на 5 вольт, а заодно и плату напитать не от USB а от БП?
3. По какому принципу подключать кнопку-гриб e-stop если там только 2 контакта, и она просто размыкает цепь?
- megagad
- Почётный участник

- Сообщения: 3208
- Зарегистрирован: 05 апр 2014, 18:57
- Репутация: 712
- Откуда: Реуспублика Крым, Бахчисарай.
- Контактная информация:
Re: Помогите со схемкой для ЧПУ
на 1 вывод вешаются ВСЕ концевики плюс Е-стоп. далее на три вывода вешаются "домашние" датчики. Нужно разделять понятие "концевки" и "ноли осей"(они-же "хоум"-ы). Для концевиков пойдут обычные "микровыключатели" - их задача выключить станок до того, как ось "уедет" за пределы станкаRockabillyboy писал(а):Входов контроллере для этих целей всего 5 штук, а хочется поставить 6 концевиков, 1 датчик нуля по оси Z и кнопку е-stop
Хоумы это именно рабочий ноль станка - здесь можно и индукционные датчики поставить - сразу после хоумов ставятся концевики.
Итого на станок как раз хватает 5 входов: 3 "хоума", 1 "концевики+Е-стоп" и один "датчик длинны инструмента"(ещё обзывают "Z-ноль").
We Do What We Must, Because We Can!
Причинять добро, наносить пользу и подвергать ласке.
Причинять добро, наносить пользу и подвергать ласке.
- Боотур
- Мастер
- Сообщения: 325
- Зарегистрирован: 30 авг 2013, 03:20
- Репутация: 9
- Откуда: Республика Саха Якутия Мегино-Кангаласский улус
- Контактная информация:
Re: Помогите со схемкой для ЧПУ
Подтверждаю слова megagad, 6 концевиков и кнопка Е-стоп считай за 1 концевик, их задача останов станка. А 3 датчика хоума для машинных координат станка.
Если концевики на размыкание то и кнопку на размыкание, желательно с фиксацией.Rockabillyboy писал(а):По какому принципу подключать кнопку-гриб e-stop если там только 2 контакта, и она просто размыкает цепь
- Боотур
- Мастер
- Сообщения: 325
- Зарегистрирован: 30 авг 2013, 03:20
- Репутация: 9
- Откуда: Республика Саха Якутия Мегино-Кангаласский улус
- Контактная информация:
Re: Помогите со схемкой для ЧПУ
Что-то не вижу в схеме датчиков хоума, в качестве концевиков подойдут и микрики.
И выясни, индуктивные датчики у тебя работают на размыкание или замыкание.
И выясни, индуктивные датчики у тебя работают на размыкание или замыкание.
- Ворон226
- Мастер
- Сообщения: 1923
- Зарегистрирован: 01 окт 2012, 18:14
- Репутация: 181
- Откуда: Солнечногорск Московской обл. - Борки Конаковского р-на - Скоморохово Фировского р-на
- Контактная информация:
Re: Помогите со схемкой для ЧПУ
Кнопку E-STOP нужно ставить именно на размыкание, как и датчики пределов (All Limits). Объединять их просто - соединить последовательно в одну цепь. Если сработает хотя бы один их датчиков или кнопка, то цепь размыкается и станок уйдет в аварийный режим (все остановится).
И вообще, правильно ставить ВСЕ датчики на разрыв цепи. Тогда, если произошел обрыв цепи любого датчика - это нештатная ситуация. Т.о. замкнутая цепь датчика говорит о её рабочем состоянии.
И вообще, правильно ставить ВСЕ датчики на разрыв цепи. Тогда, если произошел обрыв цепи любого датчика - это нештатная ситуация. Т.о. замкнутая цепь датчика говорит о её рабочем состоянии.
Хочешь быть счастливым? Будь им!
-
Rockabillyboy
- Новичок
- Сообщения: 11
- Зарегистрирован: 30 апр 2014, 14:15
- Репутация: 0
- Откуда: Москва
- Контактная информация:
Re: Помогите со схемкой для ЧПУ
Я планирую ставить нормально закрытые датчики NPN и тоже закрытые концевые выключатели.
Взгляните пожалуйста на схему, правильно набросал? С учетом доп. блока питания на 5В для платы, от него же запитать датчики. А вообще, конечно правильно, делать все нормально закрытым на разрыв (собственно на этом варианте я и остановился), вот только плата скорее всего будет больше греться, чем от схемы с датчиками нормально открытыми...
Взгляните пожалуйста на схему, правильно набросал? С учетом доп. блока питания на 5В для платы, от него же запитать датчики. А вообще, конечно правильно, делать все нормально закрытым на разрыв (собственно на этом варианте я и остановился), вот только плата скорее всего будет больше греться, чем от схемы с датчиками нормально открытыми...
- Ворон226
- Мастер
- Сообщения: 1923
- Зарегистрирован: 01 окт 2012, 18:14
- Репутация: 181
- Откуда: Солнечногорск Московской обл. - Борки Конаковского р-на - Скоморохово Фировского р-на
- Контактная информация:
Re: Помогите со схемкой для ЧПУ
Ток входной оптопары около 10 мА. Значит ПО ВСЕМ входам - 50мА. Умножаем на напряжение питания оптронов (на схеме 5 В) - получается, что на замкнутых концевиках ты дополнительно греешь плату мощностью не более 0,25 Вт.Rockabillyboy писал(а):вот только плата скорее всего будет больше греться, чем от схемы с датчиками нормально открытыми...
Так что не парься!
Хочешь быть счастливым? Будь им!
- РЕКЛАМА
- Почётный участник

- Сообщения: 736
- Зарегистрирован: 11 дек 2012, 21:46
- Репутация: 80
- Откуда: Брянск
- Контактная информация:
Re: Помогите со схемкой для ЧПУ
А у меня всего 3 датчика, по одному на ось, Home и одновременно лимиты.
Датчики ездят вместе с каретками, реагируют на регулируемые шторки.
Датчики ездят вместе с каретками, реагируют на регулируемые шторки.
- megagad
- Почётный участник

- Сообщения: 3208
- Зарегистрирован: 05 апр 2014, 18:57
- Репутация: 712
- Откуда: Реуспублика Крым, Бахчисарай.
- Контактная информация:
Re: Помогите со схемкой для ЧПУ
И тут случилась беда - "датчик не сработал на шторку" - в результате ось уедет дальше и или шаговик просто начнёт пропускать шаги, или что более вероятно - чтонибудь свернёт/провернёт/загнёт.РЕКЛАМА писал(а):Датчики ездят вместе с каретками, реагируют на регулируемые шторки.
Всё правильно, "летать будет" ,плюс остался 1 свободный вход для датчика длинны инструмента.Rockabillyboy писал(а):Взгляните пожалуйста на схему, правильно набросал?
We Do What We Must, Because We Can!
Причинять добро, наносить пользу и подвергать ласке.
Причинять добро, наносить пользу и подвергать ласке.
- Serg
- Мастер
- Сообщения: 21923
- Зарегистрирован: 17 апр 2012, 14:58
- Репутация: 5183
- Заслуга: c781c134843e0c1a3de9
- Настоящее имя: Сергей
- Откуда: Москва
- Контактная информация:
Re: Помогите со схемкой для ЧПУ
А чем это хуже несработавшего по какой-либо причине концевика?megagad писал(а):И тут случилась беда - "датчик не сработал на шторку" - в результате ось уедет дальше и или шаговик просто начнёт пропускать шаги, или что более вероятно - чтонибудь свернёт/провернёт/загнёт.
Я не Христос, рыбу не раздаю, но могу научить, как сделать удочку...
- megagad
- Почётный участник

- Сообщения: 3208
- Зарегистрирован: 05 апр 2014, 18:57
- Репутация: 712
- Откуда: Реуспублика Крым, Бахчисарай.
- Контактная информация:
Re: Помогите со схемкой для ЧПУ
если не заметили - у человека всего 3 датчика. Да и пользование хоумов как концевиков - не комильфоUAVpilot писал(а):А чем это хуже несработавшего по какой-либо причине концевика?
и да - использование раздельных концевиков и "домашних" датчиков не я придумал. Тут как в пословице - "Или делайте правильно, или по своему."
А, ну и экономический вопрос важен - концевик обычно раз в 100 дешевле нормального "домашнего" датчика.
А в больших станках есть ещё и "концевик после концевика", который вырубает уже сам сервоусилитель - двойная система защиты ,для случая "залипания" управляющего компа. Тот-же принцип можно реализовать и для хобийных станков, прерывая сигнал EN на драйвера.
We Do What We Must, Because We Can!
Причинять добро, наносить пользу и подвергать ласке.
Причинять добро, наносить пользу и подвергать ласке.