Мини ЧПУ токарничек из 1Д601

Токарные станки с ЧПУ.
Аватара пользователя
AlexNikov
Мастер
Сообщения: 1212
Зарегистрирован: 05 янв 2014, 20:09
Репутация: 721
Настоящее имя: Алексей
Откуда: Томск
Контактная информация:

Re: Мини ЧПУ токарничек из 1Д601

Сообщение AlexNikov »

megagad писал(а):
AlexNikov писал(а):Хотя можно и центральную вертикальную перегородку добавить.
нужно! 32мм ДСП - "ниочём". Да, на вид жостко. но по сути - прогибается от "ведра воды" уже при полуметровом "вылете" - знаю по себе и попытке сделать "тумбочку" для примерно такого-же веса станка - 55кг сверху "тумбы" шириной 800м и глубиной 600мм - прогиб по центру более 3мм - через год появилась трещина :( Или ДСП такой "хороший", или всётаки веса многовато. Да, ДСП я сразу брал 40-ку под "столешницы".
Я из Вектроника своего исхожу, в полной оснаске он примерно 45кг. Тумба сделана послабже - вполне себе норм стоит стоит станочек. Перемычку вертикальную да, добавил. 32мм считаю все же более чем, заказывать буду у тех же ребят что мне тумбу под Вектроник делали - очень добротно делают и материал хороший.
aegis писал(а):я бы там просто перемычку посредине поставил вертикальную и все
Так и сделал в итоге:
ss+(2017-01-29+at+02.10.08).jpg (4570 просмотров) <a class='original' href='./download/file.php?id=101459&mode=view' target=_blank>Загрузить оригинал (53.49 КБ)</a>
Аватара пользователя
AlexNikov
Мастер
Сообщения: 1212
Зарегистрирован: 05 янв 2014, 20:09
Репутация: 721
Настоящее имя: Алексей
Откуда: Томск
Контактная информация:

Re: Мини ЧПУ токарничек из 1Д601

Сообщение AlexNikov »

Начал готовить чертежи всех соединений в станке и шкафу. Без них чувствую быстро запутаюсь что и куда: - начало положено, дочертить и можно сигналку до конца уже разводить и разъемы все распаивать.

Сделать планирую 5 листов альбома:
- схема сигнальных цепей в шкафу управления
- схема силовых цепей в шкафу управления
- схема сигнальных цепей в станке
- схема силовых цепей в станке
- схема соединений станка и шкафа
Аватара пользователя
PKM
Почётный участник
Почётный участник
Сообщения: 4263
Зарегистрирован: 31 мар 2011, 18:11
Репутация: 705
Настоящее имя: Андрей
Откуда: Украина
Контактная информация:

Re: Минимум ЧПУ токарничек из 1Д601

Сообщение PKM »

Какая это программа? Для схемы
Аватара пользователя
AlexNikov
Мастер
Сообщения: 1212
Зарегистрирован: 05 янв 2014, 20:09
Репутация: 721
Настоящее имя: Алексей
Откуда: Томск
Контактная информация:

Re: Минимум ЧПУ токарничек из 1Д601

Сообщение AlexNikov »

PKM писал(а):Какая это программа? Для схемы
В автокаде по привычке все проектирую.
Аватара пользователя
AlexNikov
Мастер
Сообщения: 1212
Зарегистрирован: 05 янв 2014, 20:09
Репутация: 721
Настоящее имя: Алексей
Откуда: Томск
Контактная информация:

Re: Мини ЧПУ токарничек из 1Д601

Сообщение AlexNikov »

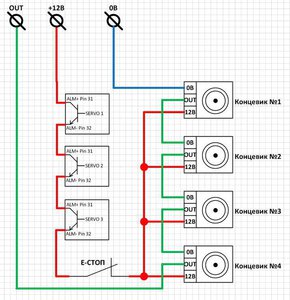
Народ поглядите свежим взглядом, ничего не напутал? Смысл сей схемы - в дежурном режиме (концевики NC) выход OUT подключен к "0В" (и соединен к клеммой Input 15 (E-STOP) Step-Master), таким образом Input 15 (E-STOP) Step-Master активирован. Клемма "-" (E-STOP) подключена к общей цепи "0В" (-12В) по внутренней разводке Степ-мастера судя по схеме Михаила. При выпадании в ошибку серв или нажатии кнопки E-STOP рвется цепь питания концевиков, что отключает Input 15 Степ-мастера от "0В", то же самое отключение Пина от "0В" происходит и при срабатывании концевика.
photo_2017-01-16_20-36-25.jpg (4434 просмотра) <a class='original' href='./download/file.php?id=102117&mode=view' target=_blank>Загрузить оригинал (101.73 КБ)</a>
Схема принципиальная от входов степ-мастера:
2016-10-19_22-17-51.png (4434 просмотра) <a class='original' href='./download/file.php?id=102118&mode=view' target=_blank>Загрузить оригинал (220.7 КБ)</a>
Аватара пользователя
AlexNikov
Мастер
Сообщения: 1212
Зарегистрирован: 05 янв 2014, 20:09
Репутация: 721
Настоящее имя: Алексей
Откуда: Томск
Контактная информация:

Re: Мини ЧПУ токарничек из 1Д601

Сообщение AlexNikov »

Удалось повозиться со шкафом. Можно сказать по электронике финишная прямая - распаять разъемы и развести кнопки/индикаторы
photo_2017-02-24_20-09-57.jpg (4270 просмотров) <a class='original' href='./download/file.php?id=104287&mode=view' target=_blank>Загрузить оригинал (64.06 КБ)</a>
photo_2017-02-24_20-10-13.jpg (4270 просмотров) <a class='original' href='./download/file.php?id=104288&mode=view' target=_blank>Загрузить оригинал (70.11 КБ)</a>
photo_2017-02-24_20-10-39.jpg (4270 просмотров) <a class='original' href='./download/file.php?id=104289&mode=view' target=_blank>Загрузить оригинал (66.7 КБ)</a>
photo_2017-02-24_20-10-46.jpg (4270 просмотров) <a class='original' href='./download/file.php?id=104290&mode=view' target=_blank>Загрузить оригинал (74.83 КБ)</a>
Заказал так же сменные модули для резцов, выглядеть это будет так (на скрине все типы используемых модулей, планирую что одновременно работе будут до 4х модулей, шаг креплений модуля 25мм):
ss+(2017-02-24+at+08.23.16).jpg (4269 просмотров) <a class='original' href='./download/file.php?id=104291&mode=view' target=_blank>Загрузить оригинал (113.04 КБ)</a>
Аватара пользователя
magnetic
Мастер
Сообщения: 431
Зарегистрирован: 03 авг 2015, 11:27
Репутация: 73
Настоящее имя: Алексей
Контактная информация:

Re: Мини ЧПУ токарничек из 1Д601

Сообщение magnetic »

Модули стандартные или кастом?
Вилки и ложки на фото из AISI304!
Аватара пользователя
aegis
Мастер
Сообщения: 3171
Зарегистрирован: 22 мар 2012, 06:59
Репутация: 1810
Настоящее имя: Михайло
Откуда: Україна, Конотоп=>Запоріжжя=>Харьків

Re: Мини ЧПУ токарничек из 1Д601

Сообщение aegis »

AlexNikov, советую сделать модули левые и правые.как 3 и 4 (если считать слева), но отзеркаленные. тогда больше вариантов поймать удачную настройку ибо прижимные винты по разные стороны будут. и отверстия самим станком делай
нікому нічого не нав'язую.
Аватара пользователя
AlexNikov
Мастер
Сообщения: 1212
Зарегистрирован: 05 янв 2014, 20:09
Репутация: 721
Настоящее имя: Алексей
Откуда: Томск
Контактная информация:

Re: Мини ЧПУ токарничек из 1Д601

Сообщение AlexNikov »

magnetic писал(а):Модули стандартные или кастом?
Нет, не стандартные. Рисовал сам, с учетом высоты проставки под переднюю бабку и шлифованным пазом в поперечной подачи.
Аватара пользователя
AlexNikov
Мастер
Сообщения: 1212
Зарегистрирован: 05 янв 2014, 20:09
Репутация: 721
Настоящее имя: Алексей
Откуда: Томск
Контактная информация:

Re: Мини ЧПУ токарничек из 1Д601

Сообщение AlexNikov »

aegis писал(а):AlexNikov, советую сделать модули левые и правые.как 3 и 4 (если считать слева), но отзеркаленные. тогда больше вариантов поймать удачную настройку ибо прижимные винты по разные стороны будут. и отверстия самим станком делай
В модулях под круглые резцедержатели отвертстия да, буду сверлить сам. Сверло буду ставить в патрон. Таких модулей заказано 5 штук. По левому правому / зеркальному не совсем понял...Модули под квадратные резцы (второй слева) как раз и ориентированы на установку как левых так и правых резцов таких модулей два заказано. Проходной и отрезной будут стоять думать в 99% случаев и сниматься вряд ли будут. Расточные, которые будут устанавливаться в модули 3 и 4 ведь не будут пропускать деталь рядом с собой. Дозаказать можно будет модулей, руками самому нужно опробовать как оно будет. Для начала работы думаю хватит такого набора.
Аватара пользователя
aegis
Мастер
Сообщения: 3171
Зарегистрирован: 22 мар 2012, 06:59
Репутация: 1810
Настоящее имя: Михайло
Откуда: Україна, Конотоп=>Запоріжжя=>Харьків

Re: Мини ЧПУ токарничек из 1Д601

Сообщение aegis »

они по пазу по шпонке стоять будут? просто расточка расточкой, а вот сверление критично к направлению.
по поводу зеркальности. подвинь 3 к 4-й касете. выйдет, что между осями будет находиться крепежный винт 4й касеты, тоесть если есть задача всунуть инструментов много, но маленьких этот момент схавает лишний ход поперечки. если крепежный винт перенести за ось 4го инструмента они станут ближе. вот это и есть зеркальное исполнение. про шпонку не зря спросил ибо она будет менять картину левая/правая очень сильно
нікому нічого не нав'язую.
Аватара пользователя
AlexNikov
Мастер
Сообщения: 1212
Зарегистрирован: 05 янв 2014, 20:09
Репутация: 721
Настоящее имя: Алексей
Откуда: Томск
Контактная информация:

Re: Мини ЧПУ токарничек из 1Д601

Сообщение AlexNikov »

aegis писал(а):они по пазу по шпонке стоять будут? просто расточка расточкой, а вот сверление критично к направлению.
по поводу зеркальности. подвинь 3 к 4-й касете. выйдет, что между осями будет находиться крепежный винт 4й касеты, тоесть если есть задача всунуть инструментов много, но маленьких этот момент схавает лишний ход поперечки. если крепежный винт перенести за ось 4го инструмента они станут ближе. вот это и есть зеркальное исполнение. про шпонку не зря спросил ибо она будет менять картину левая/правая очень сильно
Тут вот какое дело - ширина модуля 25мм, шаг крепления модуля так же 25мм. Это уже сделано. Как оно будет на практике удобно или нет - поглядим. Был бы Т-паз - тут согласен - можно было бы двигать модули ближе дальше друг от друга. Сейчас же шаг установки фиксирован. Меняться будет не кассета а модули. Ставить в позицию их думаю по конусному штифту, прикручиваться к поперечке будут 2мя винтами. Но по штифтам пока вопрос открытый - нужны ли они будут или нет, поглядим еще.

Твоя идея мне теперь понята, но с фиксированным шагом крепления её не применить мне кажется. Если фиксированный шаг себя не оправдает - буду делать с Т-пазом крепление.

Думаю привязку к координатам нужно будет делать каждый раз каждого модуля после смены. Понимание алгоритма вроде как есть:

- протачиваем первым (проходной) тестовую заготовку, мерим микрометром, R - расстояние от оси вращения до резца.
- устанавливаем координату равную R
- подводим следующий резец и так же пробегаемся по заготовке - мерим микрометром, R + показания позиции ЧПУ - смещение по оси поперечной для второго резца

Скорее всего это будет организовано офф-сетами G54- 59
Аватара пользователя
aegis
Мастер
Сообщения: 3171
Зарегистрирован: 22 мар 2012, 06:59
Репутация: 1810
Настоящее имя: Михайло
Откуда: Україна, Конотоп=>Запоріжжя=>Харьків

Re: Мини ЧПУ токарничек из 1Д601

Сообщение aegis »

легче не офсетами а просто привязкой инструмента. помню была галочка типа "ничего не делать после смены инструмента". а была поставить на паузу для ручной смены, например.
с фиксированным шагом да, согласен безсмысленно. а то спереди разве не Т-паз?
нікому нічого не нав'язую.
Аватара пользователя
AlexNikov
Мастер
Сообщения: 1212
Зарегистрирован: 05 янв 2014, 20:09
Репутация: 721
Настоящее имя: Алексей
Откуда: Томск
Контактная информация:

Re: Мини ЧПУ токарничек из 1Д601

Сообщение AlexNikov »

aegis писал(а):а то спереди разве не Т-паз?
Вот как оно в живую выглядит, Т-паза там нету:
IMAG1473.jpg (4188 просмотров) <a class='original' href='./download/file.php?id=104350&mode=view' target=_blank>Загрузить оригинал (881.73 КБ)</a>
IMAG1474.jpg (4188 просмотров) <a class='original' href='./download/file.php?id=104351&mode=view' target=_blank>Загрузить оригинал (874.55 КБ)</a>
IMAG1475.jpg (4188 просмотров) <a class='original' href='./download/file.php?id=104352&mode=view' target=_blank>Загрузить оригинал (964.3 КБ)</a>
Аватара пользователя
Hanter
Мастер
Сообщения: 5414
Зарегистрирован: 27 янв 2012, 14:52
Репутация: 4338
Настоящее имя: Алексей
Откуда: Питер
Контактная информация:

Re: Мини ЧПУ токарничек из 1Д601

Сообщение Hanter »

Лех, ты бы хоть сварку каким скотч-брайтом потер шоб без побежалости было...
Опыт - это когда на смену вопросам: "Что? Где? Когда? Как? Почему?" Приходит единственный вопрос: "Нахрена?"
==========================================
фрезерная и токарная обработка на станках с чпу.
Резка, гибка, сварка и порошковая окраса.
Аватара пользователя
AlexNikov
Мастер
Сообщения: 1212
Зарегистрирован: 05 янв 2014, 20:09
Репутация: 721
Настоящее имя: Алексей
Откуда: Томск
Контактная информация:

Re: Мини ЧПУ токарничек из 1Д601

Сообщение AlexNikov »

Hanter писал(а):Лех, ты бы хоть сварку каким скотч-брайтом потер шоб без побежалости было...
Лех, перед финальной сборкой уже наведу полный лоск :D Кожухи еще не раз скидывать/одевать.
john1987887
Мастер
Сообщения: 3296
Зарегистрирован: 08 сен 2013, 17:26
Репутация: 1802
Контактная информация:

Re: Мини ЧПУ токарничек из 1Д601

Сообщение john1987887 »

Где заклепки покупали? У нас голяк. Через инет по 1000 штук нашел, мне столько не надо.
Аватара пользователя
AlexNikov
Мастер
Сообщения: 1212
Зарегистрирован: 05 янв 2014, 20:09
Репутация: 721
Настоящее имя: Алексей
Откуда: Томск
Контактная информация:

Re: Мини ЧПУ токарничек из 1Д601

Сообщение AlexNikov »

john1987887 писал(а):Где заклепки покупали? У нас голяк. Через инет по 1000 штук нашел, мне столько не надо.
Я с Китая себе всё вожу, заклепки резьбовые, да и сам заклепочник, от туда. Я у себя в городе их тоже не нашел.
john1987887
Мастер
Сообщения: 3296
Зарегистрирован: 08 сен 2013, 17:26
Репутация: 1802
Контактная информация:

Re: Мини ЧПУ токарничек из 1Д601

Сообщение john1987887 »

Вроде откопал в магазине местном, но шляпа обычная. Похоже будет развлечение с проточкой обычной шляпы в потайную...
Аватара пользователя
AlexNikov
Мастер
Сообщения: 1212
Зарегистрирован: 05 янв 2014, 20:09
Репутация: 721
Настоящее имя: Алексей
Откуда: Томск
Контактная информация:

Re: Мини ЧПУ токарничек из 1Д601

Сообщение AlexNikov »

john1987887 писал(а):Вроде откопал в магазине местном, но шляпа обычная. Похоже будет развлечение с проточкой обычной шляпы в потайную...
Сколько штук тебе нужно и на какую резьбу? В патай?
Ответить

Вернуться в «Токарные станки»