Вектроник А2-РЦ или "мой первый раз"
- dima7411
- Почётный участник

- Сообщения: 1055
- Зарегистрирован: 26 янв 2014, 14:06
- Репутация: 337
- Настоящее имя: Дмитрий
- Откуда: Копейск
- Контактная информация:
Re: Вектроник А2-РЦ или "мой первый раз"
Для чистоты эксперимента драйвера лучше подключить....pankinoa писал(а):Х pul- (пин 4) относительно +5В показывает эти 5,12В
а pul- других осей (пины 3 и 2) - 0,02В.
проверял просто при включенном компе. без нажатий X+|X-
драйверы отцепил для чистоты эксперимента.
что это значит?
А это значит, что пин 4 сидит на земле жестко. Для проверки, все- таки подвигай Х, туда-сюда, но вряд ли что-то изменится.
Не тот ли ето артефакт?
Первый раз вижу такой разъем...
- Вложения
-
- Не тот ли ето артефакт?
- Артефакт.jpg (1.81 МБ) 3238 просмотров
- pankinoa
- Кандидат
- Сообщения: 81
- Зарегистрирован: 05 ноя 2014, 21:42
- Репутация: 11
- Настоящее имя: Олег
- Откуда: Самара
- Контактная информация:
Re: Вектроник А2-РЦ или "мой первый раз"
Дима, нет, это наплыв лака. сфоткать сложно - лак бликует.dima7411 писал(а):Не тот ли ето артефакт?
Проверил сопротивление на снятой плате между пинами осей и землей (2,3,4 и 14) - везде одинаково 750 кОмdima7411 писал(а):пин 4 сидит на земле жестко
/Оффтоп:
почему при измерении мультиметром, если черным контактом на пин 2, красным на пин 14 - показывает 750 кОм. А если наоборот красным на 2, черным на 14 - не прозванивается? направление имеет значение?/
Re: Вектроник А2-РЦ или "мой первый раз"
полупроводник стоит?
- dima7411
- Почётный участник

- Сообщения: 1055
- Зарегистрирован: 26 янв 2014, 14:06
- Репутация: 337
- Настоящее имя: Дмитрий
- Откуда: Копейск
- Контактная информация:
Re: Вектроник А2-РЦ или "мой первый раз"
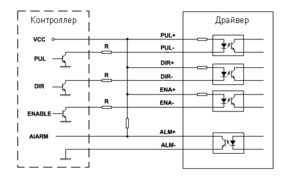
Там выходы с открытым коллектором, вероятно...
При питании +5В резисторы, обычно, не ставят.
При питании +5В резисторы, обычно, не ставят.
- dima7411
- Почётный участник

- Сообщения: 1055
- Зарегистрирован: 26 янв 2014, 14:06
- Репутация: 337
- Настоящее имя: Дмитрий
- Откуда: Копейск
- Контактная информация:
Re: Вектроник А2-РЦ или "мой первый раз"
PUL это сигнал шага, должна быть последовательность импульсов при нажатии Х+/Х- (для оси Х). DIR - сигнал направления, при "0" в одну сторону, при "VCC" в другую, естесственно, при подаче импульсов на PUL.pankinoa писал(а):проверял просто при включенном компе. без нажатий X+|X-
- pankinoa
- Кандидат
- Сообщения: 81
- Зарегистрирован: 05 ноя 2014, 21:42
- Репутация: 11
- Настоящее имя: Олег
- Откуда: Самара
- Контактная информация:
Re: Вектроник А2-РЦ или "мой первый раз"
Ena- кстати с драйвера никуда не подключал.
Dir по всем осям норм работает.
Pul по Z и Y при работе меняется с 7 до 4 вольт (перемен.ток). Pul по Х - 1в и не меняется
Dir по всем осям норм работает.
Pul по Z и Y при работе меняется с 7 до 4 вольт (перемен.ток). Pul по Х - 1в и не меняется
- dima7411
- Почётный участник

- Сообщения: 1055
- Зарегистрирован: 26 янв 2014, 14:06
- Репутация: 337
- Настоящее имя: Дмитрий
- Откуда: Копейск
- Контактная информация:
Re: Вектроник А2-РЦ или "мой первый раз"
Цитата: причины только две: либо есть контакт, где не надо; либо нет контакт, где надо. Как бы грубо не звучало...
Значит не идут импульсы по Х. Могет выгорел выходной каскад на плате. Схемотехника на NC мне не известна, может там открытый коллектор, а может все-таки подтянут к +. Так что ХЗ.
С другой стороны, если б выгорел, то звонился бы одинаково, в обоих направлениях...
Значит не идут импульсы по Х. Могет выгорел выходной каскад на плате. Схемотехника на NC мне не известна, может там открытый коллектор, а может все-таки подтянут к +. Так что ХЗ.
С другой стороны, если б выгорел, то звонился бы одинаково, в обоих направлениях...
-
Andy52280
- Мастер
- Сообщения: 827
- Зарегистрирован: 29 авг 2014, 19:29
- Репутация: 188
- Откуда: Тульская область
- Контактная информация:
Re: Вектроник А2-РЦ или "мой первый раз"
2pankinoa
Углубляйся в электронику. Наука о контактах.
Фотки, кстати, не слишком информативными получились. Их надо было делать такими, чтобы были видны маркировки микросхем и дорожки.
Согласуй с Тенгелем вмешательство в плату. Ведь если покоцаешь, а результата не будет, то...
В общем, так.
Отследи дорожку с 4-го пина разъема. Найди микросхему, куда это дело приходит. Посмотри - на нее ли приходят остальные оси? Прозвони дорожки от микросхемы до разъема. Сдери все же тот подозрительный ляпсус, замеченный dima7411. Вот тут, если ничего не изменилось, можно аккуратно отрезать дорожку на 4-й пин разъема прямо у вывода микросхемы. Вывод повиснет сам по себе, а дорожка со всеми пинами и огрехами, если таковые есть - сама по себе. И на нем, на выводе, посмотреть сигнал. С откинутой дорожкой, чтоб ничего не мешалось. Если с дорогами все в порядке, нужно будет искать даташит на выходную микросхему. По нему найти входные ее цепи. Попробовать отследить все оси. Смотреть дорожки ДО выходной микрухи. Очень может быть, что проблема еще до выхода. Например, межслойная перемычка оторвалась. Ну а глубже уже без измерений не получится.
Если же дело таки в 7406, то у нее может быть не задействован какой-нибудь элемент. И выводы убитого можно будет перекинуть на незадействованный без поиска и ожидания доставки замены.
Углубляйся в электронику. Наука о контактах.
Фотки, кстати, не слишком информативными получились. Их надо было делать такими, чтобы были видны маркировки микросхем и дорожки.
Согласуй с Тенгелем вмешательство в плату. Ведь если покоцаешь, а результата не будет, то...
В общем, так.
Отследи дорожку с 4-го пина разъема. Найди микросхему, куда это дело приходит. Посмотри - на нее ли приходят остальные оси? Прозвони дорожки от микросхемы до разъема. Сдери все же тот подозрительный ляпсус, замеченный dima7411. Вот тут, если ничего не изменилось, можно аккуратно отрезать дорожку на 4-й пин разъема прямо у вывода микросхемы. Вывод повиснет сам по себе, а дорожка со всеми пинами и огрехами, если таковые есть - сама по себе. И на нем, на выводе, посмотреть сигнал. С откинутой дорожкой, чтоб ничего не мешалось. Если с дорогами все в порядке, нужно будет искать даташит на выходную микросхему. По нему найти входные ее цепи. Попробовать отследить все оси. Смотреть дорожки ДО выходной микрухи. Очень может быть, что проблема еще до выхода. Например, межслойная перемычка оторвалась. Ну а глубже уже без измерений не получится.
Если же дело таки в 7406, то у нее может быть не задействован какой-нибудь элемент. И выводы убитого можно будет перекинуть на незадействованный без поиска и ожидания доставки замены.
- pankinoa
- Кандидат
- Сообщения: 81
- Зарегистрирован: 05 ноя 2014, 21:42
- Репутация: 11
- Настоящее имя: Олег
- Откуда: Самара
- Контактная информация:
Re: Вектроник А2-РЦ или "мой первый раз"
все норм, на микросхему приходят все оси.Andy52280 писал(а):Прозвони дорожки от микросхемы до разъема
Чето уже не верю в возможность найти причину, я не спец в схемотехнике.
буду искать другую. у кого есть недорого?
а пока с датчиками лимита не разобрался.
Датчик LJ12A3-4-Z/BX NPN. Подлючил, при поднесении к железке - загорается красным.
на плату завел черный провод - движок не останавливается.
вот здесь http://www.cnc-club.ru/forum/viewtopic. ... 1&p=128257 написано "при срабатывании выставить в софте (MACH и т.п.) активный нуль на соответствующей ноге LPT."
В программе таких настроек не вижу.
Я то думал, будет прерывание на Z limit и движок отключится. Или как?
- shalek
- Почётный участник

- Сообщения: 3023
- Зарегистрирован: 25 авг 2014, 10:40
- Репутация: 2583
- Настоящее имя: Александр
- Откуда: РБ Бобруйск
- Контактная информация:
Re: Вектроник А2-РЦ или "мой первый раз"
В Ncstudio датчики подключены как HOME. Если захоумиться с его помощью, а в настройках будут указаны программные лимиты, то при подъезде к оконечной точке программных лимитов мотор останавливается. Если не хоумиться, то будет ехать до тех пор пока не упрется.pankinoa писал(а):Я то думал, будет прерывание на Z limit и движок отключится. Или как?
В этом случае датчики хоума можно настроить и как хардовые лимиты (мне всегда хватало софтовых).pankinoa писал(а):вот здесь http://www.cnc-club.ru/forum/viewtopic. ... 1&p=128257 написано "при срабатывании выставить в софте (MACH и т.п.) активный нуль на соответствующей ноге LPT."
Это две различные системы управления и настройки не совпадают.
Если ты не можешь решить проблему, значит это не твоя проблема!
Мой канал на YouTube: YouTube
ЧПУ "Бобр" 600x500 мм
shalek64@gmail.com
Мой канал на YouTube: YouTube
ЧПУ "Бобр" 600x500 мм
shalek64@gmail.com
- pankinoa
- Кандидат
- Сообщения: 81
- Зарегистрирован: 05 ноя 2014, 21:42
- Репутация: 11
- Настоящее имя: Олег
- Откуда: Самара
- Контактная информация:
Re: Вектроник А2-РЦ или "мой первый раз"
Ура, датчики лимита заработали.
Оказывается, есть в инете схемы, на которых неправильно цвет проводов датчиков указан. приложил такую неправильную.
нужно:
коричневый +
синий - или GND
черный сигнальный
Оказывается, есть в инете схемы, на которых неправильно цвет проводов датчиков указан. приложил такую неправильную.
нужно:
коричневый +
синий - или GND
черный сигнальный
- shalek
- Почётный участник

- Сообщения: 3023
- Зарегистрирован: 25 авг 2014, 10:40
- Репутация: 2583
- Настоящее имя: Александр
- Откуда: РБ Бобруйск
- Контактная информация:
Re: Вектроник А2-РЦ или "мой первый раз"
По цвету проводов только в американских боевиках мир спасают.pankinoa писал(а):Оказывается, есть в инете схемы, на которых неправильно цвет проводов датчиков указан. приложил такую неправильную.
Если ты не можешь решить проблему, значит это не твоя проблема!
Мой канал на YouTube: YouTube
ЧПУ "Бобр" 600x500 мм
shalek64@gmail.com
Мой канал на YouTube: YouTube
ЧПУ "Бобр" 600x500 мм
shalek64@gmail.com
- pankinoa
- Кандидат
- Сообщения: 81
- Зарегистрирован: 05 ноя 2014, 21:42
- Репутация: 11
- Настоящее имя: Олег
- Откуда: Самара
- Контактная информация:
Re: Вектроник А2-РЦ или "мой первый раз"
учусь резать на сосне и фанере.
горит рез очень сильно при раскрое и черновой обработке.
скорость подачи 400-600 мм/мин на глубину 1-1,5-2 мм. Обороты 12000.
догадываюсь, что скорость подачи маленькая, но очкую больше ставить.
Фреза 3.175 двузаходная (http://opt-china.pulscen.biz/goods/2931 ... ht_korobka - совсем плохо) однозаходная (http://opt-china.pulscen.biz/goods/2931 ... oizvodstvo - получше).
Мне фрезы бегом менять или скоростью экспериментировать?
компрессионными, говорят, сразу можно 4мм фанеру на всю глубину резать? чето страшно так дорого экспериментировать
горит рез очень сильно при раскрое и черновой обработке.
скорость подачи 400-600 мм/мин на глубину 1-1,5-2 мм. Обороты 12000.
догадываюсь, что скорость подачи маленькая, но очкую больше ставить.
Фреза 3.175 двузаходная (http://opt-china.pulscen.biz/goods/2931 ... ht_korobka - совсем плохо) однозаходная (http://opt-china.pulscen.biz/goods/2931 ... oizvodstvo - получше).
Мне фрезы бегом менять или скоростью экспериментировать?
компрессионными, говорят, сразу можно 4мм фанеру на всю глубину резать? чето страшно так дорого экспериментировать
- pankinoa
- Кандидат
- Сообщения: 81
- Зарегистрирован: 05 ноя 2014, 21:42
- Репутация: 11
- Настоящее имя: Олег
- Откуда: Самара
- Контактная информация:
Re: Вектроник А2-РЦ или "мой первый раз"
режу (резал) фанеру 2мм 2-заходной фрезой.
1,5мм заглубление
скорость 1000 мм/мин, обороты 12000
Немного дымит, при меньшей скорости - больше дымит.
На фотовидна стружка с нагаром.
Фреза сломалась. Значит скорость большая?
Подскажите, как быть?
какой фрезой резать, какая скорость?
как сделать, чтоб край не мохристый был и меньше шкурить после резки?
1,5мм заглубление
скорость 1000 мм/мин, обороты 12000
Немного дымит, при меньшей скорости - больше дымит.
На фотовидна стружка с нагаром.
Фреза сломалась. Значит скорость большая?
Подскажите, как быть?
какой фрезой резать, какая скорость?
как сделать, чтоб край не мохристый был и меньше шкурить после резки?
- Serg
- Мастер
- Сообщения: 21923
- Зарегистрирован: 17 апр 2012, 14:58
- Репутация: 5183
- Заслуга: c781c134843e0c1a3de9
- Настоящее имя: Сергей
- Откуда: Москва
- Контактная информация:
Re: Вектроник А2-РЦ или "мой первый раз"
Значит скорость маленькая.
И возможно фреза заточена не под дерево.
И возможно фреза заточена не под дерево.
Я не Христос, рыбу не раздаю, но могу научить, как сделать удочку...
- pankinoa
- Кандидат
- Сообщения: 81
- Зарегистрирован: 05 ноя 2014, 21:42
- Репутация: 11
- Настоящее имя: Олег
- Откуда: Самара
- Контактная информация:
Re: Вектроник А2-РЦ или "мой первый раз"
фреза вроде как правильная - http://www.t-g.ru/shop/26/506/UAVpilot писал(а):Значит скорость маленькая.
И возможно фреза заточена не под дерево.
а если скорость маленькая - что же она сломалась то?
- michael-yurov
- Почётный участник

- Сообщения: 11731
- Зарегистрирован: 26 июл 2012, 00:10
- Репутация: 4703
- Настоящее имя: Михаил Львович
- Откуда: Новоуральск
- Контактная информация:
Re: Вектроник А2-РЦ или "мой первый раз"
А вращается по часовой стрелке?
- pankinoa
- Кандидат
- Сообщения: 81
- Зарегистрирован: 05 ноя 2014, 21:42
- Репутация: 11
- Настоящее имя: Олег
- Откуда: Самара
- Контактная информация:
Re: Вектроник А2-РЦ или "мой первый раз"
да, конечноmichael-yurov писал(а):А вращается по часовой стрелке?
- pankinoa
- Кандидат
- Сообщения: 81
- Зарегистрирован: 05 ноя 2014, 21:42
- Репутация: 11
- Настоящее имя: Олег
- Откуда: Самара
- Контактная информация:
Re: Вектроник А2-РЦ или "мой первый раз"
Йолы-палы! против...pankinoa писал(а):да, конечно
вот же я лопух
провода с инвертора местами поменять?