Есть у меня такой алмазный диск, а вот как он шабрить будет?Ershoff писал(а):дыкЪ для них диски для камня специальные есть
ВСО из полимербетона
- sr480
- Мастер
- Сообщения: 1295
- Зарегистрирован: 08 янв 2012, 20:48
- Репутация: 139
- Откуда: Ростов-на-Дону
- Контактная информация:
Re: ВСО из полимербетона
Вот пока вот такие пятна.
Вот тут видно каких я ям понаделал пока тренеровался:
- Ershoff
- Почётный участник

- Сообщения: 653
- Зарегистрирован: 21 окт 2013, 11:49
- Репутация: 241
- Откуда: Киев. Украина
- Контактная информация:
Re: ВСО из полимербетона
Не знаю, просто вспомнилось из-за наличия камушков внутри, посему нужно попробовать
Но камень такие сухорезы грызут хорошо. А с мелким алмазом полируют прекрасно.
Я таким ещё по стеклопластику работаю - гораздо лучше любого другого.
Но камень такие сухорезы грызут хорошо. А с мелким алмазом полируют прекрасно.
Я таким ещё по стеклопластику работаю - гораздо лучше любого другого.
"Авось" - в умелых руках, мощный инструмент снижения стоимости итогового изделия
- sr480
- Мастер
- Сообщения: 1295
- Зарегистрирован: 08 янв 2012, 20:48
- Репутация: 139
- Откуда: Ростов-на-Дону
- Контактная информация:
Re: ВСО из полимербетона
Мне бы наоборот надо чтоб похуже грыз 
- Ershoff
- Почётный участник

- Сообщения: 653
- Зарегистрирован: 21 окт 2013, 11:49
- Репутация: 241
- Откуда: Киев. Украина
- Контактная информация:
Re: ВСО из полимербетона
а малыми оборотами ? пачутьчуть 
пысы ну да не подумал - тут же минимально снимать надо а не в скульптуре отсекать лишнее...
пысы ну да не подумал - тут же минимально снимать надо а не в скульптуре отсекать лишнее...
"Авось" - в умелых руках, мощный инструмент снижения стоимости итогового изделия
-
aftaev
- Зачётный участник

- Сообщения: 34042
- Зарегистрирован: 04 апр 2010, 19:22
- Репутация: 6194
- Откуда: Казахстан.
- Контактная информация:
Re: ВСО из полимербетона
алмазы высыпятсяErshoff писал(а):а малыми оборотами ? пачутьчуть
Дилетанту сложные вещи кажутся очень простыми, и только профессионал понимает насколько сложна самая простая вещь
Кто хочет - ищет возможности, кто не хочет - ищет оправдание.
Найди работу по душе и тебе не придется работать.
Кто хочет - ищет возможности, кто не хочет - ищет оправдание.
Найди работу по душе и тебе не придется работать.
-
aftaev
- Зачётный участник

- Сообщения: 34042
- Зарегистрирован: 04 апр 2010, 19:22
- Репутация: 6194
- Откуда: Казахстан.
- Контактная информация:
Re: ВСО из полимербетона
sr480, отвези свою плиту на шлифовку 
Дилетанту сложные вещи кажутся очень простыми, и только профессионал понимает насколько сложна самая простая вещь
Кто хочет - ищет возможности, кто не хочет - ищет оправдание.
Найди работу по душе и тебе не придется работать.
Кто хочет - ищет возможности, кто не хочет - ищет оправдание.
Найди работу по душе и тебе не придется работать.
- sr480
- Мастер
- Сообщения: 1295
- Зарегистрирован: 08 янв 2012, 20:48
- Репутация: 139
- Откуда: Ростов-на-Дону
- Контактная информация:
Re: ВСО из полимербетона
Это проще всего. Кайф сделать самому. (Мыши плакали, кололись, но продолжали жрать кактус) Поправде не так это и сложно. Просто мнеж не нужна идеально ровная поверхность, главное, чтоб рельс на ней ровно стоял.aftaev писал(а):отвези свою плиту на шлифовку
- aegis
- Мастер
- Сообщения: 3171
- Зарегистрирован: 22 мар 2012, 06:59
- Репутация: 1810
- Настоящее имя: Михайло
- Откуда: Україна, Конотоп=>Запоріжжя=>Харьків
Re: ВСО из полимербетона
ну как сказать...0,02 обычно производитель рекомендуют делатьsr480 писал(а):Просто мнеж не нужна идеально ровная поверхность, главное, чтоб рельс на ней ровно стоял
нікому нічого не нав'язую.
-
aftaev
- Зачётный участник

- Сообщения: 34042
- Зарегистрирован: 04 апр 2010, 19:22
- Репутация: 6194
- Откуда: Казахстан.
- Контактная информация:
Re: ВСО из полимербетона
Тебе секс нужен или станок? Отвези на шлифовку и рядом постой, будет как ты сделалsr480 писал(а):Это проще всего. Кайф сделать самому.
просто камешки шабрить это так весело наверноsr480 писал(а): Просто мнеж не нужна идеально ровная поверхность, главное, чтоб рельс на ней ровно стоял.
Дилетанту сложные вещи кажутся очень простыми, и только профессионал понимает насколько сложна самая простая вещь
Кто хочет - ищет возможности, кто не хочет - ищет оправдание.
Найди работу по душе и тебе не придется работать.
Кто хочет - ищет возможности, кто не хочет - ищет оправдание.
Найди работу по душе и тебе не придется работать.
- sr480
- Мастер
- Сообщения: 1295
- Зарегистрирован: 08 янв 2012, 20:48
- Репутация: 139
- Откуда: Ростов-на-Дону
- Контактная информация:
Re: ВСО из полимербетона
Не могу сказать что веселе: камешки или сталь, поскольку сталь не шабрил. Но ничего сверх сложного нет в шабрении камушков. А еще я хер знает где взять плоскошлиф или на чем вобще это можно сделать?????
-
aftaev
- Зачётный участник

- Сообщения: 34042
- Зарегистрирован: 04 апр 2010, 19:22
- Репутация: 6194
- Откуда: Казахстан.
- Контактная информация:
Re: ВСО из полимербетона
тебе вроде стол иль что то шлифовали? Нужен плоскошлиф в городах их обычно куча.
Дилетанту сложные вещи кажутся очень простыми, и только профессионал понимает насколько сложна самая простая вещь
Кто хочет - ищет возможности, кто не хочет - ищет оправдание.
Найди работу по душе и тебе не придется работать.
Кто хочет - ищет возможности, кто не хочет - ищет оправдание.
Найди работу по душе и тебе не придется работать.
- sr480
- Мастер
- Сообщения: 1295
- Зарегистрирован: 08 янв 2012, 20:48
- Репутация: 139
- Откуда: Ростов-на-Дону
- Контактная информация:
Re: ВСО из полимербетона
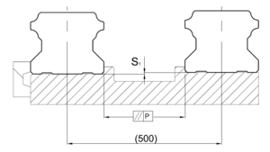
Для моих рельс HG20 с преднаятгом Z0 P = 25 мкм, а S = 130 мкм. А ровность подошвы похоже влияет только на точность станка. Так вот нужно понять, если крепления идут с шагом 60 мм, то и опорные точки каждые 60 мм, следовательно между ними пусть хоть пустота будет, главное чтоб без бугров - я об этом говорю.
Стол мне на вертолетном заводе шлифовали. Туда основная проблема что ввезти и что-то вывезти.
Стол мне на вертолетном заводе шлифовали. Туда основная проблема что ввезти и что-то вывезти.
-
aftaev
- Зачётный участник

- Сообщения: 34042
- Зарегистрирован: 04 апр 2010, 19:22
- Репутация: 6194
- Откуда: Казахстан.
- Контактная информация:
Re: ВСО из полимербетона
в городе должны быть те кто блоки цилиндров шлифует.sr480 писал(а):Стол мне на вертолетном заводе шлифовали. Туда основная проблема что ввезти и что-то вывезти.
Дилетанту сложные вещи кажутся очень простыми, и только профессионал понимает насколько сложна самая простая вещь
Кто хочет - ищет возможности, кто не хочет - ищет оправдание.
Найди работу по душе и тебе не придется работать.
Кто хочет - ищет возможности, кто не хочет - ищет оправдание.
Найди работу по душе и тебе не придется работать.
- sr480
- Мастер
- Сообщения: 1295
- Зарегистрирован: 08 янв 2012, 20:48
- Репутация: 139
- Откуда: Ростов-на-Дону
- Контактная информация:
Re: ВСО из полимербетона
Был вчера в Optimum - сфоткал гофрозащиту на BF30:
- Nick
- Мастер
- Сообщения: 22776
- Зарегистрирован: 23 ноя 2009, 16:45
- Репутация: 1735
- Заслуга: Developer
- Откуда: Gatchina, Saint-Petersburg distr., Russia
- Контактная информация:
Re: ВСО из полимербетона
Выпирает снизу ...
- Сергей Саныч
- Мастер
- Сообщения: 9116
- Зарегистрирован: 30 май 2012, 14:20
- Репутация: 2858
- Откуда: Тюмень
- Контактная информация:
Re: ВСО из полимербетона
Гофрозащита на BF - редкостное убожество. Сделана из какой-то тончайшей ткани вроде болоньи. Местами армирована тонкой пластиковой пленкой. Боится масла и СОЖ. Чтобы не выпячивалась, предусмотрены пластиковые скобки, которые цепляются за ластохвосты, но ничерта не держат. Чтобы хоть как-то держала форму, пришлось применить степлер.sr480 писал(а):сфоткал гофрозащиту на BF30:
На фотке еще какие-то "жалюзи" - это, наверно для защиты гофрозащиты
Чудес не бывает. Бывают фокусы.
- sr480
- Мастер
- Сообщения: 1295
- Зарегистрирован: 08 янв 2012, 20:48
- Репутация: 139
- Откуда: Ростов-на-Дону
- Контактная информация:
Re: ВСО из полимербетона
У тебя же BF20, а это 30 - рядом 20й стоял, так там не было жалюзей, я хочу такие жалюзи.
- Сергей Саныч
- Мастер
- Сообщения: 9116
- Зарегистрирован: 30 май 2012, 14:20
- Репутация: 2858
- Откуда: Тюмень
- Контактная информация:
Re: ВСО из полимербетона
Если сама гармошка там из такого же материала, как на BF20, никакие жалюзи не помогут. Гармошка раскисает от масла, а поскольку она соприкасается с ластохвостами, масло неизбежно. Новая гармошка довольно жесткая и держит форму, а промаслившись, становится просто мокрой тряпкой.
Чудес не бывает. Бывают фокусы.
-
aftaev
- Зачётный участник

- Сообщения: 34042
- Зарегистрирован: 04 апр 2010, 19:22
- Репутация: 6194
- Откуда: Казахстан.
- Контактная информация:
Re: ВСО из полимербетона
во время работы нужно тогда снимать гормошкуSerg-tmn писал(а):. Боится масла и СОЖ.
Дилетанту сложные вещи кажутся очень простыми, и только профессионал понимает насколько сложна самая простая вещь
Кто хочет - ищет возможности, кто не хочет - ищет оправдание.
Найди работу по душе и тебе не придется работать.
Кто хочет - ищет возможности, кто не хочет - ищет оправдание.
Найди работу по душе и тебе не придется работать.
- sr480
- Мастер
- Сообщения: 1295
- Зарегистрирован: 08 янв 2012, 20:48
- Репутация: 139
- Откуда: Ростов-на-Дону
- Контактная информация:
Re: ВСО из полимербетона
Купил вот такую штуку:
Станину шабрить в 100 раз приятнее и быстрее, чем болгаркой. Поскольку она пневматическая, то работает тихо. Стоит всего 1500 р.
